Build a Simple 12V Uninterruptible Power Supply
2022-02-08 | By Maker.io Staff
License: See Original Project
This article discusses a simple uninterruptible power supply that can come in handy in various situations. The design contains a rechargeable Li-Ion battery, battery protection and charging circuitry, and a 12V step-up module. It features two 12V outputs and a standard full-size USB port for charging all sorts of mobile devices. The battery offers a capacity of 2.2Ah, which should be enough to supply small devices with power for a few hours. However, it’s possible to modify the design to use a larger battery when necessary.
The finished device has two switchable 12V outputs and a standard 5V USB socket for charging mobile devices.
Bill of Materials
Part/Quantity
- Adafruit battery charging and step-up module - 1
- DFRobot 12V step-up breakout board - 1
- Single-cell Li-Ion battery - 1
- SPST switch - 1
- Panel-mount DC-Jack - 3
You can build this project with only a handful of components. Note that I originally planned to add diodes,
but I ended up not needing them as the two breakout boards already contain an appropriate protection circuit.
This project employs a custom 3D-printed enclosure. Therefore, you’ll also need a 3D printer or access to one. Alternatively, you can order the 3D-printed parts from Digi-Key’s online 3D-printing service.
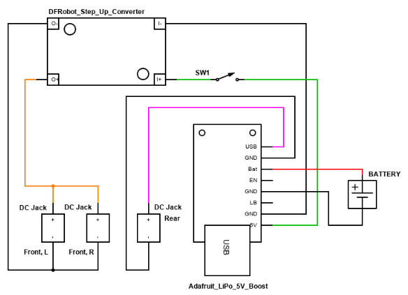
The Schematic Diagram
As mentioned in the introduction, this is a straightforward project suitable for beginners. The design exclusively utilizes easy-to-use breakout boards and simple components:
Here is the schematic diagram for this project. Scheme-It link
As you can see, the charger board is the most vital part of this project. The rear DC input supplies the breakout module with 5V to charge the battery and supply the USB output with power. This Li-Po/Li-Ion charge module includes battery protection features that prevent the cells from getting overcharged or deep-discharged.
The battery linked in the BOM comes with a connector that lets you plug it into the charger module without modifying either component. However, as mentioned, you can also use other batteries to extend the runtime of the power supply if you know how to safely work with batteries. Be aware that mishandling Li-Po and Li-Ion cells can end in catastrophic failure of the cell. If you want to use custom cells, attach the battery cells in a parallel configuration to boost the capacity. Connecting the cells in series will increase the overall voltage of the battery pack. However, the charger module is designed to work with 3.7V cells only.
I used a custom-made two-cell Li-Ion battery pack. Therefore, I had to connect it to the Bat and GND pins of the charger module. If you use a battery that doesn’t have wires attached, make sure to use thick enough wires. This charger module outputs a charge current of 500mA, but the module can safely deliver up to one Ampere. In addition, you should keep the wires between the battery and the charger module as short as possible. Too long cables will increase the impedance and might even damage the charger in the worst case.
Next, the 12V step-up module connects to the 5V and GND pins of the battery charger on one side and then to the output DC jacks on the other.
Assembling the Project
When assembling the project, start by attaching wires to the switch and all three DC jacks. It’s up to you how you want to wire the DC jacks. I used a center-positive configuration. Therefore, I attached the +12V wires to the center pin of the output connectors and the GND wire to the outer ring. Once done, snap the connectors and the switch into place and then test-fit all the other components in the 3D-printed enclosure:
Test-fit the components in the case to make sure that they all fit.
Note that my battery pack turned out a bit larger than expected, as I designed the case with the battery from the BOM in mind.
I added small pegs that securely hold each of the two breakout boards in place. Make sure that the boards fit tightly on the pegs, and they don’t come loose on their own:
Push the breakout boards onto their respective holding pegs in the case.
The fit should be tight, but you should still be able to remove each module effortlessly if necessary.
Next, attach the other wires. I recommend you start by attaching all the necessary cables to the charger module. Then, connect the +5V output of the charging module to the switch, and attach the other pole of the switch to the positive input of the 12V step-up module. Next, connect the ground wire coming from the battery charger to the step-up board. Then, attach the front DC output connector wires to the step-up converter module, and connect the rear 5V DC input jack to the battery charger's 5V input pin. Lastly, wire in the battery. Once done, tuck away the cables as best you can:
Ensure that the wires are not obstructing the two large pegs that hold the two case pieces together.
Also, use heat-shrink tubing to prevent components from shorting out.
When everything’s connected, put the lid on the bottom half of the case and use two self-tapping screws to close the enclosure. The screw holes are approximately 3mm in diameter, but I designed the pegs thick enough so that you can effortlessly drill them out to accommodate larger screws.
Download the Case Design Files
You can download the case design files for 3D printing here: https://www.thingiverse.com/thing:5207536
Summary
This straightforward project is perfect for beginners and more experienced makers. The end product is a simple-to-use 12V and 5V uninterruptible power supply that’s great for charging mobile devices should there be a power outage, for example. However, you can also use this versatile device as a hefty power bank and take it on camping trips to power 12V devices. The battery charger module handles most of the tasks in this circuit. It monitors, protects, and charges the battery, and it also supplies a steady 5V output to the full-size USB port at the front. A second module converts this 5V output to 12V and provides the two DC jacks with power.
Assembling the device is a quick and easy task. Push the two breakout boards onto their respective pegs in the bottom half of the case. Then, connect all the wires according to the schematic. Lastly, finish the build by joining the two case pieces using self-tapping screws.

