Orders are typically delivered to Canada within 24 hours depending on location.
Free delivery to Canada on orders of $100 CAD or more. A delivery charge of $8 CAD will be billed on all orders less than $100 CAD.
DDP (Duty and customs paid by DigiKey)
Credit account for qualified institutions and businesses
Payment in Advance by Wire Transfer
![]()
![]()
![]()
![]()


More Products From Fully Authorized Partners
Average Time to Ship 1-3 Days, extra ship charges may apply. Please see product page, cart, and checkout for actual ship speed.
Incoterms: CPT (Duty, customs, and applicable VAT/Tax due at time of delivery)
For more information visit Help & Support
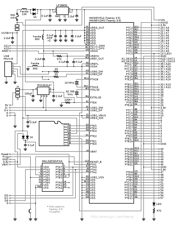
The Teensy is a breadboard-friendly development board with loads of features in a, well, teensy package. Each Teensy 3.5 comes pre-flashed with a bootloader so you can program it using the on-board USB connection: no external programmer needed! You can program for the Teensy in your favorite program editor using C or you can install the Teensyduino add-on for the Arduino IDE and write Arduino sketches for it!
The processor on the Teensy also has access to the USB and can emulate any kind of USB device you need it to be, making it great for USB-MIDI and other HID projects. The 32-bit, 120MHz processor brings a few other features to the table as well, such as multiple channels of Direct Memory Access, several high-resolution ADCs and even an I2S digital audio interface! There are also four separate interval timers, plus a delay timer! Oh yeah, and all digital pins have interrupt capability and are 5V tolerant.
All of this functionality is jammed into a 62.3mm x 18.0mm board with all solder points on a 0.1" grid so you can slap it on a breadboard and get to work! The Teensy 3.5 (as well as its sibling, the Teensy 3.6) is larger, faster and capable of more projects, especially with its onboard micro SD card port. An upgraded ARM Cortex MCU (120MHz from 72MHz), more memory (512K from 256K), as well as more RAM, EEPROM and accessible pins make up the key new features of this "teensy" board. The Teensy 3.5 is slightly scaled down from the Teensy 3.6 but is offered at a cheaper price point, comparatively.
| Manufacturer | SparkFun Electronics |
|---|---|
| Category | Open Source MCU Platforms |
| Eval Board Part Number | 1568-14055-ND |
| Eval Board Supplier | SparkFun Electronics |
| IDE |
Arduino IDE, with Software Add-on
|
| Speed |
120 MHz
|
| Bits |
32 Bit
|
| Memory, Flash/RAM |
512 kB / 192 kB
|
| Digital I/O |
58 I/O, 20 PWM
|
| Interface |
CAN
Ethernet I²C x1 I²S x1 IrDA SD Card SPI x1 UART x1 USB Device |
| Analog Outputs (DACs) |
2 x 12 Bit
|
| Analog Inputs (ADCs) |
27 x 13 Bit
|
| DMA Channels |
16
|
| Features |
CRC Computation Unit
Cryptographic Acceleration Unit Random Number Generator Real Time Clock Timers |
| Radio |
-
|
| Interrupt Pins |
58
|
| I/O Voltage |
3.3V Signals, 5V Tolerant
|
| Voltage In |
3.6 ~ 6 V
|
| Touch Sensing Pins |
0
|
| Program/Debug Interface |
USB Type-Micro AB
|
| Area |
1121² mm, 1.74² In
|
| Main I.C. Base Part |
MK64FX512VMD12
|
| Design Author |
SparkFun Electronics
|
| Date Created By Author | |
| Date Added To Library | 2018-07 |
Co-Browse
By using the Co-Browse feature, you are agreeing to allow a support representative from DigiKey to view your browser remotely. When the Co-Browse window opens, give the session ID that is located in the toolbar to the representative.
DigiKey respects your right to privacy. For more information please see our Privacy Notice and Cookie Notice.
Yes, Continue to Co-BrowseGet fast and accurate answers from DigiKey's Technicians and Experienced Engineers on our TechForum.
Please visit the Help & Support area of our website to find information regarding ordering, shipping, delivery and more.
Registered users can track orders from their account dropdown, or click here. *Order Status may take 12 hours to update after initial order is placed.
Users can begin the returns process by starting with our Returns Page.
Quotes can be created by registered users in myLists.
Visit the Registration Page and enter the required information. You will receive an email confirmation when your registration is complete.
Orders are typically delivered to Canada within 24 hours depending on location.
Free delivery to Canada on orders of $100 CAD or more. A delivery charge of $8 CAD will be billed on all orders less than $100 CAD.
DDP (Duty and customs paid by DigiKey)
Credit account for qualified institutions and businesses
Payment in Advance by Wire Transfer
![]()
![]()
![]()
![]()


More Products From Fully Authorized Partners
Average Time to Ship 1-3 Days, extra ship charges may apply. Please see product page, cart, and checkout for actual ship speed.
Incoterms: CPT (Duty, customs, and applicable VAT/Tax due at time of delivery)
For more information visit Help & Support
Thank you!
Keep an eye on your inbox for news and updates from DigiKey!
Please enter an email address