Orders are typically delivered to Canada within 24 hours depending on location.
Free delivery to Canada on orders of $100 CAD or more. A delivery charge of $8 CAD will be billed on all orders less than $100 CAD.
DDP (Duty and customs paid by DigiKey)
Credit account for qualified institutions and businesses
Payment in Advance by Wire Transfer
![]()
![]()
![]()
![]()


More Products From Fully Authorized Partners
Average Time to Ship 1-3 Days, extra ship charges may apply. Please see product page, cart, and checkout for actual ship speed.
Incoterms: CPT (Duty, customs, and applicable VAT/Tax due at time of delivery)
For more information visit Help & Support
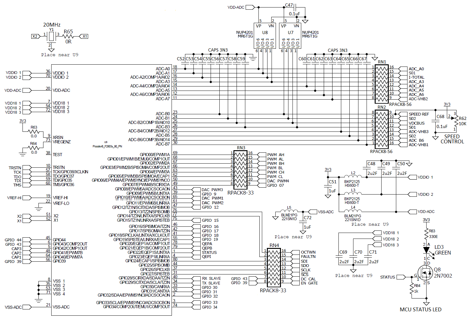
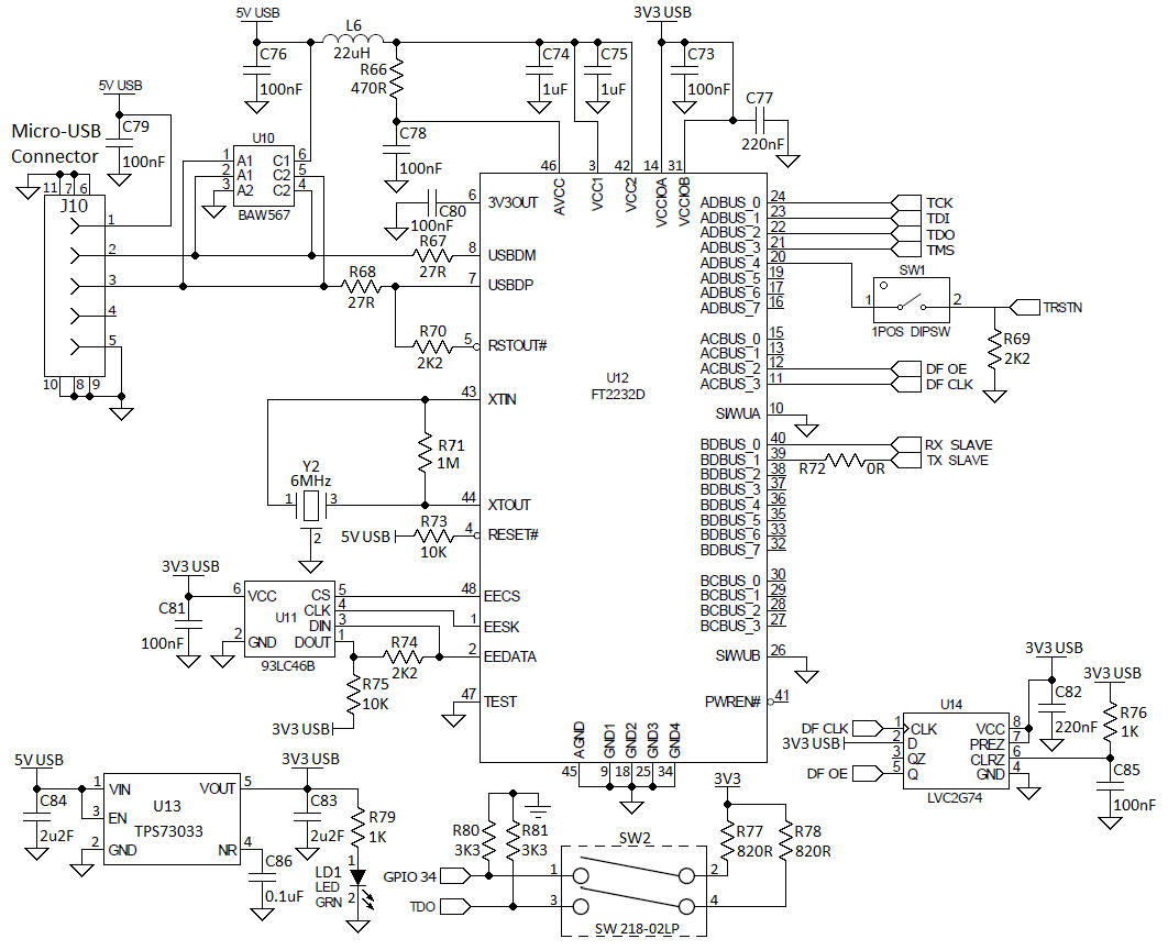
The Medium Voltage Digital Motor Control (DMC) kit (see Figure 1), provides a great way to learn and experiment with digital control of medium-voltage, brushless motors to increase efficiency of operation.
This user guide describes the kit contents and hardware details and explains the functions and locations of switches and connectors present on the board. This guide also explains steps required to run the DRV8303EVM using BLDC-InstaSpin GUI and motor control software projects supplied through control-SUITE.
The kit has three-phase power stage, DRV8303 capable of driving three-phase brushless DC motors, and permanent magnet synchronous motors with following specification: 60VDC max input voltage, 20A peak current per phase
| Manufacturer | Texas Instruments |
|---|---|
| Category | Motor Control |
| Eval Board Part Number | 296-37110-ND |
| Eval Board Supplier | Texas Instruments |
| Eval Board |
Normally In Stock
|
| Voltage In |
6 ~ 60 V
|
| Number of Motors and Type |
1, 3-Ph BLDC Motor
|
| Power / Current Out |
20 A per Phase (Peak)
|
| Features |
Fault Indication
GUI / Design Software Over Current Protection Shoot-Through Protection (Overlap) SPI Interface |
| Component Count + Extras |
209 + 45
|
| Application / Target Market |
Medical
Motor Control Power: Industrial Power |
| Design Author |
Texas Instruments
|
| Main I.C. Base Part |
DRV8303
|
| Date Created By Author | 2013-09 |
| Date Added To Library | 2014-05 |
Co-Browse
By using the Co-Browse feature, you are agreeing to allow a support representative from DigiKey to view your browser remotely. When the Co-Browse window opens, give the session ID that is located in the toolbar to the representative.
DigiKey respects your right to privacy. For more information please see our Privacy Notice and Cookie Notice.
Yes, Continue to Co-BrowseGet fast and accurate answers from DigiKey's Technicians and Experienced Engineers on our TechForum.
Please visit the Help & Support area of our website to find information regarding ordering, shipping, delivery and more.
Registered users can track orders from their account dropdown, or click here. *Order Status may take 12 hours to update after initial order is placed.
Users can begin the returns process by starting with our Returns Page.
Quotes can be created by registered users in myLists.
Visit the Registration Page and enter the required information. You will receive an email confirmation when your registration is complete.
Orders are typically delivered to Canada within 24 hours depending on location.
Free delivery to Canada on orders of $100 CAD or more. A delivery charge of $8 CAD will be billed on all orders less than $100 CAD.
DDP (Duty and customs paid by DigiKey)
Credit account for qualified institutions and businesses
Payment in Advance by Wire Transfer
![]()
![]()
![]()
![]()


More Products From Fully Authorized Partners
Average Time to Ship 1-3 Days, extra ship charges may apply. Please see product page, cart, and checkout for actual ship speed.
Incoterms: CPT (Duty, customs, and applicable VAT/Tax due at time of delivery)
For more information visit Help & Support
Thank you!
Keep an eye on your inbox for news and updates from DigiKey!
Please enter an email address