Orders are typically delivered to Canada within 24 hours depending on location.
Free delivery to Canada on orders of $100 USD or more. A delivery charge of $20 USD will be billed on all orders less than $100 USD.
UPS, FedEx or DHL freight pre-paid: CPT (Duty, customs, and taxes due at time of delivery)
Credit account for qualified institutions and businesses
Payment in Advance by Wire Transfer
![]()
![]()
![]()
![]()
![]()


More Products From Fully Authorized Partners
Average Time to Ship 1-3 Days, extra ship charges may apply. Please see product page, cart, and checkout for actual ship speed.
Incoterms: CPT (Duty, customs, and applicable VAT/Tax due at time of delivery)
For more information visit Help & Support
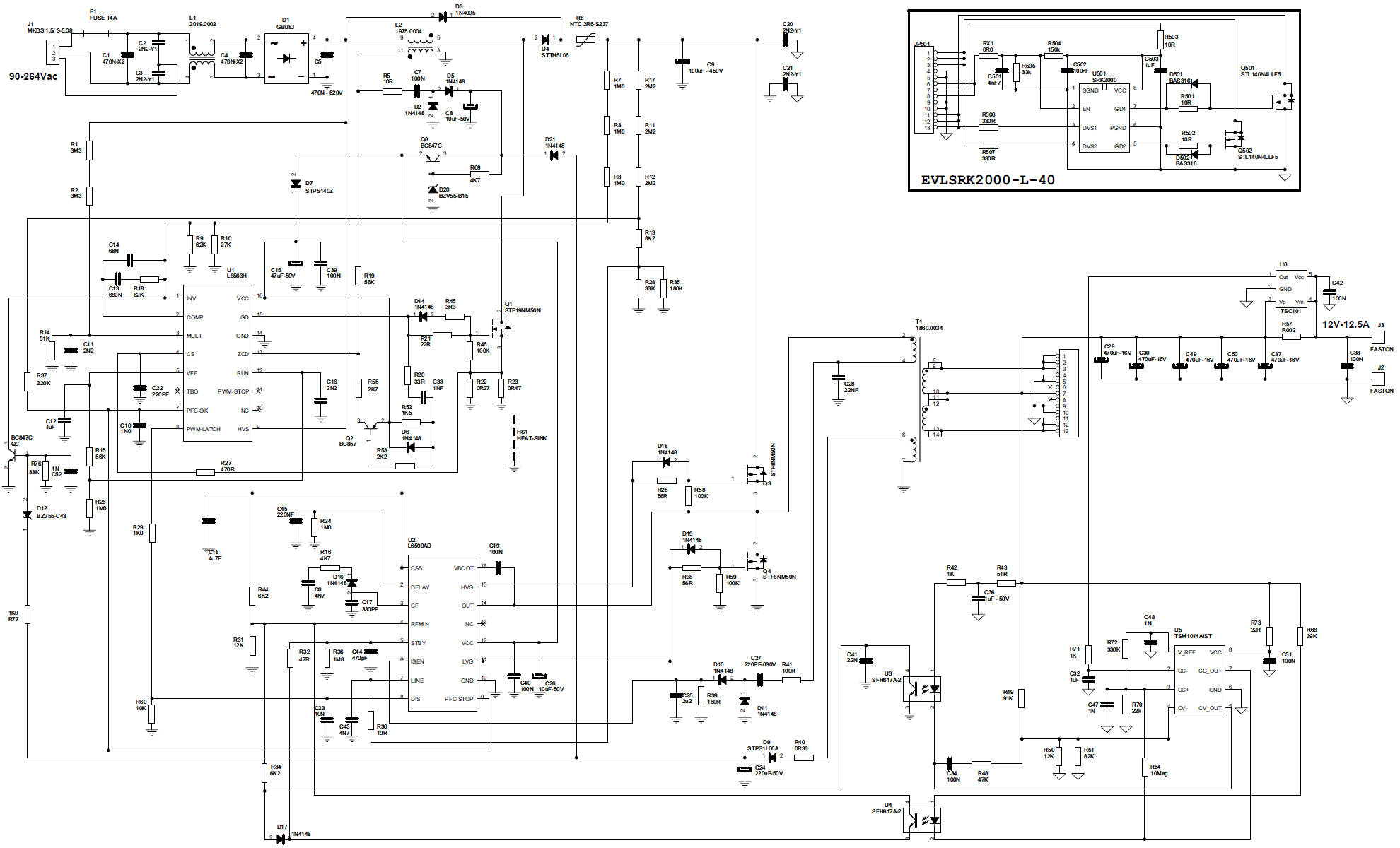
This application note describes the characteristics and features of a 150 W SMPS demonstration board (EVL150W-ADP-SR), tailored to all-in-one computer power supply (PS) specifications.
The characteristics of this design are the very high efficiency and low consumption at light load which make it a viable solution for applications compliant with ENERGY STAR® eligibility criteria (EPA rev. 5.0 computer and EPA rev. 2.0 EPS). One of the key factors to achieving high efficiency at heavy load is the SRK2000. This synchronous rectification (SR) driver for LLC resonant converters allows a significant decrease in secondary side losses.
Standby consumption is very low thanks to the sleep function embedded in the SRK2000 and the high voltage start-up circuit integrated in the L6563H. The possibility of driving the PFC burst mode via the L6599A PFC_STOP pin dramatically boosts light load efficiency.
Additionally, a secondary sensing circuit, dedicated to driving the primary controller into burst mode, reduces deviation of light load efficiency against resonant circuit parameter spread, improving the repeatability of design in production volumes.
The main features of the SMPS are:
Input mains range: 90 ~ 264 Vac - frequency 45 ~ 65 Hz
Output voltage: 12 V at 12.5 A continuous operation
Mains harmonics: Acc. to EN61000-3-2 Class-D or JEITA-MITI Class-D
Standby mains consumption: <0.2 W at 230 Vac
Efficiency at nominal load: > 91 % at 115 Vac
EMI: according to EN55022-Class-B
Safety: according to EN60950
Dimensions: 65 x 154 mm, 28 mm component maximum height
PCB: double side, 70 μm, FR-4, mixed PTH/SMT.
| Manufacturer | STMicroelectronics |
|---|---|
| Category | AC/DC and DC/DC Conversion |
| Sub-Category | AC/DC SMPS - Single Output |
| Eval Board Part Number | 497-11029-ND |
| Eval Board Supplier | STMicroelectronics |
| Eval Board |
Board not Stocked
|
| AC Voltage |
115 V
230 V Universal (115 / 230V) |
| Outputs and Type |
1 Isolated
|
| Voltage Out |
12 V
|
| Current Out |
12.5 A
|
| Output Power |
150 W
|
| Features |
Light Load Mode
Open Circuit Protection Over Current Protection PFC Short Circuit Protection |
| Efficiency @ Conditions |
>92%, 230V in, 12V @ 75 ~ 150 W
>91%, 115V in, 12V @ 75 ~ 150 W |
| No-load Input Power @ Voltage |
200 mW @ 115 V
200 mW @ 230 V |
| Switching Frequency |
120 kHz
|
| Internal Switch |
No
|
| Component Count + Extras |
151 + 3
|
| Voltage In |
90 ~ 264 VAC
|
| Design Author |
STMicroelectronics
|
| Application / Target Market |
Computers
|
| Main I.C. Base Part |
L6563H
L6599A SRK2000 |
| Date Created By Author | 2011-01 |
| Date Added To Library | 2017-05 |
Co-Browse
By using the Co-Browse feature, you are agreeing to allow a support representative from DigiKey to view your browser remotely. When the Co-Browse window opens, give the session ID that is located in the toolbar to the representative.
DigiKey respects your right to privacy. For more information please see our Privacy Notice and Cookie Notice.
Yes, Continue to Co-BrowseGet fast and accurate answers from DigiKey's Technicians and Experienced Engineers on our TechForum.
Please visit the Help & Support area of our website to find information regarding ordering, shipping, delivery and more.
Registered users can track orders from their account dropdown, or click here. *Order Status may take 12 hours to update after initial order is placed.
Users can begin the returns process by starting with our Returns Page.
Quotes can be created by registered users in myLists.
Visit the Registration Page and enter the required information. You will receive an email confirmation when your registration is complete.
Orders are typically delivered to Canada within 24 hours depending on location.
Free delivery to Canada on orders of $100 USD or more. A delivery charge of $20 USD will be billed on all orders less than $100 USD.
UPS, FedEx or DHL freight pre-paid: CPT (Duty, customs, and taxes due at time of delivery)
Credit account for qualified institutions and businesses
Payment in Advance by Wire Transfer
![]()
![]()
![]()
![]()
![]()


More Products From Fully Authorized Partners
Average Time to Ship 1-3 Days, extra ship charges may apply. Please see product page, cart, and checkout for actual ship speed.
Incoterms: CPT (Duty, customs, and applicable VAT/Tax due at time of delivery)
For more information visit Help & Support
Thank you!
Keep an eye on your inbox for news and updates from DigiKey!
Please enter an email address