Selecting a Fluid Level Sensor: What You Need to Know
Avec la contribution de Electronic Products
2012-03-15
Fluid-level sensors play a pivotal role in the detection, measuring, and monitoring of liquids and fluidized solids that flow and level off based on gravity. Whether the fluid is housed in a neat and compact container, or has a substantial area to be measured, there are many application-specific criteria to consider in selecting the proper sensor for the job.
When looking for a fluid-level sensor for a given application, there are a series of key questions that must be answered:
- Which kind of fluid will be measured?
- Can the level sensor be inserted into the tank or should it be external?
- Should the sensor detect the level continuously or will a point sensor be adequate? (point sensing involves taking measurements at certain instances)
- Can the sensor come in contact with the process fluid? (Meaning physical contact between the device and the liquid; non-contact methods measure without touching the media.)
- Is direct measurement of the level needed? (Direct measurement includes methods that directly sense position and level. Indirect measurement involves the sensing of other factors such as pressure head, which can then be translated to height or level.)
- Is process shut-down acceptable when sensor removal or maintenance is required?
Float-type sensors: the basics
Float sensors involve the opening or closing of a mechanical switch through either direct contact or magnetic operation of a device which floats on the surface of the measured liquid. With a mechanically actuated float, switching occurs as a result of the movement of a float against a switch. Float sensors can be designed for almost any liquid if there is a high chemical compatibility with the materials used to construct it. They can allow for multiple switch points or levels in a single sensor. Float switches are used in such diverse applications as automotive, industrial, medical, home appliances, and machine tools.
Certain float switches are suitable for reservoirs and large tanks, while others are for chambers of just a few milliliters. Material and safety standards are also critical factors. The choice for an application depends on the physical arrangement of the tank, the available mounting positions, tank wall thickness, and whether access is available to the inside of the tank.
It is also important to understand both the nature of the load to be switched, as well as the application environment. Obviously the switch must be able to handle the load. For example a water tank may require a simple plastic switch while a more complex petrochemical storage tank — where flammable gases, vapors, and dust may be present — requires a stainless steel, explosion-proof switch.
Representative products
Many liquid sensors work with a variety of media such as water, waste water, motor oil, hydraulic fluid, and diesel fuel, and the SSI Technologies Digital Fluid-Trac Model DFT-110 multi-unit drum level gauge is no exception. The cost-competitive, non-contact liquid-level drum gauge was designed for use on ANSI MH2-2004 vertical drums with 32-in. depths, and allows users to easily select between vertical drum settings.
Multiple drum setting units include 15, 30, and 55 gallons or 57, 114, and 208 liters. Resolution is ±0.5 gallon or ±1 liter, with an accuracy level of ±2 percent of full-scale volume. The automatic shutoff prolongs battery life. The static display is useful for usage consumption calculations, as the static level reading can be used for manual rate calculations of daily or weekly consumption. A red LED will flash once every second when the volume is at 10 percent or below the maximum volume. Easy to install, the Model DFT-110 has no components to protrude into the drum or to chemically corrode inside liquid media.
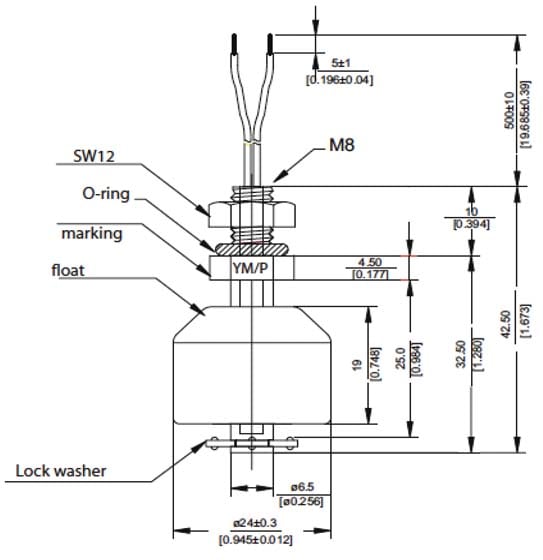
MEDER’s LS01 Series liquid-level float sensor (Figure 1) is used in such applications as liquid container monitoring in household appliances, automotive, test and measurement, and control technology.

The LS01 is a standard liquid level sensor mounted vertically (Figure 2) for best results. Two versions are available: PP (polypropylene) for water applications and dilute acids and PA (polyamide) for use in oil, gasoline (petrol), and brake fluid. The standard termination is a PVC single wire with a cross section of 0.25 mm2 and a length of 500 mm. The cable can be modified upon request.

The sensor is adjustable for a variety of tank depths. Sensors with fixed arm lengths and special mounting considerations are available for OEM applications.
The RSF10 series drop float by Cynergy3 (Figure 3) was designed to eliminate problems associated with lime scale build up around the pivot point of a conventional float switch. It is also suitable for use with viscous liquids that might affect the pivot action of a standard float type. In this case, the drop float actuator allows the switch housing and float pivots to be located above the surface of the liquid and provides normally closed switch contact, opening as the liquid level rises. The devices are manufactured in a variety of materials, with a choice of gasket materials, to suit most commonly used liquids. Typical applications include wall kettles and hot vending machines.

A different approach
The enhanced Honeywell LLE Liquid Level Sensors series (Figure 4) incorporates a phototransistor trigger that provides digital output denoting the presence or absence of liquid. Both an LED and phototransistor are housed within a plastic dome at the head of the device in such a position that light is totally internally reflected from the dome boundary to the phototransistor, a situation that occurs when liquid is not present. The effective refractive index at the dome-liquid boundary changes and light from the LED escapes, when the liquid covers the dome. The amount of light hitting the phototransistor in this case is reduced indicating the presence of liquid. This is an extremely fast method of liquid level sensing and almost instantaneous for water.

Applications include home appliances, spa baths, medical applications, compressors, and automotive apps. The series offers an accurate, repeatable switching point; can be mounted in applications where space is at a premium; is microprocessor compatible and easy to install, reducing assembly time; and features protection from reverse polarity, overvoltage, short circuits, and transients.
Another Honeywell solution takes a different approach. The Honeywell LLN Sensor Series features solid-state reliability and no moving parts. Its 200 mA sinking output is TTL compatible, has fast response, and in this case, it has a stainless-steel, high-pressure housing for easy cleaning, and reverse-polarity and overvoltage protection. The device meets IP67 for use in harsh industrial environments with extremes in temperature, pressure, vibration, and shock such as food and beverage processing, machine tools, industrial compressors, and vending machines.
Another interesting choice in the float-level category is the Parallax, Inc. 29131 ETape sensor. The continuous fluid level sensor is an innovative solid-state sensor that makes use of printed electronics instead of moving mechanical floats. The ETape's envelope is compressed by hydrostatic pressure of the fluid in which it is immersed, resulting in a change in resistance that corresponds to the distance from the top of the sensor to the fluid surface. It can be modeled as a variable resistor (60 – 550 Ω ± 20 percent). In operation, as the liquid level rises and falls, the measured resistance decreases and increases, respectively. It is important to remember this basic principle: The lower the liquid level, the higher the resistance; the higher the liquid level, the lower the resistance.
The typical output characteristics of the ETape sensor are shown in Figure 5 below:

Figure 5: ETape liquid-level sensor #29131.
This solid-state sensor is designed for use in non-corrosive, water-based liquids and powders to replace “clunky” mechanical floats and easily interface with electronic control systems. Features include: solid-state sensor, an active sensor length of 12.6 in (320.7 mm and variable resistance gradient of 40 Ω /in. (16 Ω/cm) ±20 percent; 550 Ω (empty) to 60 Ω (full) ±20 percent. Its thin (0.015-in.) unobtrusive design can be used where other sensors may not fit. Made of polyethylene Terephthalate (PET) substrate with gold-plated solder tabs, its dimensions are 14.3 x 1.0 x 0.015 in. (363.2 x 25.4 x 0.38 mm) and operating temp range of 15° to 140°F (–9°C to 60°C).
In summary
Level monitoring is important in a wide variety of applications. Any commercial or industrial process involving the filling or storing a liquid in a tank or vessel will benefit from the use of a liquid level sensor. We’ve discussed the selection criteria an engineer must use in choosing a fluid level sensor, presented a sampling of available product and offered a couple of alternate approaches from traditional float-type configurations. For more product and application information, use the links provided to pages on the DigiKey website.
Avertissement : les opinions, convictions et points de vue exprimés par les divers auteurs et/ou participants au forum sur ce site Web ne reflètent pas nécessairement ceux de DigiKey ni les politiques officielles de la société.




