AC/DC Power Module Line Filtering
Avec la contribution de Electronic Products
2012-01-17
Why use a power line filter? PIP – Protection, Isolation and Performance.
Powerline filters remove impurities and artifacts from the AC line. They also protect expensive circuitry from potentially damaging power surges, as well as protecting the AC line from excessive noise conducted back into it from a noisy power converter (Fig. 1).

You can buy a pre-designed AC powerline filter such as Curtis Industries’ 02EK33 series, or you can design your own custom filter for a more particular performance needed in a design. This article will concentrate on the custom design approach.
Selecting component values for a filter design can be made relatively simple. Additionally, if we have pre-defined component values that we want to use, because of cost, size or some other factor, we can appropriately make filter alignments to achieve our goals.
Let’s look at common-mode filter design, one of the most typical and effective architectures used.
Common-mode filter design is essentially two identical, matched differential filters, one for each of the two power lines, with the inductors of each side coupled on a single core.
A first order filter will be the least expensive and simplest design since it only uses a single reactive component to store the bands of spectral energy which we do not want to pass. A low-pass, common-mode filter reactive element is a common-mode choke similar to the Pulse Electronics SMT series.
The differential-mode current, flowing in opposite directions through the choke windings, creates equal and opposite magnetic fields which cancel each other out. This results in the choke presenting zero impedance to the differential-mode signal, which passes through the choke unattenuated¹ (Fig. 2).

The common-mode current, flowing in the same direction through each of the choke windings, creates equal and in-phase magnetic fields which combine. This results in the choke presenting a high impedance to the common mode signal, which passes through the choke heavily attenuated. The actual attenuation (or common-mode rejection) depends on the relative magnitudes of the choke impedance and the load impedance¹ (Fig. 3).

Now let’s take the design to a realizable level of design technique, so that the design engineer can comply with international regulatory EMI requirements. Below is one method that can be applied to a power module.
Taking a two-probe measurement approach, we measure noise source and noise termination impedances of a switched mode power supply (SMPS) under its normal operating conditions². The noise source and termination impedances of an EMI line filter for SMPS are usually not readily available. This makes for a daunting task for the designer. In addition, conducted EMI exists in two modes, the common-mode (CM) and differential-mode (DM) emissions, which will complicate design even more, since an EMI filter requires that we suppress both CM and DM emissions effectively.
In-circuit impedance measurement
Since we do not want to over-design the filter, we would prefer not to take a simplistic approach and leave out the noise source and termination impedances, or to approximate them, so we will perform an in-circuit impedance measurement technique. Our goal is to measure and extract the amplitude and phase information of the noise source and termination impedances to determine the desired filter attenuation performance needed without the guess work. (Fig. 4)


Figure 4a shows the setup to measure the unknown impedance (Zx) in a circuit loop where the loop can be active and carrying a high voltage and/or current. The test requires an injecting current probe, a receiving current probe and a vector network analyzer (VNA). By transferring the primary circuits of the injecting and receiving probes in the coupled circuit loop, the equivalent circuit of the setup is shown in Figure 4b.
ZM1 and ZM2 are the equivalent impedances of the injecting and receiving probes, respectively.
VM1 is the induced signal voltage in the circuit loop from port 1 of the VNA through the injecting probe.
Lw and rw are the loop inductance and resistance, respectively.
Zx is the impedance to be measured.
Reference 2 provides equations and details to see how the DM and CM impedances of an LISN (Line Impedance Stabilization Network, the noise termination) and an SMPS (the noise source) are extracted.
EMI filter design procedure
Let’s assume that the conducted EMI limit in this example to be met is the CISPR 22 Class B limit³, which is intended to limit the total conducted emissions (CE) consisting of DM and CM components. As a result, the LISN specified by this standard can only measure the total conducted emissions. Therefore, a discrimination network is needed to discriminate the DM and CM components from the LISN so they can be measured separately and used to set the required DM and CM filter insertion losses. The measurement setup is shown in Fig. 5 and an HP 8595E spectrum analyzer (9 kHz-6.5 GHz) was chosen for the CE measurement.

Again, reference 2 provides equations and details to see how the conducted emissions of the SMPS without the filter are measured with the LISN alone, and using the discrimination network, the DM and CM insertion losses are found.
The adopted filter configuration is a conventional one and is shown in Fig. 6a.



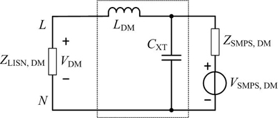
Thus, the filter is composed of one CM choke (L C), one DM capacitor (C X), and two CM capacitors (C Y1 and C Y2). Due to the leakage inductance of L C, it also doubles up as two DM inductors in the line and neutral lines.
The DM and CM interpretations of Fig. 6a lead to two separate circuits, shown in Figures 6b and 6c respectively.
Figure 6b presents the DM-suppressing part of the filter composed of L DM, which is the DM inductance due to L C, and by C XT, which represents the effective DM capacitor (C Y1 and C Y2 in series and then in parallel with C X).
Figure 6c presents the CM-suppressing part of the filter and is composed by L CM, which is the CM inductance due to L C, and by C YT, which is the effective CM capacitor (C Y1 and C Y2 in parallel).
Tests show that measured DM and CM conducted emissions after the designed EMI filter is inserted are below the standard limit, so the filter meets all requirements to make the SMPS comply with regulation limits.
Summary
This article has attempted to explain the key characteristics of common-mode filter design, discussing noise source and termination impedance measurement and providing design procedures so that the engineer can comply with international regulatory EMI requirements. There are some other great filter design and measurement techniques referenced below in IEEE papers (References 4-7). For more product information use the embedded links to product information pages on the DigiKey website.
References
- “Understanding common mode noise”, Pulse Electronics, available on the DigiKey website.
- “Systematic Power Line EMI Filter Design for SMPS”, V. Tarateeraseth, Kye Yak See, Lin Biao Wang and Flavio G. Canavero, Proc. Of the 10th Int. Symposium on Electromagnetic Compatibility (EMC Europe 2011), York, UK, September 26-30, 2011
- “Limits and Methods of Measurement of Radio Interference Characteristics of Information Technology Equipment”, CISPR 22, 2004.
- “Power Line Filter Design for Conducted Electromagnetic Interference Using Time-Domain Measurements”, Mohit Kumar and Vivek Agarwal, IEEE Transactions on Electromagnetic Compatibility, Vol. 48, No. 1, February 2006.
- “Characterization of Power-Line Filters and Electronic Equipment for Prediction of Conducted Emissions”, A. Perez, A. Sanchez, J. Regué, M. Ribó, P. Rodríguez-Cepeda, F. Pajares, , IEEE Transactions on Electromagnetic Compatibility, Vol. 50, No. 3, August 2008.
- “Automatic EMI Measurement and Filter Design System for Telecom Power Supplies”, H. Chiu, T. Pan, C. Yao, Y. Lo, IEEE Transactions on Instrumentation and Measurement, Vol. 56, No. 6, December 2007.
- “A Procedure including Mix-Mode Noise for Designing EMI Filters for Off-line Applications”, Hung-I Hsieh, IEEE Vehicle Power and Propulsion Conference (VPPC), September 3-5, 2008, Harbin, China
Avertissement : les opinions, convictions et points de vue exprimés par les divers auteurs et/ou participants au forum sur ce site Web ne reflètent pas nécessairement ceux de DigiKey ni les politiques officielles de la société.

