Orders are typically delivered to Canada within 24 hours depending on location.
Free delivery to Canada on orders of $100 USD or more. A delivery charge of $20 USD will be billed on all orders less than $100 USD.
UPS, FedEx or DHL freight pre-paid: CPT (Duty, customs, and taxes due at time of delivery)
Credit account for qualified institutions and businesses
Payment in Advance by Wire Transfer
![]()
![]()
![]()
![]()
![]()


More Products From Fully Authorized Partners
Average Time to Ship 1-3 Days, extra ship charges may apply. Please see product page, cart, and checkout for actual ship speed.
Incoterms: CPT (Duty, customs, and applicable VAT/Tax due at time of delivery)
For more information visit Help & Support
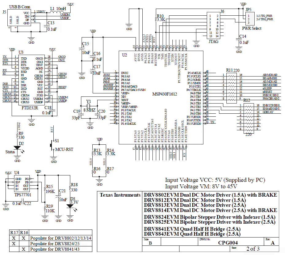
| Manufacturer | Texas Instruments |
|---|---|
| Category | Motor Control |
| Eval Board Part Number | 296-29085-ND |
| Eval Board Supplier | Texas Instruments |
| Eval Board |
Normally In Stock
|
| Voltage In |
8 ~ 45 V
|
| Number of Motors and Type |
2, DC Brush Motors
1, Stepper Motor, BiPolar |
| Power / Current Out |
2.5 A
|
| Features |
GUI / Design Software
Indexer for Microstepping Over Current Protection Short Circuit Protection Shutdown, Enable, Standby Under Voltage Protection, Brown-Out Voltage Reference |
| Component Count + Extras |
52 + 42
|
| Application / Target Market |
Printer, Plotter
|
| Design Author |
Texas Instruments
|
| Main I.C. Base Part |
DRV8825
|
| Date Created By Author | 2011-04 |
| Date Added To Library | 2012-05 |
Co-Browse
By using the Co-Browse feature, you are agreeing to allow a support representative from DigiKey to view your browser remotely. When the Co-Browse window opens, give the session ID that is located in the toolbar to the representative.
DigiKey respects your right to privacy. For more information please see our Privacy Notice and Cookie Notice.
Yes, Continue to Co-BrowseGet fast and accurate answers from DigiKey's Technicians and Experienced Engineers on our TechForum.
Please visit the Help & Support area of our website to find information regarding ordering, shipping, delivery and more.
Registered users can track orders from their account dropdown, or click here. *Order Status may take 12 hours to update after initial order is placed.
Users can begin the returns process by starting with our Returns Page.
Quotes can be created by registered users in myLists.
Visit the Registration Page and enter the required information. You will receive an email confirmation when your registration is complete.
Orders are typically delivered to Canada within 24 hours depending on location.
Free delivery to Canada on orders of $100 USD or more. A delivery charge of $20 USD will be billed on all orders less than $100 USD.
UPS, FedEx or DHL freight pre-paid: CPT (Duty, customs, and taxes due at time of delivery)
Credit account for qualified institutions and businesses
Payment in Advance by Wire Transfer
![]()
![]()
![]()
![]()
![]()


More Products From Fully Authorized Partners
Average Time to Ship 1-3 Days, extra ship charges may apply. Please see product page, cart, and checkout for actual ship speed.
Incoterms: CPT (Duty, customs, and applicable VAT/Tax due at time of delivery)
For more information visit Help & Support
Thank you!
Keep an eye on your inbox for news and updates from DigiKey!
Please enter an email address