MSGEQ7 Datasheet by SparkFun Electronics

View All Related Products | Download PDF Datasheet
'm)i anzer t 20 63 160 400 1000 2500 6250 16000 Frequency Response rum5
Seven Band Graphic Equalize
r
Data Shee
t
5/2011
Description
The seven band graphic equalizer IC is a CMOS chip
that divides the audio spectrum into seven bands,
63Hz, 160Hz, 400Hz, 1kHz, 2.5kHz, 6.25kHz and
16kHz. The seven frequencies are peak detected
and multiplexed to the output to provide a DC repre-
sentation of the amplitude of each band. No external
components are needed to select the filter respons-
es. Only an off chip resistor and capacitor are
needed to select the on chip clock oscillator fre-
quency. The filter center frequencies track this fre-
quency.
Other than coupling and decoupling capacitors, no
other external components are needed. The chip
supply can be between 2.7 and 5.5 volts with 5 volts
providing the best performance. The device has
very low quiescent current ( less than 1mA typical)
for portable audio devices. The multiplexor is con-
trolled by a reset and a strobe, permitting multi-
plexor readout with only two pins. The multiplexor
readout rate also controls the decay time (10% de-
cay per read), so no external pins are needed for this
function.
Features
Low Power Consumption
Only Two External Components
On Chip Ground Reference
Switched - Capacitor Filters
3.3 or 5 volt Operation
20 dB of Gain Typical
On Chip Oscillator
Output Multiplexor
Variable Decay Time
8 Pin Package
Applications
Portable Stereos
Car Stereos
Hi-Fi Stereos
Spectrum Analyzers
Absolute Maximum Ratings
Power Supply Voltage +6V
Storage Temperature -60 to + 150 C
Operating Temperature 0 to 70 C
MSGEQ7
20
00
63 160 400 1000 2500 6250 16000
Frequency Response
Web Site “www.mix-sig.com” © 2011 Mixed Signal Integration
1
—._C. um 22 ‘ uwmnkm \ISSA ma vvv nu? mm swuaz w H * mu vuu m m:- _. mu m Web Sire 'wvwv. miv—sig. cam " zsu' . ‘su- m . mm m . m' m vss m- :l mam 5m 0 20 1 1 Mixed Signal/ntegrsfian 2
Electrical Characteristics
_________
( VDD = +5.0V, T = 25 C)
Seven Band Graphic Equalizer
Data Sheet
o
MSGEQ7
Web Site www.mix-sig.com” © 2011 Mixed Signal Integration
2
PARAMETER SYMBOL CONDITIONS MIN TYP MAX UNITS
DC Specifications
Operating Voltage VDD 2.7 5.0 5.5 V
Supply Current IDD 1 Mohm Load on Output 0.5 0.8 1.0 mA
Output Drive IO 1 mA
Output Impedance ZO 700 ohms
Output Offset VOS 600 mV
Band Offset Difference Same device 200 mV
AC Specifications
Gain AV Peak input to DC output, Vin
= 100 mVpp, fin = 1 kHz 20 22 24 dB
Filter Q Q 5.5 6.0 6.5
Output Swing Vin = 0.3Vpp, fin = 1 kHz 3.5 4 V
Clock Frequency FCLK C = 33 pF*, R = 200 kohms 145 165 180 kHz
Input Impedance ZIN 1 Mohm
* includes stray capacitance
Evaluation Schematic
r Data Sheet V E El V A ll ZI I: El EE 3 —D —D ——D 400m Peak D Bandpass D Detector Audwo -ln__1> AnnrAlxas C 132 peak FIW Bandpass D Detector _ 4; Outpm DC 0m Mumplexer 2.5kHz Peak —{> Bandpass D Dekec‘or 6.25kHz Peak _ —D Bandpass D Demeter 16kHz Peak CK'N Clock D Bandpass D Demeter Oscluamr Reset Strobe —‘P ”my
Seven Band Graphic Equalize
r
Data Shee
t
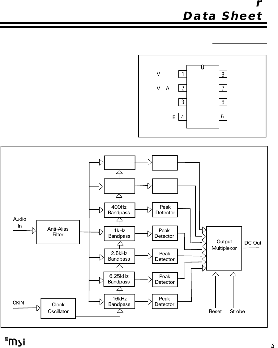
Block Diagram__________________
Pin Configuration
1. VDD Positive Power Supply
Typically 5 Volts
2. VSS Negative Power Supply
Typically 0 Volts
3. OUT Multiplexed DC Output
4. STROBE Channel Selection Pin
5. IN Audio Input
6. GND Internally Generated Ground
Reference.Typically 2.5V
7. RESET Resets Multiplexor
8. CKIN Clock Oscillator Pin
Pin Description_________________
5
V
DDA CKIN
V
SSA RESET
OUT GND
STROBE IN
Output
Multiplexor
400Hz
Bandpass
1kHz
Bandpass
2.5kHz
Bandpass
6.25kHz
Bandpass
16kHz
Bandpass
Peak
Detector
Peak
Detector
Peak
Detector
Peak
Detector
Peak
Detector
Clock
Oscillator
Anti-Alias
Filter
Reset Strobe
Audio
In
CKIN
DC Out
MSGEQ7
Peak
Detector
Peak
Detector
63Hz
Bandpass
160Hz
Bandpass
Web Site “www.mix-sig.com” © 2011 Mixed Signal Integration
3
Seven Band Data Sheet VDDA CK‘N VSSA RESET % RESETJN MSGEOT AGND our our GND 9—H v55 mu STROBEJND. smoag w R W» - <3 22k="" rightjn="" ”my="">
Seven Band Graphic Equalizer
Data Sheet
Typical Application______________
Multiplexor Operation
T
he DC peak output for measurement is se-
lected using the reset and strobe pins. Reset
high resets the multiplexor. Reset low enables
t
he strobe pin. After the first strobe leading
edge, 63Hz output is on OUT. Each additional
strobe leading edge advances the multiplexor
one channel (63Hz, 160Hz, 400Hz, 1kHz,
2.5kHz, 6.25kHz, 16kHz etc.) and this will re-
peat indefinitely. The multiplexor read rate is
also the output decay time control. Each read
decays that channel approximately 10%. The
strobe timing is shown below:
Web Site “www.mix-sig.com” © 2011 Mixed Signal Integration
4
Mixed Signal Integration Corporation reserves the right to change any product or specification without notice at any time. Mixed Signal Integration
products are not designed or authorized for use in life support systems. Mixed Signal Integration assumes no responsibility for errors in this docu-
ment.
MSGEQ7
tr trs
RESET
ts tss
STROBE
to
OUTPUT
63 Hz
160 Hz 400 Hz
1 kHz
2.5 kHz
6.25 kHz
16 kHz
63 Hz
160 Hz
tr - Reset Pulse Width
100 nS min
trs - Reset to Strobe Delay
72
uS min
ts - Strobe Pulse Width
18 uS min
tss - Strobe to Strobe Delay
72
uS min
to - Output Settling Time
36 uS min
(with Cload = 22 pF and Rload = 1 Mohm)
Strobe Timing Diagram
Ordering Information___________
Part Number Package Operating Temperature
MSGEQ7N 8 Pin 150 mils SOIC 0-70 C
MSGEQ7P 8 Pin 300 mils PDIP 0-70 C
o
o

Products related to this Datasheet

IC AUDIO TONE PROCESSOR 8DIP
SPARKFUN SPECTRUM SHIELD