Digi-key logo
scheme-it logo
Home
Design
BOM
Logout My Account
What’s New DigiKey Tech Forum Keyboard Shortcuts Contact Us Page Help Page Feedback
Scheme It settings
Auto save
Scheme It
MAXREFDES82 Complete
MAXREFDES82 Complete

MAXREFDES82 Complete

Read more
Open Design

Incorporated Products

IMAGE
MANUFACTURER PART NUMBER
DESCRIPTION
QUANTITY
VIEW DETAILS
1
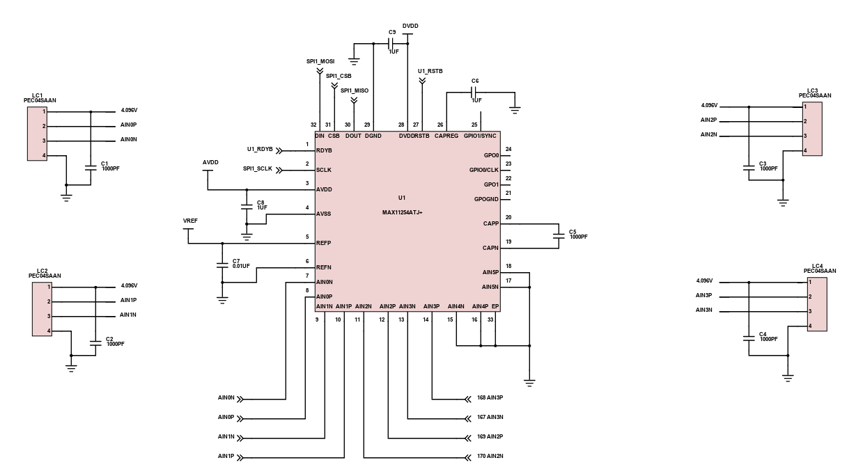
MAX11254ATJ+
Rectangle
1
View Details
2
USB MICRO-B
Rectangle
1
View Details
3
MAX17651AZT+
Rectangle
1
View Details
4
MAX6071AAUT18+
Rectangle
1
View Details
5
MAX6071AAUT41+
Rectangle
1
View Details
6
MAX8574EUT+
Rectangle
1
View Details
7
STM32F429ZIT6
Rectangle
1
View Details
8
TL1015AF160QG
Rectangle
1
View Details
9
2
Rectangle
1
View Details
10
4
Rectangle
1
View Details
11
IS42S16400J-7TL
Rectangle
1
View Details
12
14
PIN Bottom
3
View Details
13
10
INPUT PIN
3
View Details
14
24
PIN Right
3
View Details
15
20
INPUT PIN
3
View Details
16
29
PIN Top
3
View Details
17
7
PIN Left
3
View Details
18
3
PIN Right
6
View Details
19
5
PIN Left
3
View Details
20
37
PIN Left
3
View Details
21
103
INPUT PIN
3
View Details
22
110
INPUT PIN
3
View Details
23
133
INPUT PIN
3
View Details
24
44
INPUT PIN
3
View Details
25
137
INPUT PIN
3
View Details
26
70
INPUT PIN
3
View Details
27
76
INPUT PIN
3
View Details
28
97
INPUT PIN
3
View Details
29
112
INPUT PIN
3
View Details
30
143
PIN Left
3
View Details
31
127
INPUT PIN
3
View Details
32
93
INPUT PIN
3
View Details
33
89
INPUT PIN
3
View Details
34
56
INPUT PIN
3
View Details
35
50
INPUT PIN
3
View Details
36
52
INPUT PIN
3
View Details
37
38
INPUT PIN
3
View Details
38
65
INPUT PIN
3
View Details
39
59
INPUT PIN
3
View Details
40
81
INPUT PIN
3
View Details
41
77
INPUT PIN
3
View Details
42
118
INPUT PIN
3
View Details
43
114
INPUT PIN
3
View Details
44
121
INPUT PIN
3
View Details
45
72
INPUT PIN
3
View Details
46
30
INPUT PIN
3
View Details
47
48
INPUT PIN
3
View Details
48
6
PIN Right
3
View Details
49
40
INPUT PIN
3
View Details
50
32
INPUT PIN
3
View Details
51
28
INPUT PIN
3
View Details
52
18
INPUT PIN
3
View Details
53
19
PIN Bottom
3
View Details
54
106
INPUT PIN
3
View Details
55
22
INPUT PIN
3
View Details
56
9
PIN Left
3
View Details
57
130
PIN Bottom
3
View Details
58
61
PIN Bottom
3
View Details
59
36
INPUT PIN
3
View Details
60
141
INPUT PIN
3
View Details
61
43
INPUT PIN
3
View Details
62
15
INPUT PIN
3
View Details
63
25
INPUT PIN
3
View Details
64
31
INPUT PIN
3
View Details
65
EVQ-P7K01P
OPEN
1
View Details
MAX11254ATJ+
Rectangle
Quantity: 1
View Details
USB MICRO-B
Rectangle
Quantity: 1
View Details
MAX17651AZT+
Rectangle
Quantity: 1
View Details
MAX6071AAUT18+
Rectangle
Quantity: 1
View Details
MAX6071AAUT41+
Rectangle
Quantity: 1
View Details
MAX8574EUT+
Rectangle
Quantity: 1
View Details
STM32F429ZIT6
Rectangle
Quantity: 1
View Details
TL1015AF160QG
Rectangle
Quantity: 1
View Details
2
Rectangle
Quantity: 1
View Details
4
Rectangle
Quantity: 1
View Details
IS42S16400J-7TL
Rectangle
Quantity: 1
View Details
14
PIN Bottom
Quantity: 3
View Details
10
INPUT PIN
Quantity: 3
View Details
24
PIN Right
Quantity: 3
View Details
20
INPUT PIN
Quantity: 3
View Details
29
PIN Top
Quantity: 3
View Details
7
PIN Left
Quantity: 3
View Details
3
PIN Right
Quantity: 6
View Details
5
PIN Left
Quantity: 3
View Details
37
PIN Left
Quantity: 3
View Details
103
INPUT PIN
Quantity: 3
View Details
110
INPUT PIN
Quantity: 3
View Details
133
INPUT PIN
Quantity: 3
View Details
44
INPUT PIN
Quantity: 3
View Details
137
INPUT PIN
Quantity: 3
View Details
70
INPUT PIN
Quantity: 3
View Details
76
INPUT PIN
Quantity: 3
View Details
97
INPUT PIN
Quantity: 3
View Details
112
INPUT PIN
Quantity: 3
View Details
143
PIN Left
Quantity: 3
View Details
127
INPUT PIN
Quantity: 3
View Details
93
INPUT PIN
Quantity: 3
View Details
89
INPUT PIN
Quantity: 3
View Details
56
INPUT PIN
Quantity: 3
View Details
50
INPUT PIN
Quantity: 3
View Details
52
INPUT PIN
Quantity: 3
View Details
38
INPUT PIN
Quantity: 3
View Details
65
INPUT PIN
Quantity: 3
View Details
59
INPUT PIN
Quantity: 3
View Details
81
INPUT PIN
Quantity: 3
View Details
77
INPUT PIN
Quantity: 3
View Details
118
INPUT PIN
Quantity: 3
View Details
114
INPUT PIN
Quantity: 3
View Details
121
INPUT PIN
Quantity: 3
View Details
72
INPUT PIN
Quantity: 3
View Details
30
INPUT PIN
Quantity: 3
View Details
48
INPUT PIN
Quantity: 3
View Details
6
PIN Right
Quantity: 3
View Details
40
INPUT PIN
Quantity: 3
View Details
32
INPUT PIN
Quantity: 3
View Details
28
INPUT PIN
Quantity: 3
View Details
18
INPUT PIN
Quantity: 3
View Details
19
PIN Bottom
Quantity: 3
View Details
106
INPUT PIN
Quantity: 3
View Details
22
INPUT PIN
Quantity: 3
View Details
9
PIN Left
Quantity: 3
View Details
130
PIN Bottom
Quantity: 3
View Details
61
PIN Bottom
Quantity: 3
View Details
36
INPUT PIN
Quantity: 3
View Details
141
INPUT PIN
Quantity: 3
View Details
43
INPUT PIN
Quantity: 3
View Details
15
INPUT PIN
Quantity: 3
View Details
25
INPUT PIN
Quantity: 3
View Details
31
INPUT PIN
Quantity: 3
View Details
EVQ-P7K01P
OPEN
Quantity: 1
View Details

About this Schematic

Created By
User 964092
Last Updated
2020-07-21 10:40
What’s New
You are about to delete project

Please type 'DELETE' (without quotes) to the below box to confirm the deletion:

  • Introduction
  • Tutorial Videos
  • Homepage
  • Revision
  • Symbol Editor
  • KiCad Export(beta)
  • Favorite symbols
  • Net
  • Save/Open/Delete Projects
  • Autosave and History
  • Placing Symbols
  • Wiring Symbols
  • Adding/Editing Text
  • Math box
  • Share and Export
  • BOM Manager
  • DigiKey Catalog
  • FAQ
Title