
This is information on a product in full production.
April 2018 DS12024 Rev 3 1/277
STM32L4S5xx STM32L4S7xx
STM32L4S9xx
Ultra-low-power Arm® Cortex®-M4 32-bit MCU+FPU, 150DMIPS,
up to 2MB Flash, 640KB SRAM, LCD-TFT & MIPI DSI, AES+HASH
Datasheet- production data
Features
•Ultra-low-power with FlexPowerControl
– 1.71 V to 3.6 V power supply
– -40 °C to 85/125 °C temperature range
– Batch acquisition mode (BAM)
– 305 nA in VBAT mode: supply for RTC and
32x32-bit backup registers
– 33 nA Shutdown mode (5 wakeup pins)
– 125 nA Standby mode (5 wakeup pins)
– 420 nA Standby mode with RTC
–2.8 A Stop 2 with RTC
– 110 A/MHz Run mode
– 5 µs wakeup from Stop mode
– Brownout reset (BOR) in all modes except
shutdown
– Interconnect matrix
•Core: Arm® 32-bit Cortex®-M4 CPU with FPU,
adaptive real-time accelerator (ART
Accelerator™) allowing 0-wait-state execution
from Flash memory, frequency up to 120 MHz,
MPU, 150 DMIPS/1.25 DMIPS/MHz
(Dhrystone 2.1), and DSP instructions
•Performance benckmark
– 1.25 DMIPS/MHz (Drystone 2.1)
– 409.20 Coremark® (3.41 Coremark/MHz
@120 MHz)
•Energy benckmark
– 233 ULPMark™CP score
– 56.5 ULPMark™PP score
•Clock sources
– 4 to 48 MHz crystal oscillator
– 32 kHz crystal oscillator for RTC (LSE)
– Internal 16 MHz factory-trimmed RC (±1%)
– Internal low-power 32 kHz RC (±5%)
– Internal multispeed 100 kHz to 48 MHz
oscillator, auto-trimmed by LSE (better than
±0.25 % accuracy)
– Internal 48 MHz with clock recovery
– 3 PLLs for system clock, USB, audio, ADC
•RTC with HW calendar, alarms and calibration
•Up to 24 capacitive sensing channels: support
touchkey, linear and rotary touch sensors
•Advanced graphics features
– Chrom-ART Accelerator™ (DMA2D) for
enhanced graphic content creation
– Chrom-GRC™ (GFXMMU) allowing up to
20% of graphic resources optimization
–MIPI
® DSI Host controller with two DSI
lanes running at up to 500 Mbits/s each
– LCD-TFT controller
•16x timers: 2 x 16-bit advanced motor-control,
2 x 32-bit and 5 x 16-bit general purpose, 2x
16-bit basic, 2x low-power 16-bit timers
(available in Stop mode), 2x watchdogs,
SysTick timer
•Up to 136 fast I/Os, most 5 V-tolerant, up to 14
I/Os with independent supply down to 1.08 V
•Memories
– 2-Mbyte Flash, 2 banks read-while-write,
proprietary code readout protection
– 640 Kbytes of SRAM including 64 Kbytes
with hardware parity check
– External memory interface for static
memories supporting SRAM, PSRAM,
NOR, NAND and FRAM memories
– 2 x OctoSPI memory interface
•4x digital filters for sigma delta modulator
•Rich analog peripherals (independent supply)
– 12-bit ADC 5 Msps, up to 16-bit with
hardware oversampling, 200 µA/Msps
– 2x 12-bit DAC, low-power sample and hold
– 2x operational amplifiers with built-in PGA
UFBGA132 (7 × 7)
LQFP144 (20 × 20) UFBGA169 (7 x 7)
LQFP100 (14 x 14) UFBGA144 (10 x 10) WLCSP144
www.st.com

STM32L4S5xx, STM32L4S7xx and STM32L4S9xx
2/277 DS12024 Rev 3
– 2x ultra-low-power comparators
•20x communication interfaces
– USB OTG 2.0 full-speed, LPM and BCD
– 2x SAIs (serial audio interface)
–4x I2C FM+(1 Mbit/s), SMBus/PMBus
– 6x USARTs (ISO 7816, LIN, IrDA, modem)
– 3x SPIs (5x SPIs with the dual OctoSPI)
– CAN (2.0B Active) and SDMMC
•14-channel DMA controller
•True random number generator
•CRC calculation unit, 96-bit unique ID
•8- to 14-bit camera interface up to 32 MHz
(black and white) or 10 MHz (color)
•Encryption hardware accelerator: AES
(128/256-bit key), HASH (SHA-256)
•Development support: serial wire debug
(SWD), JTAG, Embedded Trace Macrocell
(ETM)
Table 1. Device summary
Reference Part numbers
STM32L4S5xx STM32L4S5VI, STM32L4S5QI, STM32L4S5ZI, STM32L4S5AI
STM32L4S7xx STM32L4S7VI, STM32L4S7ZI, STM32L4S7AI
STM32L4S9xx STM32L4S9VI, STM32L4S9ZI, STM32L4S9AI

DS12024 Rev 3 3/277
STM32L4S5xx, STM32L4S7xx and STM32L4S9xx Contents
6
Contents
1 Introduction . . . . . . . . . . . . . . . . . . . . . . . . . . . . . . . . . . . . . . . . . . . . . . . 12
2 Description . . . . . . . . . . . . . . . . . . . . . . . . . . . . . . . . . . . . . . . . . . . . . . . . 13
3 Functional overview . . . . . . . . . . . . . . . . . . . . . . . . . . . . . . . . . . . . . . . . 17
3.1 Arm® Cortex®-M4 core with FPU . . . . . . . . . . . . . . . . . . . . . . . . . . . . . . . 17
3.2 Adaptive real-time memory accelerator (ART Accelerator™) . . . . . . . . . 17
3.3 Memory protection unit . . . . . . . . . . . . . . . . . . . . . . . . . . . . . . . . . . . . . . . 17
3.4 Embedded Flash memory . . . . . . . . . . . . . . . . . . . . . . . . . . . . . . . . . . . . 18
3.5 Embedded SRAM . . . . . . . . . . . . . . . . . . . . . . . . . . . . . . . . . . . . . . . . . . . 19
3.6 Multi-AHB bus matrix . . . . . . . . . . . . . . . . . . . . . . . . . . . . . . . . . . . . . . . . 20
3.7 Firewall . . . . . . . . . . . . . . . . . . . . . . . . . . . . . . . . . . . . . . . . . . . . . . . . . . . 20
3.8 Boot modes . . . . . . . . . . . . . . . . . . . . . . . . . . . . . . . . . . . . . . . . . . . . . . . 21
3.9 Cyclic redundancy check calculation unit (CRC) . . . . . . . . . . . . . . . . . . . 21
3.10 Power supply management . . . . . . . . . . . . . . . . . . . . . . . . . . . . . . . . . . . 22
3.10.1 Power supply schemes . . . . . . . . . . . . . . . . . . . . . . . . . . . . . . . . . . . . . 22
3.10.2 Power supply supervisor . . . . . . . . . . . . . . . . . . . . . . . . . . . . . . . . . . . . 25
3.10.3 Voltage regulator . . . . . . . . . . . . . . . . . . . . . . . . . . . . . . . . . . . . . . . . . . 25
3.10.4 Low-power modes . . . . . . . . . . . . . . . . . . . . . . . . . . . . . . . . . . . . . . . . . 27
3.10.5 Reset mode . . . . . . . . . . . . . . . . . . . . . . . . . . . . . . . . . . . . . . . . . . . . . . 35
3.10.6 VBAT operation . . . . . . . . . . . . . . . . . . . . . . . . . . . . . . . . . . . . . . . . . . . 35
3.11 Interconnect matrix . . . . . . . . . . . . . . . . . . . . . . . . . . . . . . . . . . . . . . . . . . 35
3.12 Clocks and startup . . . . . . . . . . . . . . . . . . . . . . . . . . . . . . . . . . . . . . . . . . 37
3.13 General-purpose inputs/outputs (GPIOs) . . . . . . . . . . . . . . . . . . . . . . . . . 40
3.14 Direct memory access controller (DMA) . . . . . . . . . . . . . . . . . . . . . . . . . . 40
3.15 DMA request router (DMAMux) . . . . . . . . . . . . . . . . . . . . . . . . . . . . . . . . 41
3.16 Chrom-ART Accelerator™ (DMA2D) . . . . . . . . . . . . . . . . . . . . . . . . . . . . 41
3.17 Chrom-GRC™ (GFXMMU) . . . . . . . . . . . . . . . . . . . . . . . . . . . . . . . . . . . 41
3.18 Interrupts and events . . . . . . . . . . . . . . . . . . . . . . . . . . . . . . . . . . . . . . . . 42
3.18.1 Nested vectored interrupt controller (NVIC) . . . . . . . . . . . . . . . . . . . . . . 42
3.18.2 Extended interrupt/event controller (EXTI) . . . . . . . . . . . . . . . . . . . . . . 42
3.19 Analog-to-digital converter (ADC) . . . . . . . . . . . . . . . . . . . . . . . . . . . . . . 43

Contents STM32L4S5xx, STM32L4S7xx and STM32L4S9xx
4/277 DS12024 Rev 3
3.19.1 Temperature sensor . . . . . . . . . . . . . . . . . . . . . . . . . . . . . . . . . . . . . . . . 43
3.19.2 Internal voltage reference (VREFINT) . . . . . . . . . . . . . . . . . . . . . . . . . . 44
3.19.3 VBAT battery voltage monitoring . . . . . . . . . . . . . . . . . . . . . . . . . . . . . . 44
3.20 Digital to analog converter (DAC) . . . . . . . . . . . . . . . . . . . . . . . . . . . . . . . 44
3.21 Voltage reference buffer (VREFBUF) . . . . . . . . . . . . . . . . . . . . . . . . . . . . 45
3.22 Comparators (COMP) . . . . . . . . . . . . . . . . . . . . . . . . . . . . . . . . . . . . . . . 45
3.23 Operational amplifier (OPAMP) . . . . . . . . . . . . . . . . . . . . . . . . . . . . . . . . 46
3.24 Touch sensing controller (TSC) . . . . . . . . . . . . . . . . . . . . . . . . . . . . . . . . 46
3.25 LCD-TFT controller (LTDC) . . . . . . . . . . . . . . . . . . . . . . . . . . . . . . . . . . . 47
3.26 DSI Host (DSIHOST) . . . . . . . . . . . . . . . . . . . . . . . . . . . . . . . . . . . . . . . . 47
3.27 Digital filter for sigma-delta modulators (DFSDM) . . . . . . . . . . . . . . . . . . 49
3.28 Random number generator (RNG) . . . . . . . . . . . . . . . . . . . . . . . . . . . . . . 50
3.29 Digital camera interface (DCMI) . . . . . . . . . . . . . . . . . . . . . . . . . . . . . . . . 50
3.30 Advanced encryption standard hardware accelerator (AES) . . . . . . . . . . 51
3.31 HASH hardware accelerator (HASH) . . . . . . . . . . . . . . . . . . . . . . . . . . . . 51
3.32 Timers and watchdogs . . . . . . . . . . . . . . . . . . . . . . . . . . . . . . . . . . . . . . . 51
3.32.1 Advanced-control timer (TIM1, TIM8) . . . . . . . . . . . . . . . . . . . . . . . . . . 52
3.32.2 General-purpose timers (TIM2, TIM3, TIM4, TIM5, TIM15, TIM16,
TIM17) . . . . . . . . . . . . . . . . . . . . . . . . . . . . . . . . . . . . . . . . . . . . . . . . . . 53
3.32.3 Basic timers (TIM6 and TIM7) . . . . . . . . . . . . . . . . . . . . . . . . . . . . . . . . 53
3.32.4 Low-power timer (LPTIM1 and LPTIM2) . . . . . . . . . . . . . . . . . . . . . . . . 53
3.32.5 Independent watchdog (IWDG) . . . . . . . . . . . . . . . . . . . . . . . . . . . . . . . 54
3.32.6 System window watchdog (WWDG) . . . . . . . . . . . . . . . . . . . . . . . . . . . 54
3.32.7 SysTick timer . . . . . . . . . . . . . . . . . . . . . . . . . . . . . . . . . . . . . . . . . . . . . 54
3.33 Real-time clock (RTC) and backup registers . . . . . . . . . . . . . . . . . . . . . . 55
3.34 Inter-integrated circuit interface (I2C) . . . . . . . . . . . . . . . . . . . . . . . . . . . . 55
3.35 Universal synchronous/asynchronous receiver transmitter (USART) . . . 57
3.36 Low-power universal asynchronous receiver transmitter (LPUART) . . . . 58
3.37 Serial peripheral interface (SPI) . . . . . . . . . . . . . . . . . . . . . . . . . . . . . . . . 58
3.38 Serial audio interfaces (SAI) . . . . . . . . . . . . . . . . . . . . . . . . . . . . . . . . . . . 58
3.39 Controller area network (CAN) . . . . . . . . . . . . . . . . . . . . . . . . . . . . . . . . . 59
3.40 Secure digital input/output and MultiMediaCards Interface (SDMMC) . . . 60
3.41 Universal serial bus on-the-go full-speed (OTG_FS) . . . . . . . . . . . . . . . . 61
3.42 Clock recovery system (CRS) . . . . . . . . . . . . . . . . . . . . . . . . . . . . . . . . . 61

DS12024 Rev 3 5/277
STM32L4S5xx, STM32L4S7xx and STM32L4S9xx Contents
6
3.43 Flexible static memory controller (FSMC) . . . . . . . . . . . . . . . . . . . . . . . . 61
3.44 OctoSPI interface (OctoSPI) . . . . . . . . . . . . . . . . . . . . . . . . . . . . . . . . . . 62
3.45 OctoSPI IO manager (OctoSPIIOM) . . . . . . . . . . . . . . . . . . . . . . . . . . . . 63
3.46 Development support . . . . . . . . . . . . . . . . . . . . . . . . . . . . . . . . . . . . . . . . 63
3.46.1 Serial wire JTAG debug port (SWJ-DP) . . . . . . . . . . . . . . . . . . . . . . . . . 63
3.46.2 Embedded Trace Macrocell™ . . . . . . . . . . . . . . . . . . . . . . . . . . . . . . . . 64
4 Pinouts and pin description . . . . . . . . . . . . . . . . . . . . . . . . . . . . . . . . . . 65
5 Memory mapping . . . . . . . . . . . . . . . . . . . . . . . . . . . . . . . . . . . . . . . . . . 113
6 Electrical characteristics . . . . . . . . . . . . . . . . . . . . . . . . . . . . . . . . . . . 118
6.1 Parameter conditions . . . . . . . . . . . . . . . . . . . . . . . . . . . . . . . . . . . . . . . .118
6.1.1 Minimum and maximum values . . . . . . . . . . . . . . . . . . . . . . . . . . . . . . 118
6.1.2 Typical values . . . . . . . . . . . . . . . . . . . . . . . . . . . . . . . . . . . . . . . . . . . 118
6.1.3 Typical curves . . . . . . . . . . . . . . . . . . . . . . . . . . . . . . . . . . . . . . . . . . . 118
6.1.4 Loading capacitor . . . . . . . . . . . . . . . . . . . . . . . . . . . . . . . . . . . . . . . . 118
6.1.5 Pin input voltage . . . . . . . . . . . . . . . . . . . . . . . . . . . . . . . . . . . . . . . . . 118
6.1.6 Power supply scheme . . . . . . . . . . . . . . . . . . . . . . . . . . . . . . . . . . . . . 119
6.1.7 Current consumption measurement . . . . . . . . . . . . . . . . . . . . . . . . . . 120
6.2 Absolute maximum ratings . . . . . . . . . . . . . . . . . . . . . . . . . . . . . . . . . . . 120
6.3 Operating conditions . . . . . . . . . . . . . . . . . . . . . . . . . . . . . . . . . . . . . . . 122
6.3.1 General operating conditions . . . . . . . . . . . . . . . . . . . . . . . . . . . . . . . . 122
6.3.2 Operating conditions at power-up / power-down . . . . . . . . . . . . . . . . . 124
6.3.3 Embedded reset and power control block characteristics . . . . . . . . . . 124
6.3.4 Embedded voltage reference . . . . . . . . . . . . . . . . . . . . . . . . . . . . . . . . 126
6.3.5 Supply current characteristics . . . . . . . . . . . . . . . . . . . . . . . . . . . . . . . 128
6.3.6 Wakeup time from low-power modes and voltage scaling
transition times . . . . . . . . . . . . . . . . . . . . . . . . . . . . . . . . . . . . . . . . . . . 154
6.3.7 External clock source characteristics . . . . . . . . . . . . . . . . . . . . . . . . . . 157
6.3.8 Internal clock source characteristics . . . . . . . . . . . . . . . . . . . . . . . . . . 162
6.3.9 PLL characteristics . . . . . . . . . . . . . . . . . . . . . . . . . . . . . . . . . . . . . . . . 169
6.3.10 MIPI D-PHY characteristics . . . . . . . . . . . . . . . . . . . . . . . . . . . . . . . . . 169
6.3.11 MIPI D-PHY PLL characteristics . . . . . . . . . . . . . . . . . . . . . . . . . . . . . 172
6.3.12 MIPI D-PHY regulator characteristics . . . . . . . . . . . . . . . . . . . . . . . . . 173
6.3.13 Flash memory characteristics . . . . . . . . . . . . . . . . . . . . . . . . . . . . . . . 174
6.3.14 EMC characteristics . . . . . . . . . . . . . . . . . . . . . . . . . . . . . . . . . . . . . . . 175

Contents STM32L4S5xx, STM32L4S7xx and STM32L4S9xx
6/277 DS12024 Rev 3
6.3.15 Electrical sensitivity characteristics . . . . . . . . . . . . . . . . . . . . . . . . . . . 176
6.3.16 I/O current injection characteristics . . . . . . . . . . . . . . . . . . . . . . . . . . . 177
6.3.17 I/O port characteristics . . . . . . . . . . . . . . . . . . . . . . . . . . . . . . . . . . . . . 178
6.3.18 NRST pin characteristics . . . . . . . . . . . . . . . . . . . . . . . . . . . . . . . . . . . 184
6.3.19 Extended interrupt and event controller input (EXTI) characteristics . . 185
6.3.20 Analog switches booster . . . . . . . . . . . . . . . . . . . . . . . . . . . . . . . . . . . 185
6.3.21 Analog-to-digital converter characteristics . . . . . . . . . . . . . . . . . . . . . . 186
6.3.22 Digital-to-Analog converter characteristics . . . . . . . . . . . . . . . . . . . . . 199
6.3.23 Voltage reference buffer characteristics . . . . . . . . . . . . . . . . . . . . . . . 204
6.3.24 Comparator characteristics . . . . . . . . . . . . . . . . . . . . . . . . . . . . . . . . . 206
6.3.25 Operational amplifiers characteristics . . . . . . . . . . . . . . . . . . . . . . . . . 207
6.3.26 Temperature sensor characteristics . . . . . . . . . . . . . . . . . . . . . . . . . . . 211
6.3.27 VBAT monitoring characteristics . . . . . . . . . . . . . . . . . . . . . . . . . . . . . . 211
6.3.28 DFSDM characteristics . . . . . . . . . . . . . . . . . . . . . . . . . . . . . . . . . . . . 212
6.3.29 Timer characteristics . . . . . . . . . . . . . . . . . . . . . . . . . . . . . . . . . . . . . . 213
6.3.30 Communication interfaces characteristics . . . . . . . . . . . . . . . . . . . . . . 215
6.3.31 FSMC characteristics . . . . . . . . . . . . . . . . . . . . . . . . . . . . . . . . . . . . . . 224
6.3.32 OctoSPI characteristics . . . . . . . . . . . . . . . . . . . . . . . . . . . . . . . . . . . . 240
6.3.33 Camera interface (DCMI) timing specifications . . . . . . . . . . . . . . . . . . 248
6.3.34 LCD-TFT controller (LTDC) characteristics . . . . . . . . . . . . . . . . . . . . . 249
6.3.35 SD/SDIO/MMC card host interfaces (SDMMC) . . . . . . . . . . . . . . . . . . 250
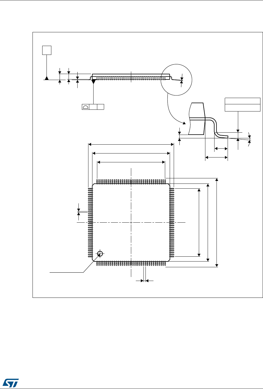
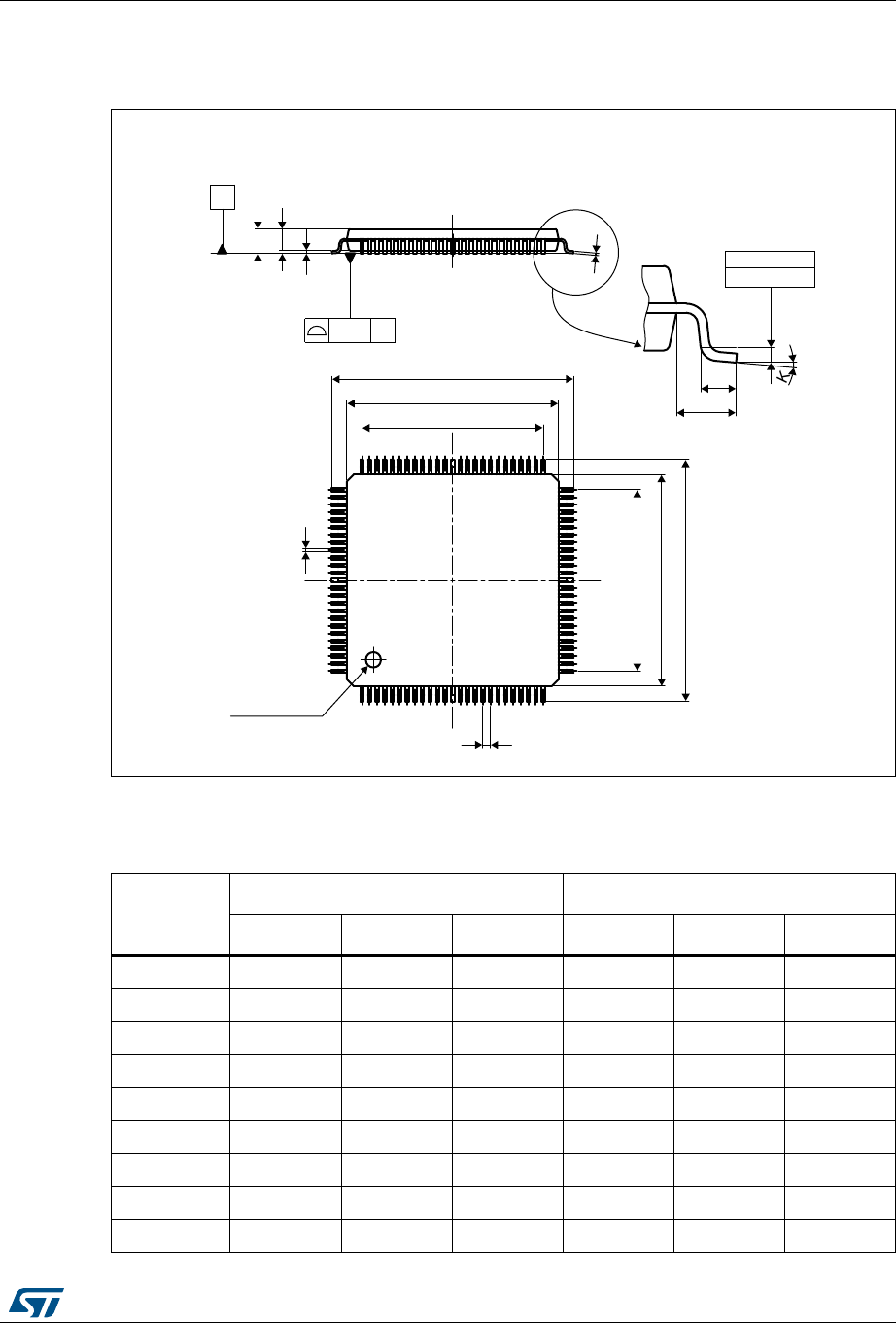
7 Package information . . . . . . . . . . . . . . . . . . . . . . . . . . . . . . . . . . . . . . . 253
7.1 UFBGA169 package information . . . . . . . . . . . . . . . . . . . . . . . . . . . . . . 253
7.2 UFBGA144 package information . . . . . . . . . . . . . . . . . . . . . . . . . . . . . . 256
7.3 LQFP144 package information . . . . . . . . . . . . . . . . . . . . . . . . . . . . . . . . 259
7.4 WLCSP144 package information . . . . . . . . . . . . . . . . . . . . . . . . . . . . . . 263
7.5 UFBGA132 package information . . . . . . . . . . . . . . . . . . . . . . . . . . . . . . 266
7.6 LQFP100 package information . . . . . . . . . . . . . . . . . . . . . . . . . . . . . . . . 269
7.7 Thermal characteristics . . . . . . . . . . . . . . . . . . . . . . . . . . . . . . . . . . . . . 272
7.7.1 Reference document . . . . . . . . . . . . . . . . . . . . . . . . . . . . . . . . . . . . . . 272
7.7.2 Selecting the product temperature range . . . . . . . . . . . . . . . . . . . . . . 272
8 Ordering information . . . . . . . . . . . . . . . . . . . . . . . . . . . . . . . . . . . . . . 275
9 Revision history . . . . . . . . . . . . . . . . . . . . . . . . . . . . . . . . . . . . . . . . . . 276

DS12024 Rev 3 7/277
STM32L4S5xx, STM32L4S7xx and STM32L4S9xx List of tables
9
List of tables
Table 1. Device summary . . . . . . . . . . . . . . . . . . . . . . . . . . . . . . . . . . . . . . . . . . . . . . . . . . . . . . . . . . 2
Table 2. STM32L4S5xx, STM32L4S7xx and STM32L4S9xx
features and peripheral counts . . . . . . . . . . . . . . . . . . . . . . . . . . . . . . . . . . . . . . . . . . . . . . 14
Table 3. Access status versus readout protection level and execution modes. . . . . . . . . . . . . . . . . 18
Table 4. STM32L4S5xx modes overview . . . . . . . . . . . . . . . . . . . . . . . . . . . . . . . . . . . . . . . . . . . . . 27
Table 5. Functionalities depending on the working mode. . . . . . . . . . . . . . . . . . . . . . . . . . . . . . . . . 32
Table 6. STM32L4S5xx, STM32L4S7xx and STM32L4S9xx
peripherals interconnect matrix. . . . . . . . . . . . . . . . . . . . . . . . . . . . . . . . . . . . . . . . . . . . . . 35
Table 7. DMA implementation . . . . . . . . . . . . . . . . . . . . . . . . . . . . . . . . . . . . . . . . . . . . . . . . . . . . . 40
Table 8. Temperature sensor calibration values. . . . . . . . . . . . . . . . . . . . . . . . . . . . . . . . . . . . . . . . 44
Table 9. Internal voltage reference calibration values . . . . . . . . . . . . . . . . . . . . . . . . . . . . . . . . . . . 44
Table 10. Timer feature comparison . . . . . . . . . . . . . . . . . . . . . . . . . . . . . . . . . . . . . . . . . . . . . . . . . . 52
Table 11. I2C implementation. . . . . . . . . . . . . . . . . . . . . . . . . . . . . . . . . . . . . . . . . . . . . . . . . . . . . . . 56
Table 12. USART/UART/LPUART features . . . . . . . . . . . . . . . . . . . . . . . . . . . . . . . . . . . . . . . . . . . . 57
Table 13. SAI implementation. . . . . . . . . . . . . . . . . . . . . . . . . . . . . . . . . . . . . . . . . . . . . . . . . . . . . . . 59
Table 14. Legend/abbreviations used in the pinout table . . . . . . . . . . . . . . . . . . . . . . . . . . . . . . . . . . 72
Table 15. STM32L4Sxxx pin definitions . . . . . . . . . . . . . . . . . . . . . . . . . . . . . . . . . . . . . . . . . . . . . . . 73
Table 16. Alternate function AF0 to AF7. . . . . . . . . . . . . . . . . . . . . . . . . . . . . . . . . . . . . . . . . . . . . . . 95
Table 17. Alternate function AF8 to AF15. . . . . . . . . . . . . . . . . . . . . . . . . . . . . . . . . . . . . . . . . . . . . 104
Table 18. STM32L4S5xx, STM32L4S7xx and STM32L4S9xx memory map and
peripheral register boundary addresses . . . . . . . . . . . . . . . . . . . . . . . . . . . . . . . . . . . . . . 114
Table 19. Voltage characteristics . . . . . . . . . . . . . . . . . . . . . . . . . . . . . . . . . . . . . . . . . . . . . . . . . . . 120
Table 20. Current characteristics . . . . . . . . . . . . . . . . . . . . . . . . . . . . . . . . . . . . . . . . . . . . . . . . . . . 121
Table 21. Thermal characteristics. . . . . . . . . . . . . . . . . . . . . . . . . . . . . . . . . . . . . . . . . . . . . . . . . . . 122
Table 22. General operating conditions . . . . . . . . . . . . . . . . . . . . . . . . . . . . . . . . . . . . . . . . . . . . . . 122
Table 23. Operating conditions at power-up / power-down . . . . . . . . . . . . . . . . . . . . . . . . . . . . . . . 124
Table 24. Embedded reset and power control block characteristics. . . . . . . . . . . . . . . . . . . . . . . . . 124
Table 25. Embedded internal voltage reference . . . . . . . . . . . . . . . . . . . . . . . . . . . . . . . . . . . . . . . . 126
Table 26. Current consumption in Run and Low-power run modes, code with data
processing running from Flash in single Bank, ART enable (Cache ON Prefetch OFF) . 129
Table 27. Current consumption in Run and Low-power run modes, code with data
processing running from Flash in dual bank, ART enable (Cache ON Prefetch OFF) . . . 130
Table 28. Current consumption in Run and Low-power run modes,
code with data processing running from Flash in single bank, ART disable. . . . . . . . . . . 131
Table 29. Current consumption in Run and Low-power run modes,
code with data processing running from Flash in dual bank, ART disable . . . . . . . . . . . . 132
Table 30. Current consumption in Run and Low-power run modes,
code with data processing running from SRAM1 . . . . . . . . . . . . . . . . . . . . . . . . . . . . . . . 133
Table 31. Typical current consumption in Run and Low-power run modes, with different codes
running from Flash, ART enable (Cache ON Prefetch OFF) . . . . . . . . . . . . . . . . . . . . . . 134
Table 32. Typical current consumption in Run and Low-power run modes,
with different codes running from Flash, ART disable . . . . . . . . . . . . . . . . . . . . . . . . . . . 136
Table 33. Typical current consumption in Run and Low-power run modes, with different codes
running from SRAM1 . . . . . . . . . . . . . . . . . . . . . . . . . . . . . . . . . . . . . . . . . . . . . . . . . . . . 137
Table 34. Current consumption in Sleep and Low-power sleep mode, Flash ON . . . . . . . . . . . . . . 138
Table 35. Current consumption in Low-power sleep mode, Flash in power-down . . . . . . . . . . . . . . 139
Table 36. Current consumption in Stop 2 mode, SRAM3 disabled . . . . . . . . . . . . . . . . . . . . . . . . . 140
Table 37. Current consumption in Stop 2 mode, SRAM3 enabled . . . . . . . . . . . . . . . . . . . . . . . . . . 141

List of tables STM32L4S5xx, STM32L4S7xx and STM32L4S9xx
8/277 DS12024 Rev 3
Table 38. Current consumption in Stop 1 mode . . . . . . . . . . . . . . . . . . . . . . . . . . . . . . . . . . . . . . . . 142
Table 39. Current consumption in Stop 0 mode . . . . . . . . . . . . . . . . . . . . . . . . . . . . . . . . . . . . . . . . 143
Table 40. Current consumption in Standby mode . . . . . . . . . . . . . . . . . . . . . . . . . . . . . . . . . . . . . . 143
Table 41. Current consumption in Shutdown mode . . . . . . . . . . . . . . . . . . . . . . . . . . . . . . . . . . . . . 145
Table 42. Current consumption in VBAT mode . . . . . . . . . . . . . . . . . . . . . . . . . . . . . . . . . . . . . . . . 147
Table 43. Peripheral current consumption . . . . . . . . . . . . . . . . . . . . . . . . . . . . . . . . . . . . . . . . . . . . 149
Table 44. Low-power mode wakeup timings . . . . . . . . . . . . . . . . . . . . . . . . . . . . . . . . . . . . . . . . . . 154
Table 45. Regulator modes transition times . . . . . . . . . . . . . . . . . . . . . . . . . . . . . . . . . . . . . . . . . . . 156
Table 46. Wakeup time using USART/LPUART . . . . . . . . . . . . . . . . . . . . . . . . . . . . . . . . . . . . . . . . 156
Table 47. High-speed external user clock characteristics. . . . . . . . . . . . . . . . . . . . . . . . . . . . . . . . . 157
Table 48. Low-speed external user clock characteristics . . . . . . . . . . . . . . . . . . . . . . . . . . . . . . . . . 158
Table 49. HSE oscillator characteristics . . . . . . . . . . . . . . . . . . . . . . . . . . . . . . . . . . . . . . . . . . . . . . 159
Table 50. LSE oscillator characteristics (fLSE = 32.768 kHz) . . . . . . . . . . . . . . . . . . . . . . . . . . . . . . 161
Table 51. HSI16 oscillator characteristics. . . . . . . . . . . . . . . . . . . . . . . . . . . . . . . . . . . . . . . . . . . . . 162
Table 52. MSI oscillator characteristics . . . . . . . . . . . . . . . . . . . . . . . . . . . . . . . . . . . . . . . . . . . . . . . . . . . . . . .164
Table 53. HSI48 oscillator characteristics. . . . . . . . . . . . . . . . . . . . . . . . . . . . . . . . . . . . . . . . . . . . . 167
Table 54. LSI oscillator characteristics . . . . . . . . . . . . . . . . . . . . . . . . . . . . . . . . . . . . . . . . . . . . . . . 168
Table 55. PLL, PLLSAI1, PLLSAI2 characteristics . . . . . . . . . . . . . . . . . . . . . . . . . . . . . . . . . . . . . . 169
Table 56. MIPI D-PHY characteristics . . . . . . . . . . . . . . . . . . . . . . . . . . . . . . . . . . . . . . . . . . . . . . . 170
Table 57. MIPI D-PHY AC characteristics LP mode and HS/LP transitions . . . . . . . . . . . . . . . . . . . 171
Table 58. DSI-PLL characteristics . . . . . . . . . . . . . . . . . . . . . . . . . . . . . . . . . . . . . . . . . . . . . . . . . . 172
Table 59. DSI regulator characteristics. . . . . . . . . . . . . . . . . . . . . . . . . . . . . . . . . . . . . . . . . . . . . . . 173
Table 60. Flash memory characteristics . . . . . . . . . . . . . . . . . . . . . . . . . . . . . . . . . . . . . . . . . . . . . . 174
Table 61. Flash memory endurance and data retention . . . . . . . . . . . . . . . . . . . . . . . . . . . . . . . . . . 174
Table 62. EMS characteristics . . . . . . . . . . . . . . . . . . . . . . . . . . . . . . . . . . . . . . . . . . . . . . . . . . . . . 175
Table 63. EMI characteristics . . . . . . . . . . . . . . . . . . . . . . . . . . . . . . . . . . . . . . . . . . . . . . . . . . . . . . 176
Table 64. ESD absolute maximum ratings . . . . . . . . . . . . . . . . . . . . . . . . . . . . . . . . . . . . . . . . . . . . 176
Table 65. Electrical sensitivities . . . . . . . . . . . . . . . . . . . . . . . . . . . . . . . . . . . . . . . . . . . . . . . . . . . . 177
Table 66. I/O current injection susceptibility . . . . . . . . . . . . . . . . . . . . . . . . . . . . . . . . . . . . . . . . . . . 178
Table 67. I/O static characteristics . . . . . . . . . . . . . . . . . . . . . . . . . . . . . . . . . . . . . . . . . . . . . . . . . . 178
Table 68. Output voltage characteristics . . . . . . . . . . . . . . . . . . . . . . . . . . . . . . . . . . . . . . . . . . . . . 181
Table 69. I/O AC characteristics . . . . . . . . . . . . . . . . . . . . . . . . . . . . . . . . . . . . . . . . . . . . . . . . . . . . 182
Table 70. NRST pin characteristics . . . . . . . . . . . . . . . . . . . . . . . . . . . . . . . . . . . . . . . . . . . . . . . . . 184
Table 71. EXTI input characteristics . . . . . . . . . . . . . . . . . . . . . . . . . . . . . . . . . . . . . . . . . . . . . . . . . 185
Table 72. Analog switches booster characteristics . . . . . . . . . . . . . . . . . . . . . . . . . . . . . . . . . . . . . . 185
Table 73. ADC characteristics . . . . . . . . . . . . . . . . . . . . . . . . . . . . . . . . . . . . . . . . . . . . . . . . . . . . 186
Table 74. Maximum ADC RAIN . . . . . . . . . . . . . . . . . . . . . . . . . . . . . . . . . . . . . . . . . . . . . . . . . . . . 188
Table 75. ADC accuracy - limited test conditions 1 . . . . . . . . . . . . . . . . . . . . . . . . . . . . . . . . . . . . . 190
Table 76. ADC accuracy - limited test conditions 2 . . . . . . . . . . . . . . . . . . . . . . . . . . . . . . . . . . . . . 192
Table 77. ADC accuracy - limited test conditions 3 . . . . . . . . . . . . . . . . . . . . . . . . . . . . . . . . . . . . . 194
Table 78. ADC accuracy - limited test conditions 4 . . . . . . . . . . . . . . . . . . . . . . . . . . . . . . . . . . . . . 196
Table 79. DAC characteristics . . . . . . . . . . . . . . . . . . . . . . . . . . . . . . . . . . . . . . . . . . . . . . . . . . . . . 199
Table 80. DAC accuracy . . . . . . . . . . . . . . . . . . . . . . . . . . . . . . . . . . . . . . . . . . . . . . . . . . . . . . . . . . 202
Table 81. VREFBUF characteristics . . . . . . . . . . . . . . . . . . . . . . . . . . . . . . . . . . . . . . . . . . . . . . . . . 204
Table 82. COMP characteristics . . . . . . . . . . . . . . . . . . . . . . . . . . . . . . . . . . . . . . . . . . . . . . . . . . . . 206
Table 83. OPAMP characteristics. . . . . . . . . . . . . . . . . . . . . . . . . . . . . . . . . . . . . . . . . . . . . . . . . . . 207
Table 84. TS characteristics . . . . . . . . . . . . . . . . . . . . . . . . . . . . . . . . . . . . . . . . . . . . . . . . . . . . . . . 211
Table 85. VBAT monitoring characteristics . . . . . . . . . . . . . . . . . . . . . . . . . . . . . . . . . . . . . . . . . . . . 211
Table 86. VBAT charging characteristics . . . . . . . . . . . . . . . . . . . . . . . . . . . . . . . . . . . . . . . . . . . . . . 211
Table 87. DFSDM characteristics . . . . . . . . . . . . . . . . . . . . . . . . . . . . . . . . . . . . . . . . . . . . . . . . . . . 212
Table 88. TIMx characteristics . . . . . . . . . . . . . . . . . . . . . . . . . . . . . . . . . . . . . . . . . . . . . . . . . . . . . 214
Table 89. IWDG min/max timeout period at 32 kHz (LSI). . . . . . . . . . . . . . . . . . . . . . . . . . . . . . . . . 214

DS12024 Rev 3 9/277
STM32L4S5xx, STM32L4S7xx and STM32L4S9xx List of tables
9
Table 90. WWDG min/max timeout value at 120 MHz (PCLK). . . . . . . . . . . . . . . . . . . . . . . . . . . . . 214
Table 91. I2C analog filter characteristics. . . . . . . . . . . . . . . . . . . . . . . . . . . . . . . . . . . . . . . . . . . . . 215
Table 92. SPI characteristics . . . . . . . . . . . . . . . . . . . . . . . . . . . . . . . . . . . . . . . . . . . . . . . . . . . . . . 216
Table 93. SAI characteristics . . . . . . . . . . . . . . . . . . . . . . . . . . . . . . . . . . . . . . . . . . . . . . . . . . . . . . 220
Table 94. USB electrical characteristics . . . . . . . . . . . . . . . . . . . . . . . . . . . . . . . . . . . . . . . . . . . . . . 222
Table 95. USB OTG electrical characteristics . . . . . . . . . . . . . . . . . . . . . . . . . . . . . . . . . . . . . . . . . 223
Table 96. USB BCD DC electrical characteristics. . . . . . . . . . . . . . . . . . . . . . . . . . . . . . . . . . . . . . . 223
Table 97. Asynchronous non-multiplexed SRAM/PSRAM/NOR read timings . . . . . . . . . . . . . . . . . 226
Table 98. Asynchronous non-multiplexed SRAM/PSRAM/NOR read-NWAIT timings . . . . . . . . . . . 226
Table 99. Asynchronous non-multiplexed SRAM/PSRAM/NOR write timings . . . . . . . . . . . . . . . . . 227
Table 100. Asynchronous non-multiplexed SRAM/PSRAM/NOR write-NWAIT timings. . . . . . . . . . . 228
Table 101. Asynchronous multiplexed PSRAM/NOR read timings. . . . . . . . . . . . . . . . . . . . . . . . . . . 229
Table 102. Asynchronous multiplexed PSRAM/NOR read-NWAIT timings . . . . . . . . . . . . . . . . . . . . 229
Table 103. Asynchronous multiplexed PSRAM/NOR write timings . . . . . . . . . . . . . . . . . . . . . . . . . . 230
Table 104. Asynchronous multiplexed PSRAM/NOR write-NWAIT timings . . . . . . . . . . . . . . . . . . . . 231
Table 105. Synchronous multiplexed NOR/PSRAM read timings . . . . . . . . . . . . . . . . . . . . . . . . . . . 233
Table 106. Synchronous multiplexed PSRAM write timings . . . . . . . . . . . . . . . . . . . . . . . . . . . . . . . . 235
Table 107. Synchronous non-multiplexed NOR/PSRAM read timings . . . . . . . . . . . . . . . . . . . . . . . . 236
Table 108. Synchronous non-multiplexed PSRAM write timings . . . . . . . . . . . . . . . . . . . . . . . . . . . . 238
Table 109. Switching characteristics for NAND Flash read cycles . . . . . . . . . . . . . . . . . . . . . . . . . . . 240
Table 110. Switching characteristics for NAND Flash write cycles. . . . . . . . . . . . . . . . . . . . . . . . . . . 240
Table 111. OctoSPI characteristics in SDR mode . . . . . . . . . . . . . . . . . . . . . . . . . . . . . . . . . . . . . . . 241
Table 112. OctoSPI characteristics in DTR mode (no DQS) . . . . . . . . . . . . . . . . . . . . . . . . . . . . . . . 242
Table 113. OctoSPI characteristics in DTR mode (with DQS)/Octal and Hyperbus . . . . . . . . . . . . . . 243
Table 114. DCMI characteristics. . . . . . . . . . . . . . . . . . . . . . . . . . . . . . . . . . . . . . . . . . . . . . . . . . . . . 248
Table 115. LTDC characteristics . . . . . . . . . . . . . . . . . . . . . . . . . . . . . . . . . . . . . . . . . . . . . . . . . . . . 250
Table 116. Dynamics characteristics:
SD / eMMC characteristics at VDD = 2.7 V to 3.6 V . . . . . . . . . . . . . . . . . . . . . . . . . . . . 250
Table 117. Dynamics characteristics:
eMMC characteristics at VDD = 1.71 V to 1.9 V. . . . . . . . . . . . . . . . . . . . . . . . . . . . . . . . 251
Table 118. UFBGA169 - 169-ball, 7 x 7 mm, 0.50 mm pitch, ultra fine pitch ball grid
array package mechanical data . . . . . . . . . . . . . . . . . . . . . . . . . . . . . . . . . . . . . . . . . . . . 253
Table 119. UFBGA169 recommended PCB design rules (0.5 mm pitch BGA) . . . . . . . . . . . . . . . . . 254
Table 120. UFBGA144 - 144-pin, 10 x 10 mm, 0.80 mm pitch, ultra fine pitch ball
grid array package mechanical data. . . . . . . . . . . . . . . . . . . . . . . . . . . . . . . . . . . . . . . . . 256
Table 121. UFBGA144 recommended PCB design rules (0.80 mm pitch BGA) . . . . . . . . . . . . . . . . 257
Table 122. LQFP144 - 144-pin, 20 x 20 mm low-profile quad flat package
mechanical data . . . . . . . . . . . . . . . . . . . . . . . . . . . . . . . . . . . . . . . . . . . . . . . . . . . . . . . . 260
Table 123. WLCSP - 144 bump, 5.24x 5.24 mm, 0.40 mm pitch, wafer level chip scale,
mechanical data . . . . . . . . . . . . . . . . . . . . . . . . . . . . . . . . . . . . . . . . . . . . . . . . . . . . . . . . 264
Table 124. WLCSP - 144 bump, 5.24x 5.24 mm, 0.40 mm pitch, wafer level chip scale,
recommended PCB design rules . . . . . . . . . . . . . . . . . . . . . . . . . . . . . . . . . . . . . . . . . . . 265
Table 125. UFBGA132 - 132-ball, 7 x 7 mm ultra thin fine pitch ball grid array
package mechanical data . . . . . . . . . . . . . . . . . . . . . . . . . . . . . . . . . . . . . . . . . . . . . . . . . 266
Table 126. UFBGA132 recommended PCB design rules (0.5 mm pitch BGA) . . . . . . . . . . . . . . . . . 267
Table 127. LQPF100 - 100-pin, 14 x 14 mm low-profile quad flat package
mechanical data . . . . . . . . . . . . . . . . . . . . . . . . . . . . . . . . . . . . . . . . . . . . . . . . . . . . . . . . 269
Table 128. Package thermal characteristics . . . . . . . . . . . . . . . . . . . . . . . . . . . . . . . . . . . . . . . . . . . . 272
Table 129. STM32L4Sxxx ordering information scheme . . . . . . . . . . . . . . . . . . . . . . . . . . . . . . . . . . 275
Table 130. Document revision history . . . . . . . . . . . . . . . . . . . . . . . . . . . . . . . . . . . . . . . . . . . . . . . . 276

List of figures STM32L4S5xx, STM32L4S7xx and STM32L4S9xx
10/277 DS12024 Rev 3
List of figures
Figure 1. STM32L4S5xx, STM32L4S7xx and STM32L4S9xx block diagram . . . . . . . . . . . . . . . . . . 16
Figure 2. Multi-AHB bus matrix . . . . . . . . . . . . . . . . . . . . . . . . . . . . . . . . . . . . . . . . . . . . . . . . . . . . . 20
Figure 3. STM32L4S5xx and STM32L4S7xx power supply overview . . . . . . . . . . . . . . . . . . . . . . . . 23
Figure 4. STM32L4S9xx power supply overview. . . . . . . . . . . . . . . . . . . . . . . . . . . . . . . . . . . . . . . . 24
Figure 5. Power-up/down sequence . . . . . . . . . . . . . . . . . . . . . . . . . . . . . . . . . . . . . . . . . . . . . . . . . 25
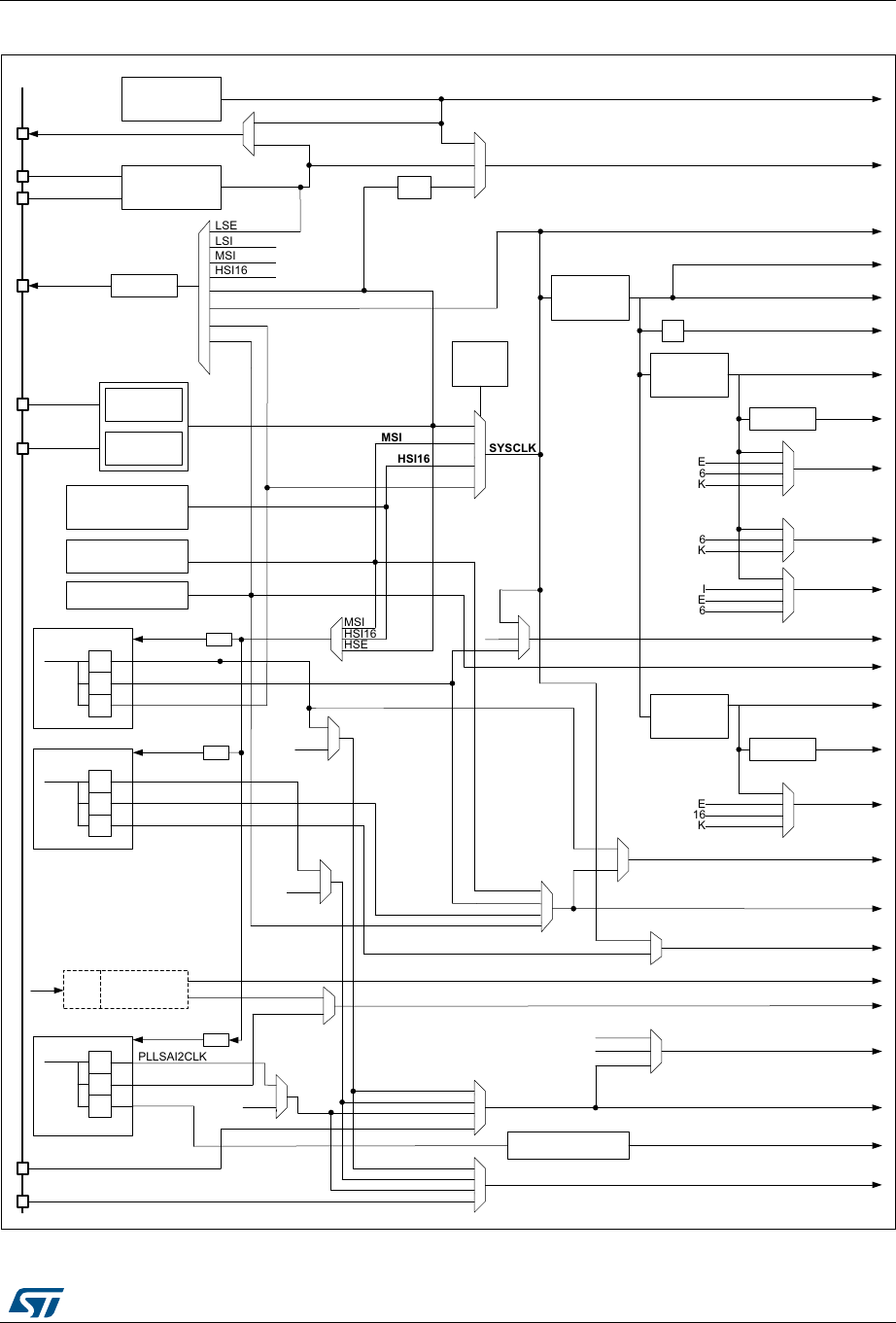
Figure 6. Clock tree . . . . . . . . . . . . . . . . . . . . . . . . . . . . . . . . . . . . . . . . . . . . . . . . . . . . . . . . . . . . . . 39
Figure 7. Voltage reference buffer . . . . . . . . . . . . . . . . . . . . . . . . . . . . . . . . . . . . . . . . . . . . . . . . . . . 45
Figure 8. STM32L4S5xx and STM32L4S7xx UFBGA169 ballout(1) . . . . . . . . . . . . . . . . . . . . . . . . . 65
Figure 9. STM32L4S9xx UFBGA169 ballout(1) . . . . . . . . . . . . . . . . . . . . . . . . . . . . . . . . . . . . . . . . . 65
Figure 10. STM32L4S5xx
and STM32L4S7xx LQFP144 pinout(1). . . . . . . . . . . . . . . . . . . . . . . . . . . . . . . . . . . . . . . . 66
Figure 11. STM32L4S9xx LQFP144 pinout(1) . . . . . . . . . . . . . . . . . . . . . . . . . . . . . . . . . . . . . . . . . . . 67
Figure 12. STM32L4S9xx UFBGA144 ballout(1) . . . . . . . . . . . . . . . . . . . . . . . . . . . . . . . . . . . . . . . . . 68
Figure 13. STM32L4S9xx WLCSP144 ballout(1) . . . . . . . . . . . . . . . . . . . . . . . . . . . . . . . . . . . . . . . . . 68
Figure 14. STM32L4S5xx WLCSP144 ballout(1) . . . . . . . . . . . . . . . . . . . . . . . . . . . . . . . . . . . . . . . . . 69
Figure 15. STM32L4S5xx UFBGA132 ballout(1) . . . . . . . . . . . . . . . . . . . . . . . . . . . . . . . . . . . . . . . . . 69
Figure 16. STM32L4S5xx and STM32L4S7xx LQFP100 pinout(1) . . . . . . . . . . . . . . . . . . . . . . . . . . . 70
Figure 17. STM32L4S9xx LQFP100 pinout(1) . . . . . . . . . . . . . . . . . . . . . . . . . . . . . . . . . . . . . . . . . . . 71
Figure 18. STM32L4S5xx, STM32L4S7xx and STM32L4S9xx memory map . . . . . . . . . . . . . . . . . . 113
Figure 19. Pin loading conditions. . . . . . . . . . . . . . . . . . . . . . . . . . . . . . . . . . . . . . . . . . . . . . . . . . . . 118
Figure 20. Pin input voltage . . . . . . . . . . . . . . . . . . . . . . . . . . . . . . . . . . . . . . . . . . . . . . . . . . . . . . . . 118
Figure 21. Power supply scheme. . . . . . . . . . . . . . . . . . . . . . . . . . . . . . . . . . . . . . . . . . . . . . . . . . . . 119
Figure 22. Current consumption measurement . . . . . . . . . . . . . . . . . . . . . . . . . . . . . . . . . . . . . . . . . 120
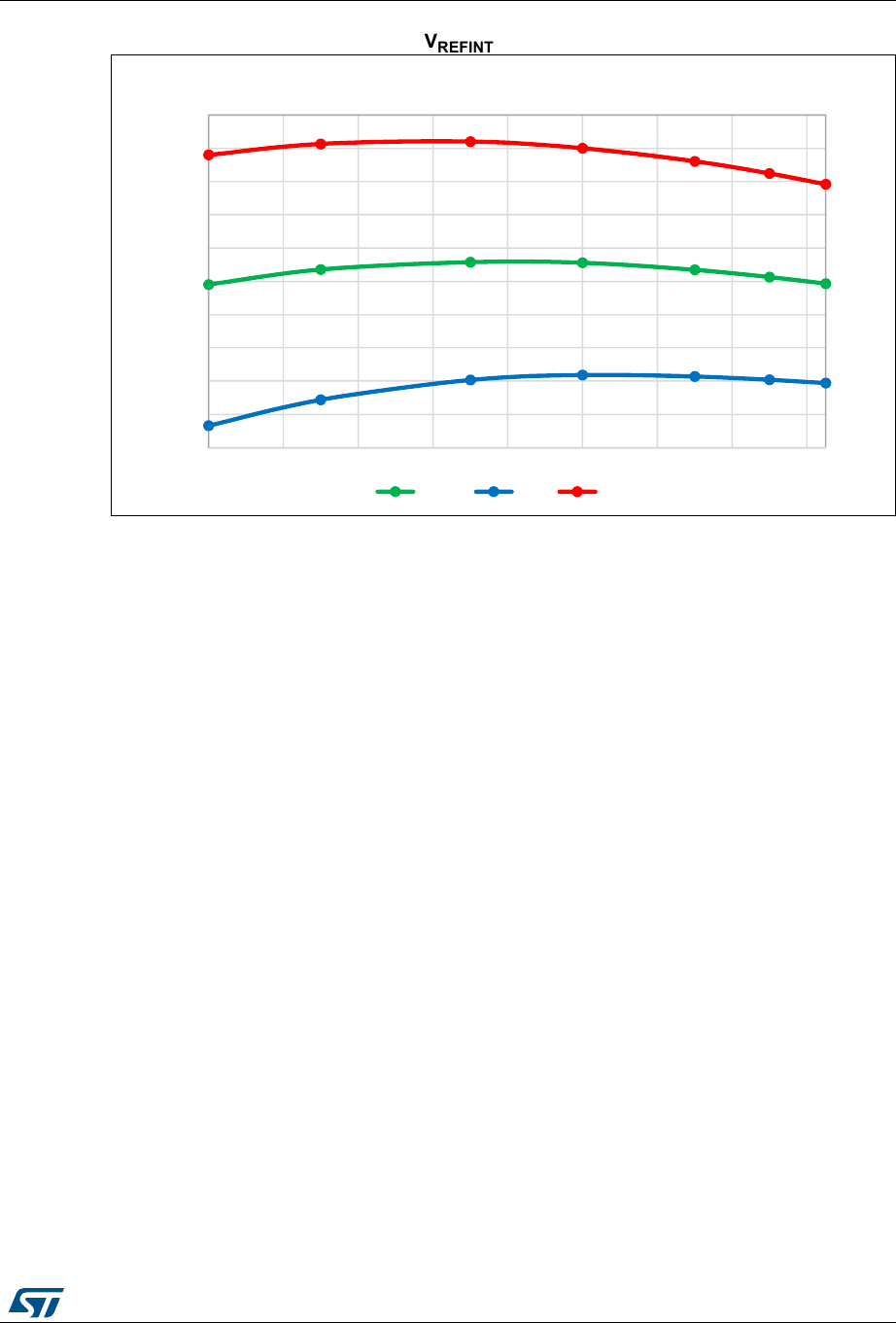
Figure 23. VREFINT versus temperature . . . . . . . . . . . . . . . . . . . . . . . . . . . . . . . . . . . . . . . . . . . . . 127
Figure 24. High-speed external clock source AC timing diagram . . . . . . . . . . . . . . . . . . . . . . . . . . . 157
Figure 25. Low-speed external clock source AC timing diagram. . . . . . . . . . . . . . . . . . . . . . . . . . . . 158
Figure 26. Typical application with an 8 MHz crystal . . . . . . . . . . . . . . . . . . . . . . . . . . . . . . . . . . . . . 160
Figure 27. Typical application with a 32.768 kHz crystal . . . . . . . . . . . . . . . . . . . . . . . . . . . . . . . . . . 161
Figure 28. HSI16 frequency versus temperature . . . . . . . . . . . . . . . . . . . . . . . . . . . . . . . . . . . . . . . . 163
Figure 29. Typical current consumption versus MSI frequency . . . . . . . . . . . . . . . . . . . . . . . . . . . . . 166
Figure 30. HSI48 frequency versus temperature . . . . . . . . . . . . . . . . . . . . . . . . . . . . . . . . . . . . . . . . 168
Figure 31. MIPI D-PHY HS/LP clock lane transition timing diagram . . . . . . . . . . . . . . . . . . . . . . . . . 172
Figure 32. MIPI D-PHY HS/LP data lane transition timing diagram . . . . . . . . . . . . . . . . . . . . . . . . . . 172
Figure 33. I/O input characteristics . . . . . . . . . . . . . . . . . . . . . . . . . . . . . . . . . . . . . . . . . . . . . . . . . . 180
Figure 34. I/O AC characteristics definition(1) . . . . . . . . . . . . . . . . . . . . . . . . . . . . . . . . . . . . . . . . . . 184
Figure 35. Recommended NRST pin protection . . . . . . . . . . . . . . . . . . . . . . . . . . . . . . . . . . . . . . . . 185
Figure 36. ADC accuracy characteristics . . . . . . . . . . . . . . . . . . . . . . . . . . . . . . . . . . . . . . . . . . . . . . 198
Figure 37. Typical connection diagram using the ADC . . . . . . . . . . . . . . . . . . . . . . . . . . . . . . . . . . . 198
Figure 38. 12-bit buffered / non-buffered DAC. . . . . . . . . . . . . . . . . . . . . . . . . . . . . . . . . . . . . . . . . . 201
Figure 39. SPI timing diagram - slave mode and CPHA = 0 . . . . . . . . . . . . . . . . . . . . . . . . . . . . . . . 217
Figure 40. SPI timing diagram - slave mode and CPHA = 1 . . . . . . . . . . . . . . . . . . . . . . . . . . . . . . . 218
Figure 41. SPI timing diagram - master mode . . . . . . . . . . . . . . . . . . . . . . . . . . . . . . . . . . . . . . . . . . 218
Figure 42. SAI master timing waveforms . . . . . . . . . . . . . . . . . . . . . . . . . . . . . . . . . . . . . . . . . . . . . . 221
Figure 43. SAI slave timing waveforms . . . . . . . . . . . . . . . . . . . . . . . . . . . . . . . . . . . . . . . . . . . . . . . 221
Figure 44. USB OTG timings – definition of data signal rise and fall time . . . . . . . . . . . . . . . . . . . . . 223
Figure 45. Asynchronous non-multiplexed SRAM/PSRAM/NOR read waveforms . . . . . . . . . . . . . . 225
Figure 46. Asynchronous non-multiplexed SRAM/PSRAM/NOR write waveforms . . . . . . . . . . . . . . 227
Figure 47. Asynchronous multiplexed PSRAM/NOR read waveforms. . . . . . . . . . . . . . . . . . . . . . . . 228

DS12024 Rev 3 11/277
STM32L4S5xx, STM32L4S7xx and STM32L4S9xx List of figures
11
Figure 48. Asynchronous multiplexed PSRAM/NOR write waveforms . . . . . . . . . . . . . . . . . . . . . . . 230
Figure 49. Synchronous multiplexed NOR/PSRAM read timings . . . . . . . . . . . . . . . . . . . . . . . . . . . 232
Figure 50. Synchronous multiplexed PSRAM write timings. . . . . . . . . . . . . . . . . . . . . . . . . . . . . . . . 234
Figure 51. Synchronous non-multiplexed NOR/PSRAM read timings . . . . . . . . . . . . . . . . . . . . . . . . 236
Figure 52. Synchronous non-multiplexed PSRAM write timings . . . . . . . . . . . . . . . . . . . . . . . . . . . . 237
Figure 53. NAND controller waveforms for read access . . . . . . . . . . . . . . . . . . . . . . . . . . . . . . . . . . 239
Figure 54. NAND controller waveforms for write access . . . . . . . . . . . . . . . . . . . . . . . . . . . . . . . . . . 239
Figure 55. NAND controller waveforms for common memory read access . . . . . . . . . . . . . . . . . . . . 239
Figure 56. NAND controller waveforms for common memory write access. . . . . . . . . . . . . . . . . . . . 240
Figure 57. OctoSPI timing diagram - SDR mode . . . . . . . . . . . . . . . . . . . . . . . . . . . . . . . . . . . . . . . . 245
Figure 58. OctoSPI timing diagram - DDR mode. . . . . . . . . . . . . . . . . . . . . . . . . . . . . . . . . . . . . . . . 245
Figure 59. OctoSPI Hyperbus clock . . . . . . . . . . . . . . . . . . . . . . . . . . . . . . . . . . . . . . . . . . . . . . . . . . 245
Figure 60. OctoSPI Hyperbus read . . . . . . . . . . . . . . . . . . . . . . . . . . . . . . . . . . . . . . . . . . . . . . . . . . 246
Figure 61. OctoSPI Hyperbus read with double latency . . . . . . . . . . . . . . . . . . . . . . . . . . . . . . . . . . 246
Figure 62. OctoSPI Hyperbus write . . . . . . . . . . . . . . . . . . . . . . . . . . . . . . . . . . . . . . . . . . . . . . . . . . 247
Figure 63. DCMI timing diagram . . . . . . . . . . . . . . . . . . . . . . . . . . . . . . . . . . . . . . . . . . . . . . . . . . . . 248
Figure 64. SDIO high-speed mode . . . . . . . . . . . . . . . . . . . . . . . . . . . . . . . . . . . . . . . . . . . . . . . . . . 252
Figure 65. SD default mode . . . . . . . . . . . . . . . . . . . . . . . . . . . . . . . . . . . . . . . . . . . . . . . . . . . . . . . . 252
Figure 66. DDR mode . . . . . . . . . . . . . . . . . . . . . . . . . . . . . . . . . . . . . . . . . . . . . . . . . . . . . . . . . . . . 252
Figure 67. UFBGA169 - 169-ball, 7 x 7 mm, 0.50 mm pitch, ultra fine pitch ball grid
array package outline . . . . . . . . . . . . . . . . . . . . . . . . . . . . . . . . . . . . . . . . . . . . . . . . . . . . 253
Figure 68. UFBGA169 - 169-ball, 7 x 7 mm, 0.50 mm pitch, ultra fine pitch ball grid
array recommended footprint. . . . . . . . . . . . . . . . . . . . . . . . . . . . . . . . . . . . . . . . . . . . . . 254
Figure 69. UFBGA169 marking (package top view) . . . . . . . . . . . . . . . . . . . . . . . . . . . . . . . . . . . . . 255
Figure 70. UFBGA144 - 144-pin, 10 x 10 mm, 0.80 mm pitch, ultra fine pitch ball
grid array package outline . . . . . . . . . . . . . . . . . . . . . . . . . . . . . . . . . . . . . . . . . . . . . . . . 256
Figure 71. UFBGA144 - 144-pin, 10 x 10 mm, 0.80 mm pitch, ultra fine pitch ball
grid array package recommended footprint . . . . . . . . . . . . . . . . . . . . . . . . . . . . . . . . . . . 257
Figure 72. UFBGA144 marking (package top view) . . . . . . . . . . . . . . . . . . . . . . . . . . . . . . . . . . . . . 258
Figure 73. LQFP144 - 144-pin, 20 x 20 mm low-profile quad flat package outline . . . . . . . . . . . . . . 259
Figure 74. LQFP144 - 144-pin,20 x 20 mm low-profile quad flat package
recommended footprint . . . . . . . . . . . . . . . . . . . . . . . . . . . . . . . . . . . . . . . . . . . . . . . . . . . 261
Figure 75. LQFP144 marking (package top view) . . . . . . . . . . . . . . . . . . . . . . . . . . . . . . . . . . . . . . . 262
Figure 76. WLCSP - 144 bump, 5.24x 5.24 mm, 0.40 mm pitch, wafer level chip scale,
package outline. . . . . . . . . . . . . . . . . . . . . . . . . . . . . . . . . . . . . . . . . . . . . . . . . . . . . . . . . 263
Figure 77. WLCSP - 144 bump, 5.24x 5.24 mm, 0.40 mm pitch, wafer level chip scale,
recommended footprint . . . . . . . . . . . . . . . . . . . . . . . . . . . . . . . . . . . . . . . . . . . . . . . . . . . 264
Figure 78. WLCSP144 marking (package top view) . . . . . . . . . . . . . . . . . . . . . . . . . . . . . . . . . . . . . 265
Figure 79. UFBGA132 - 132-ball, 7 x 7 mm ultra thin fine pitch ball grid array
package outline. . . . . . . . . . . . . . . . . . . . . . . . . . . . . . . . . . . . . . . . . . . . . . . . . . . . . . . . . 266
Figure 80. UFBGA132 - 132-ball, 7 x 7 mm ultra thin fine pitch ball grid array
package recommended footprint . . . . . . . . . . . . . . . . . . . . . . . . . . . . . . . . . . . . . . . . . . . 267
Figure 81. UFBGA132 marking (package top view) . . . . . . . . . . . . . . . . . . . . . . . . . . . . . . . . . . . . . 268
Figure 82. LQFP100 - 100-pin, 14 x 14 mm low-profile quad flat package outline . . . . . . . . . . . . . . 269
Figure 83. LQFP100 - 100-pin, 14 x 14 mm low-profile quad flat
recommended footprint . . . . . . . . . . . . . . . . . . . . . . . . . . . . . . . . . . . . . . . . . . . . . . . . . . . 270
Figure 84. LQFP100 marking (package top view) . . . . . . . . . . . . . . . . . . . . . . . . . . . . . . . . . . . . . . . 271
arm
Introduction STM32L4S5xx, STM32L4S7xx and STM32L4S9xx
12/277 DS12024 Rev 3
1 Introduction
This datasheet provides the ordering information and mechanical device characteristics of
the STM32L4Sxxx microcontrollers.
This document should be read in conjunction with the STM32L4Sxxx reference manual
(RM0432). The reference manual is available from the STMicroelectronics website
www.st.com.
For information on the Arm®(a) Cortex®-M4 core, please refer to the Cortex®-M4 Technical
Reference Manual, available from the www.arm.com website.
a. Arm is a registered trademark of Arm Limited (or its subsidiaries) in the US and/or elsewhere.

DS12024 Rev 3 13/277
STM32L4S5xx, STM32L4S7xx and STM32L4S9xx Description
64
2 Description
The STM32L4S5xx, STM32L4S7xx and STM32L4S9xx devices are an ultra-low-power
microcontrollers family (STM32L4+ Series) based on the high-performance
Arm® Cortex®-M4 32-bit RISC core. They operate at a frequency of up to 120 MHz.
The Cortex-M4 core features a single-precision floating-point unit (FPU), which supports all
the Arm® single-precision data-processing instructions and all the data types. The Cortex-
M4 core also implements a full set of DSP (digital signal processing) instructions and a
memory protection unit (MPU) which enhances the application’s security.
These devices embed high-speed memories (2 Mbytes of Flash memory and 640 Kbytes of
SRAM), a flexible external memory controller (FSMC) for static memories (for devices with
packages of 100 pins and more), two OctoSPI Flash memories interface (available on all
packages) and an extensive range of enhanced I/Os and peripherals connected to two APB
buses, two AHB buses and a 32-bit multi-AHB bus matrix.
The STM32L4Sxxx devices embed several protection mechanisms for embedded Flash
memory and SRAM: readout protection, write protection, proprietary code readout
protection and a firewall.
These devices offer a fast 12-bit ADC (5 Msps), two comparators, two operational
amplifiers, two DAC channels, an internal voltage reference buffer, a low-power RTC, two
general-purpose 32-bit timer, two 16-bit PWM timers dedicated to motor control, seven
general-purpose 16-bit timers, and two 16-bit low-power timers. The devices support four
digital filters for external sigma delta modulators (DFSDM). In addition, up to 24 capacitive
sensing channels are available.
They also feature standard and advanced communication interfaces such as:
•Four I2Cs
•Three SPIs
•Three USARTs, two UARTs and one low-power UART
•Two SAIs
•One SDMMC
•One CAN
•One USB OTG full-speed
•Camera interface
•DMA2D controller
The STM32L4S5xx, STM32L4S7xx and STM32L4S9xx devices embed an AES and a
HASH hardware accelerator.
The devices operate in the -40 to +85 °C (+105 °C junction) and -40 to +125 °C (+130 °C
junction) temperature ranges from a 1.71 to 3.6 V power supply. A comprehensive set of
power-saving modes allows the design of low-power applications.
Some independent power supplies are supported like an analog independent supply input
for ADC, DAC, OPAMPs and comparators, a 3.3 V dedicated supply input for USB and up to
14 I/Os, which can be supplied independently down to 1.08 V. A VBAT input allows to
backup the RTC and backup the registers.
The STM32L4Sxxx family offers six packages from 100-pin to 169-pin.

Description STM32L4S5xx, STM32L4S7xx and STM32L4S9xx
14/277 DS12024 Rev 3
Table 2. STM32L4S5xx, STM32L4S7xx and STM32L4S9xx
features and peripheral counts
Peripheral S5VI S7VI S9VI S5QI S5ZI S7ZI S9ZI S5AI S7AI S9AI
Flash memory 2 Mbytes
SRAM
System 640 (192 + 64 + 384) Kbytes
Backup 128 bytes
External memory
controller for static
memories (FSMC)
Yes(1) Yes
OctoSPI 2
Timers
Advanced
control 2 (16-bit)
General
purpose
5 (16-bit)
2 (32-bit)
Basic 2 (16-bit)
Low-power 2 (16-bit)
SysTick timer 1
Watchdog
timers
(independent
, window)
2
Comm.
interface
s
SPI 3
I2C4
USART/UAR
T
UART
LPUART
3
2
1
SAI 2
CAN 1
USB OTG
FS Yes
SDMMC Yes
Digital filters for sigma-
delta modulators Yes (4 filters)
Number of channels 8
RTC Yes
Tamper pins 3
Camera interface Yes
Chrom-ART
Accelerator™Yes
Chrom-GRC™No Yes No Yes No Yes

DS12024 Rev 3 15/277
STM32L4S5xx, STM32L4S7xx and STM32L4S9xx Description
64
LCD - TFT No Yes No Yes No Yes
MIPI DSI Host(2) No Yes No Yes No Yes
Random number
generator Yes
AES + HASH Yes
GPIOs
Wakeup pins
Nb of I/Os down to
1.08 V
83
5
0
77
4
0
110
5
14
115
5
14
112
5
11
140
5
14
131
4
13
Capacitive sensing
Number of channels 21 18 24
12-bit ADCs
Number of channels
1
16 14 16 14
12-bit DAC
Number of channels
2
2
Internal voltage
reference buffer Yes
Analog comparator 2
Operational amplifiers 2
Max. CPU frequency 120 MHz
Operating voltage 1.71 to 3.6 V
Operating temperature Ambient operating temperature: -40 to 85 °C / -40 to 125 °C
Packages LQFP100 UFBGA
132
LQFP
144
WLCS
P144
LQFP
144
LQFP
144,
UFBGA
144
WLCSP
144
UFBGA169
Bootloader USART
1
USART
2
USART
3SPI1 SPI2 I2C1 I2C2 I2C3 CAN1
USB
through
DFU
1. For the LQFP100 package, only FMC bank1 and NAND bank are available. Bank1 can only support a multiplexed
NOR/PSRAM memory using the NE1 chip select.
2. The DSI Host interface is only available on the STM32L4S9xx sales types.
Table 2. STM32L4S5xx, STM32L4S7xx and STM32L4S9xx
features and peripheral counts (continued)
Peripheral S5VI S7VI S9VI S5QI S5ZI S7ZI S9ZI S5AI S7AI S9AI
m:
THI—
Description STM32L4S5xx, STM32L4S7xx and STM32L4S9xx
16/277 DS12024 Rev 3
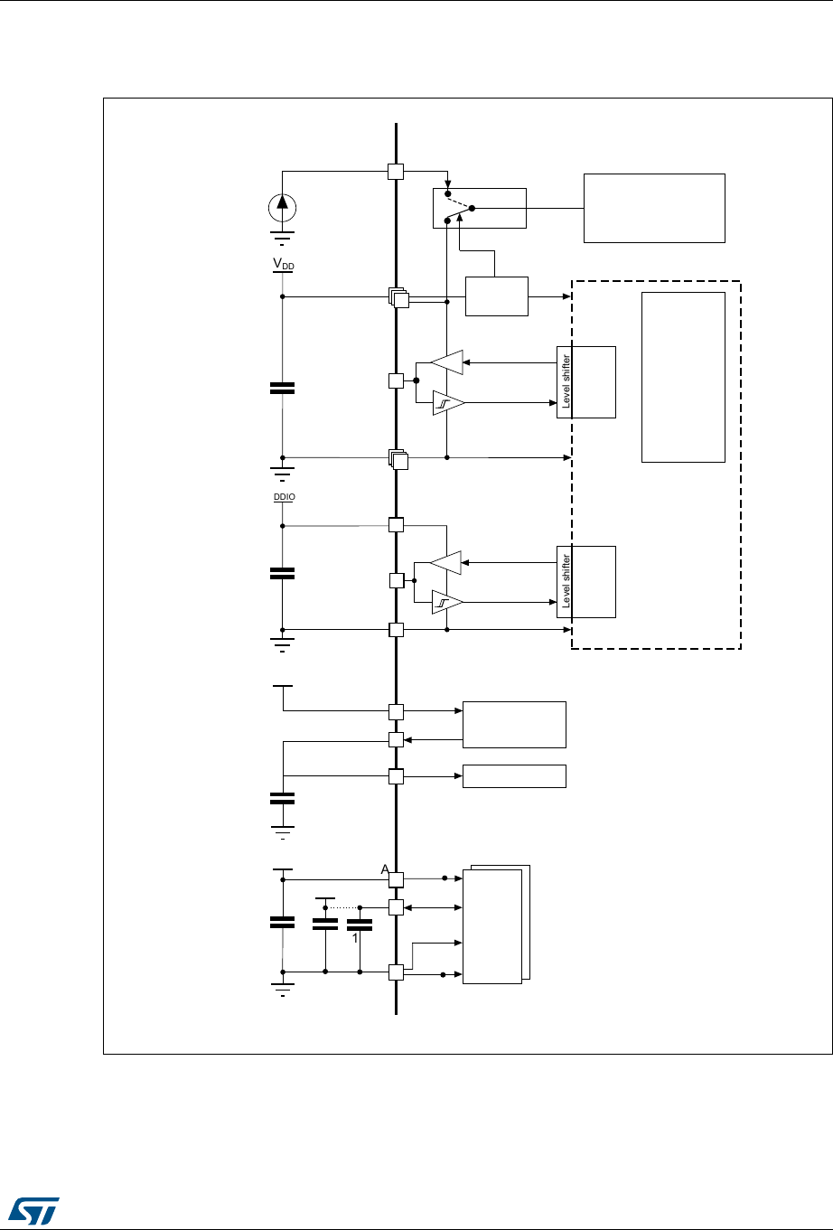
Figure 1. STM32L4S5xx, STM32L4S7xx and STM32L4S9xx block diagram
Note: AF: alternate function on I/O pins.
MSv38487V3
USB
OTG
Flash
up to
2 MB
Flexible static memory controller (FSMC):
SRAM, PSRAM, NOR Flash, NAND Flash
GPIO PORT A
AHB/APB2
EXT IT. WKUP
114 AF
PA[15:0]
TIM1 / PWM
3 compl. channels (TIM1_CH[1:3]N),
4 channels (TIM1_CH[1:4]),
ETR, BKIN, BKIN2 as AF
USART1
RX, TX, CK,CTS,
RTS as AF
SPI1
MOSI, MISO,
SCK, NSS as AF
APB260 M Hz
APB1 30MHz
MOSI, MISO, SCK, NSS as AF
DAC1_OUT
ITF
WWDG
RTC_TS
OSC32_IN
OSC32_OUT
VDDA, VSSA
VDD, VSS, NRST
smcard
irDA
16b
SDIO / MMC
D[7:0]
CMD, CK as AF
VBAT = 1.55 to 3.6 V
SCL, SDA, SMBA as AF
JTAG & SW
ARM Cortex-M4
120 MHz
FPU
NVIC
ETM
MPU
TRACECLK
TRACED[3:0]
DMA2
ART
ACCEL/
CACHE
CLK, NE[4:1], NL, NBL[1:0],
A[25:0], D[15:0], NOE, NWE,
NWAIT, NCE, INT as AF, FRAM
RNG
DP
DM
ID, VBUS, SOF
FIFO
@ VDDA
BOR
Supply
supervision
PVD, PVM
Int
reset
XTAL 32 kHz
MAN AGT
RTC
FCLK
Standby
interface
IWDG
@VBAT
@ VDD
@VDD
AWU
Reset & clock
control
PCLKx
VDD = 1.71 to 3.6 V
VSS
Voltage
regulator
3.3 to 1.2 V
VDD Power management
@ VDD
RTC_TAMPx
Backup register
AHB bus-matrix
TIM15
2 channels,
1 compl. channel, BKIN as AF
DAC1
DAC2
TIM6
TIM7
TIM2
TIM3
TIM4
TIM5
USART2
USART3
I2C1/SMBUS
D-BUS
APB1 120 MHz (max)
SRAM 192 KB
SRAM 64 KB
NJTRST, JTDI,
JTCK/SWCLK
JTDO/SWD, JTDO
I-BUS
S-BUS
DMA1
PB[15:0]
PC[15:0]
PD[15:0]
PE[15:0]
PF[15:0]
PG[15:0]
PH[15:0]
GPIO PORT B
GPIO PORT C
GPIO PORT D
GPIO PORT E
GPIO PORT F
GPIO PORT G
GPIO PORT H
TIM8 / PWM 16b
16b
TIM16 16b
TIM17 16b
3 compl. Channels (TIM1_CH[1:3]N),
4 channels (TIM1_CH[1:4]),
ETR, BKIN, BKIN2 as AF
1 channel,
1 compl. channel, BKIN as AF
1 channel,
1 compl. channel, BKIN as AF
DAC2_OUT
16b
16b
SCL, SDA, SMBA as AF
SCL, SDA, SMBA as AF
MOSI, MISO, SCK, NSS as AF
RX, TX, CTS, RTS as AF
RX, TX, CTS, RTS as AF
RX, TX, CK, CTS, RTS as AF
RX, TX, CK, CTS, RTS as AF
smcard
irDA
smcard
irDA
32b
16b
16b
32b
4 channels, ETR as AF
4 channels, ETR as AF
4 channels, ETR as AF
4 channels, ETR as AF
AHB/APB1
OSC_IN
OSC_OUT
HCLKx
XTAL OSC
4- 16MHz
8 analog inputs common to the ADC
VREF+
USAR T 2MBps
Temperature sensor
SAI1
MCLK_A, SD_A, FS_A, SCK_A, EXTCLK
MCLK_B, SD_B, FS_B, SCK_B as AF
SAI2
MCLK_A, SD_A, FS_A, SCK_A, EXTCLK
MCLK_B, SD_B, FS_B, SCK_B as AF
DFSDM
SDCKIN[7:0], SDDATIN[7:0],
SDCKOUT,SDTRIG as AF
Touch sensing controller
8 Groups of 4 channels max as AF
OUT, INN, INP
LPUART1
LPTIM1
LPTIM2
RX, TX, CTS, RTS as AF
IN1, IN2, OUT, ETR as AF
IN1, OUT, ETR as AF
RC HSI
RC LSI
PLL 1&2&3
MSI
Octo SPI1 memory interface IO[7:0],
CLK, NCS. DQS
@ VDDUSB
COMP1
INP, INN, OUT
COMP2
INP, INN, OUT
@ VDDA
RTC_OUT
VDDIO, VDDUSB
FIFO
PHY
AHB1 120 MHz
CRC
OUT, INN, INP
I2C2/SMBUS
I2C3/SMBUS
OpAmp1
SPI3
SPI2
UART5
UART4
APB2 120MHz
AHB2 120 MHz
OpAmp2
@VDDA
AES
Firewall
VREF Buffer
@ VDDA
@ VDD
HASH
Camera Interface
FIFO
HSYNC, VSYNC,
PIXCLK, D[13:0]
CHROM-ART
DMA2D
FIFO
PI[11:0] GPIO PORT I
FIFO
TX, RX as AF
bxCAN1
SCL, SDA, SMBA as AF
I2C4/SMBUS
Octo SPI2 memory interface
FIFO
LCD - TFT
SRAM 384 KB
ITF
ADC1
@ VDDA
DSI Host
DSI
PHI
DSIHOST_D0 P/N
DSIHOST_D1 P/N
DSIHOST_CK P/N
VDD12DSI, VDDSI, VSSDSI
VCAPDSI
DSIHOST_TE
LCD_R[7:0], LCD_G[7:0], LCD_B[7:0],
LCD_HSYNC, LCD_VSYNC, LCD_DE,
LCD_CLK
CHROM-GRC
(GFXMMU)
FIFO

DS12024 Rev 3 17/277
STM32L4S5xx, STM32L4S7xx and STM32L4S9xx Functional overview
64
3 Functional overview
3.1 Arm® Cortex®-M4 core with FPU
The Arm® Cortex®-M4 with FPU processor is the latest generation of Arm® processors for
embedded systems. It was developed to provide a low-cost platform that meets the needs of
the MCU implementation, with a reduced pin count and with low-power consumption, while
delivering outstanding computational performance and an advanced response to interrupts.
The Arm® Cortex®-M4 with FPU 32-bit RISC processor features an exceptional code-
efficiency, delivering the expected high-performance from an Arm® core in a memory size
usually associated with 8-bit and 16-bit devices.
The processor supports a set of DSP instructions which allows an efficient signal processing
and a complex algorithm execution. Its single precision FPU speeds up the software
development by using metalanguage development tools to avoid saturation.
With its embedded Arm® core, the STM32L4Sxxx family is compatible with all Arm® tools
and software.
Figure 1 shows the general block diagram of the STM32L4Sxxx family devices.
3.2 Adaptive real-time memory accelerator (ART Accelerator™)
The ART Accelerator™ is a memory accelerator that is optimized for the STM32 industry-
standard Arm®Cortex®-M4 processors. It balances the inherent performance advantage of
the Arm® Cortex®-M4 over Flash memory technologies, which normally requires the
processor to wait for the Flash memory at higher frequencies.
To release the processor near 150 DMIPS performance at 120 MHz, the accelerator
implements an instruction prefetch queue and a branch cache, which increases the
program’s execution speed from the Flash memory. Based on CoreMark benchmark, the
performance achieved thanks to the ART accelerator is equivalent to 0 wait state program
execution from the Flash memory at a CPU frequency of up to 120 MHz.
3.3 Memory protection unit
The memory protection unit (MPU) is used to manage the CPU accesses to the memory
and to prevent one task to accidentally corrupt the memory or the resources used by any
other active task. This memory area is organized into up to eight protected areas, which can
be divided in up into eight subareas each. The protection area sizes range between 32
bytes and the whole 4 gigabytes of addressable memory.
The MPU is especially helpful for applications where some critical or certified code has to be
protected against the misbehavior of other tasks. It is usually managed by an RTOS (real-
time operating system). If a program accesses a memory location that is prohibited by the
MPU, the RTOS can detect it and take action. In an RTOS environment, the kernel can
dynamically update the MPU area setting based on the process to be executed.
The MPU is optional and can be bypassed for applications that do not need it.
Functional overview STM32L4S5xx, STM32L4S7xx and STM32L4S9xx
18/277 DS12024 Rev 3
3.4 Embedded Flash memory
The STM32L4Sxxx devices feature 2 Mbytes of embedded Flash memory which is available
for storing programs and data.
The Flash interface features:
– Single or dual bank operating modes
– Read-while-write (RWW) in dual bank mode
This feature allows to perform a read operation from one bank while an erase or program
operation is performed to the other bank. The dual bank boot is also supported. Each bank
contains 256 pages of 4 or 8 Kbytes (depending on the read access width).
Flexible protections can be configured thanks to the option bytes:
•Readout protection (RDP) to protect the whole memory. Three levels of protection are
available:
– Level 0: no readout protection
– Level 1: memory readout protection; the Flash memory cannot be read from or written
to if either the debug features are connected or the boot in RAM or bootloader are
selected
– Level 2: chip readout protection; the debug features (Cortex-M4 JTAG and serial
wire), the boot in RAM and the bootloader selection are disabled (JTAG fuse). This
selection is irreversible.
•Write protection (WRP): the protected area is protected against erasing and
programming:
– In single bank mode, four areas can be selected with 8-Kbyte granularity.
– In dual bank mode, two areas per bank can be selected with 4-Kbyte granularity.
Table 3. Access status versus readout protection level and execution modes
Area Protection
level
User execution Debug, boot from RAM or boot
from system memory (loader)
Read Write Erase Read Write Erase
Main
memory
1 Yes Yes Yes No No No
2 Yes Yes Yes N/A N/A N/A
System
memory
1 Yes No No Yes No No
2 Yes No No N/A N/A N/A
Option
bytes
1 Yes Yes Yes Yes Yes Yes
2 Yes No No N/A N/A N/A
Backup
registers
1YesYesN/A
(1)
1. Erased when RDP change from Level 1 to Level 0.
No No N/A(1)
2 Yes Yes N/A N/A N/A N/A
SRAM2
1 Yes Yes Yes(1) No No No(1)
2 Yes Yes Yes N/A N/A N/A

DS12024 Rev 3 19/277
STM32L4S5xx, STM32L4S7xx and STM32L4S9xx Functional overview
64
•Proprietary code readout protection (PCROP): a part of the Flash memory can be
protected against read and write from third parties. The protected area is execute-only
and it can only be reached by the STM32 CPU as an instruction code, while all other
accesses (DMA, debug and CPU data read, write and erase) are strictly prohibited:
– In single bank mode, two areas can be selected with 128-bit granularity.
– In dual bank mode, one area per bank can be selected with 64-bit granularity.
An additional option bit (PCROP_RDP) allows to select if the PCROP area is erased or
not when the RDP protection is changed from Level 1 to Level 0.
The whole non-volatile memory embeds the error correction code (ECC) feature supporting:
•Single error detection and correction
•Double error detection
•The address of the ECC fail can be read in the ECC register.
3.5 Embedded SRAM
The STM32L4S5xx, STM32L4S7xx and STM32L4S9xx devices feature 640 Kbytes of
embedded SRAM. This SRAM is split into three blocks:
•192 Kbytes mapped at address 0x2000 0000 (SRAM1).
•64 Kbytes located at address 0x1000 0000 with hardware parity check (SRAM2).
This memory is also mapped at address 0x2003 0000 offering a contiguous address
space with the SRAM1.
This block is accessed through the ICode/DCode buses for maximum performance.
These 64 Kbytes SRAM can also be retained in Standby mode.
The SRAM2 can be write-protected with 1 Kbyte granularity.
•384 Kbytes mapped at address 0x2004 0000 - (SRAM3).
The memory can be accessed in read/write at CPU clock speed with 0 wait states.
CORTExl-MA
DMM DMAZ DMAZD LCD-TFT SDMMm GFXMMU
wnh FPU
a bus
S‘bus
GF
pen
pen
‘TTTTTTTTF. 0“
BusMamx-S
Functional overview STM32L4S5xx, STM32L4S7xx and STM32L4S9xx
20/277 DS12024 Rev 3
3.6 Multi-AHB bus matrix
The 32-bit multi-AHB bus matrix interconnects all the masters (CPU, DMAs, DMA2D,
SDMMC1, LCD-TFT and GFXMMU) and the slaves (Flash memory, RAM, FMC, OctoSPI,
AHB and APB peripherals). It also ensures a seamless and efficient operation even when
several high-speed peripherals work simultaneously.
Figure 2. Multi-AHB bus matrix
3.7 Firewall
These devices embed a firewall which protects code sensitive and secure data from any
access performed by a code executed outside of the protected areas.
Each illegal access generates a reset which kills immediately the detected intrusion.
MSv38490V1
CORTEX®-M4
with FPU DMA1 DMA2
FSMC
AHB2
peripherals
AHB1
peripherals
SRAM2
SRAM1
FLASH
2 MB
ACCEL
S-bus
D-bus
ICode
DCode
OCTOSPI2
DMA2D
I-bus
BusMatrix-S
LCD-TFT SDMMC1 GFXMMU
SRAM3
GFXMMU
OCTOSPI1

DS12024 Rev 3 21/277
STM32L4S5xx, STM32L4S7xx and STM32L4S9xx Functional overview
64
The main features of the firewall are the following:
•Three segments can be protected and defined thanks to the firewall registers:
– Code segment (located in Flash or SRAM1 if defined as executable protected
area)
– Non-volatile data segment (located in Flash)
– Volatile data segment (located in SRAM1)
•The start address and the length of each segment are configurable:
– Code segment: up to 2048 Kbytes with granularity of 256 bytes
– Non-volatile data segment: up to 2048 Kbytes with granularity of 256 bytes
– Volatile data segment: up to 192 Kbytes of SRAM1 with a granularity of 64 bytes
•Specific mechanism implemented to open the firewall to get access to the protected
areas (call gate entry sequence)
•Volatile data segment can be shared or not with the non-protected code
•Volatile data segment can be executed or not depending on the firewall configuration
The Flash readout protection must be set to level 2 in order to reach the expected level of
protection.
3.8 Boot modes
At startup, a BOOT0 pin and an nBOOT1 option bit are used to select one of three boot
options:
•Boot from user Flash
•Boot from system memory
•Boot from embedded SRAM
The BOOT0 value may come from the PH3-BOOT0 pin or from an option bit depending on
the value of a user option bit to free the GPIO pad if needed.
A Flash empty-check mechanism is implemented to force the boot from system Flash if the
first Flash memory location is not programmed and if the boot selection is configured to boot
from main Flash.
The boot loader is located in the system memory. It is used to reprogram the Flash memory
by using USART, I2C, SPI, CAN or USB OTG FS in device mode through the DFU (device
firmware upgrade).
3.9 Cyclic redundancy check calculation unit (CRC)
The CRC (cyclic redundancy check) calculation unit is used to get a CRC code using a
configurable generator with polynomial value and size.
Among other applications, the CRC-based techniques are used to verify data transmission
or storage integrity. In the scope of the EN/IEC 60335-1 standard, they offer a mean to verify
the Flash memory integrity.
The CRC calculation unit helps to compute a signature of the software during runtime, which
can be ulteriorly compared with a reference signature generated at link-time and which can
be stored at a given memory location.

Functional overview STM32L4S5xx, STM32L4S7xx and STM32L4S9xx
22/277 DS12024 Rev 3
3.10 Power supply management
3.10.1 Power supply schemes
The STM32L4x devices require a 1.71 V to 3.6 V VDD operating voltage supply. Several
independent supplies can be provided for specific peripherals:
•VDD = 1.71 V to 3.6 V
VDD is the external power supply for the I/Os, the internal regulator and the system
analog such as reset, power management and internal clocks. It is provided externally
through the VDD pins.
•
VDDA = 1.62 V (ADCs/COMPs) / 1.8 V (DACs/OPAMPs) to 2.4 V (VREFBUF) to 3.6 V
VDDA is the external analog power supply for A/D converters, D/A converters, voltage
reference buffer, operational amplifiers and comparators. The VDDA voltage level is
independent from the VDD voltage and should preferably be connected to VDD when
these peripherals are not used.
•VDDUSB = 3.0 V to 3.6 V
VDDUSB is the external independent power supply for USB transceivers. The
VDDUSB voltage level is independent from the VDD voltage and should preferably be
connected to VDD when the USB is not used.
•VDDIO2 = 1.08 V to 3.6 V
•VDDIO2 is the external power supply for 14 I/Os (port G[15:2]). The VDDIO2 voltage
level is independent from the VDD voltage and should preferably be connected to VDD
when PG[15:2] are not used.
•VDDDSI is an independent DSI power supply dedicated for is used to supply the DSI
regulator and MIPI D-PHY. This supply must be connected to the global VDD.
•VCAPDSI pin is the output of DSI regulator (1.2 V) which must be connected externally
to VDD12DSI.
•VDD12DSI pin is used to supply the MIPI D-PHY, and to supply clock and data lanes
pins. An external capacitor of 2.2 uF must be connected on the VDD12DSI pin.
•VBAT = 1.55 V to 3.6 V
VBAT is the power supply for RTC, external clock 32 kHz oscillator and backup registers
(through power switch) when VDD is not present.
•VREF-, VREF+
VREF+ is the input reference voltage for ADCs and DACs. It is also the output of the
internal voltage reference buffer when enabled.
When VDDA < 2 V VREF+ must be equal to VDDA.
When VDDA 2 V VREF+ must be between 2 V and VDDA.
VREF+ can be grounded when ADC and DAC are not active.
The internal voltage reference buffer supports two output voltages, which are
configured with VRS bit in the VREFBUF_CSR register:
–V
REF+ around 2.048 V. This requires VDDA equal to or higher than 2.4 V.
–V
REF+ around 2.5 V. This requires VDDA equal to or higher than 2.8 V.
VREF- and VREF+ pins are not available on all packages. When not available, they are
bonded to VSSA and VDDA, respectively.
When the VREF+ is double-bonded with VDDA in a package, the internal voltage
reference buffer is not available and must be kept disable (refer to datasheet for
}¥
DS12024 Rev 3 23/277
STM32L4S5xx, STM32L4S7xx and STM32L4S9xx Functional overview
64
packages pinout description).
VREF- must always be equal to VSSA.
An embedded linear voltage-regulator is used to supply the internal digital power VCORE.
VCORE is the power supply for digital peripherals, SRAM1, SRAM2 and SRAM3. The Flash
is supplied by VCORE and VDD.
Figure 3. STM32L4S5xx and STM32L4S7xx power supply overview
MSv38489V1
VDDA domain
Backup domain
Standby circuitry
(Wakeup logic,
IWDG)
Voltage regulator
Low voltage detector
LSE crystal 32 K osc
BKP registers
RCC BDCR register
RTC
I/O ring
VCORE domain
Temp. sensor
Reset block
3 x PLL, HSI, MSI
Flash memory
USB transceivers
VDDUSB
VDDIO2
VDDIO1
I/O ring
PG[15:2]
VDDIO2
VDDA
VSSA
VSS
VSS
VDDIO2 domain
VDD domain
VCORE
VSS
VDD
VBAT
Core
SRAM1
SRAM2
SRAM3
Digital
peripherals
2 x D/A converters
3 x A/D converters
2 x comparators
2 x operational amplifiers
Voltage reference buffer
]‘¥
Functional overview STM32L4S5xx, STM32L4S7xx and STM32L4S9xx
24/277 DS12024 Rev 3
Figure 4. STM32L4S9xx power supply overview
During power-up and power-down phases, the following power sequence requirements
must be respected:
•When VDD is below 1 V, other power supplies (VDDA, VDDIO2, VDDUSB and VLCD) must
remain below VDD +300 mV.
•When VDD is above 1 V, all power supplies are independent.
•During the power-down phase, VDD can temporarily become lower than other supplies
only if the energy provided to the MCU remains below 1 mJ; this allows external
decoupling capacitors to be discharged with different time constants during the power-
down transient phase.
MSv38488V1
VDDA domain
Backup domain
2 x D/A converters
3 x A/D converters
Standby circuitry
(Wakeup logic,
IWDG)
Voltage regulator
Low voltage detector
LSE crystal 32 K osc
BKP registers
RCC BDCR register
RTC
2 x comparators
2 x operational amplifiers
Voltage reference buffer
I/O ring
VCORE domain
Temp. sensor
Reset block
3 x PLL, HSI, MSI
Flash memory
DSI PHY
VDD12DSI
USB transceivers
VDDUSB
VDDIO2
VDDIO1
I/O ring
PG[15:2]
VDDIO2
VDDA
VSSA
VSS
VSS
VDDIO2 domain
VDD domain
VCORE
VSS
VDD
VBAT
DSI
voltage regulator
VCAPDSI
VDDDSI
Core
SRAM1
SRAM2
SRAM3
Digital
peripherals
,,,,,,,4, , ,,,,,,,,,,,,,,,,,,,,,,,,,
DS12024 Rev 3 25/277
STM32L4S5xx, STM32L4S7xx and STM32L4S9xx Functional overview
64
Figure 5. Power-up/down sequence
1. VDDX refers to any power supply among VDDA, VDDIO2, VDDUSB and VLCD.
3.10.2 Power supply supervisor
The STM32L4S5xx, STM32L4S7xx and STM32L4S9xx devices have an integrated ultra-
low-power Brownout reset (BOR) active in all modes (except for Shutdown mode). The BOR
ensures proper operation of the devices after power-on and during power-down. The
devices remain in reset mode when the monitored supply voltage VDD is below a specified
threshold, without the need for an external reset circuit.
The lowest BOR level is 1.71 V at power on, and other higher thresholds can be selected
through option bytes.The devices feature an embedded programmable voltage detector
(PVD) that monitors the VDD power supply and compares it to the VPVD threshold.
An interrupt can be generated when VDD drops below the VPVD threshold and/or when VDD
is higher than the VPVD threshold. The interrupt service routine can then generate a
warning message and/or put the MCU into a safe state. The PVD is enabled by software.
In addition, the devices embed a peripheral voltage monitor which compares the
independent supply voltages VDDA, VDDUSB, VDDIO2 with a fixed threshold in order to ensure
that the peripheral is in its functional supply range.
3.10.3 Voltage regulator
Two embedded linear voltage regulators supply most of the digital circuitries: the main
regulator (MR) and the low-power regulator (LPR).
•The MR is used in the Run and Sleep modes and in the Stop 0 mode.
•The LPR is used in Low-power run, Low-power sleep, Stop 1 and Stop 2 modes. It is
also used to supply the 64 Kbytes SRAM2 in standby with RAM2 retention.
•Both regulators are in power-down while they are in standby and Shutdown modes: the
regulator output is in high impedance, and the kernel circuitry is powered down thus
inducing zero consumption.
MSv47490V1
0.3
1
VBOR0
3.6
Operating modePower-on Power-down time
V
VDDX(1)
VDD
Invalid supply area VDDX < VDD + 300 mV VDDX independent from VDD

Functional overview STM32L4S5xx, STM32L4S7xx and STM32L4S9xx
26/277 DS12024 Rev 3
The ultra-low-power STM32L4Sxxx devices support dynamic voltage scaling to optimize its
power consumption in Run mode. The voltage from the main regulator that supplies the
logic (VCORE) can be adjusted according to the system’s maximum operating frequency.
The main regulator operates in the following ranges:
•Range 1 boost mode with the CPU running at up to 120 MHz.
•Range 1 normal mode with the CPU running at up to 80 MHz.
•Range 2 with a maximum CPU frequency of 26 MHz. All peripheral clocks are also
limited to 26 MHz.
The VCORE can be supplied by the low-power regulator, the main regulator being switched
off. The system is then in Low-power run mode.
•Low-power run mode with the CPU running at up to 2 MHz. Peripherals with
independent clock can be clocked by the HSI16.
Note: The USB and DSIHOST can only be used when the main regulator is in range1 boost mode.

STM32L4S5xx, STM32L4S7xx and STM32L4S9xx Functional overview
DS12024 Rev 3 27/277
3.10.4 Low-power modes
The ultra-low-power STM32L4Sxxx devices support seven low-power modes to achieve the best compromise between low-power
consumption, short startup time, available peripherals and available wake-up sources. Table 4 shows the related STM32L4Sxxx
modes overview.
Table 4. STM32L4S5xx modes overview
Mode Regulator(1) CPU Flash SRAM Clocks DMA & Peripherals(2) Wakeup source
Run
Range 1
Yes ON (3) ON Any
All
N/A
Range2 All except
OTG_FS, RNG, LCD-TFT
LPRun LPR Yes ON(3) ON Any except
PLL
All except
OTG_FS, RNG, LCD-TFT N/A
Sleep
Range 1
No ON(3) ON(4) Any
All
Any interrupt or event
Range 2 All except
OTG_FS, RNG, LCD-TFT
LPSleep LPR No ON(3) ON(4) Any
except PLL All except OTG_FS, RNG, LCD-TFT Any interrupt or event
Stop 0
Range 1
No Off ON LSE
LSI
BOR, PVD, PVM
RTC, IWDG
COMPx (x=1,2)
DACx (x=1,2)
OPAMPx (x=1,2)
USARTx (x=1...5)(5)
LPUART1(5)
I2Cx (x=1...4)(6)
LPTIMx (x=1,2)
***
All other peripherals are frozen
Reset pin, all I/Os
BOR, PVD, PVM
RTC, IWDG
COMPx (x=1..2)
USARTx (x=1...5)(5)
LPUART1(5)
I2Cx (x=1...4)(6)
LPTIMx (x=1,2)
OTG_FS(7)
Range 2

Functional overview STM32L4S5xx, STM32L4S7xx and STM32L4S9xx
28/277 DS12024 Rev 3
Stop 1 LPR No Off ON LSE
LSI
BOR, PVD, PVM
RTC, IWDG
COMPx (x=1,2)
DACx (x=1,2)
OPAMPx (x=1,2)
USARTx (x=1...5)(5)
LPUART1(5)
I2Cx (x=1...4)(6)
LPTIMx (x=1,2)
***
All other peripherals are frozen
Reset pin, all I/Os
BOR, PVD, PVM
RTC, IWDG
COMPx (x=1..2)
USARTx (x=1...5)(5)
LPUART1(5)
I2Cx (x=1...4)(6)
LPTIMx (x=1,2)
OTG_FS(7)
Stop 2 LPR No Off ON LSE
LSI
BOR, PVD, PVM
RTC, IWDG
COMPx (x=1..2)
I2C3(6)
LPUART1(5)
LPTIM1
***
All other peripherals are frozen
Reset pin, all I/Os
BOR, PVD, PVM
RTC, IWDG
COMPx (x=1..2)
I2C3(6)
LPUART1(5)
LPTIM1
Standby
LPR
Powered
Off Off
SRAM2 ON
LSE
LSI
BOR, RTC, IWDG
***
All other peripherals are powered off
***
I/O configuration can be floating, pull-
up or pull-down
Reset pin
5 I/Os (WKUPx)(8)
BOR, RTC, IWDG
OFF Powered
Off
Shutdown OFF Powered
Off Off Powered
Off LSE
RTC
***
All other peripherals are powered off
***
I/O configuration can be floating, pull-
up or pull-down(9)
Reset pin
5 I/Os (WKUPx)(8)
RTC
Table 4. STM32L4S5xx modes overview (continued)
Mode Regulator(1) CPU Flash SRAM Clocks DMA & Peripherals(2) Wakeup source

STM32L4S5xx, STM32L4S7xx and STM32L4S9xx Functional overview
DS12024 Rev 3 29/277
1. LPR means Main regulator is OFF and Low-power regulator is ON.
2. All peripherals can be active or clock gated to save power consumption.
3. The Flash memory can be put in power-down and its clock can be gated off when executing from SRAM.
4. The SRAM1, SRAM2 and SRAM3 clocks can be gated on or off independently.
5. U(S)ART and LPUART reception is functional in Stop mode, and generates a wakeup interrupt on Start, address match or received frame event.
6. I2C address detection is functional in Stop mode, and generates a wakeup interrupt in case of address match.
7. OTG_FS wakeup by resume from suspend and attach detection protocol event.
8. The I/Os with wakeup from Standby/Shutdown capability are: PA0, PC13, PE6, PA2, PC5.
9. I/Os can be configured with internal pull-up, pull-down or floating in Shutdown mode but the configuration is lost when exiting the Shutdown mode.

Functional overview STM32L4S5xx, STM32L4S7xx and STM32L4S9xx
30/277 DS12024 Rev 3
By default, the microcontroller is in Run mode after a system or a power reset. It is up to the
user to select one of the low-power modes described below:
•Sleep mode
In Sleep mode, only the CPU is stopped. All peripherals continue to operate and can
wake up the CPU when an interrupt/event occurs.
•Low-power run mode
This mode is achieved with VCORE supplied by the low-power regulator to minimize
the regulator's operating current. The code can be executed from SRAM or from Flash,
and the CPU frequency is limited to 2 MHz. The peripherals with independent clock can
be clocked by HSI16.
•Low-power sleep mode
This mode is entered from the Low-power run mode. Only the CPU clock is stopped.
When wakeup is triggered by an event or an interrupt, the system reverts to the Low-
power run mode.
•Stop 0, Stop 1 and Stop 2 modes
Stop mode achieves the lowest power consumption while retaining the content of
SRAM and registers. All clocks in the VCORE domain are stopped, the PLL, the MSI
RC, the HSI16 RC and the HSE crystal oscillators are disabled. The LSE or LSI is still
running.
The RTC can remain active (Stop mode with RTC, Stop mode without RTC).
Some peripherals with wake-up capability can enable the HSI16 RC during Stop mode
to detect their wake-up condition.
Three Stop modes are available: Stop 0, Stop 1 and Stop 2 modes. In Stop 2 mode,
most of the VCORE domain is put in a lower leakage mode.
Stop 1 offers the largest number of active peripherals and wakeup sources, a smaller
wakeup time but a higher consumption than Stop 2. In Stop 0 mode, the main regulator
remains ON, allowing a very fast wakeup time but with much higher consumption.
The system clock when exiting from Stop 0, Stop 1 or Stop 2 modes can be either MSI
up to 48 MHz or HSI16, depending on software configuration.
•Standby mode
The Standby mode is used to achieve the lowest power consumption with BOR. The
internal regulator is switched off so that the VCORE domain is powered off. The PLL,
the MSI RC, the HSI16 RC and the HSE crystal oscillators are also switched off.
The RTC can remain active (Standby mode with RTC, Standby mode without RTC).
The Brownout reset (BOR) always remains active in Standby mode.
The state of each I/O during Standby mode can be selected by software: I/O with
internal pull-up, internal pull-down or floating.
After entering Standby mode, SRAM1, SRAM3 and register contents are lost except for
registers in the Backup domain and Standby circuitry. Optionally, SRAM2 can be

DS12024 Rev 3 31/277
STM32L4S5xx, STM32L4S7xx and STM32L4S9xx Functional overview
64
retained in Standby mode, supplied by the low-power regulator (standby with RAM2
retention mode).
The device exits Standby mode when an external reset (NRST pin), an IWDG reset,
WKUP pin event (configurable rising or falling edge), or an RTC event occurs (alarm,
periodic wakeup, timestamp, tamper) or a failure is detected on LSE (CSS on LSE).
The system clock after wakeup is MSI up to 8 MHz.
•Shutdown mode
The Shutdown mode allows to achieve the lowest power consumption. The internal
regulator is switched off so that the VCORE domain is powered off. The PLL, the
HSI16, the MSI, the LSI and the HSE oscillators are also switched off.
The RTC can remain active (Shutdown mode with RTC, Shutdown mode without RTC).
The BOR is not available in Shutdown mode. No power voltage monitoring is possible
in this mode, therefore the switch to Backup domain is not supported.
SRAM1, SRAM2, SRAM3 and register contents are lost except for registers in the
Backup domain.
The device exits Shutdown mode when an external reset (NRST pin), a WKUP pin
event (configurable rising or falling edge), or an RTC event occurs (alarm, periodic
wakeup, timestamp, tamper).
The system clock after wakeup is MSI at 4 MHz.

Functional overview STM32L4S5xx, STM32L4S7xx and STM32L4S9xx
32/277 DS12024 Rev 3
Table 5. Functionalities depending on the working mode(1)
Peripheral Run Sleep
Low-
power
run
Low-
power
sleep
Stop 0/1 Stop 2 Standby Shutdown
VBAT
-
Wakeup capability
-
Wakeup capability
-
Wakeup capability
-
Wakeup capability
CPU Y - Y - - --------
Flash memory
(2 Mbytes) O(2) O(2) O(2) O(2) ---------
SRAM1
(192 Kbytes) YY
(3) YY
(3) Y-Y------
SRAM2 (64 Kbytes) Y Y(3) YY
(3) Y-Y-O
(4) ----
SRAM3
(384 Kbytes) YY
(3) YY
(3) Y-Y
(3) ------
FSMC OOOO---------
OctoSPIs O O O O - --------
Backup Registers Y Y Y Y Y -Y-Y-Y-Y
Brownout reset
(BOR) YYYYYYYYYY- --
Programmable
Voltage Detector
(PVD)
OOOOOOOO- ----
Peripheral Voltage
Monitor (PVMx;
x=1,2,3,4)
OOOOO
OOO- ----
DMA OOOO-
--------
DMA2D OOOO-
--------
High speed internal
(HSI16) OOOO
(5) -(5) ------
Oscillator HSI48 O O - - - --------
High speed external
(HSE) OOOO-
--------
Low speed internal
(LSI) OOOOO
-O-O----
Low speed external
(LSE) OOOOO
-O-O-O-O
Multi speed internal
(MSI) OOOO-
--------
Clock security
system (CSS) OOOO-
--------

DS12024 Rev 3 33/277
STM32L4S5xx, STM32L4S7xx and STM32L4S9xx Functional overview
64
Clock security
system on LSE OOOOO
OOOOO- --
RTC / Auto wakeup O O O O O OOOOOOOO
Number of RTC
Tamper pins 33333O3O3O3O3
Camera interface O O O O - --------
LCD-TFT O O - - - --------
GFXMMU OOOO-
--------
DSIHOST O O - - - --------
USB OTG FS O(8) O(8) ---O- ------
USARTx
(x=1,2,3,4,5) OOOOO
(6) O(6) -------
Low-power UART
(LPUART) OOOOO
(6) O(6) O(6) O(6) -----
I2Cx (x=1,2,4) O O O O O(7) O(7) -------
I2C3 OOOOO
(7) O(7) O(7) O(7) -----
SPIx (x=1,2,3) O O O O - --------
CAN(x=1,2) O O O O - --------
SDMMC1 OOOO-
--------
SAIx (x=1,2) O O O O - --------
DFSDM1 OOOO-
--------
ADC OOOO-
--------
DACx (x=1,2) O O O O O --------
VREFBUF O O O O O --------
OPAMPx (x=1,2) O O O O O --------
COMPx (x=1,2) OOOOO
OOO- ----
Temperature sensor O O O O - --------
Timers (TIMx) O O O O - --------
Low-power timer 1
(LPTIM1) OOOOO
OOO- ----
Low-power timer 2
(LPTIM2) OOOOO
O- ------
Table 5. Functionalities depending on the working mode(1) (continued)
Peripheral Run Sleep
Low-
power
run
Low-
power
sleep
Stop 0/1 Stop 2 Standby Shutdown
VBAT
-
Wakeup capability
-
Wakeup capability
-
Wakeup capability
-
Wakeup capability

Functional overview STM32L4S5xx, STM32L4S7xx and STM32L4S9xx
34/277 DS12024 Rev 3
Independent
watchdog (IWDG) OOOOO
OOOOO- --
Window watchdog
(WWDG) OOOO-
--------
SysTick timer O O O O - --------
Touch sensing
controller (TSC) OOOO-
--------
Random number
generator (RNG) O(8) O(8) -----------
AES hardware
accelerator OOOO-
--------
HASH hardware
accelerator OOOO-
--------
CRC calculation
unit OOOO-
--------
GPIOs OOOOOOOO(9)
5
pins
(10)
(11)
5
pins
(10)
-
1. Legend: Y = yes (enable). O = optional (disable by default, can be enabled by software). - = not available.
Gray cells highlight the wakeup capability in each mode.
2. The Flash can be configured in power-down mode. By default, it is not in power-down mode.
3. The SRAM clock can be gated on or off. In Stop 2 mode, the content of SRAM3 is preserved or not depending on the
RRSTP bit in PWR_CR1 register.
4. SRAM2 content is preserved when the bit RRS is set in PWR_CR3 register.
5. Some peripherals with wakeup from Stop capability can request HSI16 to be enabled. In this case, HSI16 is woken up by
the peripheral, and only feeds the peripheral which requested it. HSI16 is automatically put off when the peripheral does not
need it anymore.
6. UART and LPUART reception is functional in Stop mode, and generates a wakeup interrupt on Start, address match or
received frame event.
7. I2C address detection is functional in Stop mode, and generates a wakeup interrupt in case of address match.
8. Voltage scaling range 1 only.
9. I/Os can be configured with internal pull-up, pull-down or floating in Standby mode.
10. The I/Os with wakeup from standby/shutdown capability are: PA0, PC13, PE6, PA2, PC5.
11. I/Os can be configured with internal pull-up, pull-down or floating in Shutdown mode but the configuration is lost when
exiting the Shutdown mode.
Table 5. Functionalities depending on the working mode(1) (continued)
Peripheral Run Sleep
Low-
power
run
Low-
power
sleep
Stop 0/1 Stop 2 Standby Shutdown
VBAT
-
Wakeup capability
-
Wakeup capability
-
Wakeup capability
-
Wakeup capability

DS12024 Rev 3 35/277
STM32L4S5xx, STM32L4S7xx and STM32L4S9xx Functional overview
64
3.10.5 Reset mode
In order to improve the consumption under reset, the I/Os state under and after reset is
“analog state” (the I/O schmitt trigger is disable). In addition, the internal reset pull-up is
deactivated when the reset source is internal.
3.10.6 VBAT operation
The VBAT pin allows to power the device VBAT domain from an external battery, an external
supercapacitor, or from VDD when there is no external battery and when an external
supercapacitor is present. The VBAT pin supplies the RTC with LSE and the backup
registers. Three anti-tamper detection pins are available in VBAT mode.
The VBAT operation is automatically activated when VDD is not present. An internal VBAT
battery charging circuit is embedded and can be activated when VDD is present.
Note: When the microcontroller is supplied from VBAT, neither external interrupts nor RTC
alarm/events exit the microcontroller from the VBAT operation.
3.11 Interconnect matrix
Several peripherals have direct connections between them, which allow autonomous
communication between them and support the saving of CPU resources (thus power supply
consumption). In addition, these hardware connections allow fast and predictable latency.
Depending on the peripherals, these interconnections can operate in Run, Sleep, Low-
power run and Sleep, Stop 0, Stop 1 and Stop 2 modes. See Table 6 for more details.
Table 6. STM32L4S5xx, STM32L4S7xx and STM32L4S9xx
peripherals interconnect matrix
Interconnect source Interconnect
destination Interconnect action
Run
Sleep
Low-power run
Low-power sleep
Stop 0 / Stop 1
Stop 2
TIMx
TIMx Timers synchronization or chaining Y Y Y Y - -
ADC
DACx
DFSDM1
Conversion triggers Y Y Y Y - -
DMA Memory to memory transfer trigger Y Y Y Y - -
COMPx Comparator output blanking Y Y Y Y - -
COMPx
TIM1, 8
TIM2, 3
Timer input channel, trigger, break from
analog signals comparison YYYY - -
LPTIMERx Low-power timer triggered by analog
signals comparison YYYYYY
(1)
ADCx TIM1, 8 Timer triggered by analog watchdog Y Y Y Y - -

Functional overview STM32L4S5xx, STM32L4S7xx and STM32L4S9xx
36/277 DS12024 Rev 3
RTC
TIM16 Timer input channel from RTC events Y Y Y Y - -
LPTIMERx Low-power timer triggered by RTC alarms
or tampers YYYYYY
(1)
All clocks sources (internal
and external)
TIM2
TIM15, 16, 17
Clock source used as input channel for
RC measurement and trimming YYYY - -
USB TIM2 Timer triggered by USB SOF Y Y - - - -
CSS
CPU (hard fault)
RAM (parity error)
Flash memory (ECC error)
COMPx
PVD
DFSDM1 (analog
watchdog, short circuit
detection)
TIM1,8
TIM15,16,17 Timer break Y Y Y Y - -
GPIO
TIMx External trigger Y Y Y Y - -
LPTIMERx External trigger Y Y Y Y Y Y
(1)
ADC
DACx
DFSDM1
Conversion external trigger Y Y Y Y - -
1. LPTIM1 only.
Table 6. STM32L4S5xx, STM32L4S7xx and STM32L4S9xx
peripherals interconnect matrix (continued)
Interconnect source Interconnect
destination Interconnect action
Run
Sleep
Low-power run
Low-power sleep
Stop 0 / Stop 1
Stop 2

DS12024 Rev 3 37/277
STM32L4S5xx, STM32L4S7xx and STM32L4S9xx Functional overview
64
3.12 Clocks and startup
The clock controller (see Figure 6) distributes the clocks coming from the different
oscillators to the core and to the peripherals. It also manages the clock gating for low-power
modes and ensures the clock robustness. It features:
•Clock prescaler: to get the best trade-off between speed and current consumption,
the clock frequency to the CPU and peripherals can be adjusted by a programmable
prescaler.
•Safe clock switching: clock sources can be changed safely on the fly in Run mode
through a configuration register.
•Clock management: to reduce the power consumption, the clock controller can stop
the clock to the core, individual peripherals or memory.
•System clock source: four different clock sources can be used to drive the master
clock SYSCLK:
– 4 to 48 MHz high-speed external crystal or ceramic resonator (HSE), that can
supply a PLL. The HSE can also be configured in bypass mode for an external
clock.
– 16 MHz high-speed internal RC oscillator (HSI16), trimmable by software, that can
supply a PLL
– Multispeed internal RC oscillator (MSI), trimmable by software, able to generate
12 frequencies from 100 kHz to 48 MHz. When a 32.768 kHz clock source is
available in the system (LSE), the MSI frequency can be automatically trimmed by
hardware to reach better than ±0.25% accuracy. In this mode the MSI can feed the
USB device, saving the need of an external high-speed crystal (HSE). The MSI
can supply a PLL.
– System PLL which can be fed by HSE, HSI16 or MSI, with a maximum frequency
at 120 MHz.
•RC48 with clock recovery system (HSI48): internal 48 MHz clock source (HSI48)can
be used to drive the USB, the SDMMC or the RNG peripherals. This clock can be
output on the MCO.
•Auxiliary clock source: two ultra-low-power clock sources that can be used to drive
the real-time clock:
– 32.768 kHz low-speed external crystal (LSE), supporting four drive capability
modes. The LSE can also be configured in bypass mode for an external clock.
– 32 kHz low-speed internal RC (LSI), also used to drive the independent watchdog.
The LSI clock accuracy is ±5% accuracy.
•Peripheral clock sources: several peripherals (USB, SDMMC, RNG, SAI, USARTs,
I2Cs, LPTimers, ADC) have their own independent clock whatever the system clock.
Three PLLs, each having three independent outputs allowing the highest flexibility, can
generate independent clocks for the ADC, the USB/SDMMC/RNG, the two SAIs, LCD-
TFT and DSI-HOST. When using DSI-HOST peripheral, the high-speed external crystal
(HSE) must be available.
•Startup clock: after reset, the microcontroller restarts by default with an internal 4 MHz
clock (MSI). The prescaler ratio and clock source can be changed by the application
program as soon as the code execution starts.
•Clock security system (CSS): this feature can be enabled by software. If a HSE clock
failure occurs, the master clock is automatically switched to HSI16 and a software

Functional overview STM32L4S5xx, STM32L4S7xx and STM32L4S9xx
38/277 DS12024 Rev 3
interrupt is generated if enabled. LSE failure can also be detected and generated an
interrupt.
•Clock-out capability:
–MCO (microcontroller clock output): it outputs one of the internal clocks for
external use by the application
–LSCO (low-speed clock output): it outputs LSI or LSE in all low-power modes
(except VBAT).
Several prescalers allow to configure the AHB frequency, the high speed APB (APB2) and
the low-speed APB (APB1) domains. The maximum frequency of the AHB and the APB
domains is 120 MHz.
svscLK
DS12024 Rev 3 39/277
STM32L4S5xx, STM32L4S7xx and STM32L4S9xx Functional overview
64
Figure 6. Clock tree
MSv38434V7
SYSCLK
MCO
LSCO
PLL
SAI2_EXTCLK
48 MHz clock to USB, RNG
to ADC
to IWDG
to RTC
to PWR
HCLK
to AHB bus, core, memory and DMA
FCLK Cortex free running clock
to Cortex system timer
to APB1 peripherals
to APB2 peripherals
PCLK1
PCLK2
to SAI1
to SAI2
LSE
HSI16
SYSCLK to USARTx
X=2..5
to LPUART1
to I2Cx
x=1,2,3,4
to LPTIMx
x=1,2
SAI1_EXTCLK
to TIMx
x=2..7
OSC32_OUT
OSC32_IN
MSI
HSI16
HSE
HSE
MSI
HSI16
MSI
SYSCLK
LSE OSC
32.768 kHz /32
AHB PRESC
/ 1,2,..512
/ 8
APB1 PRESC
/ 1,2,4,8,16
x1 or x2
HSI16
SYSCLK
LSI
LSE
HSI16
APB2 PRESC
/ 1,2,4,8,16
to TIMx
x=1,8,15,16,17
x1 or x2
to
USART1
LSE
HSI16
SYSCLK
/ P
/ Q
/ R
PLLSAI1
/ P
/ Q
/ R
/ M
MSI RC
100 kHz – 48 MHz
HSI RC
16 MHz
HSE OSC
4-48 MHz
Clock
detector
OSC_OUT
OSC_IN
/ 1→16
LSI RC 32 kHz
Clock
source
control
PLLSAI3CLK
PLL48M1CLK
PLLCLK
PLLSAI1CLK
PLL48M2CLK
PLLADC1CLK
PLLSAI2CLK
PLLLCDCLK
HSI16
HSI16
HSI16
PLLSAI2
/ P
/ Q
/ R
HSI16
LSI
LSE
HSE
SYSCLK
PLLCLK
HSI48
MSI
OCTOSPI clock
MSI
MSI
HSI16
DFSDM
audio clock
SDMMC clock
PLLSAI2DIVR LTDC clock
DSI
PLL DSI - PHY
HSE
PLLDSICLK
≤ 62.5 MHz
≤ 20 MHz
< 62.5 MHz
DSIHOST
byte lane clock
DSIHOST
rxclkesc clock
/ M
/ M
RC 48 MHz
CRS clock

Functional overview STM32L4S5xx, STM32L4S7xx and STM32L4S9xx
40/277 DS12024 Rev 3
3.13 General-purpose inputs/outputs (GPIOs)
Each of the GPIO pins can be configured by software as output (push-pull or open-drain), as
input (with or without pull-up or pull-down) or as peripheral alternate function. Most of the
GPIO pins are shared with digital or analog alternate functions. Fast I/O toggling can be
achieved thanks to their mapping on the AHB2 bus.
The I/Os alternate function configuration can be locked if needed following a specific
sequence in order to avoid spurious writing to the I/Os registers.
3.14 Direct memory access controller (DMA)
The device embeds 2 DMAs. Refer to Table 7: DMA implementation for the features
implementation.
Direct memory access (DMA) is used in order to provide a high-speed data transfer
between peripherals and memory as well as from memory to memory. Data can be quickly
moved by DMA without any CPU actions. This keeps the CPU resources free for other
operations.
The two DMA controllers have 14 channels in total, each one dedicated to manage memory
access requests from one or more peripherals. Each controller has an arbiter for handling
the priority between DMA requests.
The DMA supports:
•14 independently configurable channels (requests)
– Each channel is connected to a dedicated hardware DMA request, a software
trigger is also supported on each channel. This configuration is done by software.
•Priorities between requests from channels of one DMA are both software
programmable (4 levels: very high, high, medium, low) or hardware programmable in
case of equality (request 1 has priority over request 2, etc.)
•Independent source and destination transfer size (byte, half word, word), emulating
packing and unpacking. Source/destination addresses must be aligned on the data size
•Support for circular buffer management
•3 event flags (DMA half transfer, DMA transfer complete and DMA transfer error)
logically ORed together in a single interrupt request for each channel
•Memory-to-memory transfer
•Peripheral-to-memory, memory-to-peripheral, and peripheral-to-peripheral transfers
•Access to Flash, SRAM, APB and AHB peripherals as source and destination
•Programmable number of data to be transferred: up to 65536
Table 7. DMA implementation
DMA features DMA1 DMA2
Number of regular channels 7 7

DS12024 Rev 3 41/277
STM32L4S5xx, STM32L4S7xx and STM32L4S9xx Functional overview
64
3.15 DMA request router (DMAMux)
When a peripheral indicates a request for DMA transfer by setting its DMA request line, the
DMA request is pending until it is served and the corresponding DMA request line is reset.
The DMA request router allows to route the DMA control lines between the peripherals and
the DMA controllers of the product.
An embedded multi-channel DMA request generator can be considered as one of such
peripherals. The routing function is ensured by a multi-channel DMA request line
multiplexer. Each channel selects a unique set of DMA control lines, unconditionally or
synchronously with events on synchronization inputs.
For simplicity, the functional description is limited to DMA request lines. The other DMA
control lines are not shown in figures or described in the text. The DMA request generator
produces DMA requests following events on DMA request trigger inputs.
3.16 Chrom-ART Accelerator™ (DMA2D)
Chrom-ART Accelerator™ (DMA2D) is a graphic accelerator that offers an advanced bit
blitting, row data copy and pixel format conversion. It supports the following functions:
•Rectangle filling with a fixed color
•Rectangle copy
•Rectangle copy with pixel format conversion
•Rectangle composition with blending and pixel format conversion.
Various image format coding are supported, from indirect 4 bpp color mode up to 32 bpp
direct color. It embeds a dedicated memory to store color lookup tables.
An interrupt can be generated when an operation is complete or at a programmed
watermark.
All the operations are fully automatized and are running independently from the CPU or the
DMAs.
3.17 Chrom-GRC™ (GFXMMU)
The Chrom-GRC™ (GFXMMU) is a graphical oriented memory management unit aimed to:
•Optimize memory usage according to the display shape
•Manage packing/unpacking for 24 bpp frame buffers
The Chrom-GRC™ features:
•Fully programmable display shape to physically store only the visible pixel
•Up to four virtual buffers
•Each virtual buffer have 4096 bytes per line and 1024 lines
•Each virtual buffer can be physically mapped to any system memory
•24 bpp packing unit to store unpacked 24bpp data in a packed 24 bpp
•Packing/un-packing management per buffer
•Interrupt in case of buffer overflow (1 per buffer)
•Interrupt in case of memory transfer error

Functional overview STM32L4S5xx, STM32L4S7xx and STM32L4S9xx
42/277 DS12024 Rev 3
3.18 Interrupts and events
3.18.1 Nested vectored interrupt controller (NVIC)
The STM32L4S5xx, STM32L4S7xx and STM32L4S9xxdevices embed a nested vectored
interrupt controller which is able to manage 16 priority levels, and to handle up to 95
maskable interrupt channels plus the 16 interrupt lines of the Cortex®-M4.
The NVIC benefits are the following:
•Closely coupled NVIC gives low latency interrupt processing
•Interrupt entry vector table address passed directly to the core
•Allows early processing of interrupts
•Processing of late arriving higher priority interrupts
•Support for tail chaining
•Processor state automatically saved
•Interrupt entry restored on interrupt exit with no instruction overhead
The NVIC hardware block provides flexible interrupt management features with minimal
interrupt latency.
3.18.2 Extended interrupt/event controller (EXTI)
The extended interrupt/event controller consists of 36 edge detector lines used to generate
interrupt/event requests and to wake-up the system from the Stop mode. Each external line
can be independently configured to select the trigger event (rising edge, falling edge, both)
and can be masked independently.
A pending register maintains the status of the interrupt requests. The internal lines are
connected to peripherals with wakeup from Stop mode capability. The EXTI can detect an
external line with a pulse width shorter than the internal clock period. Up to 114 GPIOs can
be connected to the 16 external interrupt lines.

DS12024 Rev 3 43/277
STM32L4S5xx, STM32L4S7xx and STM32L4S9xx Functional overview
64
3.19 Analog-to-digital converter (ADC)
The device embeds a successive approximation analog-to-digital converters with the
following features:
•12-bit native resolution, with built-in calibration
•5.33 Msps maximum conversion rate with full resolution
– Down to 18.75 ns sampling time
– Increased conversion rate for lower resolution (up to 8.88 Msps for 6-bit
resolution)
•Up to 16 external channels
•5 internal channels: internal reference voltage, temperature sensor, VBAT/3, DAC1 and
DAC2 outputs
•One external reference pin is available on some package, allowing the input voltage
range to be independent from the power supply
•Single-ended and differential mode inputs
•Low-power design
– Capable of low-current operation at low conversion rate (consumption decreases
linearly with speed)
– Dual clock domain architecture: ADC speed independent from CPU frequency
•Highly versatile digital interface
– Single-shot or continuous/discontinuous sequencer-based scan mode: 2 groups
of analog signals conversions can be programmed to differentiate background and
high-priority real-time conversions
– Each ADC support multiple trigger inputs for synchronization with on-chip timers
and external signals
– Results stored into a data register or in RAM with DMA controller support
– Data pre-processing: left/right alignment and per channel offset compensation
– Built-in oversampling unit for enhanced SNR
– Channel-wise programmable sampling time
– Analog watchdog for automatic voltage monitoring, generating interrupts and
trigger for selected timers
– Hardware assistant to prepare the context of the injected channels to allow fast
context switching
3.19.1 Temperature sensor
The temperature sensor (TS) generates a voltage VTS that varies linearly with temperature.
The temperature sensor is internally connected to the ADC1_IN17 input channels which is
used to convert the sensor output voltage into a digital value.
The sensor provides good linearity but it has to be calibrated to obtain good overall
accuracy of the temperature measurement. As the offset of the temperature sensor varies
from chip to chip due to process variation, the uncalibrated internal temperature sensor is
suitable for applications that detect temperature changes only.
To improve the accuracy of the temperature sensor measurement, each device is
individually factory-calibrated by ST. The temperature sensor factory calibration data are
stored by ST in the system memory area, accessible in read-only mode.

Functional overview STM32L4S5xx, STM32L4S7xx and STM32L4S9xx
44/277 DS12024 Rev 3
3.19.2 Internal voltage reference (VREFINT)
The internal voltage reference (VREFINT) provides a stable (bandgap) voltage output for
the ADC and the comparators. The VREFINT is internally connected to the ADC1_IN0 input
channel. The precise voltage of VREFINT is individually measured for each part by ST
during production test and stored in the system memory area. It is accessible in read-only
mode.
3.19.3 VBAT battery voltage monitoring
This embedded hardware enables the application to measure the VBAT battery voltage using
the internal ADC channel ADC1_IN18. As the VBAT voltage may be higher than the VDDA,
and thus outside the ADC input range, the VBAT pin is internally connected to a bridge
divider by 3. As a consequence, the converted digital value is one third of the VBAT voltage.
3.20 Digital to analog converter (DAC)
Two 12-bit buffered DAC channels can be used to convert digital signals into analog voltage
signal outputs. The chosen design structure is composed of integrated resistor strings and
an amplifier in inverting configuration.
This digital interface supports the following features:
•Up to two DAC output channels
•8-bit or 12-bit output mode
•Buffer offset calibration (factory and user trimming)
•Left or right data alignment in 12-bit mode
•Synchronized update capability
•Noise-wave generation
•Triangular-wave generation
Table 8. Temperature sensor calibration values
Calibration value name Description Memory address
TS_CAL1
TS ADC raw data acquired at a
temperature of 30 °C (± 5 °C),
VDDA = VREF+ = 3.0 V (± 10 mV)
0x1FFF 75A8 - 0x1FFF 75A9
TS_CAL2
TS ADC raw data acquired at a
temperature of 130 °C (± 5 °C),
VDDA = VREF+ = 3.0 V (± 10 mV)
0x1FFF 75CA - 0x1FFF 75CB
Table 9. Internal voltage reference calibration values
Calibration value name Description Memory address
VREFINT
Raw data acquired at a
temperature of 30 °C (± 5 °C),
VDDA = VREF+ = 3.0 V (± 10 mV)
0x1FFF 75AA - 0x1FFF 75AB

DS12024 Rev 3 45/277
STM32L4S5xx, STM32L4S7xx and STM32L4S9xx Functional overview
64
•Dual DAC channel independent or simultaneous conversions
•DMA capability for each channel
•External triggers for conversion
•Sample and hold low-power mode, with internal or external capacitor
The DAC channels are triggered through the timer update outputs that are also connected
to different DMA channels.
3.21 Voltage reference buffer (VREFBUF)
The STM32L4Sxxx devices embed a voltage reference buffer which can be used as voltage
reference for ADC, DACs and also as voltage reference for external components through
the VREF+ pin.
The internal voltage reference buffer supports two voltages:
•2.048 V
•2.5 V
An external voltage reference can be provided through the VREF+ pin when the internal
voltage reference buffer is off.
The VREF+ pin is double-bonded with VDDA on some packages. In these packages the
internal voltage reference buffer is not available.
Figure 7. Voltage reference buffer
3.22 Comparators (COMP)
The STM32L4Sxxx devices embed two rail-to-rail comparators with programmable
reference voltage (internal or external), hysteresis and speed (low speed for low-power) and
with selectable output polarity.
The reference voltage can be one of the following:
•External I/O
•DAC output channels
•Internal reference voltage or submultiple (1/4, 1/2, 3/4).
All comparators can wake up from Stop mode, generate interrupts and breaks for the timers
and can also be combined into a window comparator.
MSv40197V1
VREFBUF
Low frequency
cut-off capacitor
DAC, ADC
Bandgap +
VDDA
-
100 nF
VREF+

Functional overview STM32L4S5xx, STM32L4S7xx and STM32L4S9xx
46/277 DS12024 Rev 3
3.23 Operational amplifier (OPAMP)
The STM32L4Sxxx devices embed two operational amplifiers with external or internal
follower routing and PGA capability.
The operational amplifier features:
•Low input bias current
•Low offset voltage
•Low-power mode
•Rail-to-rail input
3.24 Touch sensing controller (TSC)
The touch sensing controller provides a simple solution to add capacitive sensing
functionality to any application. A capacitive sensing technology is able to detect finger
presence near an electrode that is protected from direct touch by a dielectric (glass, plastic
or other). The capacitive variation introduced by the finger (or any conductive object) is
measured using a proven implementation based on a surface charge transfer acquisition
principle.
The touch sensing controller is fully supported by the STMTouch touch sensing firmware
library which is free to use and allows touch sensing functionality to be implemented reliably
in the end application.
The main features of the touch sensing controller are the following:
•Proven and robust surface charge transfer acquisition principle
•Supports up to 24 capacitive sensing channels
•Up to 3 capacitive sensing channels can be acquired in parallel offering a very good
response time
•Spread spectrum feature to improve system robustness in noisy environments
•Full hardware management of the charge transfer acquisition sequence
•Programmable charge transfer frequency
•Programmable sampling capacitor I/O pin
•Programmable channel I/O pin
•Programmable max count value to avoid long acquisition when a channel is faulty
•Dedicated end of acquisition and max count error flags with interrupt capability
•One sampling capacitor for up to 3 capacitive sensing channels to reduce the system
components
•Compatible with proximity, touchkey, linear and rotary touch sensor implementation
•Designed to operate with STMTouch touch sensing firmware library
Note: The number of capacitive sensing channels is dependent on the size of the packages and
subject to I/O availability.

DS12024 Rev 3 47/277
STM32L4S5xx, STM32L4S7xx and STM32L4S9xx Functional overview
64
3.25 LCD-TFT controller (LTDC)
The LCD-TFT display controller provides a 24-bit parallel digital RGB (red, green, blue) and
delivers all signals to interface directly to a broad range of LCD and TFT panels with the
following features:
•Two displays layers with dedicated FIFO (64 x 32-bit)
•Color look-up table (CLUT) up to 256 colors (256 x 24-bit) per layer
•Up to 8 input color formats selectable per layer
•Flexible blending between two layers using alpha value (per pixel or constant)
•Flexible programmable parameters for each layer
•Color keying (transparency color)
•Up to four programmable interrupt events
3.26 DSI Host (DSIHOST)
The DSI Host is a dedicated IP that interfaces with the MIPI® DSI compliant displays. It
includes a dedicated video interface internally connected to the LTDC and a generic APB
interface that can be used to transmit information to the display.
The interfaces are as follows:
•LTDC interface:
– Used to transmit information in Video Mode, in which the transfers from the host
processor to the peripheral take the form of a real-time pixel stream (DPI)
– Used to transmit information in full bandwidth in the Adapted Command Mode
(DBI) through a custom mode
•APB slave interface:
– Allows the transmission of generic information in Command mode, and follows a
proprietary register interface
– Can operate concurrently with either LTDC interface in either Video Mode or
Adapted Command Mode
•Video mode pattern generator:
– Allows the transmission of horizontal/vertical color bar and D-PHY BER testing
pattern without any kind of stimuli

Functional overview STM32L4S5xx, STM32L4S7xx and STM32L4S9xx
48/277 DS12024 Rev 3
The DSI Host main features are:
•Compliant with MIPI® Alliance standards
•Interface with MIPI® D-PHY
•Supports all commands defined in the MIPI® Alliance specification for DCS:
– Transmission of all Command mode packets through the APB interface
– Transmission of commands in low-power and high-speed during Video Mode
•Supports up to two D-PHY data lanes
•Bidirectional communication and escape mode support through data lane 0
•Supports non-continuous clock in D-PHY clock lane for additional power saving
•Supports Ultra Low-Power mode with PLL disabled
•ECC and Checksum capabilities
•Support for end of transmission packet (EoTp)
•Fault recovery schemes
•Configurable selection of system interfaces:
– AMBA APB for control and optional support for generic and DCS commands
– Video Mode interface through LTDC
– Adapted command mode interface through LTDC
•Independently programmable virtual channel ID in
– Video mode
– Adapted command mode
– APB Slave
Video Mode interfaces features:
•LTDC interface color coding mappings into 24-bit interface:
– 16-bit RGB, configurations 1, 2 and 3
– 18-bit RGB, configurations 1 and 2
– 24-bit RGB
•Programmable polarity of all LTDC interface signals
•Maximum resolution is limited by available DSI physical link bandwidth:
– Number of lanes: 2
– Maximum speed per lane: 500 Mbps
Adapted interface features:
•Support for sending large amounts of data through the memory_write_start (WMS) and
memory_write_continue (WMC) DCS commands
•LTDC interface color coding mappings into 24-bit interface:
– 16-bit RGB, configurations 1, 2 and 3
– 18-bit RGB, configurations 1 and 2
– 24-bit RGB
Video mode pattern generator:
•Vertical and horizontal color bar generation without LTDC stimuli
•BER pattern without LTDC stimuli

DS12024 Rev 3 49/277
STM32L4S5xx, STM32L4S7xx and STM32L4S9xx Functional overview
64
3.27 Digital filter for sigma-delta modulators (DFSDM)
The STM32L4Sxxx devices embed one DFSDM with four digital filters modules and eight
external input serial channels (transceivers) or alternately eight internal parallel inputs
support.
The DFSDM peripheral is dedicated to interface the external modulators to the
microcontroller and then to perform digital filtering of the received data streams (which
represent analog value on modulators inputs).
The DFSDM can also interface the PDM (pulse density modulation) microphones and
perform PDM to PCM conversion and filtering in hardware. The DFSDM features optional
parallel data stream inputs from microcontrollers memory (through DMA/CPU transfers into
DFSDM).
The DFSDM transceivers support several serial interface formats (to support various
modulators) and the DFSDM digital filter modules perform digital processing according to
the user’s selected filter parameters with up to 24-bit final ADC resolution.
The DFSDM peripheral supports:
•8 multiplexed input digital serial channels:
– Configurable SPI interface to connect various SD modulator(s)
– Configurable Manchester coded 1 wire interface support
– PDM (pulse density modulation) microphone input support
– Maximum input clock frequency up to 20 MHz (10 MHz for Manchester coding)
– Clock output for SD modulator(s): 0..20 MHz
•Alternative inputs from 8 internal digital parallel channels (up to 16-bit input resolution):
– Internal sources: device memory data streams (DMA)
•4 digital filter modules with adjustable digital signal processing:
–Sinc
x filter: filter order/type (1..5), oversampling ratio (up to 1..1024)
– Integrator: oversampling ratio (1..256)
•Up to 24-bit output data resolution, signed output data format
•Automatic data offset correction (offset stored in register by user)
•Continuous or single conversion
•Start-of-conversion triggered by:
– Software trigger
– Internal timers
– External events
– Start-of-conversion synchronously with first digital filter module (DFSDM0)
•Analog watchdog feature:
– Low value and high-value data threshold registers
– Dedicated configurable Sincx digital filter (order = 1..3, oversampling ratio = 1..32)
– Input from final output data or from selected input digital serial channels
– Continuous monitoring independently from standard conversion
•Short circuit detector to detect saturated analog input values (bottom and top range):
– Up to 8-bit counter to detect 1..256 consecutive 0’s or 1’s on serial data stream
– Monitoring continuously each input serial channel

Functional overview STM32L4S5xx, STM32L4S7xx and STM32L4S9xx
50/277 DS12024 Rev 3
•Break signal generation on analog watchdog event or on short circuit detector event
•Extremes detector:
– Storage of minimum and maximum values of final conversion data
– Refreshed by software
•DMA capability to read the final conversion data
•Interrupts: end of conversion, overrun, analog watchdog, short circuit, input serial
channel clock absence
•“Regular” or “injected” conversions:
– “Regular” conversions can be requested at any time or even in continuous mode
without having any impact on the timing of “injected” conversions
– “Injected” conversions for precise timing and with high conversion priority
3.28 Random number generator (RNG)
All devices embed an RNG that delivers 32-bit random numbers generated by an integrated
analog circuit.
3.29 Digital camera interface (DCMI)
The STM32L4Sxxx devices embed a camera interface that can connect with any camera
modules and CMOS sensors through an 8-bit to 14-bit parallel interface in order to receive
video data.
The camera interface can sustain a data transfer rate up to 54 Mbytes/s at 54 MHz. It
features:
•Programmable polarity for the input pixel clock and synchronization signals
•Parallel data communication of 8-, 10-, 12- or 14-bit
•Supports 8-bit progressive video monochrome or raw bayer format, YCbCr 4:2:2
progressive video, RGB 565 progressive video or compressed data (like JPEG)
•Supports continuous mode or snapshot (a single frame) mode
•Capability to automatically crop the image.

DS12024 Rev 3 51/277
STM32L4S5xx, STM32L4S7xx and STM32L4S9xx Functional overview
64
3.30 Advanced encryption standard hardware accelerator (AES)
The STM32L4Sxxx devices embed an AES hardware accelerator that can be used both to
encipher and to decipher data using an AES algorithm.
The AES peripheral supports:
•Encryption/decryption using AES Rijndael block cipher algorithm
•NIST FIPS 197 compliant implementation of AES encryption/decryption algorithm
•128-bit and 256-bit register for storing the encryption, decryption or derivation key (4x
32-bit registers)
•Electronic codebook (ECB), cipher block chaining (CBC), Counter mode (CTR), Galois
Counter Mode (GCM), Galois Message Authentication Code mode (GMAC) and Cipher
Message Authentication Code mode (CMAC) supported
•Key scheduler
•Key derivation for decryption
•128-bit data block processing
•128-bit, 256-bit key length
•1x32-bit INPUT buffer and 1x32-bit OUTPUT buffer
•Register access supporting 32-bit data width only
•One 128-bit Register for the initialization vector when AES is configured in CBC mode
or for the 32-bit counter initialization when CTR mode is selected, GCM mode or
CMAC mode
•Automatic data flow control with support of direct memory access (DMA) using 2
channels, one for incoming data, and one for outcoming data
•Suspend a message if another message with a higher priority needs to be processed.
3.31 HASH hardware accelerator (HASH)
The hash processor is a fully compliant implementation of the secure hash algorithm (SHA-
1, SHA-224, SHA-256), the MD5 (message-digest algorithm 5) hash algorithm and the
HMAC (keyed-hash message authentication code) algorithm suitable for a variety of
applications.
It computes a message digest (160 bits for the SHA-1 algorithm, 256 bits for the SHA-256
algorithm and 224 bits for the SHA-224 algorithm,128 bits for the MD5 algorithm) for
messages of up to (264 - 1) bits, while the HMAC algorithms provide a way of authenticating
messages by means of hash functions. The HMAC algorithms consist in calling the SHA-1,
SHA-224, SHA-256 or MD5 hash function twice.
3.32 Timers and watchdogs
The STM32L4Sxxx devices include two advanced control timers, up to nine general-
purpose timers, two basic timers, two low-power timers, two watchdog timers and a SysTick
timer.
The Table 10 below compares the features of the advanced control, general-purpose and
basic timers.

Functional overview STM32L4S5xx, STM32L4S7xx and STM32L4S9xx
52/277 DS12024 Rev 3
3.32.1 Advanced-control timer (TIM1, TIM8)
The advanced-control timers can each be seen as a three-phase PWM multiplexed on six
channels. They have complementary PWM outputs with programmable inserted dead-
times. They can also be seen as complete general-purpose timers.
The four independent channels can be used for:
•Input capture
•Output compare
•PWM generation (edge or center-aligned modes) with full modulation capability (0-
100%)
•One-pulse mode output
In debug mode, the advanced-control timer counter can be frozen and the PWM outputs
disabled in order to turn off any power switches driven by these outputs.
Many features are shared with the general-purpose TIMx timers (described in
Section 3.32.2) using the same architecture, so the advanced-control timers can work
together with the TIMx timers via the Timer Link feature for synchronization or event
chaining.
Table 10. Timer feature comparison
Timer type Timer Counter
resolution
Counter
type
Prescaler
factor
DMA
request
generation
Capture/
compare
channels
Complementary
outputs
Advanced
control TIM1, TIM8 16-bit Up, down,
Up/down
Any integer
between 1
and 65536
Yes 4 3
General-
purpose TIM2, TIM5 32-bit Up, down,
Up/down
Any integer
between 1
and 65536
Yes 4 No
General-
purpose TIM3, TIM4 16-bit Up, down,
Up/down
Any integer
between 1
and 65536
Yes 4 No
General-
purpose TIM15 16-bit Up
Any integer
between 1
and 65536
Yes 2 1
General-
purpose TIM16, TIM17 16-bit Up
Any integer
between 1
and 65536
Yes 1 1
Basic TIM6, TIM7 16-bit Up
Any integer
between 1
and 65536
Yes 0 No

DS12024 Rev 3 53/277
STM32L4S5xx, STM32L4S7xx and STM32L4S9xx Functional overview
64
3.32.2 General-purpose timers (TIM2, TIM3, TIM4, TIM5, TIM15, TIM16,
TIM17)
There are up to seven synchronizable general-purpose timers embedded in the
STM32L4Sxxx devices (see Table 10 for differences).
Each general-purpose timer can be used to generate PWM outputs, or act as a simple time
base.
•TIM2, TIM3, TIM4 and TIM5
They are full-featured general-purpose timers:
– TIM2 and TIM5 have a 32-bit auto-reload up/downcounter and 32-bit prescaler
– TIM3 and TIM4 have 16-bit auto-reload up/downcounter and 16-bit prescaler.
These timers feature four independent channels for input capture/output compare,
PWM or one-pulse mode output. They can work together, or with the other general-
purpose timers via the Timer Link feature for synchronization or event chaining.
The counters can be frozen in debug mode.
All have independent DMA request generation and support quadrature encoders.
•TIM15, 16 and 17
They are general-purpose timers with mid-range features:
They have 16-bit auto-reload upcounters and 16-bit prescalers.
– TIM15 has two channels and one complementary channel
– TIM16 and TIM17 have one channel and one complementary channel
All channels can be used for input capture/output compare, PWM or one-pulse mode
output.
The timers can work together via the Timer Link feature for synchronization or event
chaining. The timers have independent DMA request generation.
The counters can be frozen in debug mode.
3.32.3 Basic timers (TIM6 and TIM7)
The basic timers are mainly used for DAC trigger generation. They can also be used as
generic 16-bit timebases.
3.32.4 Low-power timer (LPTIM1 and LPTIM2)
The STM32L4Sxxx devices embed two low-power timers. These timers have an
independent clock and are running in Stop mode if they are clocked by LSE, LSI or an
external clock. They are able to wakeup the system from Stop mode.
LPTIM1 is active in Stop 0, Stop 1 and Stop 2 modes.
LPTIM2 is active in Stop 0 and Stop 1 mode.

Functional overview STM32L4S5xx, STM32L4S7xx and STM32L4S9xx
54/277 DS12024 Rev 3
This low-power timer supports the following features:
•16-bit up counter with 16-bit autoreload register
•16-bit compare register
•Configurable output: pulse, PWM
•Continuous/ one shot mode
•Selectable software/hardware input trigger
•Selectable clock source
– Internal clock sources: LSE, LSI, HSI16 or APB clock
– External clock source over LPTIM input (working even with no internal clock
source running, used by pulse counter application).
•Programmable digital glitch filter
•Encoder mode (LPTIM1 only).
3.32.5 Independent watchdog (IWDG)
The independent watchdog is based on a 12-bit downcounter and an 8-bit prescaler. It is
clocked from an independent 32 kHz internal RC (LSI) and as it operates independently
from the main clock, it can operate in Stop and Standby modes. It can be used either as a
watchdog to reset the device when a problem occurs, or as a free running timer for
application timeout management. It is hardware or software configurable through the option
bytes. The counter can be frozen in debug mode.
3.32.6 System window watchdog (WWDG)
The window watchdog is based on a 7-bit downcounter that can be set as free running. It
can be used as a watchdog to reset the device when a problem occurs. It is clocked from
the main clock. It has an early warning interrupt capability and the counter can be frozen in
debug mode.
3.32.7 SysTick timer
This timer is dedicated to real-time operating systems, but could also be used as a standard
down counter. It features:
•A 24-bit down counter
•Autoreload capability
•Maskable system interrupt generation when the counter reaches 0.
•Programmable clock source

DS12024 Rev 3 55/277
STM32L4S5xx, STM32L4S7xx and STM32L4S9xx Functional overview
64
3.33 Real-time clock (RTC) and backup registers
The RTC is an independent BCD timer/counter. It supports the following features:
•Calendar with subsecond, seconds, minutes, hours (12 or 24 format), week day, date,
month, year, in BCD (binary-coded decimal) format
•Automatic correction for 28, 29 (leap year), 30, and 31 days of the month
•Two programmable alarms
•On-the-fly correction from 1 to 32767 RTC clock pulses. This can be used to
synchronize it with a master clock
•Reference clock detection: a more precise second source clock (50 or 60 Hz) can be
used to enhance the calendar precision
•Digital calibration circuit with 0.95 ppm resolution, to compensate for quartz crystal
inaccuracy
•Three anti-tamper detection pins with programmable filter
•Timestamp feature which can be used to save the calendar content. This function can
be triggered by an event on the timestamp pin, or by a tamper event, or by a switch to
VBAT mode
•17-bit auto-reload wakeup timer (WUT) for periodic events with programmable
resolution and period
The RTC and the 32 backup registers are supplied through a switch that takes power either
from the VDD supply when present or from the VBAT pin.
The backup registers are 32-bit registers used to store 128 bytes of user application data
when VDD power is not present. They are not reset by a system or power reset, or when the
device wakes up from standby or Shutdown mode.
The RTC clock sources can be:
•A 32.768 kHz external crystal (LSE)
•An external resonator or oscillator (LSE)
•The internal low-power RC oscillator (LSI, with typical frequency of 32 kHz)
•The high-speed external clock (HSE) divided by 32
The RTC is functional in VBAT mode and in all low-power modes when it is clocked by the
LSE. When clocked by the LSI, the RTC is not functional in VBAT mode, but is functional in
all low-power modes except Shutdown mode.
All RTC events (alarm, wake-up timer, Timestamp or Tamper) can generate an interrupt and
wakeup the device from the low-power modes.
3.34 Inter-integrated circuit interface (I2C)
The device embeds four I2C. Refer to Table 11: I2C implementation for the features
implementation.
The I2C bus interface handles communications between the microcontroller and the serial
I2C bus. It controls all I2C bus-specific sequencing, protocol, arbitration and timing.
Functional overview STM32L4S5xx, STM32L4S7xx and STM32L4S9xx
56/277 DS12024 Rev 3
The I2C peripheral supports:
•I2C-bus specification and user manual rev. 5 compatibility:
– Slave and master modes, multimaster capability
– Standard-mode (Sm), with a bitrate up to 100 kbit/s
– Fast-mode (Fm), with a bitrate up to 400 kbit/s
– Fast-mode plus (Fm+), with a bitrate up to 1 Mbit/s and 20 mA output drive I/Os
– 7-bit and 10-bit addressing mode, multiple 7-bit slave addresses
– Programmable setup and hold times
– Optional clock stretching
•System management bus (SMBus) specification rev 2.0 compatibility:
– Hardware PEC (packet error checking) generation and verification with ACK
control
– Address resolution protocol (ARP) support
– SMBus alert
•Power system management protocol (PMBusTM) specification rev 1.1 compatibility
•Independent clock: a choice of independent clock sources allowing the I2C
communication speed to be independent from the PCLK reprogramming. Refer to
Figure 6: Clock tree
•Wakeup from Stop mode on address match
•Programmable analog and digital noise filters
•1-byte buffer with DMA capability
Table 11. I2C implementation
I2C features(1)
1. X: supported
I2C1 I2C2 I2C3 I2C4
Standard-mode (up to 100 kbit/s) X X X X
Fast-mode (up to 400 kbit/s) X X X X
Fast-mode Plus with 20 mA output drive I/Os (up to 1 Mbit/s) X X X X
Programmable analog and digital noise filters X X X X
SMBus/PMBus hardware support X X X X
Independent clock X X X X
Wakeup from Stop 0, Stop 1 mode on address match X X X X
Wakeup from Stop 2 mode on address match - - X -
DS12024 Rev 3 57/277
STM32L4S5xx, STM32L4S7xx and STM32L4S9xx Functional overview
64
3.35 Universal synchronous/asynchronous receiver transmitter
(USART)
The STM32L4Sxxx devices have three embedded universal synchronous receiver
transmitters (USART1, USART2 and USART3) and two universal asynchronous receiver
transmitters (UART4, UART5).
These interfaces provide asynchronous communication, IrDA SIR ENDEC support,
multiprocessor communication mode, single-wire half-duplex communication mode and
have LIN master/slave capability. They provide hardware management of the CTS and RTS
signals, and RS485 driver enable. They are able to communicate at speeds of up to
10 Mbit/s.
The USART1, USART2 and USART3 also provide a Smartcard mode (ISO 7816 compliant)
and an SPI-like communication capability.
All USART have a clock domain independent from the CPU clock, allowing the USARTx
(x=1,2,3,4,5) to wake up the MCU from Stop mode using baudrates up to 200 Kbaud. The
wake up events from Stop mode are programmable and can be:
•Start bit detection
•Any received data frame
•A specific programmed data frame
All USART interfaces can be served by the DMA controller.
Table 12. USART/UART/LPUART features
USART modes/features(1) USART1 USART2 USART3 UART4 UART5 LPUART1
Hardware flow control for modem XXXXX X
Continuous communication using DMA XXXXX X
Multiprocessor communication XXXXX X
Synchronous mode X X X - - -
Smartcard mode X X X - - -
Single-wire half-duplex communication XXXXX X
IrDA SIR ENDEC block XXXXX -
LIN mode XXXXX -
Dual clock domain XXXXX X
Wakeup from Stop 0 / Stop 1 modes XXXXX X
Wakeup from Stop 2 mode ----- X
Receiver timeout interrupt XXXXX -
Modbus communication XXXXX -
Auto baud rate detection X (4 modes) -
Driver enable XXXXX X
LPUART/USART data length 7, 8 and 9 bits
1. X = supported.

Functional overview STM32L4S5xx, STM32L4S7xx and STM32L4S9xx
58/277 DS12024 Rev 3
3.36 Low-power universal asynchronous receiver transmitter
(LPUART)
The STM32L4Sxxx devices embed one low-power UART. The LPUART supports
asynchronous serial communication with minimum power consumption. It supports half-
duplex single-wire communication and modem operations (CTS/RTS). It allows
multiprocessor communication.
The LPUART has a clock domain independent from the CPU clock, and can wakeup the
system from Stop mode using baudrates up to 220 Kbaud. The wake up events from Stop
mode are programmable and can be:
•Start bit detection
•Any received data frame
•A specific programmed data frame
Only a 32.768 kHz clock (LSE) is needed to allow LPUART communication up to 9600
baud. Therefore, even in Stop mode, the LPUART can wait for an incoming frame while
having an extremely low energy consumption. Higher speed clock can be used to reach
higher baudrates.
The LPUART interface can be served by the DMA controller.
3.37 Serial peripheral interface (SPI)
Three SPI interfaces allow communication up to slave modes, in half-duplex, full-duplex and
simplex modes. The 3-bit prescaler gives eight master mode frequencies and the frame size
is configurable from 4 bits to 16 bits. The SPI interfaces support NSS pulse mode, TI mode
and hardware CRC calculation.
All SPI interfaces can be served by the DMA controller.
3.38 Serial audio interfaces (SAI)
The STM32L4Sxxx devices embed two SAI. Refer to Table 13: SAI implementation for the
features implementation. The SAI bus interface handles communications between the
microcontroller and the serial audio protocol.
The SAI peripheral supports:
•Two independent audio sub-blocks which can be transmitters or receivers with their
respective FIFO.
•8-word integrated FIFOs for each audio sub-block.
•Synchronous or asynchronous mode between the audio sub-blocks.
•Master or slave configuration independent for both audio sub-blocks.
•Clock generator for each audio block to target independent audio frequency sampling
when both audio sub-blocks are configured in master mode.
•Data size configurable: 8-, 10-, 16-, 20-, 24-, 32-bit.
•Peripheral with large configurability and flexibility allowing to target as example the
following audio protocol: I2S, LSB or MSB-justified, PCM/DSP, TDM, AC’97 and SPDIF
out.
DS12024 Rev 3 59/277
STM32L4S5xx, STM32L4S7xx and STM32L4S9xx Functional overview
64
•Up to 16 slots available with configurable size and with the possibility to select which
ones are active in the audio frame.
•Number of bits by frame may be configurable.
•Frame synchronization active level configurable (offset, bit length, level).
•First active bit position in the slot is configurable.
•LSB first or MSB first for data transfer.
•Mute mode.
•Stereo/Mono audio frame capability.
•Communication clock strobing edge configurable (SCK).
•Error flags with associated interrupts if enabled respectively.
– Overrun and underrun detection.
– Anticipated frame synchronization signal detection in slave mode.
– Late frame synchronization signal detection in slave mode.
– Codec not ready for the AC’97 mode in reception.
•Interruption sources when enabled:
–Errors.
– FIFO requests.
•DMA interface with two dedicated channels to handle access to the dedicated
integrated FIFO of each SAI audio sub-block.
3.39 Controller area network (CAN)
The CAN is compliant with the 2.0A and B (active) specifications with a bit rate of up to
1 Mbit/s. They can receive and transmit standard frames with 11-bit identifiers as well as
extended frames with 29-bit identifiers. The CAN has three transmit mailboxes, two receive
FIFOS with three stages and 28 shared scalable filter banks (all of them can be used even if
one CAN is used). 256 bytes of SRAM are allocated.
Table 13. SAI implementation
SAI features(1)
1. X: supported
SAI1 SAI2
I2S, LSB or MSB-justified, PCM/DSP, TDM, AC’97 X X
Mute mode X X
Stereo/Mono audio frame capability. X X
16 slots X X
Data size configurable: 8-, 10-, 16-, 20-, 24-, 32-bit X X
FIFO size X (8 Word) X (8 Word)
SPDIF X X
PDM X -

Functional overview STM32L4S5xx, STM32L4S7xx and STM32L4S9xx
60/277 DS12024 Rev 3
The CAN peripheral supports:
•CAN protocol version 2.0 A, B Active
•Bit rates of up to 1 Mbit/s
•Transmission
– Three transmit mailboxes
– Configurable transmit priority
•Reception
– Two receive FIFOs with three stages
– Scalable filter banks: 28 filter banks
– Identifier list feature
– Configurable FIFO overrun
•Time-triggered communication option
– Disable automatic retransmission mode
– 16-bit free running timer
– Time Stamp sent in last two data bytes
•Management
– Maskable interrupts
– Software-efficient mailbox mapping at a unique address space
3.40 Secure digital input/output and MultiMediaCards Interface
(SDMMC)
The SD/SDIO, MultiMediaCard (MMC) host interface (SDMMC) provides an interface
between the AHB bus and SD memory cards, SDIO cards and MMC devices.
The SDMMC features include the following:
•Full compliance with MultiMediaCard System Specification Version 4.51. Card support
for three different databus modes: 1-bit (default), 4-bit and 8-bit
•Full compatibility with previous versions of MultiMediaCards (backward compatibility)
•Full compliance with SD Memory Card Specifications Version 4.1. (SDR104
SDMMC_CK speed limited to maximum allowed IO speed, SPI mode and UHS-II mode
not supported)
•Full compliance with SDIO Card Specification Version 4.0: card support for two different
databus modes: 1-bit (default) and 4-bit. (SDR104 SDMMC_CK speed limited to
maximum allowed IO speed, SPI mode and UHS-II mode not supported)
•Data transfer up to 104 Mbyte/s for the 8-bit mode (depending maximum allowed IO
speed)
•Data and command output enable signals to control external bidirectional drivers.

DS12024 Rev 3 61/277
STM32L4S5xx, STM32L4S7xx and STM32L4S9xx Functional overview
64
3.41 Universal serial bus on-the-go full-speed (OTG_FS)
The devices embed an USB OTG full-speed device/host/OTG peripheral with integrated
transceivers. The USB OTG FS peripheral is compliant with the USB 2.0 specification and
with the OTG 2.0 specification. It has software-configurable endpoint setting and supports
suspend/resume.
The USB OTG controller requires a dedicated 48 MHz clock that can be provided by the
internal multispeed oscillator (MSI) automatically trimmed by 32.768 kHz external oscillator
(LSE).This allows to use the USB device without external high speed crystal (HSE).
The major features are:
•Combined Rx and Tx FIFO size of 1.25 Kbytes with dynamic FIFO sizing
•Supports the session request protocol (SRP) and host negotiation protocol (HNP)
•One bidirectional control endpoint + 5 IN endpoints + 5 OUT endpoints
•Eight host channels with periodic OUT support
•HNP/SNP/IP inside (no need for any external resistor)
•Software configurable to OTG 1.3 and OTG 2.0 modes of operation
•OTG 2.0 Supports ADP (Attach detection Protocol)
•USB 2.0 LPM (Link Power Management) support
•Battery charging specification revision 1.2 support
•Internal FS OTG PHY support
For OTG/Host modes, a power switch is needed in case bus-powered devices are
connected.
The synchronization for this oscillator can also be taken from the USB data stream itself
(SOF signalization) which allows crystal less operation.
3.42 Clock recovery system (CRS)
The devices embed a special block which allows automatic trimming of the internal 48 MHz
oscillator to guarantee its optimal accuracy over the whole device operational range. This
automatic trimming is based on the external synchronization signal, which could be either
derived from USB SOF signalization, from LSE oscillator, from an external signal on
CRS_SYNC pin or generated by user software. For faster lock-in during startup it is also
possible to combine automatic trimming with manual trimming action.
3.43 Flexible static memory controller (FSMC)
The flexible static memory controller (FSMC) includes two memory controllers:
•The NOR/PSRAM memory controller
•The NAND/memory controller
This memory controller is also named flexible memory controller (FMC).

Functional overview STM32L4S5xx, STM32L4S7xx and STM32L4S9xx
62/277 DS12024 Rev 3
The main features of the FMC controller are the following:
•Interface with static-memory mapped devices including:
– Static random access memory (SRAM)
– NOR Flash memory/OneNAND Flash memory
– PSRAM (four memory banks)
– NAND Flash memory with ECC hardware to check up to 8 Kbytes of data
– Ferroelectric RAM (FRAM)
•8-,16- bit data bus width
•Independent chip select control for each memory bank
•Independent configuration for each memory bank
•Write FIFO
•The Maximum FMC_CLK frequency for synchronous accesses is HCLK/2.
LCD parallel interface
The FMC can be configured to interface seamlessly with most graphic LCD controllers. It
supports the Intel 8080 and Motorola 6800 modes, and is flexible enough to adapt to
specific LCD interfaces. This LCD parallel interface capability makes it easy to build cost
effective graphic applications using LCD modules with embedded controllers or high-
performance solutions using external controllers with dedicated acceleration.
3.44 OctoSPI interface (OctoSPI)
The OctoSPI is a specialized communication interface targetting single, dual, quad or octal
SPI memories. It can operate in any of the three following modes:
•Indirect mode: all the operations are performed using the OctoSPI registers
•Status polling mode: the external memory status register is periodically read and an
interrupt can be generated in case of flag setting
•Memory-mapped mode: the external memory is memory mapped and is seen by the
system as if it were an internal memory supporting read and write operation
The OctoSPI supports two frame formats:
•Classical frame format with command, address, alternate byte, dummy cycles and data
phase over 1, 2, 4 or 8 data pins
•HyperbusTM frame format
The OctoSPI offers the following features:
•Three functional modes: indirect, status-polling, and memory-mapped
•Read and write support in memory-mapped mode
•Supports for single, dual, quad and octal communication
•Dual-quad mode, where 8 bits can be sent/received simultaneously by accessing two
quad memories in parallel.
•SDR and DTR support
•Data strobe support
•Fully programmable opcode for both indirect and memory mapped mode
•Fully programmable frame format for both indirect and memory mapped mode

DS12024 Rev 3 63/277
STM32L4S5xx, STM32L4S7xx and STM32L4S9xx Functional overview
64
•Each of the five following phases can be configured independently (enable, length,
single/dual/quad communication)
– Instruction phase
– Address phase
– Alternate bytes phase
– Dummy cycles phase
– Data phase
•HyperbusTM support
•Integrated FIFO for reception and transmission
•8, 16, and 32-bit data accesses are allowed
•DMA channel for indirect mode operations
•Timeout management
•Interrupt generation on FIFO threshold, timeout, status match, operation complete, and
access error
3.45 OctoSPI IO manager (OctoSPIIOM)
The OctoSPI IO Manager is a low level interface allowing:
•Efficient OctoSPI pin assignment with a full IO Matrix (before alternate function map)
•Multiplexing single/dual/quad/octal SPI interface over the same bus
The OctoSPI IO Manager has the following features:
•Support up to two single/dual/quad/octal SPI Interface
•Support up to eight ports for pin assignment
•Fully programmable IO matrix for pin assignment by function (data/control/clock)
•Muxer for Single/Dual/Quad/Octal SPI interface multiplexing over the same bus
3.46 Development support
3.46.1 Serial wire JTAG debug port (SWJ-DP)
The Arm® SWJ-DP interface is embedded, and is a combined JTAG and serial wire debug
port that enables either a serial wire debug or a JTAG probe to be connected to the target.
Debug is performed using two pins only instead of five required by the JTAG (JTAG pins
could be re-used as GPIO with alternate function): the JTAG TMS and TCK pins are shared
with SWDIO and SWCLK, respectively, and a specific sequence on the TMS pin is used to
switch between JTAG-DP and SW-DP.

Functional overview STM32L4S5xx, STM32L4S7xx and STM32L4S9xx
64/277 DS12024 Rev 3
3.46.2 Embedded Trace Macrocell™
The Arm® Embedded Trace Macrocell provides a greater visibility of the instruction and data
flow inside the CPU core by streaming compressed data at a very high rate from the
STM32L4Sxxx devices through a small number of ETM pins to an external hardware trace
port analyzer (TPA) device. Real-time instruction and data flow activity be recorded and then
formatted for display on the host computer that runs the debugger software. TPA hardware
is commercially available from common development tool vendors.
The Embedded Trace Macrocell operates with third party debugger software tools.
DS12024 Rev 3 65/277
STM32L4S5xx, STM32L4S7xx and STM32L4S9xx Pinouts and pin description
117
4 Pinouts and pin description
Figure 8. STM32L4S5xx and STM32L4S7xx UFBGA169 ballout(1)
1. The above figure shows the package top view.
Figure 9. STM32L4S9xx UFBGA169 ballout(1)
1. The above figure shows the package top view.
MSv38036V4
PI10 PH2 VDD PE0 PB4 PB3 VSS VDD PA15 PA14 PA13 PI0
123456789101112
A
B
C
D
E
F
G
H
J
K
L
M
PI9 PI7 VSS PE1 PB5 VDDIO2 PG9 PD0 PI6 PI2 PI1 PH15
VDD VSS PI11 PB8 PB6 PD1 PH13 PI3 PI8 VSS
PE4 PE3 PE2 PI4 PH9 PH7
PC13 VBAT PE6 PI5 PH6 VDDUSB
PC14-
OSC32_IN VSS PC6 VDDIO2
PC15-
OSC32_OUT VDD PG6 PC7
PH0-OSC_IN VSS NRST PG7 PD15 VSS
PH1-
OSC_OUT PC0 PC1 PG4 PG3 PG2
PC3 VSSA/VREF- PA0 PA5 PB0 PE14 PH4 PD14 PD12 PD11
VREF+ VDDA PA4 PA 7 PB1 PF14 PE7 PE13 PH5 PD9 PD8 VDD
OPAMP1_VI
NM PA3 VSS PA6 PF11 PF13 VSS PE12 PH10 PH11 VSS PB15
PB9 PB7 PG10 PD5
PG15 PD4
PD2 PC10
PD3 PC11PG11 PD6PE5 PH3-BOOT0
PF2 PA9PC12 PA10PG12 PD7PF1 PF0
PF3 PC8PA8 PC9PG14 PG13PF4 PF5
PB11 PG8PG1 PE10PF10 PC4
PE15 PG5PG0 PE9PC2 PC5
PF15 PE8
PH14
13
PH12
VDD
PA12
PA11
VSS
VDD
VDD
PD10
PD13
VSS
PB14
NPA2 PA1 VDD OPAMP2_VI
NM PB2 PF12 VDD PE11 PB10 PH8 VDD PB12 PB13
MSv45223V2
PI10 PH2 VDD PE0 PB4 PB3 VSS VDD PA15 PA14 PA13 PI0
123456789101112
A
B
C
D
E
F
G
H
J
K
L
M
PI9 PI7 VSS PE1 PB5 VDDIO2 PG9 PD0 PI6 PI2 PI1 PH15
VDD VSS PI11 PB8 PB6 PD1 PH13 PI3 PH9 VSS
PE4 PE3 PE2 PI4 PA10 VDDUSB
PC13 VBAT PE6 PI5 PA8 PA9
PC14-
OSC32_IN VSS PC6 VDDIO2
PC15-
OSC32_OUT VDD PC7 PG6
PH0-OSC_IN VSS NRST PD15 PD14 VSS
PH1-
OSC_OUT PC0 PC1 PD10 DSI_D1P DSI_D1N
PC3 VSSA/VREF- PA0 PC4 PF15 PH4 PD9 PD8 DSI_CKP DSI_CKN
VREF+ VDDA PA5 PA 6 PB1 PF14 PE7 PE13 PH5 PB15 DSI_D0P DSI_D0N
PA1 PA3 VSS PA7 PF11 PF13 VSS PE12 PH10 PH11 VSS PB14
PB9 PB7 PG10 PD5
PG15 PD4
PD2 PC10
PD3 PC11PG11 PD6PE5 PH3-BOOT0
PF2 PG8PC12 PC8PG12 PD7PF1 PF0
PF3 PG7PG3 PG5PG13 PG4PF4 PF5
PD13 PG2PE10 PB11PF10 PG1
PD12 PD11PE9 PE15PC2 PG0
PE8 PE14
PH14
13
PH12
VDD
PA12
PA11
VSS
PC9
VDD
VSSDSI
VSSDSI
VCAPDSI
VDDDSI
NPA2 PA4 VDD PB0 PB2 PF12 VDD PE11 PB10 PH8 VDD PB12 PB13
flflflflflflflflflflflflflflflflflflflflflflflflflfl
me
a:
E
N:
n =
e:
m =
m:
N =
m:
2.
UN.
5
NN.
n.
a.
S.
S.
5
mm.
3
a:
E
N:
5
z.
m:
S.
E
E.
m:
a:
E
N:
2.
3..
van
vss
vunusa
ma
mz
PAH
mo
FAQ
w
P09
P09
P07
P06
vumoz
vss
P68
P67
was
was
PGA
was
PG?
LQFP144
PD15
PDM
qu
vss
PD13
PDQ
PDH
PDm
PDQ
was
P315
FEM
P313
P312
EEEEEEEEEEEE
PFSE <3 pfae="">3><4 pps-e15="" vsse="" 16="" vnde="" 11="" we="" e="" 13="" w="" e="" 19="" pra="" e="" 20="" prg="" e="" 21="" pf“)="" e="" 22="" we="" 03::="" w="" e="" 23="" phivosc="" oui="" e="" 24="" nrsi="" e="" 25="" m="" e="" 26="" pm="" e="" 27="" m="" e="" 23="" m="" e="" 29="" vssa="" e="" 30="" vrefr="" e="" 31="" mare="" e="" 32="" vdda="" e="" 33="" no="" e="" 34="" pm="" e="" 35="" w="" e="" as="" a="" :="" s="" g="" mm="" 3&8;="" 3.="" ressqqs="" u="" 00)="" h="" mm)="" u="" :3="" u="" emu="" h.="" emu="" h.="" 3mm="" h.="" 2mm="" h.="" ~me="" h.="" :01="" h="" mm)="" h="" $1="" u="" en="" u="" in="" h.="" gm="" h.="" 0mm="" h.="" min="" h.="" «eu="" h.="" eu="" h.="" 00="">
H. mm>
H. NE
H. in
H. Nmm
H. .ma
H. emu
U 81
U an
U in
H. 9E
H. m
H. mm)
MSv45224V1
4>Pinouts and pin description STM32L4S5xx, STM32L4S7xx and STM32L4S9xx
66/277 DS12024 Rev 3
Figure 10. STM32L4S5xx
and STM32L4S7xx LQFP144 pinout(1)
1. The above figure shows the package top view.
MSv45224V1
LQFP144
21
23
24
25
26
27
28
29
30
31
32
33
34
35
36
20
22
15
17
19
13
14
16
18
PF9
PH0-OSC_IN
PH1-OSC_OUT
NRST
PC0
PC1
PC2
PC3
VSSA
VREF-
VREF+
VDDA
PA0
PA1
PA2
PF8
PF10
PF5
VDD
PF7
PF3
PF4
VSS
PF6
88
86
85
84
83
82
81
80
79
78
77
76
75
74
73
89
87
94
92
90
97
96
95
93
91
135
133
132
131
130
129
128
127
126
125
124
123
122
121
136
134
141
139
137
144
143
142
140
138
47
49
50
51
52
53
54
55
56
57
58
59
60
61
72
46
48
41
43
45
38
39
40
42
44
VSS
VDD
PA6
PC5
PF11
PA4
PA5
PB0
VSS
PF14
PA7
PC4
VDD
PF15
PE7
PB1
PB2
PG0
PE8
VSS
PF12
PF13
PG1
PE9
VDD
PG3
PD15
PD14
VDD
VSS
PD13
PD12
PD11
PD10
PD9
PD8
PB15
PB14
PB13
PB12
PG4
PG2
VSS
PG7
PG5
PC7
PC6
VDDIO2
PG8
PG6
VDD
VSS
PB9
PB7
PB3
PE1
PE0
PB6
VDDIO2
PG13
PB8
PH3-BOOT0
VSS
PG12
PG9
PB5
PB4
PG11
PD7
VDD
PG15
PG14
PG10
PD6
120 VSS
119 PD5
118 PD4
117 PD3
116 PD2
115 PD1
114 PD0
113 PC12
112 PC11
111 PC10
110 PA15
109 PA14
108 VDD
104
107
106
105
103
PA12
VSS
VDDUSB
PA13
PA11
99
98
PC9
PC8
101
100
PA9
PA8
102 PA10
68
69
70
71
PE15
PB10
VSS
PB11
64
65
66
67
PE11
PE12
PE14
PE13
62
63
VDD
PE10
37
PA3
12
11
6
8
10
4
5
7
9
PF2
PF1
VBAT
PC14-OSC32_IN
PF0
PE5
PE6
PC13
PC15-OSC32_OUT
3PE4
2PE3
1PE2
flflflflflflflflflflflfl
m E
m E
m E
vss E
van E
we E
m E
me E
PHu-osc w E
Pm-osc om E
may E
won E
m E
P02 E
P03 E
VSSANREF- E
vwsr. E
VDDA E
m E
pm E
m E
m E
vss E
van E
‘3
m
‘5
‘5
w
m
‘9
2o
2‘
22
2a
24
25
2a
27
2a
29
so
3‘
32
33
34
35
as
J
m D :a
me D 39
w a 4a
m D m
we D 22
new a 4:
p22 D 44
pm D 45
pm a 46
vss D 47
van D 454
Pm D 29
pm a 5n
pm D 5‘
P641 D 52
my D 53
m g 54
P58 D 55
pa D 56
vss D 57
van D 53
Pan D 59
PEH D so
P212 D 61
LQFP144
DDDDDDDDDD
Pea
pm
Fee
965
Pea
pea
m2
Pom
Pom
van
vss
Pms
pm2
mu
pmo
Pas
ma
VDD12D5\
nsx cm
nsx cw
vssnsx
nsx um
nsx D0?
chstu
vnunsx
Msm225w
DS12024 Rev 3 67/277
STM32L4S5xx, STM32L4S7xx and STM32L4S9xx Pinouts and pin description
117
Figure 11. STM32L4S9xx LQFP144 pinout(1)
1. The above figure shows the package top view.
MSv45225V1
LQFP144
21
23
24
25
26
27
28
29
30
31
32
33
34
35
36
20
22
15
17
19
13
14
16
18
PH0-OSC_IN
NRST
PC0
PC1
PC2
PC3
VSSA/VREF-
VREF+
VDDA
PA0
PA1
PA2
PA3
VSS
VDD
PF10
PH1-OSC_OUT
PF5
VDD
PF7
PF3
PF4
VSS
PF6
88
86
85
84
83
82
81
80
79
78
77
76
75
74
73
89
87
94
92
90
97
96
95
93
91
135
133
132
131
130
129
128
127
126
125
124
123
122
121
136
134
141
139
137
144
143
142
140
138
47
49
50
51
52
53
54
55
56
57
58
59
60
61
72
46
48
41
43
45
38
39
40
42
44
PA5
PA6
PB0
PF11
PF13
PA7
PC4
PF12
PF15
PE7
PB1
PB2
PG0
PE8
VDD
VSS
VDD
PE9
PE10
PE12
PF14
PG1
VSS
PE11
PB15
VDD
PD13
PD12
PD11
PD10
PD9
PD8
VDD12DSI
DSI_CKN
DSI_CKP
VSSDSI
DSI_D0N
DSI_D0P
VCAPDSI
VDDDSI
PD14
VSS
PG5
PG3
PD15
PG8
PG7
PG6
PG4
PG2
VDD
VSS
PB9
PB7
PB3
PE1
PE0
PB6
VDDIO2
PG11
PB8
PH3-BOOT0
VSS
PG10
PD6
PB5
PB4
PG9
VDD
PD5
PG15
PG12
PD7
VSS
120 PD4
119 PD3
118 PD2
117 PD1
116 PD0
115 PC12
114 PC11
113 PC10
112 PA15
111 PA14
110 VDD
109 VSS
108 VDDUSB
104
107
106
105
103
PA10
PA13
PA12
PA11
PA9
99
98
PC7
PC6
101
100
PC9
PC8
102 PA8
68
69
70
71
VDD
PB12
PB14
PB13
64
65
66
67
PE15
PB10
VSS
PB11
62
63
PE13
PE14
37
PA4
12
11
6
8
10
4
5
7
9
PF2
PF1
VBAT
PC14-OSC32_IN
PF0
PE5
PE6
PC13
PC15-OSC32_OUT
3PE4
2PE3
1PE2
Pinouts and pin description STM32L4S5xx, STM32L4S7xx and STM32L4S9xx
68/277 DS12024 Rev 3
Figure 12. STM32L4S9xx UFBGA144 ballout(1)
1. The above figure shows the package top view.
Figure 13. STM32L4S9xx WLCSP144 ballout(1)
1. The above figure shows the package top view
MSv38491V4
VSS PE0 PB9 PH3-BOOT0 PB4 VDDIO2 VSS PD3 PC11 PA14 VDD VSS
123456789101112
A
B
C
D
E
F
G
H
J
K
L
M
VBAT VDD PE3 PB8 PB5 PB3 PD6 PD1 PA15 PA13 PA12 PA11
VSS PE5 PE2 PE1 PB7 PD0 PC10 PA10 VDDUSB PC9
PC14-
OSC32_IN
PC15-
OSC32_OUT PE4 PA9 PA8 PC6
PF2 PF1 PF0 PC8 PG7 VDDIO2
PF8 PF6 VSS PG2
VDD VSS PD11 VDD
PH0-OSC_IN PH1-
OSC_OUT PC0 PD8 DSI_D1P DSI_D1N
NRST PC1 PC3 VSSDSI DSI_CKP DSI_CKN
VSSA/VREF- VREF+ PA0 PA4 PC5 PE15 PB11 PB14 DSI_D0P DSI_D0N
VDDA PA1 PA2 PA5 PC4 VSS PG0 PE10 PB10 PB12 VDD VCAPDSI
VSS VDD PA3 PA7 PB0 VDD PF14 PG1 PE12 PE14 PB13 VSS
PE6 PB6 PG12 PD5
PG13 PD4
PD2 PC12
PG8 PC7PG10 PD7PC13 PF3
PF4 PG4PG5 PG6PG9 PG3PF5 PF7
PF10 PD13PD14 PD12PE7 PD15PF9 PF12
PD10 PD9PF15 PE11PC2 PB2
PE13 PB15PF13 PE9PA6 PB1
PF11 PE8
MSv42219V2
VSS PA14 PA15 PD0 PD5 VDD PG12 VDDIO2 PB7 PE0 PE1 VSS
123456789101112
A
B
C
D
E
F
G
H
J
K
L
M
VDD VDDUSB PA13 PC12 PD2 VSS PG10 PB3 PH3-BOOT0 PB9 PE2 VDD
PA11 PA12 PC10 PC11 PD1 PB4 PB6 PB8 PE3 PE4
PC8 PC9 PA8 PE6 PC13 VSS
PG7 PG8 VDDIO2 VBAT PC14-
OSC32_IN
PC15-
OSC32_OUT
PD15 PG2 PF3 PF2
VSS VDD VSS VDD
PD9 PD8 PB14 PF10 NRST PH0-OSC_IN
DSI_D1N DSI_D1P PB15 PC3 PC0 PH1-
OSC_OUT
DSI_CKP DSI_CKN VSSDSI PE15 PE10 PC5 PA 4 PA 1 VSSA/VREF- PC1
DSI_D0P DSI_D0N VCAPDSI PB10 PE11 PG1 VDD PF12 PC4 PA3 VREF+ VDDA
VDD VDD VSS PB11 PE12 PE7 PF13 VSS PB0 PA7 VDD VSS
PA9 PA10 PD3 PD7
PD4 PG9
PG13 PE5
PB5 PF0PC7 PD6PC6 PG6
PD14 PF4PF1 PF5PG4 PG5PD12 PG3
PD13 PF6PA 5 PF7PE9 PF14PD11 PD10
PA2 PC2PE8 PB1PB13 PE14
PA6 PA0PF15 PB2PB12 PE13
PG0 PF11
DS12024 Rev 3 69/277
STM32L4S5xx, STM32L4S7xx and STM32L4S9xx Pinouts and pin description
117
Figure 14. STM32L4S5xx WLCSP144 ballout(1)
1. The above figure shows the package top view.
NC (not-connected) balls must be left unconnected.
Figure 15. STM32L4S5xx UFBGA132 ballout(1)
1. The above figure shows the package top view.
MSv43442V1
VSS PA14 PA15 PD0 PD5 VDD PG12 VDDIO2 PB7 PE0 PE1 VSS
123456789101112
A
B
C
D
E
F
G
H
J
K
L
M
VDD VDDUSB PA13 PC12 PD2 VSS PG10 PB3 PH3-BOOT0 PB9 PE2 VDD
PA11 PA12 PC10 PC11 PD1 PB4 PB6 PB8 PE3 PE4
PC8 PC9 PA8 PE6 PC13 VSS
PG7 PG8 VDDIO2 VBAT PC14-
OSC32_IN
PC15-
OSC32_OUT
PD15 PG2 PF3 PF2
VSS VDD VSS VDD
PD9 PD8 PB14 PF10 NRST PH0-OSC_IN
NC NC PB15 PC3 PC0 PH1-
OSC_OUT
NC NC VSS PE15 PE10 PC5 PA4 PA1 VSSA/VREF- PC1
NC NC NC PB10 PE11 PG1 VDD PF12 PC4 PA3 VREF+ VDDA
VDD VDD VSS PB11 PE12 PE7 PF13 VSS PB0 PA7 VDD VSS
PA9 PA10 PD3 PD7
PD4 PG9
PG13 PE5
PB5 PF0PC7 PD6PC6 PG6
PD14 PF4PF1 PF5PG4 PG5PD12 PG3
PD13 PF6PA 5 PF7PE9 PF14PD11 PD10
PA2 PC2PE8 PB1PB13 PE14
PA6 PA0PF15 PB2PB12 PE13
PG0 PF11
MSv38035V5
PH3-BOOT0
4
PB7
VDD
PF2
PA5
PA4
PA6
OPAMP2_VI
NM
PF3
PF5
PG6
PG7
PE3 PE1 PB8 PD7 PD5 PB4 PB3 PA15 PA14 PA13 PA12
123 56789101112
A
B
C
D
E
F
G
H
J
K
L
M
PE4 PE2 PB9 PB6 PD6 PD4 PD3 PD1 PC12 PC10 PA11
PC13 PE5 PE0 PB5 PD2 PD0 PC11 VDDUSB PA10
PC14-
OSC32_IN PE6 VSS PA9 PA8 PC9
PC15-
OSC32_OUT VBAT VSS PC8 PC7 PC6
PH0-OSC_IN VSS VSS VSS
PH1-
OSC_OUT VDD VDD VDD
PC0 NRST VDD PD15 PD14 PD13
VSSA/VREF- PC1 PC2 PD12 PD11 PD10
PG15 PC3 PA2 PC4 PD9 PD8 PB15 PB14 PB13
VREF+ PA0 PA3 PC5 PB2 PE8 PE10 PE12 PB10 PB11 PB12
VDDA PA1 OPAMP1_VI
NM PB0 PB1 PE7 PE9 PE11 PE13 PE14 PE15
PG14 PG13
PF1 PF0 PG12 PG10 PG9
VSS VSS
VDD VDDIO2
PF4
PG11
PA7 PG8 PF12 PF14 PF15
PF11 PF13
PG5
PG3
PG1
PG0
PG4
PG2
p22 I 1
m I 2
pa I 3
Pa I A
pas I 5
van I 5
P013 I 7
P01403632 W I 3
P0503032 OUT I 9
vss I 10
van I 11
moss W I 12
mesa am I 13 LQFP100
~st I 14
m I 15
Pm I 16
PC? I 17
PCS I 18
VSSA I 19
VREF I 20
mg. I 21
mm I 22
m I 23
pm I 24
m I 25
Pinouts and pin description STM32L4S5xx, STM32L4S7xx and STM32L4S9xx
70/277 DS12024 Rev 3
Figure 16. STM32L4S5xx and STM32L4S7xx LQFP100 pinout(1)
1. The above figure shows the package top view.
MSv38494V1
LQFP100
10
12
13
14
15
16
17
18
19
20
21
22
23
24
25
9
11
4
6
8
1
2
3
5
7
VSS
PH0-OSC_IN
PH1-OSC_OUT
NRST
PC0
PC1
PC2
PC3
VSSA
VREF-
VREF+
VDDA
PA0
PA1
PA2
PC15-OSC32_OUT
VDD
PE5
VBAT
PC14-OSC32_IN
PE2
PE3
PE4
PE6
PC13
66
64
63
62
61
60
59
58
57
56
55
54
53
52
51
67
65
72
70
68
75
74
73
71
69
91
89
88
87
86
85
84
83
82
81
80
79
78
77
76
92
90
97
95
93
100
99
98
96
94
35
37
38
39
40
41
42
43
44
45
46
47
48
49
50
34
36
29
31
33
26
27
28
30
32
PA3
VSS
PA5
PC4
PB2
VDD
PA4
PC5
PE8
PE11
PA6
PA7
PE9
PE12
PE15
PB0
PB1
PE13
PB10
VSS
PE7
PE10
PE14
PB11
VDD
PC9
PC7
PC6
PD15
PD14
PD13
PD12
PD11
PD10
PD9
PD8
PB15
PB14
PB13
PB12
PA8
PC8
PA13
PA11
PA9
VDD
VSS
VDDUSB
PA12
PA10
VDD
VSS
PB9
PB7
PB3
PE1
PE0
PB6
PD6
PD3
PB8
PH3-BOOT0
PD5
PD2
PC12
PB5
PB4
PD1
PC11
PA15
PD7
PD4
PD0
PC10
PA14
m I 1
m I 2
pa I 3
pas I A
pas I 5
van I 5
P013 I 7
Pcwosc32 w I 3
P0503032 OUT I 9
vss I 10
mm I 11
moss w I 12
whose am I 13 LQFP100
~st I 14
m I 15
PC1 I 16
PC? I 17
PCS I 18
VSSANREF I 19
VDDANREH I 20
DS12024 Rev 3 71/277
STM32L4S5xx, STM32L4S7xx and STM32L4S9xx Pinouts and pin description
117
Figure 17. STM32L4S9xx LQFP100 pinout(1)
1. The above figure shows the package top view.
06Y9
/4)3
966
3+26&B,1
3+26&B287
1567
3&
3&
3&
3&
966$95()
9''$95()
966
3$
3$
3$
3$
3&26&B287
9''
3(
9%$7
3&26&B,1
3(
3(
3(
3(
3&
3%
3%
3$
3&
3%
9''
3$
3%
3(
3(
3$
3$
3(
3(
3(
3%
3%
3(
3%
966
3(
3(
3(
3%
9''
3&
3&
3&
3'
3'
'6,B'1
'6,B'3
9&$3'6,
3'
3'
3'
9'''6,
'6,B&.3
966'6,
3%
3$
3&
3$
3$
3$
9'''6,
'6,B&.1
9''86%
3$
3$
9''
966
3%
3%
3%
9''
966
3%
3'
3'
3%
3+%227
3'
3'
3&
3%
3%
3'
3&
3$
3'
3'
3'
3&
3$
Pinouts and pin description STM32L4S5xx, STM32L4S7xx and STM32L4S9xx
72/277 DS12024 Rev 3
Table 14. Legend/abbreviations used in the pinout table
Name Abbreviation Definition
Pin name Unless otherwise specified in brackets below the pin name, the pin function during and after
reset is the same as the actual pin name
Pin type
S Supply pin
I Input only pin
I/O Input / output pin
I/O structure
FT 5 V tolerant I/O
TT 3.6 V tolerant I/O
B Dedicated BOOT0 pin
RST Bidirectional reset pin with embedded weak pull-up resistor
Option for TT or FT I/Os
_f (1) I/O, Fm+ capable
_l (2) I/O, with LCD function supplied by VLCD
_u (3) I/O, with USB function supplied by VDDUSB
_a (4) I/O, with Analog switch function supplied by VDDA
_s (5) I/O supplied only by VDDIO2
Notes Unless otherwise specified by a note, all I/Os are set as analog inputs during and after reset.
Pin
functions
Alternate
functions Functions selected through GPIOx_AFR registers
Additional
functions Functions directly selected/enabled through peripheral registers
1. The related I/O structures in Table 15 are: FT_f, FT_fa, FT_fl, FT_fla.
2. The related I/O structures in Table 15 are: FT_l, FT_fl, FT_lu.
3. The related I/O structures in Table 15 are: FT_u, FT_lu.
4. The related I/O structures in Table 15 are: FT_a, FT_la, FT_fa, FT_fla, TT_a, TT_la.
5. The related I/O structures in Table 15 are: FT_s, FT_fs.

DS12024 Rev 3 73/277
STM32L4S5xx, STM32L4S7xx and STM32L4S9xx Pinouts and pin description
117
Table 15. STM32L4Sxxx pin definitions
Pin Number
Pin
name
(functio
n after
reset)
Pin type
I/O structure
Notes
Alternate functions Additional
functions
STM32L4S5xx
STM32L4S7xx STM32L4S9xx
LQFP100
BGA132
LQFP144
WLCSP144
UFBGA169
LQFP100
LQFP144
UFBGA144
WLCSP144
UFBGA169
- - - - M11 - - - - M11 VSS S - - - -
----C1-- - -C1VDDS -- - -
- - - - C3 - - - - C3 PI11 I/O FT - OCTOSPIM_P2_IO0
, EVENTOUT -
1 B2 1 B11 D3 1 1 C3 B11 D3 PE2 I/O FT_l -
TRACECK,
TIM3_ETR,
SAI1_CK1,
TSC_G7_IO1,
LCD_R0, FMC_A23,
SAI1_MCLK_A,
EVENTOUT
-
2 A1 2 C11 D2 2 2 B3 C11 D2 PE3 I/O FT_l -
TRACED0,
TIM3_CH1,
OCTOSPIM_P1_DQ
S, TSC_G7_IO2,
LCD_R1, FMC_A19,
SAI1_SD_B,
EVENTOUT
-
3 B1 3 C12 D1 3 3 D3 C12 D1 PE4 I/O FT -
TRACED1,
TIM3_CH2,
SAI1_D2,
DFSDM1_DATIN3,
TSC_G7_IO3,
DCMI_D4, LCD_B0,
FMC_A20,
SAI1_FS_A,
EVENTOUT
-
4 C2 4 D9 E4 4 4 C2 D9 E4 PE5 I/O FT -
TRACED2,
TIM3_CH3,
SAI1_CK2,
DFSDM1_CKIN3,
TSC_G7_IO4,
DCMI_D6, LCD_G0,
FMC_A21,
SAI1_SCK_A,
EVENTOUT
-
5 D2 5 D10 E3 5 5 D4 D10 E3 PE6 I/O FT -
TRACED3,
TIM3_CH4,
SAI1_D1, DCMI_D7,
LCD_G1, FMC_A22,
SAI1_SD_A,
EVENTOUT
RTC_TAMP3,
WKUP3
6 E2 6 E10 E2 6 6 B1 E10 E2 VBAT S - - - -

Pinouts and pin description STM32L4S5xx, STM32L4S7xx and STM32L4S9xx
74/277 DS12024 Rev 3
7 C1 7 D11 E1 7 7 E4 D11 E1 PC13 I/O FT
(1)
(2) EVENTOUT
RTC_TAMP1/R
TC_TS/RTC_O
UT,WKUP2
8D18E11F188 D1E11F1
PC14-
OSC32_
IN
(PC14)
I/O FT
(1)
(2) EVENTOUT OSC32_IN
9E19E12G199 D2E12G1
PC15-
OSC32_
OUT
(PC15)
I/O FT
(1)
(2) EVENTOUT OSC32_OUT
- D6 10 E9 F5 - 10 E3 E9 F5 PF0 I/O FT_f -
I2C2_SDA,
OCTOSPIM_P2_IO0
, FMC_A0,
EVENTOUT
-
- D5 11 F8 F4 - 11 E2 F8 F4 PF1 I/O FT_f -
I2C2_SCL,
OCTOSPIM_P2_IO1
, FMC_A1,
EVENTOUT
-
- D4 12 F12 F3 - 12 E1 F12 F3 PF2 I/O FT -
I2C2_SMBA,
OCTOSPIM_P2_IO2
, FMC_A2,
EVENTOUT
-
- E4 13 F11 G3 - 13 E5 F11 G3 PF3 I/O FT -
OCTOSPIM_P2_IO3
, FMC_A3,
EVENTOUT
-
- F3 14 F10 G4 - 14 F3 F10 G4 PF4 I/O FT -
OCTOSPIM_P2_CL
K, FMC_A4,
EVENTOUT
-
- F4 15 F9 G5 - 15 F4 F9 G5 PF5 I/O FT - FMC_A5,
EVENTOUT -
10 F2 16 G11 F2 10 16 L6 G11 F2 VSS S - - - -
11 G2 17 G12 G2 11 17 G1 G12 G2 VDD S - - - -
- - 18 G10 - - 18 F2 G10 - PF6 I/O FT -
TIM5_ETR,
TIM5_CH1,
OCTOSPIM_P1_IO3
, SAI1_SD_B,
EVENTOUT
-
- - 19 G9 - - 19 F5 G9 - PF7 I/O FT -
TIM5_CH2,
OCTOSPIM_P1_IO2
, SAI1_MCLK_B,
EVENTOUT
-
Table 15. STM32L4Sxxx pin definitions (continued)
Pin Number
Pin
name
(functio
n after
reset)
Pin type
I/O structure
Notes
Alternate functions Additional
functions
STM32L4S5xx
STM32L4S7xx STM32L4S9xx
LQFP100
BGA132
LQFP144
WLCSP144
UFBGA169
LQFP100
LQFP144
UFBGA144
WLCSP144
UFBGA169

DS12024 Rev 3 75/277
STM32L4S5xx, STM32L4S7xx and STM32L4S9xx Pinouts and pin description
117
- - 20 NC - - - F1 NC - PF8 I/O FT (3)
TIM5_CH3,
OCTOSPIM_P1_IO0
, SAI1_SCK_B,
EVENTOUT
-
- - 21 NC - - - G4 NC - PF9 I/O FT (3)
TIM5_CH4,
OCTOSPIM_P1_IO1
, SAI1_FS_B,
TIM15_CH1,
EVENTOUT
-
- - 22 H10 H4 - 20 G3 H10 H4 PF10 I/O FT -
OCTOSPIM_P1_CL
K, DFSDM1_CKOUT,
DCMI_D11,
SAI1_D3,
TIM15_CH2,
EVENTOUT
-
12 F1 23 H12 H1 12 21 H1 H12 H1
PH0-
OSC_IN
(PH0)
I/O FT - EVENTOUT OSC_IN
13 G1 24 J12 J1 13 22 H2 J12 J1
PH1-
OSC_O
UT
(PH1)
I/O FT - EVENTOUT OSC_OUT
14 H2 25 H11 H3 14 23 J1 H11 H3 NRST I-O RST - - -
15 H1 26 J11 J2 15 24 H3 J11 J2 PC0 I/O FT_fl
a-
LPTIM1_IN1,
I2C3_SCL,
DFSDM1_DATIN4,
LPUART1_RX,
SAI2_FS_A,
LPTIM2_IN1,
EVENTOUT
ADC1_IN1
16 J2 27 K12 J3 16 25 J2 K12 J3 PC1 I/O FT_fl
a-
TRACED0,
LPTIM1_OUT,
SPI2_MOSI,
I2C3_SDA,
DFSDM1_CKIN4,
LPUART1_TX,
OCTOSPIM_P1_IO4
, SAI1_SD_A,
EVENTOUT
ADC1_IN2
17 J3 28 H9 J4 17 26 H4 H9 J4 PC2 I/O FT_l
a-
LPTIM1_IN2,
SPI2_MISO,
DFSDM1_CKOUT,
OCTOSPIM_P1_IO5
, EVENTOUT
ADC1_IN3
Table 15. STM32L4Sxxx pin definitions (continued)
Pin Number
Pin
name
(functio
n after
reset)
Pin type
I/O structure
Notes
Alternate functions Additional
functions
STM32L4S5xx
STM32L4S7xx STM32L4S9xx
LQFP100
BGA132
LQFP144
WLCSP144
UFBGA169
LQFP100
LQFP144
UFBGA144
WLCSP144
UFBGA169

Pinouts and pin description STM32L4S5xx, STM32L4S7xx and STM32L4S9xx
76/277 DS12024 Rev 3
18 K2 29 J10 K1 18 27 J3 J10 K1 PC3 I/O FT_a -
LPTIM1_ETR,
SAI1_D1,
SPI2_MOSI,
OCTOSPIM_P1_IO6
, SAI1_SD_A,
LPTIM2_ETR,
EVENTOUT
ADC1_IN4
19 - 30 - - - - - - - VSSA S - - - -
20 - 31 - - - - - - - VREF- S - - - -
- J1 - K11 K2 19 28 K1 K11 K2 VSSA/V
REF- S-- - -
21 L1 32 L11 L1 - 29 K2 L11 L1 VREF+ S - - - VREFBUF_OU
T
22 M1 33 L12 L2 - 30 L1 L12 L2 VDDA S - - - -
---- -20- - - -
VDDA/V
REF+ S-- - -
23 L2 34 J9 K3 21 31 K3 J9 K3 PA0 I/O FT_a -
TIM2_CH1,
TIM5_CH1,
TIM8_ETR,
USART2_CTS_NSS,
UART4_TX,
SAI1_EXTCLK,
TIM2_ETR,
EVENTOUT
OPAMP1_VIN
P, ADC1_IN5,
RTC_TAMP2,
WKUP1
-M3- - M1- - - - -OPAMP
1_VINM ITT- - -
24 M2 35 K10 N2 22 32 L2 K10 M1 PA1 I/O FT_l
a-
TIM2_CH2,
TIM5_CH2,
I2C1_SMBA,
SPI1_SCK,
USART2_RTS_DE,
UART4_RX,
OCTOSPIM_P1_DQ
S, TIM15_CH1N,
EVENTOUT
OPAMP1_VIN
M, ADC1_IN6
25 K3 36 H8 N1 23 33 L3 H8 N1 PA2 I/O FT_l
a-
TIM2_CH3,
TIM5_CH3,
USART2_TX,
LPUART1_TX,
OCTOSPIM_P1_NC
S, SAI2_EXTCLK,
TIM15_CH1,
EVENTOUT
ADC1_IN7,
WKUP4/LSCO
Table 15. STM32L4Sxxx pin definitions (continued)
Pin Number
Pin
name
(functio
n after
reset)
Pin type
I/O structure
Notes
Alternate functions Additional
functions
STM32L4S5xx
STM32L4S7xx STM32L4S9xx
LQFP100
BGA132
LQFP144
WLCSP144
UFBGA169
LQFP100
LQFP144
UFBGA144
WLCSP144
UFBGA169

DS12024 Rev 3 77/277
STM32L4S5xx, STM32L4S7xx and STM32L4S9xx Pinouts and pin description
117
26 L3 37 L10 M2 24 34 M3 L10 M2 PA3 I/O TT_a -
TIM2_CH4,
TIM5_CH4,
SAI1_CK1,
USART2_RX,
LPUART1_RX,
OCTOSPIM_P1_CL
K, SAI1_MCLK_A,
TIM15_CH2,
EVENTOUT
OPAMP1_VOU
T, ADC1_IN8
27 E3 38 M12 H2 25 35 G2 M12 H2 VSS S - - - -
28 H3 39M11N32636 M2M11N3 VDD S - - - -
29 J4 40 K9 L3 27 37 K4 K9 N2 PA4 I/O TT_a -
OCTOSPIM_P1_NC
S, SPI1_NSS,
SPI3_NSS,
USART2_CK,
DCMI_HSYNC,
SAI1_FS_B,
LPTIM2_OUT,
EVENTOUT
ADC1_IN9,
DAC1_OUT1
30 K4 41 G8 K4 28 38 L4 G8 L3 PA5 I/O TT_a -
TIM2_CH1,
TIM2_ETR,
TIM8_CH1N,
SPI1_SCK,
LPTIM2_ETR,
EVENTOUT
ADC1_IN10,
DAC1_OUT2
31 L4 42 J8 M4 29 39 J4 J8 L4 PA6 I/O FT_a -
TIM1_BKIN,
TIM3_CH1,
TIM8_BKIN,
DCMI_PIXCLK,
SPI1_MISO,
USART3_CTS_NSS,
LPUART1_CTS,
OCTOSPIM_P1_IO3
, TIM16_CH1,
EVENTOUT
OPAMP2_VIN
P, ADC1_IN11
-M4- - N4- - - - -OPAMP
2_VINM ITT- - -
32 J5 43 M10 L4 30 40 M4 M10 M4 PA7 I/O FT_fl
a-
TIM1_CH1N,
TIM3_CH2,
TIM8_CH1N,
I2C3_SCL,
SPI1_MOSI,
OCTOSPIM_P1_IO2
, TIM17_CH1,
EVENTOUT
OPAMP2_VIN
M, ADC1_IN12
Table 15. STM32L4Sxxx pin definitions (continued)
Pin Number
Pin
name
(functio
n after
reset)
Pin type
I/O structure
Notes
Alternate functions Additional
functions
STM32L4S5xx
STM32L4S7xx STM32L4S9xx
LQFP100
BGA132
LQFP144
WLCSP144
UFBGA169
LQFP100
LQFP144
UFBGA144
WLCSP144
UFBGA169

Pinouts and pin description STM32L4S5xx, STM32L4S7xx and STM32L4S9xx
78/277 DS12024 Rev 3
33 K5 44 L9 H5 31 41 L5 L9 K4 PC4 I/O FT_a -
USART3_TX,
OCTOSPIM_P1_IO7
, EVENTOUT
COMP1_INM,
ADC1_IN13
34 L5 45 K8 J5 - - K5 K8 - PC5 I/O FT_a -
SAI1_D3,
USART3_RX,
EVENTOUT
COMP1_INP,
ADC1_IN14,
WKUP5
35 M5 46 M9 K5 32 42 M5 M9 N4 PB0 I/O TT_l
a-
TIM1_CH2N,
TIM3_CH3,
TIM8_CH2N,
SPI1_NSS,
USART3_CK,
OCTOSPIM_P1_IO1
, COMP1_OUT,
SAI1_EXTCLK,
EVENTOUT
OPAMP2_VOU
T, ADC1_IN15
36 M6 47 H7 L5 33 43 J5 H7 L5 PB1 I/O FT_a -
TIM1_CH3N,
TIM3_CH4,
TIM8_CH3N,
DFSDM1_DATIN0,
USART3_RTS_DE,
LPUART1_RTS_DE,
OCTOSPIM_P1_IO0
, LPTIM2_IN1,
EVENTOUT
COMP1_INM,
ADC1_IN16
37 L6 48 J7 N5 34 44 H5 J7 N5 PB2 I/O FT_a -
RTC_OUT,
LPTIM1_OUT,
I2C3_SMBA,
DFSDM1_CKIN0,
OCTOSPIM_P1_DQ
S, LCD_B1,
EVENTOUT
COMP1_INP
- K6 49 K7 M5 - 45 K6 K7 M5 PF11 I/O FT -
LCD_DE,
DCMI_D12, DSI_TE,
EVENTOUT
-
- J7 50 L8 N6 - 46 G5 L8 N6 PF12 I/O FT -
OCTOSPIM_P2_DQ
S, LCD_B0,
FMC_A6,
EVENTOUT
-
- - 51 M8 - - 47 M1 M8 - VSS S - - - -
- - 52 L7 N7 - 48 M6 L7 N7 VDD S - - - -
- K7 53 M7 M6 - 49 J6 M7 M6 PF13 I/O FT -
I2C4_SMBA,
DFSDM1_DATIN6,
LCD_B1, FMC_A7,
EVENTOUT
-
Table 15. STM32L4Sxxx pin definitions (continued)
Pin Number
Pin
name
(functio
n after
reset)
Pin type
I/O structure
Notes
Alternate functions Additional
functions
STM32L4S5xx
STM32L4S7xx STM32L4S9xx
LQFP100
BGA132
LQFP144
WLCSP144
UFBGA169
LQFP100
LQFP144
UFBGA144
WLCSP144
UFBGA169

DS12024 Rev 3 79/277
STM32L4S5xx, STM32L4S7xx and STM32L4S9xx Pinouts and pin description
117
- J8 54 G7 L6 - 50 M7 G7 L6 PF14 I/O FT_f -
I2C4_SCL,
DFSDM1_CKIN6,
TSC_G8_IO1,
LCD_G0, FMC_A8,
EVENTOUT
-
- J9 55 J6 K6 - 51 H6 J6 K5 PF15 I/O FT_f -
I2C4_SDA,
TSC_G8_IO2,
LCD_G1, FMC_A9,
EVENTOUT
-
- H9 56 K6 J6 - 52 L7 K6 J5 PG0 I/O FT -
OCTOSPIM_P2_IO4
, TSC_G8_IO3,
FMC_A10,
EVENTOUT
-
- G957L6H6-53M8L6H5 PG1 I/OFT -
OCTOSPIM_P2_IO5
, TSC_G8_IO4,
FMC_A11,
EVENTOUT
-
38 M7 58 M6 L7 35 54 G6 M6 L7 PE7 I/O FT -
TIM1_ETR,
DFSDM1_DATIN2,
LCD_B6, FMC_D4,
SAI1_SD_B,
EVENTOUT
-
39 L7 59 H6 K7 36 55 K7 H6 K6 PE8 I/O FT -
TIM1_CH1N,
DFSDM1_CKIN2,
LCD_B7, FMC_D5,
SAI1_SCK_B,
EVENTOUT
-
40 M8 60 G6 J7 37 56 J7 G6 J6 PE9 I/O FT -
TIM1_CH1,
DFSDM1_CKOUT,
LCD_G2, FMC_D6,
SAI1_FS_B,
EVENTOUT
-
- F6 61 - M7 - 57 C1 - M7 VSS S - - - -
-G662 - - -58 - - - VDD S - - - -
41 L8 63 K5 H7 38 59 L8 K5 H6 PE10 I/O FT -
TIM1_CH2N,
DFSDM1_DATIN4,
TSC_G5_IO1,
OCTOSPIM_P1_CL
K, LCD_G3,
FMC_D7,
SAI1_MCLK_B,
EVENTOUT
-
Table 15. STM32L4Sxxx pin definitions (continued)
Pin Number
Pin
name
(functio
n after
reset)
Pin type
I/O structure
Notes
Alternate functions Additional
functions
STM32L4S5xx
STM32L4S7xx STM32L4S9xx
LQFP100
BGA132
LQFP144
WLCSP144
UFBGA169
LQFP100
LQFP144
UFBGA144
WLCSP144
UFBGA169

Pinouts and pin description STM32L4S5xx, STM32L4S7xx and STM32L4S9xx
80/277 DS12024 Rev 3
42 M9 64 L5 N8 39 60 H7 L5 N8 PE11 I/O FT -
TIM1_CH2,
DFSDM1_CKIN4,
TSC_G5_IO2,
OCTOSPIM_P1_NC
S, LCD_G4,
FMC_D8,
EVENTOUT
-
43 L9 65 M5 M8 40 61 M9 M5 M8 PE12 I/O FT -
TIM1_CH3N,
SPI1_NSS,
DFSDM1_DATIN5,
TSC_G5_IO3,
OCTOSPIM_1_IO0,
LCD_G5, FMC_D9,
EVENTOUT
-
44 M10 66 J5 L8 41 62 J8 J5 L8 PE13 I/O FT -
TIM1_CH3,
SPI1_SCK,
DFSDM1_CKIN5,
TSC_G5_IO4,
OCTOSPIM_P1_IO1
, LCD_G6,
FMC_D10,
EVENTOUT
-
45 M11 67 H5 K8 42 63 M10 H5 K7 PE14 I/O FT -
TIM1_CH4,
TIM1_BKIN2,
SPI1_MISO,
OCTOSPIM_P1_IO2
, LCD_G7,
FMC_D11,
EVENTOUT
-
46 M12 68 K4 J8 43 64 K8 K4 J7 PE15 I/O FT -
TIM1_BKIN,
SPI1_MOSI,
OCTOSPIM_P1_IO3
, LCD_R2,
FMC_D12,
EVENTOUT
-
47 L10 69 L4 N9 44 65 L9 L4 N9 PB10 I/O FT_fl -
TIM2_CH3,
I2C4_SCL,
I2C2_SCL,
SPI2_SCK,
DFSDM1_DATIN7,
USART3_TX,
LPUART1_RX,
TSC_SYNC,
OCTOSPIM_P1_CL
K, COMP1_OUT,
SAI1_SCK_A,
EVENTOUT
-
Table 15. STM32L4Sxxx pin definitions (continued)
Pin Number
Pin
name
(functio
n after
reset)
Pin type
I/O structure
Notes
Alternate functions Additional
functions
STM32L4S5xx
STM32L4S7xx STM32L4S9xx
LQFP100
BGA132
LQFP144
WLCSP144
UFBGA169
LQFP100
LQFP144
UFBGA144
WLCSP144
UFBGA169

DS12024 Rev 3 81/277
STM32L4S5xx, STM32L4S7xx and STM32L4S9xx Pinouts and pin description
117
48 L11 70 M4 H8 45 66 K9 M4 H7 PB11 I/O FT_fl -
TIM2_CH4,
I2C4_SDA,
I2C2_SDA,
DFSDM1_CKIN7,
USART3_RX,
LPUART1_TX,
OCTOSPIM_P1_NC
S, DSI_TE,
COMP2_OUT,
EVENTOUT
-
- - - - K9 - - - - K8 PH4 I/O FT_f -
I2C2_SCL,
OCTOSPIM_P2_DQ
S, EVENTOUT
-
- - - - L9 - - - - L9 PH5 I/O FT_f -
I2C2_SDA,
DCMI_PIXCLK,
EVENTOUT
-
- - - - N10 - - - - N10 PH8 I/O FT_f -
I2C3_SDA,
OCTOSPIM_P2_IO3
, DCMI_HSYNC,
EVENTOUT
-
- - - - M9 - - - - M9 PH10 I/O FT -
TIM5_CH1,
OCTOSPIM_P2_IO5
, DCMI_D1,
EVENTOUT
-
- - - - M10 - - - - M10 PH11 I/O FT -
TIM5_CH2,
OCTOSPIM_P2_IO6
, DCMI_D2,
EVENTOUT
-
- - - - C2 - - - - C2 VSS S - - - -
49 F12 71 M3 A7 46 67 M12 M3 A7 VSS S - - - -
50 G12 72 M1 N11 47 68 L11 M1 N11 VDD S - - - -
51 L12 73 J4 N12 48 69 L10 J4 N12 PB12 I/O FT -
TIM1_BKIN,
I2C2_SMBA,
SPI2_NSS,
DFSDM1_DATIN1,
USART3_CK,
LPUART1_RTS_DE,
TSC_G1_IO1,
SAI2_FS_A,
TIM15_BKIN,
EVENTOUT
-
Table 15. STM32L4Sxxx pin definitions (continued)
Pin Number
Pin
name
(functio
n after
reset)
Pin type
I/O structure
Notes
Alternate functions Additional
functions
STM32L4S5xx
STM32L4S7xx STM32L4S9xx
LQFP100
BGA132
LQFP144
WLCSP144
UFBGA169
LQFP100
LQFP144
UFBGA144
WLCSP144
UFBGA169

Pinouts and pin description STM32L4S5xx, STM32L4S7xx and STM32L4S9xx
82/277 DS12024 Rev 3
52 K12 74 H4 N13 49 70 M11 H4 N13 PB13 I/O FT_fl -
TIM1_CH1N,
I2C2_SCL,
SPI2_SCK,
DFSDM1_CKIN1,
USART3_CTS_NSS,
LPUART1_CTS,
TSC_G1_IO2,
SAI2_SCK_A,
TIM15_CH1N,
EVENTOUT
-
53 K11 75 H3 M13 50 71 K10 H3 M12 PB14 I/O FT_fl -
TIM1_CH2N,
TIM8_CH2N,
I2C2_SDA,
SPI2_MISO,
DFSDM1_DATIN2,
USART3_RTS_DE,
TSC_G1_IO3,
SAI2_MCLK_A,
TIM15_CH1,
EVENTOUT
-
54 K10 76 J3 M12 51 72 J9 J3 L10 PB15 I/O FT -
RTC_REFIN,
TIM1_CH3N,
TIM8_CH3N,
SPI2_MOSI,
DFSDM1_CKIN2,
TSC_G1_IO4,
SAI2_SD_A,
TIM15_CH2,
EVENTOUT
-
- - - M2 L12 - - - M2 - VDD S - - - -
- - - - - 52 73 - - M13 VDDDSI S - - - -
- - - - L13 - - - - - VSS S - - - -
- - - - - 53 74 L12 L3 L13 VCAPD
SI S-- - -
---- -5475K11L1L11
DSI_D0
PI/O - (3) --
- - - - - 55 76 K12 L2 L12 DSI_D0
NI/O - (3) --
- - - - - 56 77 - - J13 VSSDSI S - - - -
---- -5778J11K1K11
DSI_CK
PI/O - (3) --
---- -5879J12K2K12
DSI_CK
NI/O - (3) --
Table 15. STM32L4Sxxx pin definitions (continued)
Pin Number
Pin
name
(functio
n after
reset)
Pin type
I/O structure
Notes
Alternate functions Additional
functions
STM32L4S5xx
STM32L4S7xx STM32L4S9xx
LQFP100
BGA132
LQFP144
WLCSP144
UFBGA169
LQFP100
LQFP144
UFBGA144
WLCSP144
UFBGA169

DS12024 Rev 3 83/277
STM32L4S5xx, STM32L4S7xx and STM32L4S9xx Pinouts and pin description
117
---- -5980- - -
VDD12D
SI S-- - -
---- ---H11J2J11
DSI_D1
PI/O - (3) --
---- ---H12J1J12
DSI_D1
NI/O - (3) --
- - - - - - - J10 K3 K13 VSSDSI S - - - -
- - - K3 - - - - - - VSS S - - - -
---L3--- - - - NC - -- - -
---L1--- - - - NC - -- - -
---L2--- - - - NC - -- - -
---K1--- - - - NC - -- - -
---K2--- - - - NC - -- - -
---J2--- - - - NC - -- - -
---J1--- - - - NC - -- - -
55 K9 77 H2 L11 60 81 H10 H2 K10 PD8 I/O FT -
USART3_TX,
DCMI_HSYNC,
LCD_R3, FMC_D13,
EVENTOUT
-
56 K8 78 H1 L10 61 82 H9 H1 K9 PD9 I/O FT -
USART3_RX,
DCMI_PIXCLK,
LCD_R4, FMC_D14,
SAI2_MCLK_A,
EVENTOUT
-
57 J12 79 G5 J13 62 83 H8 G5 J10 PD10 I/O FT -
USART3_CK,
TSC_G6_IO1,
LCD_R5, FMC_D15,
SAI2_SCK_A,
EVENTOUT
-
----H13-- - - - VDDS -- - -
58 J11 80 G4 K12 - 84 G11 G4 J9 PD11 I/O FT -
I2C4_SMBA,
USART3_CTS_NSS,
TSC_G6_IO2,
LCD_R6, FMC_A16,
SAI2_SD_A,
LPTIM2_ETR,
EVENTOUT
-
Table 15. STM32L4Sxxx pin definitions (continued)
Pin Number
Pin
name
(functio
n after
reset)
Pin type
I/O structure
Notes
Alternate functions Additional
functions
STM32L4S5xx
STM32L4S7xx STM32L4S9xx
LQFP100
BGA132
LQFP144
WLCSP144
UFBGA169
LQFP100
LQFP144
UFBGA144
WLCSP144
UFBGA169

Pinouts and pin description STM32L4S5xx, STM32L4S7xx and STM32L4S9xx
84/277 DS12024 Rev 3
59 J10 81 F4 K11 - 85 G9 F4 J8 PD12 I/O FT_fl -
TIM4_CH1,
I2C4_SCL,
USART3_RTS_DE,
TSC_G6_IO3,
LCD_R7, FMC_A17,
SAI2_FS_A,
LPTIM2_IN1,
EVENTOUT
-
60 H12 82 G3 K13 - 86 G10 G3 H8 PD13 I/O FT_fl -
TIM4_CH2,
I2C4_SDA,
TSC_G6_IO4,
FMC_A18,
LPTIM2_OUT,
EVENTOUT
-
- - 83 G1 H12 - 87 - G1 H12 VSS S - - - -
- - 84 G2 G13 - 88 G12 G2 H13 VDD S - - - -
61 H11 85 F3 K10 63 89 G8 F3 H11 PD14 I/O FT -
TIM4_CH3, LCD_B2,
FMC_D0,
EVENTOUT
-
62 H10 86 F1 H11 64 90 G7 F1 H10 PD15 I/O FT -
TIM4_CH4, LCD_B3,
FMC_D1,
EVENTOUT
-
- G10 87 F2 J12 - 91 F12 F2 H9 PG2 I/O FT_s -
SPI1_SCK,
FMC_A12,
SAI2_SCK_B,
EVENTOUT
-
- F9 88 F5 J11 - 92 F7 F5 G8 PG3 I/O FT_s -
SPI1_MISO,
FMC_A13,
SAI2_FS_B,
EVENTOUT
-
- F10 89 F6 J10 - 93 F10 F6 G7 PG4 I/O FT_s -
SPI1_MOSI,
FMC_A14,
SAI2_MCLK_B,
EVENTOUT
-
- E9 90 F7 J9 - 94 F8 F7 G9 PG5 I/O FT_s -
SPI1_NSS,
LPUART1_CTS,
FMC_A15,
SAI2_SD_B,
EVENTOUT
-
- G4 91 E5 G11 - 95 F9 E5 G12 PG6 I/O FT_s -
OCTOSPIM_P1_DQ
S, I2C3_SMBA,
LPUART1_RTS_DE,
LCD_R1, DSI_TE,
EVENTOUT
-
Table 15. STM32L4Sxxx pin definitions (continued)
Pin Number
Pin
name
(functio
n after
reset)
Pin type
I/O structure
Notes
Alternate functions Additional
functions
STM32L4S5xx
STM32L4S7xx STM32L4S9xx
LQFP100
BGA132
LQFP144
WLCSP144
UFBGA169
LQFP100
LQFP144
UFBGA144
WLCSP144
UFBGA169

DS12024 Rev 3 85/277
STM32L4S5xx, STM32L4S7xx and STM32L4S9xx Pinouts and pin description
117
- H4 92 E1 H10 - 96 E11 E1 G10 PG7 I/O FT_f
s-
SAI1_CK1,
I2C3_SCL,
OCTOSPIM_P2_DQ
S, DFSDM1_CKOUT,
LPUART1_TX,
FMC_INT,
SAI1_MCLK_A,
EVENTOUT
-
- J6 93 E2 H9 - 97 E8 E2 F10 PG8 I/O FT_f
s-
I2C3_SDA,
LPUART1_RX,
EVENTOUT
-
- - 94 D12 F13 - - F11 D12 F13 VSS S - - - -
- - 95 E3 F12 - - E12 E3 F12 VDDIO2 S - - - -
63 E12 96 E4 F11 65 98 D12 E4 F11 PC6 I/O FT -
TIM3_CH1,
TIM8_CH1,
DFSDM1_CKIN3,
SDMMC1_D0DIR,
TSC_G4_IO1,
DCMI_D0, LCD_R0,
SDMMC1_D6,
SAI2_MCLK_A,
EVENTOUT
-
64 E11 97 E6 G12 66 99 E9 E6 G11 PC7 I/O FT -
TIM3_CH2,
TIM8_CH2,
DFSDM1_DATIN3,
SDMMC1_D123DIR,
TSC_G4_IO2,
DCMI_D1, LCD_R1,
SDMMC1_D7,
SAI2_MCLK_B,
EVENTOUT
-
65 E10 98 D1 G10 67 100 E10 D1 F9 PC8 I/O FT -
TIM3_CH3,
TIM8_CH3,
TSC_G4_IO3,
DCMI_D2,
SDMMC1_D0,
EVENTOUT
-
Table 15. STM32L4Sxxx pin definitions (continued)
Pin Number
Pin
name
(functio
n after
reset)
Pin type
I/O structure
Notes
Alternate functions Additional
functions
STM32L4S5xx
STM32L4S7xx STM32L4S9xx
LQFP100
BGA132
LQFP144
WLCSP144
UFBGA169
LQFP100
LQFP144
UFBGA144
WLCSP144
UFBGA169

Pinouts and pin description STM32L4S5xx, STM32L4S7xx and STM32L4S9xx
86/277 DS12024 Rev 3
66 D12 99 D2 G9 68 101 C12 D2 G13 PC9 I/O FT_fl -
TRACED0,
TIM8_BKIN2,
TIM3_CH4,
TIM8_CH4,
DCMI_D3,
I2C3_SDA,
TSC_G4_IO4,
OTG_FS_NOE,
SDMMC1_D1,
SAI2_EXTCLK,
EVENTOUT
-
67 D11 100 D3 G8 69 102 D11 D3 E11 PA8 I/O FT_f -
MCO, TIM1_CH1,
SAI1_CK2,
USART1_CK,
OTG_FS_SOF,
SAI1_SCK_A,
LPTIM2_OUT,
EVENTOUT
-
68 D10 101 D4 F10 70 103 D10 D4 E12 PA9 I/O FT_fl
u-
TIM1_CH2,
SPI2_SCK,
DCMI_D0,
USART1_TX,
SAI1_FS_A,
TIM15_BKIN,
EVENTOUT
OTG_FS_VBU
S
69 C12 102 D5 F9 71 104 C10 D5 D11 PA10 I/O FT_fl
u-
TIM1_CH3,
SAI1_D1, DCMI_D1,
USART1_RX,
OTG_FS_ID,
SAI1_SD_A,
TIM17_BKIN,
EVENTOUT
-
70 B12 103 C1 E13 72 105 B12 C1 E13 PA11 I/O FT_u -
TIM1_CH4,
TIM1_BKIN2,
SPI1_MISO,
USART1_CTS_NSS,
CAN1_RX,
OTG_FS_DM,
EVENTOUT
-
71 A12 104 C2 D13 73 106 B11 C2 D13 PA12 I/O FT_u -
TIM1_ETR,
SPI1_MOSI,
USART1_RTS_DE,
CAN1_TX,
OTG_FS_DP,
EVENTOUT
-
Table 15. STM32L4Sxxx pin definitions (continued)
Pin Number
Pin
name
(functio
n after
reset)
Pin type
I/O structure
Notes
Alternate functions Additional
functions
STM32L4S5xx
STM32L4S7xx STM32L4S9xx
LQFP100
BGA132
LQFP144
WLCSP144
UFBGA169
LQFP100
LQFP144
UFBGA144
WLCSP144
UFBGA169

DS12024 Rev 3 87/277
STM32L4S5xx, STM32L4S7xx and STM32L4S9xx Pinouts and pin description
117
72 A11 105 B3 A11 74 107 B10 B3 A11
PA13
(JTMS/S
WDIO)
I/O FT (4)
JTMS/SWDIO,
IR_OUT,
OTG_FS_NOE,
SAI1_SD_B,
EVENTOUT
-
73 C11 106 B2 E12 75 108 C11 B2 D12 VDDUS
BS-- - -
74 F11 107 A1 C12 76 109 A12 A1 C12 VSS S - - - -
75 G11 108 B1 C13 77 110 A11 B1 C13 VDD S - - - -
- - - - E11 - - - - - PH6 I/O FT -
I2C2_SMBA,
OCTOSPIM_P2_CL
K, DCMI_D8,
EVENTOUT
-
- - - - D12 - - - - - PH7 I/O FT_f -
I2C3_SCL,
DCMI_D9,
EVENTOUT
-
- - - - D11 - - - - C11 PH9 I/O FT -
I2C3_SMBA,
OCTOSPIM_P2_IO4
, DCMI_D0,
EVENTOUT
-
- - - - B13 - - - - B13 PH12 I/O FT -
TIM5_CH3,
OCTOSPIM_P2_IO7
, DCMI_D3,
EVENTOUT
-
- - - - A13 - - - - A13 PH14 I/O FT -
TIM8_CH2N,
DCMI_D4,
EVENTOUT
-
- - - - B12 - - - - B12 PH15 I/O FT -
TIM8_CH3N,
OCTOSPIM_P2_IO6
, DCMI_D11,
EVENTOUT
-
- - - - A12 - - - - A12 PI0 I/O FT -
TIM5_CH4,
OCTOSPIM_P1_IO5
, SPI2_NSS,
DCMI_D13,
EVENTOUT
-
- - - - C11 - - - - - PI8 I/O FT -
OCTOSPIM_P2_NC
S, DCMI_D12,
EVENTOUT
-
- - - - B11 - - - - B11 PI1 I/O FT -
SPI2_SCK,
DCMI_D8,
EVENTOUT
-
Table 15. STM32L4Sxxx pin definitions (continued)
Pin Number
Pin
name
(functio
n after
reset)
Pin type
I/O structure
Notes
Alternate functions Additional
functions
STM32L4S5xx
STM32L4S7xx STM32L4S9xx
LQFP100
BGA132
LQFP144
WLCSP144
UFBGA169
LQFP100
LQFP144
UFBGA144
WLCSP144
UFBGA169

Pinouts and pin description STM32L4S5xx, STM32L4S7xx and STM32L4S9xx
88/277 DS12024 Rev 3
- - - - B10 - - - - B10 PI2 I/O FT -
TIM8_CH4,
SPI2_MISO,
DCMI_D9,
EVENTOUT
-
- - - - C10 - - - - C10 PI3 I/O FT -
TIM8_ETR,
SPI2_MOSI,
DCMI_D10,
EVENTOUT
-
- - - - D10 - - - - D10 PI4 I/O FT -
TIM8_BKIN,
DCMI_D5,
EVENTOUT
-
- - - - E10 - - - - E10 PI5 I/O FT -
TIM8_CH1,
OCTOSPIM_P2_NC
S, DCMI_VSYNC,
EVENTOUT
-
- - - - C9 - - - - C9 PH13 I/O FT -
TIM8_CH1N,
CAN1_TX,
EVENTOUT
-
- - - - B9 - - - - B9 PI6 I/O FT -
TIM8_CH2,
OCTOSPIM_P2_CL
K, DCMI_D6,
EVENTOUT
-
76 A10 109 A2 A10 78 111 A10 A2 A10
PA14
(JTCK/S
WCLK)
I/O FT (4)
JTCK/SWCLK,
LPTIM1_OUT,
I2C1_SMBA,
I2C4_SMBA,
OTG_FS_SOF,
SAI1_FS_B,
EVENTOUT
-
77 A9 110 A3 A9 79 112 B9 A3 A9 PA15
(JTDI) I/O FT (4)
JTDI, TIM2_CH1,
TIM2_ETR,
USART2_RX,
SPI1_NSS,
SPI3_NSS,
USART3_RTS_DE,
UART4_RTS_DE,
TSC_G3_IO1,
SAI2_FS_B,
EVENTOUT
-
Table 15. STM32L4Sxxx pin definitions (continued)
Pin Number
Pin
name
(functio
n after
reset)
Pin type
I/O structure
Notes
Alternate functions Additional
functions
STM32L4S5xx
STM32L4S7xx STM32L4S9xx
LQFP100
BGA132
LQFP144
WLCSP144
UFBGA169
LQFP100
LQFP144
UFBGA144
WLCSP144
UFBGA169

DS12024 Rev 3 89/277
STM32L4S5xx, STM32L4S7xx and STM32L4S9xx Pinouts and pin description
117
78 B11 111 C3 D9 80 113 C9 C3 D9 PC10 I/O FT -
TRACED1,
SPI3_SCK,
USART3_TX,
UART4_TX,
TSC_G3_IO2,
DCMI_D8,
SDMMC1_D2,
SAI2_SCK_B,
EVENTOUT
-
79 C10 112 C4 E9 81 114 A9 C4 E9 PC11 I/O FT -
DCMI_D2,
OCTOSPIM_P1_NC
S, SPI3_MISO,
USART3_RX,
UART4_RX,
TSC_G3_IO3,
DCMI_D4,
SDMMC1_D3,
SAI2_MCLK_B,
EVENTOUT
-
80 B10 113 B4 F8 82 115 D9 B4 F8 PC12 I/O FT -
TRACED3,
SPI3_MOSI,
USART3_CK,
UART5_TX,
TSC_G3_IO4,
DCMI_D9,
SDMMC1_CK,
SAI2_SD_B,
EVENTOUT
-
81 C9 114 A4 B8 83 116 C8 A4 B8 PD0 I/O FT -
SPI2_NSS,
DFSDM1_DATIN7,
CAN1_RX, LCD_B4,
FMC_D2,
EVENTOUT
-
82 B9 115 C5 C8 84 117 B8 C5 C8 PD1 I/O FT -
SPI2_SCK,
DFSDM1_CKIN7,
CAN1_TX, LCD_B5,
FMC_D3,
EVENTOUT
-
83 C8 116 B5 D8 85 118 D8 B5 D8 PD2 I/O FT -
TRACED2,
TIM3_ETR,
USART3_RTS_DE,
UART5_RX,
TSC_SYNC,
DCMI_D11,
SDMMC1_CMD,
EVENTOUT
-
Table 15. STM32L4Sxxx pin definitions (continued)
Pin Number
Pin
name
(functio
n after
reset)
Pin type
I/O structure
Notes
Alternate functions Additional
functions
STM32L4S5xx
STM32L4S7xx STM32L4S9xx
LQFP100
BGA132
LQFP144
WLCSP144
UFBGA169
LQFP100
LQFP144
UFBGA144
WLCSP144
UFBGA169

Pinouts and pin description STM32L4S5xx, STM32L4S7xx and STM32L4S9xx
90/277 DS12024 Rev 3
84 B8 117 D6 E8 86 119 A8 D6 E8 PD3 I/O FT -
SPI2_SCK,
DCMI_D5,
SPI2_MISO,
DFSDM1_DATIN0,
USART2_CTS_NSS,
OCTOSPIM_P2_NC
S, LCD_CLK,
FMC_CLK,
EVENTOUT
-
85 B7 118 C6 C7 87 120 C7 C6 C7 PD4 I/O FT -
SPI2_MOSI,
DFSDM1_CKIN0,
USART2_RTS_DE,
OCTOSPIM_P1_IO4
, FMC_NOE,
EVENTOUT
-
86 A6 119 A5 D7 88 121 D7 A5 D7 PD5 I/O FT -
USART2_TX,
OCTOSPIM_P1_IO5
, FMC_NWE,
EVENTOUT
-
- - 120 B6 M3 - 122 - B6 M3 VSS S - - - -
- - 121 A6 A8 - 123 - A6 A8 VDD S - - - -
87 B6 122 E7 E7 89 124 B7 E7 E7 PD6 I/O FT -
SAI1_D1,
DCMI_D10,
SPI3_MOSI,
DFSDM1_DATIN1,
USART2_RX,
OCTOSPIM_P1_IO6
, LCD_DE,
FMC_NWAIT,
SAI1_SD_A,
EVENTOUT
-
88 A5 123 D7 F7 90 125 E7 D7 F7 PD7 I/O FT -
DFSDM1_CKIN1,
USART2_CK,
OCTOSPIM_P1_IO7
,
FMC_NCE/FMC_NE
1, EVENTOUT
-
- D9 124 C7 B7 - 126 F6 C7 B7 PG9 I/O FT_s -
OCTOSPIM_P2_IO6
, SPI3_SCK,
USART1_TX,
FMC_NCE/FMC_NE
2, SAI2_SCK_A,
TIM15_CH1N,
EVENTOUT
-
Table 15. STM32L4Sxxx pin definitions (continued)
Pin Number
Pin
name
(functio
n after
reset)
Pin type
I/O structure
Notes
Alternate functions Additional
functions
STM32L4S5xx
STM32L4S7xx STM32L4S9xx
LQFP100
BGA132
LQFP144
WLCSP144
UFBGA169
LQFP100
LQFP144
UFBGA144
WLCSP144
UFBGA169

DS12024 Rev 3 91/277
STM32L4S5xx, STM32L4S7xx and STM32L4S9xx Pinouts and pin description
117
- D8 125 B7 D6 - 127 E6 B7 D6 PG10 I/O FT_s -
LPTIM1_IN1,
OCTOSPIM_P2_IO7
, SPI3_MISO,
USART1_RX,
FMC_NE3,
SAI2_FS_A,
TIM15_CH1,
EVENTOUT
-
- G3 126 - E6 - 128 - - E6 PG11 I/O FT_s -
LPTIM1_IN2,
OCTOSPIM_P1_IO5
, SPI3_MOSI,
USART1_CTS_NSS,
SAI2_MCLK_A,
TIM15_CH2,
EVENTOUT
-
- D7 127 A7 F6 - 129 D6 A7 F6 PG12 I/O FT_s -
LPTIM1_ETR,
OCTOSPIM_P2_NC
S, SPI3_NSS,
USART1_RTS_DE,
FMC_NE4,
SAI2_SD_A,
EVENTOUT
-
- C7 128 D8 G7 - - C6 D8 G6 PG13 I/O FT_f
s-
I2C1_SDA,
USART1_CK,
LCD_R0, FMC_A24,
EVENTOUT
-
- C6 129 - G6 - - - - - PG14 I/O FT_f
s-
I2C1_SCL, LCD_R1,
FMC_A25,
EVENTOUT
-
- F7 130 - - - 130 A7 - - VSS S - - - -
- G7 131 A8 B6 - 131 A6 A8 B6 VDDIO2 S - - - -
- K1 132 - C6 - 132 - - C6 PG15 I/O FT_s -
LPTIM1_OUT,
I2C1_SMBA,
OCTOSPIM_P2_DQ
S, DCMI_D13,
EVENTOUT
-
89 A8 133 B8 A6 91 133 B6 B8 A6
PB3
(JTDO/T
RACES
WO)
I/O FT_l
a-
JTDO/TRACESWO,
TIM2_CH2,
SPI1_SCK,
SPI3_SCK,
USART1_RTS_DE,
OTG_FS_CRS_SYN
C, SAI1_SCK_B,
EVENTOUT
COMP2_INM
Table 15. STM32L4Sxxx pin definitions (continued)
Pin Number
Pin
name
(functio
n after
reset)
Pin type
I/O structure
Notes
Alternate functions Additional
functions
STM32L4S5xx
STM32L4S7xx STM32L4S9xx
LQFP100
BGA132
LQFP144
WLCSP144
UFBGA169
LQFP100
LQFP144
UFBGA144
WLCSP144
UFBGA169

Pinouts and pin description STM32L4S5xx, STM32L4S7xx and STM32L4S9xx
92/277 DS12024 Rev 3
90 A7 134 C8 A5 92 134 A5 C8 A5 PB4
(NJTRST) I/O FT_f
a
(4)
NJTRST, TIM3_CH1,
I2C3_SDA,
SPI1_MISO,
SPI3_MISO,
USART1_CTS_NSS,
UART5_RTS_DE,
TSC_G2_IO1,
DCMI_D12,
SAI1_MCLK_B,
TIM17_BKIN,
EVENTOUT
COMP2_INP
91 C5 135 E8 B5 93 135 B5 E8 B5 PB5 I/O FT_l
a-
LPTIM1_IN1,
TIM3_CH2,
I2C1_SMBA,
SPI1_MOSI,
SPI3_MOSI,
USART1_CK,
UART5_CTS,
TSC_G2_IO2,
DCMI_D10,
COMP2_OUT,
SAI1_SD_B,
TIM16_BKIN,
EVENTOUT
-
92 B5 136 C9 C5 94 136 D5 C9 C5 PB6 I/O FT_f
a-
LPTIM1_ETR,
TIM4_CH1,
TIM8_BKIN2,
I2C1_SCL,
I2C4_SCL,
DFSDM1_DATIN5,
USART1_TX,
TSC_G2_IO3,
DCMI_D5,
SAI1_FS_B,
TIM16_CH1N,
EVENTOUT
COMP2_INP
Table 15. STM32L4Sxxx pin definitions (continued)
Pin Number
Pin
name
(functio
n after
reset)
Pin type
I/O structure
Notes
Alternate functions Additional
functions
STM32L4S5xx
STM32L4S7xx STM32L4S9xx
LQFP100
BGA132
LQFP144
WLCSP144
UFBGA169
LQFP100
LQFP144
UFBGA144
WLCSP144
UFBGA169

DS12024 Rev 3 93/277
STM32L4S5xx, STM32L4S7xx and STM32L4S9xx Pinouts and pin description
117
93 B4 137 A9 D5 95 137 C5 A9 D5 PB7 I/O FT_fl
a-
LPTIM1_IN2,
TIM4_CH2,
TIM8_BKIN,
I2C1_SDA,
I2C4_SDA,
DFSDM1_CKIN5,
USART1_RX,
UART4_CTS,
TSC_G2_IO4,
DCMI_VSYNC,
DSI_TE, FMC_NL,
TIM17_CH1N,
EVENTOUT
COMP2_INM,
PVD_IN
94 A4 138 B9 E5 96 138 A4 B9 E5 PH3-
BOOT0 I/O FT - EVENTOUT -
95 A3 139 C10 C4 97 139 B4 C10 C4 PB8 I/O FT_fl -
TIM4_CH3,
SAI1_CK1,
I2C1_SCL,
DFSDM1_CKOUT,
DFSDM1_DATIN6,
SDMMC1_CKIN,
CAN1_RX,
DCMI_D6, LCD_B1,
SDMMC1_D4,
SAI1_MCLK_A,
TIM16_CH1,
EVENTOUT
-
96 B3 140 B10 D4 98 140 A3 B10 D4 PB9 I/O FT_fl -
IR_OUT, TIM4_CH4,
SAI1_D2, I2C1_SDA,
SPI2_NSS,
DFSDM1_CKIN6,
SDMMC1_CDIR,
CAN1_TX,
DCMI_D7,
SDMMC1_D5,
SAI1_FS_A,
TIM17_CH1,
EVENTOUT
-
97 C3 141 A10 A4 - 141 A2 A10 A4 PE0 I/O FT -
TIM4_ETR,
DCMI_D2,
LCD_HSYNC,
FMC_NBL0,
TIM16_CH1,
EVENTOUT
-
Table 15. STM32L4Sxxx pin definitions (continued)
Pin Number
Pin
name
(functio
n after
reset)
Pin type
I/O structure
Notes
Alternate functions Additional
functions
STM32L4S5xx
STM32L4S7xx STM32L4S9xx
LQFP100
BGA132
LQFP144
WLCSP144
UFBGA169
LQFP100
LQFP144
UFBGA144
WLCSP144
UFBGA169

Pinouts and pin description STM32L4S5xx, STM32L4S7xx and STM32L4S9xx
94/277 DS12024 Rev 3
98 A2 142 A11 B4 - 142 C4 A11 B4 PE1 I/O FT -
DCMI_D3,
LCD_VSYNC,
FMC_NBL1,
TIM17_CH1,
EVENTOUT
-
99 D3 143 A12 B3 99 143 A1 A12 B3 VSS S - - - -
100 C4 144 B12 A3 10
0144 B2 B12 A3 VDD S - - - -
- - - - A2 - - - - A2 PH2 I/O FT - OCTOSPIM_P1_IO4
, EVENTOUT -
- - - - B2 - - - - B2 PI7 I/O FT -
TIM8_CH3,
DCMI_D7,
EVENTOUT
-
- - - - B1 - - - - B1 PI9 I/O FT -
OCTOSPIM_P2_IO2
, CAN1_RX,
EVENTOUT
-
- - - - A1 - - - - A1 PI10 I/O FT - OCTOSPIM_P2_IO1
, EVENTOUT -
1. PC13, PC14 and PC15 are supplied through the power switch. Since the switch only sinks a limited amount of current
(3 mA), the use of GPIOs PC13 to PC15 in output mode is limited:
- The speed should not exceed 2 MHz with a maximum load of 30 pF
- These GPIOs must not be used as current sources (for example to drive a LED).
2. After a Backup domain power-up, PC13, PC14 and PC15 operate as GPIOs. Their function then depends on the content of
the RTC registers which are not reset by the system reset. For details on how to manage these GPIOs, refer to the Backup
domain and RTC register descriptions in the RM0432 reference manual.
3. NC (not-connected) balls must be left unconnected. However, PF8 and PF9 NC' IOs are not bonded. They must be
configured by software to output push-pull and forced to 0 in the output data register to avoid extra current consumption in
low-power modes.
4. After reset, these pins are configured as JTAG/SW debug alternate functions, and the internal pull-up on PA15, PA13, PB4
pins and the internal pull-down on PA14 pin are activated.
Table 15. STM32L4Sxxx pin definitions (continued)
Pin Number
Pin
name
(functio
n after
reset)
Pin type
I/O structure
Notes
Alternate functions Additional
functions
STM32L4S5xx
STM32L4S7xx STM32L4S9xx
LQFP100
BGA132
LQFP144
WLCSP144
UFBGA169
LQFP100
LQFP144
UFBGA144
WLCSP144
UFBGA169

STM32L4S5xx, STM32L4S7xx and STM32L4S9xx Pinouts and pin description
DS12024 Rev 3 95/277
Table 16. Alternate function AF0 to AF7(1)
Port
AF0 AF1 AF2 AF3 AF4 AF5 AF6 AF7
OTG_FS/
SYS_AF
TIM1/2/5/8/L
PTIM1
TIM1/2/3/4/
5
SPI2/SAI1/I2C4/U
SART2/OTG_FS/T
IM1/8/OCTOSPIM
_P1
I2C1/2/3/4/DC
MI
SPI1/2/3/I2C4/DFS
DM1/DCMI/OCTOS
PIM_P1/2
SPI3/I2C3/DFS
DM1/COMP1/O
CTOSPIM_P2
USART1/2/3
Port
A
PA0 - TIM2_CH1 TIM5_CH1 TIM8_ETR - - - USART2_CTS_NSS
PA1 - TIM2_CH2 TIM5_CH2 - I2C1_SMBA SPI1_SCK - USART2_RTS_DE
PA2 - TIM2_CH3 TIM5_CH3 - - - - USART2_TX
PA3 - TIM2_CH4 TIM5_CH4 SAI1_CK1 - - - USART2_RX
PA4 -- -
OCTOSPIM_P1_NC
S- SPI1_NSS SPI3_NSS USART2_CK
PA5 - TIM2_CH1 TIM2_ETR TIM8_CH1N - SPI1_SCK - -
PA6 - TIM1_BKIN TIM3_CH1 TIM8_BKIN DCMI_PIXCLK SPI1_MISO - USART3_CTS_NSS
PA7 - TIM1_CH1N TIM3_CH2 TIM8_CH1N I2C3_SCL SPI1_MOSI - -
PA8 MCO TIM1_CH1 - SAI1_CK2 - - - USART1_CK
PA9 - TIM1_CH2 - SPI2_SCK - DCMI_D0 - USART1_TX
PA10 - TIM1_CH3 - SAI1_D1 - DCMI_D1 - USART1_RX
PA11 - TIM1_CH4 TIM1_BKIN2 - - SPI1_MISO - USART1_CTS_NSS
PA12 - TIM1_ETR - - - SPI1_MOSI - USART1_RTS_DE
PA13 JTMS/SW
DIO IR_OUT - - - - - -
PA14 JTCK/SW
CLK LPTIM1_OUT - - I2C1_SMBA I2C4_SMBA - -
PA15 JTDI TIM2_CH1 TIM2_ETR USART2_RX - SPI1_NSS SPI3_NSS USART3_RTS_DE

Pinouts and pin description STM32L4S5xx, STM32L4S7xx and STM32L4S9xx
96/277 DS12024 Rev 3
Port
B
PB0 - TIM1_CH2N TIM3_CH3 TIM8_CH2N - SPI1_NSS - USART3_CK
PB1 - TIM1_CH3N TIM3_CH4 TIM8_CH3N - - DFSDM1_DATIN0 USART3_RTS_DE
PB2 RTC_OUT LPTIM1_OUT - - I2C3_SMBA - DFSDM1_CKIN0 -
PB3 JTDO/TRA
CESWO TIM2_CH2 - - - SPI1_SCK SPI3_SCK USART1_RTS_DE
PB4 NJTRST - TIM3_CH1 - I2C3_SDA SPI1_MISO SPI3_MISO USART1_CTS_NSS
PB5 - LPTIM1_IN1 TIM3_CH2 - I2C1_SMBA SPI1_MOSI SPI3_MOSI USART1_CK
PB6 - LPTIM1_ETR TIM4_CH1 TIM8_BKIN2 I2C1_SCL I2C4_SCL DFSDM1_DATIN5 USART1_TX
PB7 - LPTIM1_IN2 TIM4_CH2 TIM8_BKIN I2C1_SDA I2C4_SDA DFSDM1_CKIN5 USART1_RX
PB8 - - TIM4_CH3 SAI1_CK1 I2C1_SCL DFSDM1_CKOUT DFSDM1_DATIN6 -
PB9 - IR_OUT TIM4_CH4 SAI1_D2 I2C1_SDA SPI2_NSS DFSDM1_CKIN6 -
PB10 - TIM2_CH3 - I2C4_SCL I2C2_SCL SPI2_SCK DFSDM1_DATIN7 USART3_TX
PB11 - TIM2_CH4 - I2C4_SDA I2C2_SDA - DFSDM1_CKIN7 USART3_RX
PB12 - TIM1_BKIN - TIM1_BKIN I2C2_SMBA SPI2_NSS DFSDM1_DATIN1 USART3_CK
PB13 - TIM1_CH1N - - I2C2_SCL SPI2_SCK DFSDM1_CKIN1 USART3_CTS_NSS
PB14 - TIM1_CH2N - TIM8_CH2N I2C2_SDA SPI2_MISO DFSDM1_DATIN2 USART3_RTS_DE
PB15 RTC_
REFIN TIM1_CH3N - TIM8_CH3N - SPI2_MOSI DFSDM1_CKIN2 -
Table 16. Alternate function AF0 to AF7(1) (continued)
Port
AF0 AF1 AF2 AF3 AF4 AF5 AF6 AF7
OTG_FS/
SYS_AF
TIM1/2/5/8/L
PTIM1
TIM1/2/3/4/
5
SPI2/SAI1/I2C4/U
SART2/OTG_FS/T
IM1/8/OCTOSPIM
_P1
I2C1/2/3/4/DC
MI
SPI1/2/3/I2C4/DFS
DM1/DCMI/OCTOS
PIM_P1/2
SPI3/I2C3/DFS
DM1/COMP1/O
CTOSPIM_P2
USART1/2/3

STM32L4S5xx, STM32L4S7xx and STM32L4S9xx Pinouts and pin description
DS12024 Rev 3 97/277
Port
C
PC0 - LPTIM1_IN1 - - I2C3_SCL - DFSDM1_DATIN4 -
PC1 TRACED0 LPTIM1_OUT - SPI2_MOSI I2C3_SDA - DFSDM1_CKIN4 -
PC2 - LPTIM1_IN2 - - - SPI2_MISO DFSDM1_CKOUT -
PC3 - LPTIM1_ETR - SAI1_D1 - SPI2_MOSI - -
PC4 - - - - - - - USART3_TX
PC5 - - - SAI1_D3 - - - USART3_RX
PC6 - - TIM3_CH1 TIM8_CH1 - - DFSDM1_CKIN3 -
PC7 - - TIM3_CH2 TIM8_CH2 - - DFSDM1_DATIN3 -
PC8 - - TIM3_CH3 TIM8_CH3 - - - -
PC9 TRACED0 TIM8_BKIN2 TIM3_CH4 TIM8_CH4 DCMI_D3 - I2C3_SDA -
PC10 TRACED1 - - - - - SPI3_SCK USART3_TX
PC11 - - - - DCMI_D2 OCTOSPIM_P1_NCS SPI3_MISO USART3_RX
PC12 TRACED3 - - - - - SPI3_MOSI USART3_CK
PC13 -- - - - - - -
PC14 -- - - - - - -
PC15 -- - - - - - -
Table 16. Alternate function AF0 to AF7(1) (continued)
Port
AF0 AF1 AF2 AF3 AF4 AF5 AF6 AF7
OTG_FS/
SYS_AF
TIM1/2/5/8/L
PTIM1
TIM1/2/3/4/
5
SPI2/SAI1/I2C4/U
SART2/OTG_FS/T
IM1/8/OCTOSPIM
_P1
I2C1/2/3/4/DC
MI
SPI1/2/3/I2C4/DFS
DM1/DCMI/OCTOS
PIM_P1/2
SPI3/I2C3/DFS
DM1/COMP1/O
CTOSPIM_P2
USART1/2/3

Pinouts and pin description STM32L4S5xx, STM32L4S7xx and STM32L4S9xx
98/277 DS12024 Rev 3
Port
D
PD0 - - - - - SPI2_NSS DFSDM1_DATIN7 -
PD1 - - - - - SPI2_SCK DFSDM1_CKIN7 -
PD2 TRACED2 - TIM3_ETR - - - - USART3_RTS_DE
PD3 - - - SPI2_SCK DCMI_D5 SPI2_MISO DFSDM1_DATIN0 USART2_CTS_NSS
PD4 - - - - - SPI2_MOSI DFSDM1_CKIN0 USART2_RTS_DE
PD5 - - - - - - - USART2_TX
PD6 - - - SAI1_D1 DCMI_D10 SPI3_MOSI DFSDM1_DATIN1 USART2_RX
PD7 - - - - - - DFSDM1_CKIN1 USART2_CK
PD8 - - - - - - - USART3_TX
PD9 - - - - - - - USART3_RX
PD10 - - - - - - - USART3_CK
PD11 - - - - I2C4_SMBA - - USART3_CTS_NSS
PD12 - - TIM4_CH1 - I2C4_SCL - - USART3_RTS_DE
PD13 - - TIM4_CH2 - I2C4_SDA - - -
PD14 - - TIM4_CH3 - - - - -
PD15 - - TIM4_CH4 - - - - -
Table 16. Alternate function AF0 to AF7(1) (continued)
Port
AF0 AF1 AF2 AF3 AF4 AF5 AF6 AF7
OTG_FS/
SYS_AF
TIM1/2/5/8/L
PTIM1
TIM1/2/3/4/
5
SPI2/SAI1/I2C4/U
SART2/OTG_FS/T
IM1/8/OCTOSPIM
_P1
I2C1/2/3/4/DC
MI
SPI1/2/3/I2C4/DFS
DM1/DCMI/OCTOS
PIM_P1/2
SPI3/I2C3/DFS
DM1/COMP1/O
CTOSPIM_P2
USART1/2/3

STM32L4S5xx, STM32L4S7xx and STM32L4S9xx Pinouts and pin description
DS12024 Rev 3 99/277
Port
E
PE0 - - TIM4_ETR - - - - -
PE1 -- - - - - - -
PE2 TRACECK - TIM3_ETR SAI1_CK1 - - - -
PE3 TRACED0 - TIM3_CH1 OCTOSPIM_P1_DQ
S-- - -
PE4 TRACED1 - TIM3_CH2 SAI1_D2 - - DFSDM1_DATIN3 -
PE5 TRACED2 - TIM3_CH3 SAI1_CK2 - - DFSDM1_CKIN3 -
PE6 TRACED3 - TIM3_CH4 SAI1_D1 - - - -
PE7 - TIM1_ETR - - - - DFSDM1_DATIN2 -
PE8 - TIM1_CH1N - - - - DFSDM1_CKIN2 -
PE9 - TIM1_CH1 - - - - DFSDM1_CKOUT -
PE10 - TIM1_CH2N - - - - DFSDM1_DATIN4 -
PE11 - TIM1_CH2 - - - - DFSDM1_CKIN4 -
PE12 - TIM1_CH3N - - - SPI1_NSS DFSDM1_DATIN5 -
PE13 - TIM1_CH3 - - - SPI1_SCK DFSDM1_CKIN5 -
PE14 - TIM1_CH4 TIM1_BKIN2 TIM1_BKIN2 - SPI1_MISO - -
PE15 - TIM1_BKIN - TIM1_BKIN - SPI1_MOSI - -
Table 16. Alternate function AF0 to AF7(1) (continued)
Port
AF0 AF1 AF2 AF3 AF4 AF5 AF6 AF7
OTG_FS/
SYS_AF
TIM1/2/5/8/L
PTIM1
TIM1/2/3/4/
5
SPI2/SAI1/I2C4/U
SART2/OTG_FS/T
IM1/8/OCTOSPIM
_P1
I2C1/2/3/4/DC
MI
SPI1/2/3/I2C4/DFS
DM1/DCMI/OCTOS
PIM_P1/2
SPI3/I2C3/DFS
DM1/COMP1/O
CTOSPIM_P2
USART1/2/3

Pinouts and pin description STM32L4S5xx, STM32L4S7xx and STM32L4S9xx
100/277 DS12024 Rev 3
Port
F
PF0 - - - - I2C2_SDA OCTOSPIM_P2_IO0 - -
PF1 - - - - I2C2_SCL OCTOSPIM_P2_IO1 - -
PF2 - - - - I2C2_SMBA OCTOSPIM_P2_IO2 - -
PF3 - - - - - OCTOSPIM_P2_IO3 - -
PF4 - - - - - OCTOSPIM_P2_CLK - -
PF5 -- - - - - - -
PF6 - TIM5_ETR TIM5_CH1 - - - - -
PF7 - - TIM5_CH2 - - - - -
PF8 - - TIM5_CH3 - - - - -
PF9 - - TIM5_CH4 - - - - -
PF10 - - - OCTOSPIM_P1_CLK - - DFSDM1_CKOUT -
PF11 -- - - - - - -
PF12 - - - - - OCTOSPIM_P2_DQS - -
PF13 - - - - I2C4_SMBA - DFSDM1_DATIN6 -
PF14 - - - - I2C4_SCL - DFSDM1_CKIN6 -
PF15 - - - - I2C4_SDA - - -
Table 16. Alternate function AF0 to AF7(1) (continued)
Port
AF0 AF1 AF2 AF3 AF4 AF5 AF6 AF7
OTG_FS/
SYS_AF
TIM1/2/5/8/L
PTIM1
TIM1/2/3/4/
5
SPI2/SAI1/I2C4/U
SART2/OTG_FS/T
IM1/8/OCTOSPIM
_P1
I2C1/2/3/4/DC
MI
SPI1/2/3/I2C4/DFS
DM1/DCMI/OCTOS
PIM_P1/2
SPI3/I2C3/DFS
DM1/COMP1/O
CTOSPIM_P2
USART1/2/3

STM32L4S5xx, STM32L4S7xx and STM32L4S9xx Pinouts and pin description
DS12024 Rev 3 101/277
Port
G
PG0 - - - - - OCTOSPIM_P2_IO4 - -
PG1 - - - - - OCTOSPIM_P2_IO5 - -
PG2 - - - - - SPI1_SCK - -
PG3 - - - - - SPI1_MISO - -
PG4 - - - - - SPI1_MOSI - -
PG5 - - - - - SPI1_NSS - -
PG6 -- -
OCTOSPIM_P1_DQ
SI2C3_SMBA - - -
PG7 - - - SAI1_CK1 I2C3_SCL OCTOSPIM_P2_DQS DFSDM1_CKOUT -
PG8 - - - - I2C3_SDA - - -
PG9 - - - - - OCTOSPIM_P2_IO6 SPI3_SCK USART1_TX
PG10 - LPTIM1_IN1 - - - OCTOSPIM_P2_IO7 SPI3_MISO USART1_RX
PG11 - LPTIM1_IN2 - OCTOSPIM_P1_IO5 - - SPI3_MOSI USART1_CTS_NSS
PG12 - LPTIM1_ETR - - - OCTOSPIM_P2_NCS SPI3_NSS USART1_RTS_DE
PG13 - - - - I2C1_SDA - - USART1_CK
PG14 - - - - I2C1_SCL - - -
PG15 - LPTIM1_OUT - - I2C1_SMBA OCTOSPIM_P2_DQS - -
Table 16. Alternate function AF0 to AF7(1) (continued)
Port
AF0 AF1 AF2 AF3 AF4 AF5 AF6 AF7
OTG_FS/
SYS_AF
TIM1/2/5/8/L
PTIM1
TIM1/2/3/4/
5
SPI2/SAI1/I2C4/U
SART2/OTG_FS/T
IM1/8/OCTOSPIM
_P1
I2C1/2/3/4/DC
MI
SPI1/2/3/I2C4/DFS
DM1/DCMI/OCTOS
PIM_P1/2
SPI3/I2C3/DFS
DM1/COMP1/O
CTOSPIM_P2
USART1/2/3

Pinouts and pin description STM32L4S5xx, STM32L4S7xx and STM32L4S9xx
102/277 DS12024 Rev 3
Port
H
PH0 -- - - - - - -
PH1 -- - - - - - -
PH2 - - - OCTOSPIM_P1_IO4 - - - -
PH3 -- - - - - - -
PH4 - - - - I2C2_SCL OCTOSPIM_P2_DQS - -
PH5 - - - - I2C2_SDA - - -
PH6 - - - - I2C2_SMBA OCTOSPIM_P2_CLK - -
PH7 - - - - I2C3_SCL - - -
PH8 - - - - I2C3_SDA OCTOSPIM_P2_IO3 - -
PH9 - - - - I2C3_SMBA OCTOSPIM_P2_IO4 - -
PH10 - - TIM5_CH1 - - OCTOSPIM_P2_IO5 - -
PH11 - - TIM5_CH2 - - OCTOSPIM_P2_IO6 - -
PH12 - - TIM5_CH3 - - OCTOSPIM_P2_IO7 - -
PH13 - - - TIM8_CH1N - - - -
PH14 - - - TIM8_CH2N - - - -
PH15 - - - TIM8_CH3N - OCTOSPIM_P2_IO6 - -
Table 16. Alternate function AF0 to AF7(1) (continued)
Port
AF0 AF1 AF2 AF3 AF4 AF5 AF6 AF7
OTG_FS/
SYS_AF
TIM1/2/5/8/L
PTIM1
TIM1/2/3/4/
5
SPI2/SAI1/I2C4/U
SART2/OTG_FS/T
IM1/8/OCTOSPIM
_P1
I2C1/2/3/4/DC
MI
SPI1/2/3/I2C4/DFS
DM1/DCMI/OCTOS
PIM_P1/2
SPI3/I2C3/DFS
DM1/COMP1/O
CTOSPIM_P2
USART1/2/3

STM32L4S5xx, STM32L4S7xx and STM32L4S9xx Pinouts and pin description
DS12024 Rev 3 103/277
Port I
PI0 - - TIM5_CH4 OCTOSPIM_P1_IO5 - SPI2_NSS - -
PI1 - - - - - SPI2_SCK - -
PI2 - - - TIM8_CH4 - SPI2_MISO - -
PI3 - - - TIM8_ETR - SPI2_MOSI - -
PI4 - - - TIM8_BKIN - - - -
PI5 - - - TIM8_CH1 - OCTOSPIM_P2_NCS - -
PI6 - - - TIM8_CH2 - OCTOSPIM_P2_CLK - -
PI7 - - - TIM8_CH3 - - - -
PI8 - - - - - OCTOSPIM_P2_NCS - -
PI9 - - - - - OCTOSPIM_P2_IO2 - -
PI10 - - - - - OCTOSPIM_P2_IO1 - -
PI11 - - - - - OCTOSPIM_P2_IO0 - -
1. Refer to Table 17 for AF8 to AF15.
Table 16. Alternate function AF0 to AF7(1) (continued)
Port
AF0 AF1 AF2 AF3 AF4 AF5 AF6 AF7
OTG_FS/
SYS_AF
TIM1/2/5/8/L
PTIM1
TIM1/2/3/4/
5
SPI2/SAI1/I2C4/U
SART2/OTG_FS/T
IM1/8/OCTOSPIM
_P1
I2C1/2/3/4/DC
MI
SPI1/2/3/I2C4/DFS
DM1/DCMI/OCTOS
PIM_P1/2
SPI3/I2C3/DFS
DM1/COMP1/O
CTOSPIM_P2
USART1/2/3

Pinouts and pin description STM32L4S5xx, STM32L4S7xx and STM32L4S9xx
104/277 DS12024 Rev 3
Table 17. Alternate function AF8 to AF15(1)
Port
AF8 AF9 AF10 AF11 AF12 AF13 AF14 AF15
UART4/5/
LPUART1/
CAN2
CAN1/TSC OTG_FS/DCMI/
OCTOSPI_P1/P2 LCD
SDMMC/
COMP1/2/
FMC
SAI1/2 TIM2/15/16/17/
LPTIM2 EVENOUT
Port A
PA0 UART4_TX - - - - SAI1_EXTCLK TIM2_ETR EVENTOUT
PA1 UART4_RX - OCTOSPIM_P1_DQS - - - TIM15_CH1N EVENTOUT
PA2 LPUART1_TX - OCTOSPIM_P1_NCS - - SAI2_EXTCLK TIM15_CH1 EVENTOUT
PA3 LPUART1_RX - OCTOSPIM_P1_CLK - - SAI1_MCLK_A TIM15_CH2 EVENTOUT
PA4 - - DCMI_HSYNC - - SAI1_FS_B LPTIM2_OUT EVENTOUT
PA5 - - - - - - LPTIM2_ETR EVENTOUT
PA6 LPUART1_CT
S- OCTOSPIM_P1_IO3 - TIM1_BKIN TIM8_BKIN TIM16_CH1 EVENTOUT
PA7 - - OCTOSPIM_P1_IO2 - - - TIM17_CH1 EVENTOUT
PA8 - - OTG_FS_SOF - - SAI1_SCK_A LPTIM2_OUT EVENTOUT
PA9 - - - - - SAI1_FS_A TIM15_BKIN EVENTOUT
PA10 - - OTG_FS_ID - - SAI1_SD_A TIM17_BKIN EVENTOUT
PA11 - CAN1_RX OTG_FS_DM - TIM1_BKIN2 - - EVENTOUT
PA12 - CAN1_TX OTG_FS_DP - - - - EVENTOUT
PA13 - - OTG_FS_NOE - - SAI1_SD_B - EVENTOUT
PA14 - - OTG_FS_SOF - - SAI1_FS_B - EVENTOUT
PA15 UART4_RTS_
DE TSC_G3_IO1 - - - SAI2_FS_B - EVENTOUT

STM32L4S5xx, STM32L4S7xx and STM32L4S9xx Pinouts and pin description
DS12024 Rev 3 105/277
Port B
PB0 - - OCTOSPIM_P1_IO1 - COMP1_OUT SAI1_EXTCLK - EVENTOUT
PB1 LPUART1_
RTS_DE - OCTOSPIM_P1_IO0 - - - LPTIM2_IN1 EVENTOUT
PB2 - - OCTOSPIM_P1_DQS LCD_B1 - - - EVENTOUT
PB3 - - OTG_FS_CRS_SYNC - - SAI1_SCK_B - EVENTOUT
PB4 UART5_RTS_
DE TSC_G2_IO1 DCMI_D12 - - SAI1_MCLK_B TIM17_BKIN EVENTOUT
PB5 UART5_CTS TSC_G2_IO2 DCMI_D10 - COMP2_OUT SAI1_SD_B TIM16_BKIN EVENTOUT
PB6 - TSC_G2_IO3 DCMI_D5 - TIM8_BKIN2 SAI1_FS_B TIM16_CH1N EVENTOUT
PB7 UART4_CTS TSC_G2_IO4 DCMI_VSYNC DSI_TE FMC_NL TIM8_BKIN TIM17_CH1N EVENTOUT
PB8 SDMMC1_
CKIN CAN1_RX DCMI_D6 LCD_B1 SDMMC1_D4 SAI1_MCLK_A TIM16_CH1 EVENTOUT
PB9 SDMMC1_
CDIR CAN1_TX DCMI_D7 - SDMMC1_D5 SAI1_FS_A TIM17_CH1 EVENTOUT
PB10 LPUART1_RX TSC_SYNC OCTOSPIM_P1_CLK - COMP1_OUT SAI1_SCK_A - EVENTOUT
PB11 LPUART1_TX - OCTOSPIM_P1_NCS DSI_TE COMP2_OUT - - EVENTOUT
PB12 LPUART1_RT
S_DE TSC_G1_IO1 - - - SAI2_FS_A TIM15_BKIN EVENTOUT
PB13 LPUART1_CT
STSC_G1_IO2 - - - SAI2_SCK_A TIM15_CH1N EVENTOUT
PB14 - TSC_G1_IO3 - - - SAI2_MCLK_A TIM15_CH1 EVENTOUT
PB15 - TSC_G1_IO4 - - - SAI2_SD_A TIM15_CH2 EVENTOUT
Table 17. Alternate function AF8 to AF15(1) (continued)
Port
AF8 AF9 AF10 AF11 AF12 AF13 AF14 AF15
UART4/5/
LPUART1/
CAN2
CAN1/TSC OTG_FS/DCMI/
OCTOSPI_P1/P2 LCD
SDMMC/
COMP1/2/
FMC
SAI1/2 TIM2/15/16/17/
LPTIM2 EVENOUT

Pinouts and pin description STM32L4S5xx, STM32L4S7xx and STM32L4S9xx
106/277 DS12024 Rev 3
Port C
PC0 LPUART1_RX - - - - SAI2_FS_A LPTIM2_IN1 EVENTOUT
PC1 LPUART1_TX - OCTOSPIM_P1_IO4 - - SAI1_SD_A - EVENTOUT
PC2 - - OCTOSPIM_P1_IO5 - - - - EVENTOUT
PC3 - - OCTOSPIM_P1_IO6 - - SAI1_SD_A LPTIM2_ETR EVENTOUT
PC4 - - OCTOSPIM_P1_IO7 - - - - EVENTOUT
PC5 - - - - - - - EVENTOUT
PC6 SDMMC1_
D0DIR TSC_G4_IO1 DCMI_D0 LCD_R0 SDMMC1_D6 SAI2_MCLK_A - EVENTOUT
PC7 SDMMC1_
D123DIR TSC_G4_IO2 DCMI_D1 LCD_R1 SDMMC1_D7 SAI2_MCLK_B - EVENTOUT
PC8 - TSC_G4_IO3 DCMI_D2 - SDMMC1_D0 - - EVENTOUT
PC9 - TSC_G4_IO4 OTG_FS_NOE - SDMMC1_D1 SAI2_EXTCLK TIM8_BKIN2 EVENTOUT
PC10 UART4_TX TSC_G3_IO2 DCMI_D8 - SDMMC1_D2 SAI2_SCK_B - EVENTOUT
PC11 UART4_RX TSC_G3_IO3 DCMI_D4 - SDMMC1_D3 SAI2_MCLK_B - EVENTOUT
PC12 UART5_TX TSC_G3_IO4 DCMI_D9 - SDMMC1_CK SAI2_SD_B - EVENTOUT
PC13 - - - - - - - EVENTOUT
PC14 - - - - - - - EVENTOUT
PC15 - - - - - - - EVENTOUT
Table 17. Alternate function AF8 to AF15(1) (continued)
Port
AF8 AF9 AF10 AF11 AF12 AF13 AF14 AF15
UART4/5/
LPUART1/
CAN2
CAN1/TSC OTG_FS/DCMI/
OCTOSPI_P1/P2 LCD
SDMMC/
COMP1/2/
FMC
SAI1/2 TIM2/15/16/17/
LPTIM2 EVENOUT

STM32L4S5xx, STM32L4S7xx and STM32L4S9xx Pinouts and pin description
DS12024 Rev 3 107/277
Port D
PD0 - CAN1_RX - LCD_B4 FMC_D2 - - EVENTOUT
PD1 - CAN1_TX - LCD_B5 FMC_D3 - - EVENTOUT
PD2 UART5_RX TSC_SYNC DCMI_D11 - SDMMC1_CM
D- - EVENTOUT
PD3 - - OCTOSPIM_P2_NCS LCD_CLK FMC_CLK - - EVENTOUT
PD4 - - OCTOSPIM_P1_IO4 - FMC_NOE - - EVENTOUT
PD5 - - OCTOSPIM_P1_IO5 - FMC_NWE - - EVENTOUT
PD6 - - OCTOSPIM_P1_IO6 LCD_DE FMC_NWAIT SAI1_SD_A - EVENTOUT
PD7 - - OCTOSPIM_P1_IO7 - FMC_NCE/FM
C_NE1 - - EVENTOUT
PD8 - - DCMI_HSYNC LCD_R3 FMC_D13 - - EVENTOUT
PD9 - - DCMI_PIXCLK LCD_R4 FMC_D14 SAI2_MCLK_A - EVENTOUT
PD10 - TSC_G6_IO1 - LCD_R5 FMC_D15 SAI2_SCK_A - EVENTOUT
PD11 - TSC_G6_IO2 - LCD_R6 FMC_A16 SAI2_SD_A LPTIM2_ETR EVENTOUT
PD12 - TSC_G6_IO3 - LCD_R7 FMC_A17 SAI2_FS_A LPTIM2_IN1 EVENTOUT
PD13 - TSC_G6_IO4 - - FMC_A18 - LPTIM2_OUT EVENTOUT
PD14 - - - LCD_B2 FMC_D0 - - EVENTOUT
PD15 - - - LCD_B3 FMC_D1 - - EVENTOUT
Table 17. Alternate function AF8 to AF15(1) (continued)
Port
AF8 AF9 AF10 AF11 AF12 AF13 AF14 AF15
UART4/5/
LPUART1/
CAN2
CAN1/TSC OTG_FS/DCMI/
OCTOSPI_P1/P2 LCD
SDMMC/
COMP1/2/
FMC
SAI1/2 TIM2/15/16/17/
LPTIM2 EVENOUT

Pinouts and pin description STM32L4S5xx, STM32L4S7xx and STM32L4S9xx
108/277 DS12024 Rev 3
Port E
PE0 - - DCMI_D2 LCD_HSYNC FMC_NBL0 - TIM16_CH1 EVENTOUT
PE1 - - DCMI_D3 LCD_VSYNC FMC_NBL1 - TIM17_CH1 EVENTOUT
PE2 - TSC_G7_IO1 - LCD_R0 FMC_A23 SAI1_MCLK_A - EVENTOUT
PE3 - TSC_G7_IO2 - LCD_R1 FMC_A19 SAI1_SD_B - EVENTOUT
PE4 - TSC_G7_IO3 DCMI_D4 LCD_B0 FMC_A20 SAI1_FS_A - EVENTOUT
PE5 - TSC_G7_IO4 DCMI_D6 LCD_G0 FMC_A21 SAI1_SCK_A - EVENTOUT
PE6 - - DCMI_D7 LCD_G1 FMC_A22 SAI1_SD_A - EVENTOUT
PE7 - - - LCD_B6 FMC_D4 SAI1_SD_B - EVENTOUT
PE8 - - - LCD_B7 FMC_D5 SAI1_SCK_B - EVENTOUT
PE9 - - - LCD_G2 FMC_D6 SAI1_FS_B - EVENTOUT
PE10 - TSC_G5_IO1 OCTOSPIM_P1_CLK LCD_G3 FMC_D7 SAI1_MCLK_B - EVENTOUT
PE11 - TSC_G5_IO2 OCTOSPIM_P1_NCS LCD_G4 FMC_D8 - - EVENTOUT
PE12 - TSC_G5_IO3 OCTOSPIM_1_IO0 LCD_G5 FMC_D9 - - EVENTOUT
PE13 - TSC_G5_IO4 OCTOSPIM_P1_IO1 LCD_G6 FMC_D10 - - EVENTOUT
PE14 - - OCTOSPIM_P1_IO2 LCD_G7 FMC_D11 - - EVENTOUT
PE15 - - OCTOSPIM_P1_IO3 LCD_R2 FMC_D12 - - EVENTOUT
Table 17. Alternate function AF8 to AF15(1) (continued)
Port
AF8 AF9 AF10 AF11 AF12 AF13 AF14 AF15
UART4/5/
LPUART1/
CAN2
CAN1/TSC OTG_FS/DCMI/
OCTOSPI_P1/P2 LCD
SDMMC/
COMP1/2/
FMC
SAI1/2 TIM2/15/16/17/
LPTIM2 EVENOUT

STM32L4S5xx, STM32L4S7xx and STM32L4S9xx Pinouts and pin description
DS12024 Rev 3 109/277
Port F
PF0 - - - - FMC_A0 - - EVENTOUT
PF1 - - - - FMC_A1 - - EVENTOUT
PF2 - - - - FMC_A2 - - EVENTOUT
PF3 - - - - FMC_A3 - - EVENTOUT
PF4 - - - - FMC_A4 - - EVENTOUT
PF5 - - - - FMC_A5 - - EVENTOUT
PF6 - - OCTOSPIM_P1_IO3 - - SAI1_SD_B - EVENTOUT
PF7 - - OCTOSPIM_P1_IO2 - - SAI1_MCLK_B - EVENTOUT
PF8 - - OCTOSPIM_P1_IO0 - - SAI1_SCK_B - EVENTOUT
PF9 - - OCTOSPIM_P1_IO1 - - SAI1_FS_B TIM15_CH1 EVENTOUT
PF10 - - DCMI_D11 - - SAI1_D3 TIM15_CH2 EVENTOUT
PF11 - LCD_DE DCMI_D12 DSI_TE - - - EVENTOUT
PF12 - - - LCD_B0 FMC_A6 - - EVENTOUT
PF13 - - - LCD_B1 FMC_A7 - - EVENTOUT
PF14 - TSC_G8_IO1 - LCD_G0 FMC_A8 - - EVENTOUT
PF15 - TSC_G8_IO2 - LCD_G1 FMC_A9 - - EVENTOUT
Table 17. Alternate function AF8 to AF15(1) (continued)
Port
AF8 AF9 AF10 AF11 AF12 AF13 AF14 AF15
UART4/5/
LPUART1/
CAN2
CAN1/TSC OTG_FS/DCMI/
OCTOSPI_P1/P2 LCD
SDMMC/
COMP1/2/
FMC
SAI1/2 TIM2/15/16/17/
LPTIM2 EVENOUT

Pinouts and pin description STM32L4S5xx, STM32L4S7xx and STM32L4S9xx
110/277 DS12024 Rev 3
Port G
PG0 - TSC_G8_IO3 - - FMC_A10 - - EVENTOUT
PG1 - TSC_G8_IO4 - - FMC_A11 - - EVENTOUT
PG2 - - - - FMC_A12 SAI2_SCK_B - EVENTOUT
PG3 - - - - FMC_A13 SAI2_FS_B - EVENTOUT
PG4 - - - - FMC_A14 SAI2_MCLK_B - EVENTOUT
PG5 LPUART1_CT
S- - - FMC_A15 SAI2_SD_B - EVENTOUT
PG6 LPUART1_RT
S_DE LCD_R1 - DSI_TE - - - EVENTOUT
PG7 LPUART1_TX - - - FMC_INT SAI1_MCLK_A - EVENTOUT
PG8 LPUART1_RX - - - - - - EVENTOUT
PG9 - - - - FMC_NCE/FM
C_NE2 SAI2_SCK_A TIM15_CH1N EVENTOUT
PG10 - - - - FMC_NE3 SAI2_FS_A TIM15_CH1 EVENTOUT
PG11 - - - - - SAI2_MCLK_A TIM15_CH2 EVENTOUT
PG12 - - - - FMC_NE4 SAI2_SD_A - EVENTOUT
PG13 - - - LCD_R0 FMC_A24 - - EVENTOUT
PG14 - - - LCD_R1 FMC_A25 - - EVENTOUT
PG15 - - DCMI_D13 - - - - EVENTOUT
Table 17. Alternate function AF8 to AF15(1) (continued)
Port
AF8 AF9 AF10 AF11 AF12 AF13 AF14 AF15
UART4/5/
LPUART1/
CAN2
CAN1/TSC OTG_FS/DCMI/
OCTOSPI_P1/P2 LCD
SDMMC/
COMP1/2/
FMC
SAI1/2 TIM2/15/16/17/
LPTIM2 EVENOUT

STM32L4S5xx, STM32L4S7xx and STM32L4S9xx Pinouts and pin description
DS12024 Rev 3 111/277
Port H
PH0 - - - - - - - EVENTOUT
PH1 - - - - - - - EVENTOUT
PH2 - - - - - - - EVENTOUT
PH3 - - - - - - - EVENTOUT
PH4 - - - - - - - EVENTOUT
PH5 - - DCMI_PIXCLK - - - - EVENTOUT
PH6 - - DCMI_D8 - - - - EVENTOUT
PH7 - - DCMI_D9 - - - - EVENTOUT
PH8 - - DCMI_HSYNC - - - - EVENTOUT
PH9 - - DCMI_D0 - - - - EVENTOUT
PH10 - - DCMI_D1 - - - - EVENTOUT
PH11 - - DCMI_D2 - - - - EVENTOUT
PH12 - - DCMI_D3 - - - - EVENTOUT
PH13 - CAN1_TX - - - - - EVENTOUT
PH14 - - DCMI_D4 - - - - EVENTOUT
PH15 - - DCMI_D11 - - - - EVENTOUT
Table 17. Alternate function AF8 to AF15(1) (continued)
Port
AF8 AF9 AF10 AF11 AF12 AF13 AF14 AF15
UART4/5/
LPUART1/
CAN2
CAN1/TSC OTG_FS/DCMI/
OCTOSPI_P1/P2 LCD
SDMMC/
COMP1/2/
FMC
SAI1/2 TIM2/15/16/17/
LPTIM2 EVENOUT
. KeT no la Ie TbIOFAI'U OAI'I.
Pinouts and pin description STM32L4S5xx, STM32L4S7xx and STM32L4S9xx
112/277 DS12024 Rev 3
Port I
PI0 - - DCMI_D13 - - - - EVENTOUT
PI1 - - DCMI_D8 - - - - EVENTOUT
PI2 - - DCMI_D9 - - - - EVENTOUT
PI3 - - DCMI_D10 - - - - EVENTOUT
PI4 - - DCMI_D5 - - - - EVENTOUT
PI5 - - DCMI_VSYNC - - - - EVENTOUT
PI6 - - DCMI_D6 - - - - EVENTOUT
PI7 - - DCMI_D7 - - - - EVENTOUT
PI8 - - DCMI_D12 - - - - EVENTOUT
PI9 - CAN1_RX - - - - - EVENTOUT
PI10 - - - - - - - EVENTOUT
PI11 - - - - - - - EVENTOUT
1. Refer to Ta ble 16 for AF0 to AF7.
Table 17. Alternate function AF8 to AF15(1) (continued)
Port
AF8 AF9 AF10 AF11 AF12 AF13 AF14 AF15
UART4/5/
LPUART1/
CAN2
CAN1/TSC OTG_FS/DCMI/
OCTOSPI_P1/P2 LCD
SDMMC/
COMP1/2/
FMC
SAI1/2 TIM2/15/16/17/
LPTIM2 EVENOUT

DS12024 Rev 3 113/277
STM32L4S5xx, STM32L4S7xx and STM32L4S9xx Memory mapping
117
5 Memory mapping
Figure 18. STM32L4S5xx, STM32L4S7xx and STM32L4S9xx memory map
MSv44746V1
Reserved
0xFFFF FFFF
0xE000 0000
0xC000 0000
0xA000 0000
0x8000 0000
0x6000 0000
OctoSPI bank2
0x4000 0000
0x2000 0000
0x0000 0000
0
1
2
3
4
5
6
7
Cortex™-M4
with FPU
Internal
Peripherals
Peripherals
SRAM1
CODE
Reserved
Reserved
FMC and
OctoSPI
registers
0x9000 0000
OctoSPI bank1
Reserved
0x2004 0000
SRAM2
OTP area
System memory
Flash memory
Flash, system memory
or SRAM, depending on
BOOT configuration
AHB2
AHB1
APB2
APB1
0x5006 0C00
0x4800 0000
0x4002 4400
0x4002 0000
0x4001 6400
0x4001 0000
0x4000 9800
0x4000 0000
0x1FFF FFFF
0x1FFF F810
0x1FFF 0000
0x0810 0000
0x0800 0000
0x0010 0000
0x0000 0000
Reserved
Reserved
Reserved
Reserved
Reserved
Reserved
0x1001 0000
0x1000 0000
SRAM2
Option Bytes
System memory
Options Bytes
0x1FFF F800
0x1FFF 7000
0x1FFF 7400
0x1FFF 7800
0x1FFF 7810
0x1FFF 8000
0x1FFF F000
Reserved
Reserved
OctoSPI registers
FMC registers
0xBFFF FFFF
0xA000 1800
0xA000 1000
0xA000 0000
Reserved
Reserved
Reserved
Reserved
0x5FFF FFFF
FMC bank3
FMC bank1
0x7000 0000
SRAM3
0x2003 0000
0x200A 0000
GFXMMU
Virtual Buffer
0x3000 0000
0x2FFF FFFF
Memory mapping STM32L4S5xx, STM32L4S7xx and STM32L4S9xx
114/277 DS12024 Rev 3
Table 18. STM32L4S5xx, STM32L4S7xx and STM32L4S9xx memory map and
peripheral register boundary addresses(1)
Bus Boundary address Size
(bytes) Peripheral
-
0xA000 1800 - 0xDFFF FFFF 1 KB Reserved
0xA000 1400 - 0xA000 17FF 1 KB OCTOSPI2 registers
0xA000 1000 - 0xA000 13FF 1 KB OCTOSPI1 registers
0xA000 0400 - 0xA000 0FFF 1 KB Reserved
0xA000 0000 - 0xA000 03FF 1 KB FSMC registers
AHB2
0x5006 2000 - 0x5FFF FFFF ~260 MB Reserved
0x5006 2400 - 0x5006 27FF 1 KB SDMMC1
0x5006 2000 - 0x5006 23FF 1 KB Reserved
0x5006 1C00 - 0x5006 1FFF 1 KB OCTOSPIIOM
0x5006 0C00 - 0x5006 1BFF 4 KB Reserved
0x5006 0800 - 0x5006 0BFF 1 KB RNG
0x5006 0400 - 0x5006 07FF 1 KB HASH
0x5006 0000 - 0x5006 03FF 1 KB AES
0x5005 0800 - 0x5005 FFFF 61 KB Reserved
0x5005 0400 - 0x5005 07FF 1 KB Reserved
0x5005 0000 - 0x5005 03FF 1 KB DCMI
0x5004 0400 - 0x5004 FFFF 62 KB Reserved
0x5004 0000 - 0x5004 03FF 1 KB ADC
0x5000 0000 - 0x5003 FFFF 16 KB OTG_FS
0x4800 2400 - 0x4FFF FFFF ~127 MB Reserved
0x4800 2000 - 0x4800 23FF 1 KB GPIOI
0x4800 1C00 - 0x4800 1FFF 1 KB GPIOH
0x4800 1800 - 0x4800 1BFF 1 KB GPIOG
0x4800 1400 - 0x4800 17FF 1 KB GPIOF
0x4800 1000 - 0x4800 13FF 1 KB GPIOE
0x4800 0C00 - 0x4800 0FFF 1 KB GPIOD
0x4800 0800 - 0x4800 0BFF 1 KB GPIOC
0x4800 0400 - 0x4800 07FF 1 KB GPIOB
0x4800 0000 - 0x4800 03FF 1 KB GPIOA
DS12024 Rev 3 115/277
STM32L4S5xx, STM32L4S7xx and STM32L4S9xx Memory mapping
117
AHB1
0x4002 F000 - 0x47FF FFFF ~127 MB Reserved
0x4002 C000 - 0x4002 EFFF 12 KB GFXMMU
0x4002 BC00 - 0x4002 BFFF 1 KB Reserved
0x4002 B000 - 0x4002 BBFF 3 KB DMA2D
0x4002 4400 - 0x4002 AFFF 26 KB Reserved
0x4002 4000 - 0x4002 43FF 1 KB TSC
0x4002 3400 - 0x4002 3FFF 1 KB Reserved
0x4002 3000 - 0x4002 33FF 1 KB CRC
0x4002 2400 - 0x4002 2FFF 3 KB Reserved
0x4002 2000 - 0x4002 23FF 1 KB FLASH registers
0x4002 1400 - 0x4002 1FFF 3 KB Reserved
0x4002 1000 - 0x4002 13FF 1 KB RCC
0x4002 0800 - 0x4002 0FFF 2 KB Reserved
0x4002 0400 - 0x4002 07FF 1 KB DMA2
0x4002 0800 - 0x4002 0BFF 1 KB DMAMUX1
0x4002 0000 - 0x4002 03FF 1 KB DMA1
APB2
0x4001 7400 - 0x4001 FFFF 33 KB Reserved
0x4001 6C00 - 0x4001 73FF 1 KB DSIHOST
0x4001 6800 - 0x4001 6BFF 1 KB LCD-TFT
0x4001 6000 - 0x4001 67FF 2 KB DFSDM1
0x4001 5C00 - 0x4001 5FFF 1 KB Reserved
0x4001 5800 - 0x4001 5BFF 1 KB SAI2
0x4001 5400 - 0x4001 57FF 1 KB SAI1
0x4001 4C00 - 0x4001 53FF 2 KB Reserved
0x4001 4800 - 0x4001 4BFF 1 KB TIM17
0x4001 4400 - 0x4001 47FF 1 KB TIM16
0x4001 4000 - 0x4001 43FF 1 KB TIM15
0x4001 3C00 - 0x4001 3FFF 1 KB Reserved
0x4001 3800 - 0x4001 3BFF 1 KB USART1
0x4001 3400 - 0x4001 37FF 1 KB TIM8
0x4001 3000 - 0x4001 33FF 1 KB SPI1
0x4001 2C00 - 0x4001 2FFF 1 KB TIM1
0x4001 2000 - 0x4001 2BFF 3 KB Reserved
Table 18. STM32L4S5xx, STM32L4S7xx and STM32L4S9xx memory map and
peripheral register boundary addresses(1) (continued)
Bus Boundary address Size
(bytes) Peripheral
Memory mapping STM32L4S5xx, STM32L4S7xx and STM32L4S9xx
116/277 DS12024 Rev 3
APB2
0x4001 1C00 - 0x4001 1FFF 1 KB FIREWALL
0x4001 0800- 0x4001 1BFF 5 KB Reserved
0x4001 0400 - 0x4001 07FF 1 KB EXTI
0x4001 0200 - 0x4001 03FF 1 KB COMP
0x4001 0030 - 0x4001 01FF 1 KB VREFBUF
0x4001 0000 - 0x4001 002F 1 KB SYSCFG
APB1
0x4000 9800 - 0x4000 FFFF 26 KB Reserved
0x4000 9400 - 0x4000 97FF 1 KB LPTIM2
0x4000 8C00 - 0x4000 93FF 3 KB Reserved
0x4000 8400 - 0x4000 87FF 1 KB I2C4
0x4000 8000 - 0x4000 83FF 1 KB LPUART1
0x4000 7C00 - 0x4000 7FFF 1 KB LPTIM1
0x4000 7800 - 0x4000 7BFF 1 KB OPAMP
0x4000 7400 - 0x4000 77FF 1 KB DAC1
0x4000 7000 - 0x4000 73FF 1 KB PWR
0x4000 6800 - 0x4000 6FFF 2 KB Reserved
0x4000 6400 - 0x4000 67FF 1 KB CAN1
0x4000 6000 - 0x4000 63FF 1 KB CRS
0x4000 5C00- 0x4000 5FFF 1 KB I2C3
0x4000 5800 - 0x4000 5BFF 1 KB I2C2
0x4000 5400 - 0x4000 57FF 1 KB I2C1
0x4000 5000 - 0x4000 53FF 1 KB UART5
0x4000 4C00 - 0x4000 4FFF 1 KB UART4
0x4000 4800 - 0x4000 4BFF 1 KB USART3
0x4000 4400 - 0x4000 47FF 1 KB USART2
0x4000 4000 - 0x4000 43FF 1 KB Reserved
0x4000 3C00 - 0x4000 3FFF 1 KB SPI3
0x4000 3800 - 0x4000 3BFF 1 KB SPI2
0x4000 3400 - 0x4000 37FF 1 KB Reserved
0x4000 3000 - 0x4000 33FF 1 KB IWDG
0x4000 2C00 - 0x4000 2FFF 1 KB WWDG
0x4000 2800 - 0x4000 2BFF 1 KB RTC
0x4000 1800 - 0x4000 23FF 4 KB Reserved
Table 18. STM32L4S5xx, STM32L4S7xx and STM32L4S9xx memory map and
peripheral register boundary addresses(1) (continued)
Bus Boundary address Size
(bytes) Peripheral

DS12024 Rev 3 117/277
STM32L4S5xx, STM32L4S7xx and STM32L4S9xx Memory mapping
117
APB1
0x4000 1400 - 0x4000 17FF 1 KB TIM7
0x4000 1000 - 0x4000 13FF 1 KB TIM6
0x4000 0C00- 0x4000 0FFF 1 KB TIM5
0x4000 0800 - 0x4000 0BFF 1 KB TIM4
0x4000 0400 - 0x4000 07FF 1 KB TIM3
0x4000 0000 - 0x4000 03FF 1 KB TIM2
1. The gray color is used for reserved boundary addresses.
Table 18. STM32L4S5xx, STM32L4S7xx and STM32L4S9xx memory map and
peripheral register boundary addresses(1) (continued)
Bus Boundary address Size
(bytes) Peripheral
Figure 19. Pin loading conditions
5L
Figure 20. Pin input voltage
Electrical characteristics STM32L4S5xx, STM32L4S7xx and STM32L4S9xx
118/277 DS12024 Rev 3
6 Electrical characteristics
6.1 Parameter conditions
Unless otherwise specified, all voltages are referenced to VSS.
6.1.1 Minimum and maximum values
Unless otherwise specified, the minimum and maximum values are guaranteed in the worst
conditions of ambient temperature, supply voltage and frequencies by tests in production on
100% of the devices with an ambient temperature at TA = 25 °C and TA = TAmax (given by
the selected temperature range).
Data based on characterization results, design simulation and/or technology characteristics
are indicated in the table footnotes and are not tested in production. Based on
characterization, the minimum and maximum values refer to sample tests and represent the
mean value plus or minus three times the standard deviation (mean ±3).
6.1.2 Typical values
Unless otherwise specified, typical data are based on TA = 25 °C, VDD = VDDA = 3 V. They
are given only as design guidelines and are not tested.
Typical ADC accuracy values are determined by characterization of a batch of samples from
a standard diffusion lot over the full temperature range, where 95% of the devices have an
error less than or equal to the value indicated (mean ±2).
6.1.3 Typical curves
Unless otherwise specified, all typical curves are given only as design guidelines and are
not tested.
6.1.4 Loading capacitor
The loading conditions used for pin parameter measurement are shown in Figure 19.
6.1.5 Pin input voltage
The input voltage measurement on a pin of the device is described in Figure 20.
Figure 19. Pin loading conditions Figure 20. Pin input voltage
MS19210V1
MCU pin
C = 50 pF
MS19211V1
MCU pin
V
IN
DS12024 Rev 3 119/277
STM32L4S5xx, STM32L4S7xx and STM32L4S9xx Electrical characteristics
252
6.1.6 Power supply scheme
Figure 21. Power supply scheme
Caution: Each power supply pair (VDD/VSS, VDDA/VSSA etc.) must be decoupled with filtering ceramic
capacitors as shown above. These capacitors must be placed as close as possible to, or
below, the appropriate pins on the underside of the PCB to ensure the good functionality of
the device.
MSv47745V1
VDDIO2
VDD
Level shifter
IO
logic
Kernel logic
(CPU, Digital
& Memories)
Backup circuitry
(LSE, RTC,
Backup registers)
IN
OUT
Regulator
GPIOs
1.55 – 3.6 V
IN
OUT
GPIOs
n x 100 nF
+1 x 4.7 μF
m x100 nF
Level shifter
IO
logic
+4.7 μF
m x VDDIO2
m x VSS
n x VSS
n x VDD
VBAT
VCORE
Power switch
VDDIO2
VDDIO1
ADCs/
DACs/
OPAMPs/
COMPs/
VREFBUF
VREF+
VREF-
VDDA
10 nF
+1 μF
VDDA
VSSA
VREF
100 nF +1 μF
VDD
VDDDSI
VCAPDSI
DSI
Voltage regulator
VDD12DSI DSI PHY
2.2 uF
Electrical characteristics STM32L4S5xx, STM32L4S7xx and STM32L4S9xx
120/277 DS12024 Rev 3
6.1.7 Current consumption measurement
Figure 22. Current consumption measurement
The IDD_ALL parameters given in Table 26 to Table 33 represent the total MCU consumption
including the current supplying VDD, VDDIO2, VDDA, VDDUSB and VBAT.
6.2 Absolute maximum ratings
Stresses above the absolute maximum ratings listed in Table 19: Voltage characteristics,
Table 20: Current characteristics and Table 21: Thermal characteristics may cause
permanent damage to the device. These are stress ratings only and functional operation of
the device at these conditions is not implied. Exposure to maximum rating conditions for
extended periods may affect device reliability. Exposure to maximum rating conditions for
extended periods may affect device reliability. Device mission profile (application conditions)
is compliant with JEDEC JESD47 qualification standard, extended mission profiles are
available on demand.
MSv47746V1
IDD_USB VDDUSB
IDD_VBAT VBAT
IDD VDD
VDDIO2
IDDA VDDA
Table 19. Voltage characteristics(1)
Symbol Ratings Min Max Unit
VDDX - VSS
External main supply voltage (including
VDD, VDDA, VDDIO2, VDDUSB, VBAT)-0.3 4.0
V
VIN(2)
Input voltage on FT_xxx pins VSS-0.3
min (VDD, VDDA,
VDDIO2, VDDUSB)
+ 4.0(3)(4)
Input voltage on TT_xx pins VSS-0.3 4.0
Input voltage on BOOT0 pin VSS 9.0
Input voltage on any other pins VSS-0.3 4.0
DS12024 Rev 3 121/277
STM32L4S5xx, STM32L4S7xx and STM32L4S9xx Electrical characteristics
252
|VDDx|Variations between different VDDX power
pins of the same domain -50
mV
|VSSx-VSS|Variations between all the different ground
pins(5) -50
1. All main power (VDD, VDDA, VDDIO2, VDDUSB, VBAT) and ground (VSS, VSSA) pins must always be
connected to the external power supply, in the permitted range.
2. VIN maximum must always be respected. Refer to Table 20: Current characteristics for the maximum
allowed injected current values.
3. This formula has to be applied only on the power supplies related to the IO structure described in the pin
definition table.
4. To sustain a voltage higher than 4 V the internal pull-up/pull-down resistors must be disabled.
5. Include VREF- pin.
Table 20. Current characteristics
Symbol Ratings Max Unit
IVDD Total current into sum of all VDD power lines (source)(1)
1. All main power (VDD, VDDA, VDDIO2, VDDUSB, VBAT) and ground (VSS, VSSA) pins must always be
connected to the external power supplies, in the permitted range.
200
mA
IVSS Total current out of sum of all VSS ground lines (sink)(1) 200
IVDD(PIN) Maximum current into each VDD power pin (source)(1) 100
IVSS(PIN) Maximum current out of each VSS ground pin (sink)(1) 100
IIO(PIN)
Output current sunk by any I/O and control pin except FT_f 20
Output current sunk by any FT_f pin 20
Output current sourced by any I/O and control pin 20
IIO(PIN)
Total output current sunk by sum of all I/Os and control pins(2)
2. This current consumption must be correctly distributed over all I/Os and control pins. The total output
current must not be sunk/sourced between two consecutive power supply pins referring to high pin count
QFP packages.
100
Total output current sourced by sum of all I/Os and control pins(2) 100
IINJ(PIN)(3)
3. Positive injection (when VIN > VDDIOx) is not possible on these I/Os and does not occur for input voltages
lower than the specified maximum value.
Injected current on FT_xxx, TT_xx, RST and B pins, except PA4, PA5 -5/+0(4)
4. A negative injection is induced by VIN < VSS. IINJ(PIN) must never be exceeded. Refer also to Table 19:
Voltage characteristics for the minimum allowed input voltage values.
Injected current on PA4, PA5 -5/0
|IINJ(PIN)| Total injected current (sum of all I/Os and control pins)(5)
5. When several inputs are submitted to a current injection, the maximum |IINJ(PIN)| is the absolute sum of
the negative injected currents (instantaneous values).
25
Table 19. Voltage characteristics(1) (continued)
Symbol Ratings Min Max Unit

Electrical characteristics STM32L4S5xx, STM32L4S7xx and STM32L4S9xx
122/277 DS12024 Rev 3
6.3 Operating conditions
6.3.1 General operating conditions
Table 21. Thermal characteristics
Symbol Ratings Value Unit
TSTG Storage temperature range –65 to +150 °C
TJMaximum junction temperature 150 °C
Table 22. General operating conditions
Symbol Parameter Conditions Min Max Unit
fHCLK
Internal AHB clock
frequency - 0 120
MHzfPCLK1
Internal APB1 clock
frequency - 0 120
fPCLK2
Internal APB2 clock
frequency - 0 120
VDD
Standard operating
voltage -1.71
(1) 3.6
V
VDDIO2
PG[15:2] I/Os supply
voltage
At least one I/O in PG[15:2]
used 1.08 3.6
PG[15:2] not used 0 3.6
VDDA Analog supply voltage
ADC or COMP used 1.62
3.6
DAC or OPAMP used 1.8
VREFBUF used 2.4
ADC, DAC, OPAMP, COMP,
VREFBUF not used 0
VBAT Backup operating voltage - 1.55 3.6
VDDUSB USB supply voltage
USB used 3.0 3.6
V
USB not used 0 3.6
VIN I/O input voltage
TT_xx I/O -0.3 VDDIOx+0.3
BOOT0 0 9
All I/O except BOOT0 and
TT_xx -0.3
MIN(MIN(VDD,
VDDA, VDDIO2,
VDDUSB,
VLCD)+3.6 V,
5.5 V)(2)(3)
DS12024 Rev 3 123/277
STM32L4S5xx, STM32L4S7xx and STM32L4S9xx Electrical characteristics
252
PD
Power dissipation at
TA = 85 °C for suffix 6(4)
LQFP144 - - 625
mW
LQFP100 - - 476
UFBGA169 - - 385
UFBGA132 - - 364
WLCSP144 - - 664
PD
Power dissipation at
TA = 125 °C for suffix 3(4)
LQFP144 - - 156
mW
LQFP100 - - 119
UFBGA169 - - 96
UFBGA132 - - 91
WLCSP144 - - 831
TA
Ambient temperature for
the suffix 6 version
Maximum power dissipation –40 85
°C
Low-power dissipation(5) –40 105
Ambient temperature for
the suffix 3 version
Maximum power dissipation –40 125
Low-power dissipation(5) –40 130
TJ
Junction temperature
range Suffix 6 version –40 105
°C
Suffix 3 version –40 130
1. When RESET is released functionality is guaranteed down to VBOR0 Min.
2. This formula has to be applied only on the power supplies related to the IO structure described by the pin
definition table. Maximum I/O input voltage is the smallest value between MIN(VDD, VDDA, VDDIO2,
VDDUSB)+3.6 V and 5.5V.
3. For operation with voltage higher than Min (VDD, VDDA, VDDIO2, VDDUSB) +0.3 V, the internal Pull-up and
Pull-Down resistors must be disabled.
4. If TA is lower, higher PD values are allowed as long as TJ does not exceed TJmax (see Section 7.7: Thermal
characteristics).
5. In low-power dissipation state, TA can be extended to this range as long as TJ does not exceed TJmax (see
Section 7.7: Thermal characteristics).
Table 22. General operating conditions (continued)
Symbol Parameter Conditions Min Max Unit
Electrical characteristics STM32L4S5xx, STM32L4S7xx and STM32L4S9xx
124/277 DS12024 Rev 3
6.3.2 Operating conditions at power-up / power-down
The parameters given in Table 23 are derived from tests performed under the ambient
temperature condition summarized in Table 22.
6.3.3 Embedded reset and power control block characteristics
The parameters given in Table 24 are derived from tests performed under the ambient
temperature conditions summarized in Table 22: General operating conditions.
Table 23. Operating conditions at power-up / power-down
Symbol Parameter Conditions Min Max Unit
tVDD
VDD rise time rate
-
0
µs/V
VDD fall time rate 10
tVDDA
VDDA rise time rate
-
0
µs/V
VDDA fall time rate 10
tVDDUSB
VDDUSB rise time rate
-
0
µs/V
VDDUSB fall time rate 10
tVDDIO2
VDDIO2 rise time rate
-
0
µs/V
VDDIO2 fall time rate 10
Table 24. Embedded reset and power control block characteristics
Symbol Parameter Conditions(1) Min Typ Max Unit
tRSTTEMPO(2) Reset temporization after
BOR0 is detected VDD rising - 250 400 s
VBOR0(2) Brown-out reset threshold 0
Rising edge 1.62 1.66 1.7
V
Falling edge 1.6 1.64 1.69
VBOR1 Brown-out reset threshold 1
Rising edge 2.06 2.1 2.14
V
Falling edge 1.96 2 2.04
VBOR2 Brown-out reset threshold 2
Rising edge 2.26 2.31 2.35
V
Falling edge 2.16 2.20 2.24
VBOR3 Brown-out reset threshold 3
Rising edge 2.56 2.61 2.66
V
Falling edge 2.47 2.52 2.57
VBOR4 Brown-out reset threshold 4
Rising edge 2.85 2.90 2.95
V
Falling edge 2.76 2.81 2.86
VPVD0
Programmable voltage
detector threshold 0
Rising edge 2.1 2.15 2.19
V
Falling edge 2 2.05 2.1
VPVD1 PVD threshold 1
Rising edge 2.26 2.31 2.36
V
Falling edge 2.15 2.20 2.25

DS12024 Rev 3 125/277
STM32L4S5xx, STM32L4S7xx and STM32L4S9xx Electrical characteristics
252
VPVD2 PVD threshold 2
Rising edge 2.41 2.46 2.51
V
Falling edge 2.31 2.36 2.41
VPVD3 PVD threshold 3
Rising edge 2.56 2.61 2.66
V
Falling edge 2.47 2.52 2.57
VPVD4 PVD threshold 4
Rising edge 2.69 2.74 2.79
V
Falling edge 2.59 2.64 2.69
VPVD5 PVD threshold 5
Rising edge 2.85 2.91 2.96
V
Falling edge 2.75 2.81 2.86
VPVD6 PVD threshold 6
Rising edge 2.92 2.98 3.04
V
Falling edge 2.84 2.90 2.96
Vhyst_BORH0 Hysteresis voltage of BORH0
Hysteresis in
continuous
mode
-20-
mV
Hysteresis in
other mode -30-
Vhyst_BOR_PVD
Hysteresis voltage of BORH
(except BORH0) and PVD --100-mV
IDD
(BOR_PVD)(2)
BOR(3) (except BOR0) and
PVD consumption from VDD
--1.11.6µA
VPVM1
VDDUSB peripheral voltage
monitoring - 1.18 1.22 1.26 V
VPVM3
VDDA peripheral voltage
monitoring
Rising edge 1.61 1.65 1.69
V
Falling edge 1.6 1.64 1.68
VPVM4
VDDA peripheral voltage
monitoring
Rising edge 1.78 1.82 1.86
V
Falling edge 1.77 1.81 1.85
Vhyst_PVM3 PVM3 hysteresis - - 10 - mV
Vhyst_PVM4 PVM4 hysteresis - - 10 - mV
IDD
(PVM1/PVM2)
(2)
PVM1 and PVM2
consumption from VDD
--0.2-µA
IDD
(PVM3/PVM4)
(2)
PVM3 and PVM4
consumption from VDD
--2-µA
1. Continuous mode means Run/Sleep modes, or temperature sensor enable in Low-power run/Low-power
sleep modes.
2. Guaranteed by design.
3. BOR0 is enabled in all modes (except shutdown) and its consumption is therefore included in the supply
current characteristics tables.
Table 24. Embedded reset and power control block characteristics (continued)
Symbol Parameter Conditions(1) Min Typ Max Unit

Electrical characteristics STM32L4S5xx, STM32L4S7xx and STM32L4S9xx
126/277 DS12024 Rev 3
6.3.4 Embedded voltage reference
The parameters given in Table 25 are derived from tests performed under the ambient
temperature and supply voltage conditions summarized in Table 22: General operating
conditions.
Table 25. Embedded internal voltage reference
Symbol Parameter Conditions Min Typ Max Unit
VREFINT
Internal reference
voltage –40 °C < TA < +130 °C 1.182 1.212 1.232 V
tS_vrefint (1)
1. The shortest sampling time can be determined in the application by multiple iterations.
ADC sampling time
when reading the
internal reference
voltage
-4
(2)
2. Guaranteed by design.
-- µs
tstart_vrefint
Start time of reference
voltage buffer when
ADC is enable
--812
(2) µs
IDD(VREFINTBUF)
VREFINT buffer
consumption from VDD
when converted by
ADC
- - 12.5 20(2) µA
VREFINT
Internal reference
voltage spread over
the temperature range
VDD = 3 V - 5 7.5(2) mV
TCoeff
Average temperature
coefficient –40°C < TA < +130°C - 30 50(2) ppm/°C
ACoeff Long term stability 1000 hours, T = 25°C - 300 1000(2
)ppm
VDDCoeff
Average voltage
coefficient 3.0 V < VDD < 3.6 V - 250 1200(2
)ppm/V
VREFINT_DIV1 1/4 reference voltage
-
24 25 26
%
VREFINT
VREFINT_DIV2 1/2 reference voltage 49 50 51
VREFINT_DIV3 3/4 reference voltage 74 75 76

Electrical characteristics STM32L4S5xx, STM32L4S7xx and STM32L4S9xx
128/277 DS12024 Rev 3
6.3.5 Supply current characteristics
The current consumption is a function of several parameters and factors such as the
operating voltage, ambient temperature, I/O pin loading, device software configuration,
operating frequencies, I/O pin switching rate, program location in memory and executed
binary code
The current consumption is measured as described in Figure 22: Current consumption
measurement.
Typical and maximum current consumption
The MCU is placed under the following conditions:
•All I/O pins are in analog input mode
•All peripherals are disabled except when explicitly mentioned
•The Flash memory access time is adjusted with the minimum wait states number,
depending on the fHCLK frequency (refer to the table “Number of wait states according
to CPU clock (HCLK) frequency” available in the RM0432 reference manual).
•When the peripherals are enabled fPCLK = fHCLK
•The voltage scaling Range 1 is adjusted to fHCLK frequency as follows:
– Voltage Range 1 Boost mode for 80 MHz < fHCLK <= 120 MHz
– Voltage Range 1 Normal mode for 26 MHz < fHCLK <= 80 MHz
The parameters given in Table 26 to Table 33 are derived from tests performed under
ambient temperature and supply voltage conditions summarized in Table 22: General
operating conditions.
STM32L4S5xx, STM32L4S7xx and STM32L4S9xx Electrical characteristics
DS12024 Rev 3 129/277
Table 26. Current consumption in Run and Low-power run modes, code with data
processing running from Flash in single Bank, ART enable (Cache ON Prefetch OFF)
Symbol Parameter
Conditions
fHCLK
TYP MAX(1)
Unit
-Voltage
scaling 25°C 55°C 85°C 105°C 125°C 25°C 55°C 85°C 105°C 125°C
IDD(Run)
Supply
current in
Run mode
fHCLK = fHSE
up to 48 MHz
included,
bypass mode
PLL ON above
48 MHz all
peripherals
disable
Range 2
26 MHz 3.40 3.80 4.90 6.55 9.45 3.9 4.8 6.8 11.0 17.0
mA
16 MHz 2.20 2.55 3.70 5.30 8.20 2.6 3.4 5.4 8.7 15.0
8 MHz 1.25 1.60 2.70 4.30 7.20 1.6 2.3 4.3 7.6 14.0
4 MHz 0.740 1.10 2.20 3.80 6.70 1.0 1.8 3.8 7.1 13.0
2 MHz 0.495 0.860 1.95 3.55 6.45 0.7 1.5 3.5 6.8 13.0
1 MHz 0.370 0.740 1.85 3.45 6.35 0.6 1.4 3.4 6.6 13.0
100 KHz 0.265 0.630 1.75 3.35 6.25 0.4 1.2 3.2 6.5 13.0
Range 1
Boost Mode120 MHz 18.5 19.5 21.0 23.0 27.0 21.0 23.0 26.0 30.0 38.0
Range 1
Normal
Mode
80 MHz 11.5 12.0 13.5 15.5 19.0 13.0 14.0 17.0 21.0 28.0
72 MHz 10.5 11.0 12.5 14.5 18.0 12.0 13.0 16.0 20.0 27.0
64 MHz 9.25 9.75 11.0 13.5 17.0 11.0 12.0 14.0 18.0 26.0
48 MHz 7.35 7.85 9.30 11.5 15.0 8.3 9.3 12.0 16.0 23.0
32 MHz 5.00 5.50 6.95 8.95 12.5 5.7 6.7 9.2 14.0 21.0
24 MHz 3.85 4.35 5.75 7.75 11.5 4.4 5.4 7.9 12.0 19.0
16 MHz 2.65 3.15 4.55 6.55 10.0 3.1 4.1 6.6 11.0 18.0
IDD
(LPRun)
Supply
current in
Low-power
run mode
fHCLK = fMSI
all peripherals disable
2 MHz 490 910 2200 4050 7250 690 1600 4000 7700 14000
µA
1 MHz 305 770 2050 3900 7100 490 1500 3900 7500 14000
400 KHz 250 695 2000 3800 7000 430 1400 3800 7500 14000
100 KHz 210 645 1950 3750 7000 380 1400 3700 7400 14000
1. Guaranteed by characterization results, unless otherwise specified.

Electrical characteristics STM32L4S5xx, STM32L4S7xx and STM32L4S9xx
130/277 DS12024 Rev 3
Table 27. Current consumption in Run and Low-power run modes, code with data
processing running from Flash in dual bank, ART enable (Cache ON Prefetch OFF)
Symbol Parameter
Conditions
fHCLK
TYP MAX(1)
Unit
-Voltage
scaling 25°C 55°C 85°C 105°C 125°C 25°C 55°C 85°C 105°C 125°C
IDD
(Run)
Supply
current in
Run mode
fHCLK = fHSE
up to 48MHz
included,
bypass mode
PLL ON
above 48
MHz all
peripherals
disable
Range 2
26 MHz 3.60 3.95 5.05 6.65 9.55 4.2 5.0 7.1 11.0 17.0
mA
16 MHz 2.30 2.65 3.75 5.35 8.20 2.7 3.6 5.6 8.9 15.0
8 MHz 1.30 1.65 2.70 4.30 7.15 1.6 2.4 4.4 7.7 14.0
4 MHz 0.770 1.10 2.20 3.75 6.60 1.0 1.8 3.8 7.1 14.0
2 MHz 0.515 0.865 1.95 3.50 6.35 0.7 1.5 3.5 6.8 13.0
1 MHz 0.380 0.735 1.80 3.35 6.20 0.6 1.4 3.4 6.7 13.0
100 KHz 0.265 0.620 1.70 3.25 6.10 0.4 1.2 3.2 6.5 13.0
Range 1
Boost Mode 120 MHz 17.0 18.0 19.5 21.5 25.5 19.0 21.0 24.0 28.0 36.0
Range 1
Normal
Mode
80 MHz 12.5 13.0 14.0 16.0 19.5 14.0 15.0 18.0 22.0 29.0
72 MHz 11.0 11.5 13.0 15.0 18.5 13.0 14.0 17.0 21.0 28.0
64 MHz 9.90 10.5 12.0 14.0 17.5 12.0 13.0 15.0 19.0 26.0
48 MHz 7.85 8.30 9.75 11.5 15.0 8.7 9.9 13.0 17.0 24.0
32 MHz 5.35 5.80 7.20 9.20 12.5 6.1 7.1 9.6 14.0 21.0
24 MHz 4.10 4.55 5.95 7.90 11.5 4.7 5.7 8.2 13.0 20.0
16 MHz 2.80 3.30 4.65 6.60 10.0 3.3 4.3 6.8 11.0 18.0
IDD
(LPRun)
Supply
current in
Low-power
run mode
fHCLK = fMSI
all peripherals disable
2 MHz 460 905 2150 3950 7100 660 1700 4100 7700 15000
µA
1 MHz 355 760 2000 3800 6950 540 1500 3900 7600 14000
400 KHz 240 685 1950 3700 6850 410 1400 3800 7500 14000
100 KHz 200 635 1900 3650 6800 370 1400 3700 7500 14000
1. Guaranteed by characterization results, unless otherwise specified.

STM32L4S5xx, STM32L4S7xx and STM32L4S9xx Electrical characteristics
DS12024 Rev 3 131/277
Table 28. Current consumption in Run and Low-power run modes,
code with data processing running from Flash in single bank, ART disable
Symbol Parameter
Conditions
fHCLK
TYP MAX(1)
Unit
-Voltage
scaling 25°C 55°C 85°C 105°C 125°C 25°C 55°C 85°C 105°C 125°C
IDD(Run)
Supply
current in
Run mode
fHCLK = fHSE
up to 48MHz
included,
bypass mode
PLL ON
above 48
MHz all
peripherals
disable
Range 2
26 MHz 4.00 4.40 5.55 7.20 10.0 4.60 5.5 7.5 11.0 17.0
mA
16 MHz 2.65 3.05 4.15 5.80 8.75 3.10 4.0 6.0 9.3 16.0
8 MHz 1.50 1.85 2.90 4.45 7.25 1.80 2.6 4.6 7.9 14.0
4 MHz 0.875 1.25 2.35 3.95 6.90 1.20 1.9 3.9 7.2 14.0
2 MHz 0.565 0.925 2.05 3.65 6.55 0.77 1.6 3.6 6.8 13.0
1 MHz 0.405 0.770 1.90 3.50 6.40 0.60 1.4 3.4 6.7 13.0
100 KHz 0.265 0.635 1.75 3.35 6.25 0.44 1.2 3.2 6.5 13.0
Range 1
Boost Mode 120 MHz 18.5 19.5 21.0 23.5 27.0 21.00 23.0 26.0 30.0 38.0
Range 1
Normal
Mode
80 MHz 13.0 13.5 15.5 17.5 21.0 15.00 17.0 19.0 23.0 30.0
72 MHz 12.0 12.5 14.0 16.0 20.0 14.00 15.0 18.0 22.0 29.0
64 MHz 10.5 11.0 12.5 15.0 18.5 12.00 14.0 16.0 20.0 28.0
48 MHz 8.75 9.30 11.0 13.0 16.5 9.80 12.0 14.0 18.0 25.0
32 MHz 6.20 6.70 8.20 10.0 14.0 7.00 8.2 11.0 15.0 22.0
24 MHz 4.70 5.20 6.70 10.5 12.5 5.40 6.5 9.0 13.0 20.0
16 MHz 3.35 3.85 5.25 7.30 11.0 3.90 4.9 7.4 12.0 19.0
IDD
(LPRun)
Supply
current in
Low-power
run mode
fHCLK = fMSI
all peripherals disable
2 MHz 595 1000 2300 4150 7350 810.00 1700 4100 7800 15000
µA
1 MHz 370 800 2100 3950 7150 560.00 1500 3900 7600 14000
400 KHz 245 705 2000 3850 7050 420.00 1400 3800 7500 14000
100 KHz 230 655 1950 3800 7000 400.00 1400 3700 7400 14000
1. Guaranteed by characterization results, unless otherwise specified.

Electrical characteristics STM32L4S5xx, STM32L4S7xx and STM32L4S9xx
132/277 DS12024 Rev 3
Table 29. Current consumption in Run and Low-power run modes,
code with data processing running from Flash in dual bank, ART disable
Symbol Parameter
Conditions
fHCLK
TYP MAX(1)
Unit
-Voltage
scaling 25°C 55°C 85°C 105°C 125°C 25°C 55°C 85°C 105°C 125°C
IDD
(Run)
Supply
current in
Run mode
fHCLK = fHSE
up to
48MHz
included,
bypass
mode PLL
ON above
48 MHz all
peripherals
disable
Range 2
26 MHz 4.10 4.50 5.60 7.20 10.00 4.7 5.6 7.6 11.0 17.0
mA
16 MHz 2.75 3.10 4.25 5.85 8.70 3.2 4.1 6.1 9.4 16.0
8 MHz 1.25 1.90 2.95 4.55 7.35 1.7 2.7 4.7 8.0 14.0
4 MHz 0.91 1.25 2.35 3.90 6.75 1.2 2.0 4.0 7.3 14.0
2 MHz 0.59 0.94 2.00 3.60 6.40 0.8 1.6 3.6 6.9 13.0
1 MHz 0.42 0.77 1.85 3.40 6.25 0.6 1.4 3.4 6.7 13.0
100 KHz 0.27 0.63 1.70 3.25 6.10 0.4 1.2 3.2 6.5 13.0
Range 1
Boost
Mode
120 MHz 17.00 18.00 19.50 21.50 25.50 19.0 21.0 24.0 28.0 36.0
Range 1
Normal
Mode
80 MHz 13.00 13.50 15.00 17.00 20.50 15.0 16.0 19.0 23.0 30.0
72 MHz 11.50 12.00 14.00 16.00 19.50 13.0 15.0 18.0 22.0 29.0
64 MHz 10.50 11.00 12.50 14.50 18.00 12.0 13.0 16.0 20.0 27.0
48 MHz 9.00 9.50 11.00 13.00 16.50 11.0 12.0 15.0 19.0 26.0
32 MHz 6.45 6.95 8.40 10.50 14.00 7.3 8.5 12.0 16.0 23.0
24 MHz 4.90 5.40 6.85 8.80 12.50 5.6 6.7 9.3 14.0 21.0
16 MHz 3.55 4.00 5.40 7.40 11.00 4.1 5.2 7.7 12.0 19.0
IDD
(LPRun)
Supply
current in
Low-power
run mode
fHCLK = fMSI
all peripherals disable
2 MHz 590 1000 2300 4050 7200 800.0 1800 4200 7800 15000
µA
1 MHz 390 805 2100 3850 7000 580.0 1600 4000 7600 14000
400 KHz 245 655 1950 3750 6900 420.0 1400 3800 7500 14000
100 KHz 195 610 1900 3700 6850 370.0 1400 3700 7500 14000
1. Guaranteed by characterization results, unless otherwise specified.

STM32L4S5xx, STM32L4S7xx and STM32L4S9xx Electrical characteristics
DS12024 Rev 3 133/277
Table 30. Current consumption in Run and Low-power run modes,
code with data processing running from SRAM1
Symbol Parameter
Conditions
fHCLK
TYP MAX(1)
Unit
-Voltage
scaling 25°C 55°C 85°C 105°C 125°C 25°C 55°C 85°C 105°C 125°C
IDD(Run)
Supply
current in
Run mode
fHCLK = fHSE
up to 48MHz
included,
bypass mode
PLL ON
above 48
MHz all
peripherals
disable
Range 2
26 MHz 3.35 3.75 4.85 6.45 9.30 4.70 5.6 7.6 11.0 17.0
mA
16 MHz 2.20 2.55 3.65 5.20 8.10 3.20 4.1 6.1 9.4 16.0
8 MHz 1.20 1.55 2.65 4.25 7.10 1.70 2.7 4.7 8.0 14.0
4 MHz 0.74 1.10 2.15 3.75 6.60 1.20 2.0 4.0 7.3 14.0
2 MHz 0.49 0.85 1.95 3.50 6.35 0.79 1.6 3.6 6.9 13.0
1 MHz 0.37 0.73 1.80 3.40 6.20 0.61 1.4 3.4 6.7 13.0
100 KHz 0.26 0.62 1.70 3.25 6.10 0.44 1.2 3.2 6.5 13.0
Range 1
Boost Mode 120 MHz 18.00 18.50 20.00 22.50 26.50 19.00 21.0 24.0 28.0 36.0(2)
Range 1
Normal
Mode
80 MHz 11.00 11.50 13.50 15.50 19.00 15.00 16.0 19.0 23.0 30.0(2)
72 MHz 10.00 10.50 12.00 14.00 18.00 13.00 15.0 18.0 22.0 29.0
64 MHz 9.10 9.60 11.00 13.00 16.50 12.00 13.0 16.0 20.0 27.0
48 MHz 7.20 7.70 9.20 11.00 14.50 11.00 12.0 15.0 19.0 26.0
32 MHz 4.90 5.40 6.85 8.80 12.50 7.30 8.5 12.0 16.0 23.0
24 MHz 3.75 4.25 5.65 7.65 11.00 5.60 6.7 9.3 14.0 21.0
16 MHz 2.60 3.10 4.50 6.45 9.90 4.10 5.2 7.7 12.0 19.0
IDD
(LPRun)
Supply
current in
Low-power
run mode
fHCLK = fMSI
all peripherals disable
FLASH in power-down
2 MHz 435 885 2150 3950 7100 800 1800 4200 7800 15000
µA
1 MHz 300 745 2000 3800 6950 580 1600 4000 7600 14000
400 KHz 225 655 1900 3700 6850 420 1400 3800 7500 14000
100 KHz 180 620 1900 3650 6800 370 1400 3700 7500 14000
1. Guaranteed by characterization results, unless otherwise specified.
2. Guaranteed by test in production.

Electrical characteristics STM32L4S5xx, STM32L4S7xx and STM32L4S9xx
134/277 DS12024 Rev 3
Table 31. Typical current consumption in Run and Low-power run modes, with different codes
running from Flash, ART enable (Cache ON Prefetch OFF)
Symbol Parameter
Conditions
Code
TYP
Single Bank
Mode
TYP
Dual Bank
Mode Unit
TYP
Single Bank
Mode
TYP
Dual Bank
Mode Unit
-Voltage
scaling 25°C 25°C 25°C 25°C
IDD
(Run)
Supply
current in
Run mode
fHCLK=fHSE up
to 48 MHZ
included,
bypass mode
PLL ON above
48 MHz all
peripherals
disable
Range2
fHCLK=26MHz
Reduced
code(1) 3.40 3.60
mA
131 138
µA/MHz
Coremark 3.90 3.95 150 152
Dhrystone2.1 4.25 4.30 163 165
Fibonacci 3.65 3.90 140 150
While(1) 3.15 3.15 121 121
Range 1
Normal Mode
fHCLK= 80
MHz
Reduced
code(1) 11.5 12.5
mA
144 156
µA/MHz
Coremark 13.5 13.5 169 169
Dhrystone2.1 14.5 14.5 181 181
Fibonacci 12.5 14.0 156 175
While(1) 10.5 10.5 131 131
Range 1
Boost Mode
fHCLK= 120
MHz
Reduced
code(1) 18.5 17.0
mA
154 142
µA/MHz
Coremark 21.5 21.5 179 179
Dhrystone2.1 22.5 22.5 188 188
Fibonacci 20.0 21.0 167 175
While(1) 16.5 16.5 138 138

STM32L4S5xx, STM32L4S7xx and STM32L4S9xx Electrical characteristics
DS12024 Rev 3 135/277
IDD
(LPRun)
Supply
current in
Low-power
run
fHCLK = fMSI = 2MHz all
pripherals disable
Reduced
code(1) 490 460
µA
245 230
µA/MHz
Coremark 520 515 260 258
Dhrystone2.1 530 530 265 265
Fibonacci 470 495 235 248
While(1) 455 515 228 258
1. Reduced code used for characterization results provided in Table 26, Table 28, Table 30.
Table 31. Typical current consumption in Run and Low-power run modes, with different codes
running from Flash, ART enable (Cache ON Prefetch OFF) (continued)
Symbol Parameter
Conditions
Code
TYP
Single Bank
Mode
TYP
Dual Bank
Mode Unit
TYP
Single Bank
Mode
TYP
Dual Bank
Mode Unit
-Voltage
scaling 25°C 25°C 25°C 25°C

Electrical characteristics STM32L4S5xx, STM32L4S7xx and STM32L4S9xx
136/277 DS12024 Rev 3
Table 32. Typical current consumption in Run and Low-power run modes,
with different codes running from Flash, ART disable
Symbol Parameter
Conditions
Code
TYP
Single Bank
Mode
TYP
Dual Bank
Mode Unit
TYP
Single Bank
Mode
TYP
Dual Bank
Mode Unit
-Voltage
scaling 25°C 25°C 25°C 25°C
IDD (Run)
Supply
current in
Run mode
fHCLK=fHSE up
to 48 MHZ
included,
bypass mode
PLL ON
above 48 MHz
all peripherals
disable
Range2
fHCLK=26
MHz
Reduced code(1) 4.00 4.10
mA
154 158
µA/MHz
Coremark 4.15 3.80 160 146
Dhrystone2.1 4.40 4.00 169 154
Fibonacci 3.80 3.60 146 138
While(1) 3.15 3.15 121.2 121.2
Range 1
Normal
Mode
fHCLK=
80 MHz
Reduced code(1) 13.0 13.0
mA
163 163
µA/MHz
Coremark 13.0 12.0 163 150
Dhrystone2.1 14.0 12.5 175 156
Fibonacci 11.5 11.0 144 138
While(1) 10.5 10.5 131 131
Range 1
Boost
Mode
fHCLK=
120 MHz
Reduced code(1) 18.5 17.0
mA
154 142
µA/MHz
Coremark 18.0 16.0 150 133
Dhrystone2.1 19.0 16.5 158 138
Fibonacci 16.0 15.0 133 125
While(1) 16.5 16.5 138 138
IDD
(LPRun)
Supply
current in
Low-power
run
fHCLK = fMSI = 2MHz all
pripherals disable
Reduced code(1) 595 590
µA
298 295
µA/MHz
Coremark 620 580 310 290
Dhrystone2.1 645 655 323 328
Fibonacci 670 580 335 290
While(1) 470 685 235 343
1. Reduced code used for characterization results provided in Table 26, Table 28, Table 30.
STM32L4S5xx, STM32L4S7xx and STM32L4S9xx Electrical characteristics
DS12024 Rev 3 137/277
Table 33. Typical current consumption in Run and Low-power run modes, with different codes
running from SRAM1
Symbol Parameter
Conditions
Code
TYP
Unit
TYP
Unit
-Voltage
scaling 25°C 25°C
IDD (Run) Supply current in
Run mode
fHCLK=fHSE up to 48
MHZ included, bypass
mode PLL ON above 48
MHz all peripherals
disable
Range2
fHCLK=26
MHz
Reduced code(1) 3.35
mA
129
µA/MHz
Coremark 3.10 119
Dhrystone2.1 3.65 140
Fibonacci 3.20 123
While(1) 2.85 110
Range 1
Normal
Mode
fHCLK= 80
MHz
Reduced code(1) 11.0
mA
138
µA/MHz
Coremark 10.5 131
Dhrystone2.1 12.5 156
Fibonacci 10.5 131
While(1) 9.40 118
Range 1
Boost
Mode
fHCLK= 120
MHz
Reduced code(1) 18.0
mA
150
µA/MHz
Coremark 16.5 138
Dhrystone2.1 19.5 163
Fibonacci 17.5 146
While(1) 15.0 125
IDD(LPRun) Supply current in
Low-power run
fHCLK = fMSI = 2MHz all pripherals
disable
Reduced code(1) 435
µA
218
µA/MHz
Coremark 395 198
Dhrystone2.1 470 235
Fibonacci 425 213
While(1) 455 228
1. Reduced code used for characterization results provided in Table 26, Table 28, Table 30.
Electrical characteristics STM32L4S5xx, STM32L4S7xx and STM32L4S9xx
138/277 DS12024 Rev 3
Table 34. Current consumption in Sleep and Low-power sleep mode, Flash ON
Symbol Parameter
Conditions
fHCLK
TYP MAX(1)
Unit
-Voltage
scaling 25°C 55°C 85°C 105°C 125°C 25°C 55°C 85°C 105°C 125°C
IDD
(Sleep)
Supply
current in
Sleep mode
fHCLK = fHSE
up to 48MHz
included,
bypass mode
PLL ON
above 48 MHz
all peripherals
disable
Range 2
26 MHz 1.10 1.45 2.55 4.15 7.00 1.40 2.2 4.2 7.5 14.0
mA
16 MHz 0.78 1.15 2.25 3.80 6.65 1.00 1.8 3.8 7.1 14.0
8 MHz 0.52 0.87 1.95 3.55 6.35 0.72 1.5 3.5 6.8 13.0
4 MHz 0.38 0.74 1.85 3.40 6.25 0.57 1.4 3.4 6.7 13.0
2 MHz 0.32 0.63 1.75 3.35 6.15 0.50 1.3 3.3 6.6 13.0
1 MHz 0.29 0.61 1.75 3.30 6.10 0.46 1.3 3.3 6.5 13.0
100 KHz 0.26 0.58 1.70 3.25 6.10 0.43 1.2 3.2 6.5 13.0
Range 1
Boost Mode 120 MHz 4.20 4.70 6.25 8.40 12.00 4.80 6.0 8.7 13.0 21.0
Range 1
Normal
Mode
80 MHz 2.80 3.25 4.65 6.60 10.00 3.30 4.3 6.8 11.0 18.0
72 MHz 2.55 3.00 4.40 6.40 9.85 3.00 4.0 6.5 11.0 18.0
64 MHz 2.30 2.75 4.20 6.15 9.60 2.70 3.8 6.3 11.0 18.0
48 MHz 2.15 2.60 4.00 6.00 9.45 2.60 3.5 6.0 10.0 18.0
32 MHz 1.55 2.00 3.40 5.35 8.80 1.90 2.9 5.4 9.3 17.0
24 MHz 1.25 1.70 3.10 5.05 8.50 1.60 2.5 5.0 9.0 16.0
16 MHz 0.93 1.40 2.80 4.70 8.20 1.20 2.2 4.7 8.6 16.0
IDD
(LPSleep)
Supply
current in
Low-power
sleep mode
fHCLK = fMSI
all peripherals disable
2 MHz 235 625 1950 3750 6900 410 1400 3800 7500 14000
µA
1 MHz 220 605 1900 3700 6850 390 1400 3700 7500 14000
400 KHz 215 595 1900 3700 6850 390 1300 3700 7500 14000
100 KHz 210 595 1900 3700 6800 380 1300 3700 7500 14000
1. Guaranteed by characterization results, unless otherwise specified.

STM32L4S5xx, STM32L4S7xx and STM32L4S9xx Electrical characteristics
DS12024 Rev 3 139/277
Table 35. Current consumption in Low-power sleep mode, Flash in power-down
Symbol Parameter
Conditions
fHCLK
TYP MAX(1)
Unit
-Voltage
scaling 25°C 55°C 85°C 105°C 125°C 25°C 55°C 85°C 105°C 125°C
IDD
(LPSleep)
Supply
current in
Low-power
sleep mode
fHCLK = fMSI
all peripherals disable
2 MHz 255 645 1950 3700 6850 430 1400 3700 7400 14000
µA
1 MHz 195 620 1900 3700 6850 370 1300 3700 7400 14000
400 KHz 180 600 1900 3700 6800 350 1300 3700 7400 14000
100 KHz 175 595 1900 3650 6800 340 1300 3700 7400 14000
1. Guaranteed by characterization results, unless otherwise specified.

Electrical characteristics STM32L4S5xx, STM32L4S7xx and STM32L4S9xx
140/277 DS12024 Rev 3
Table 36. Current consumption in Stop 2 mode, SRAM3 disabled
Symbol Parameter
Conditions TYP MAX(1)
Unit
-VDD 25°C 55°C 85°C 105°C 125°C 25°C 55°C 85°C 105°C 125°C
IDD
(Stop 2)
Supply
current in
Stop 2 mode,
RTC disabled
-
1.8 V 2.50 9.10 36.5 84.0 185 7.70 30.0 120 270 580
µA
2.4 V 2.50 9.20 37.0 85.0 185 8.00 31.0 120 270 590
3 V 2.55 9.30 37.5 87.0 190 8.00 31.0 120 280 600
3.6 V 2.60 9.50 38.0 89.0 195 8.30 32.0 130 280 610
IDD(Stop 2
with RTC)
Supply
current in
STOP 2
mode,
RTC enabled
RTC clocked by LSI
1.8 V 2.75 9.45 36.5 84.5 185 8.30 31.0 120 270 580
2.4 V 2.90 9.60 37.0 85.5 185 8.50 32.0 120 270 590
3 V 3.05 9.85 38.0 87.0 190 8.60 32.0 120 280 600
3.6 V 3.20 10.0 38.5 89.5 195 9.00 33.0 130 280 610
RTC clocked by LSE
bypassed at 32768 Hz
1.8 V 2.95 9.65 37.0 84.5 185 7.80 25.0 93.0 220 470
2.4 V 3.05 9.85 37.5 86.0 185 7.90 25.0 94.0 220 470
3 V 3.25 10.0 38.0 87.5 190 8.10 25.0 95.0 220 480
3.6 V 3.55 10.5 39.0 90.0 195 8.50 27.0 98.0 230 490
RTC clocked by LSE
quartz in low drive mode
1.8 V 2.80 9.30 36.0 84.5 - 7.60 24.0 90.0 220 -
2.4 V 2.90 9.45 36.5 85.5 - 7.70 24.0 92.0 220 -
3 V 3.05 9.65 37.0 87.0 - 7.90 25.0 93.0 220 -
3.6 V 3.15 9.95 38.0 89.0 - 8.00 25.0 95.0 230 -
IDD(wakeu
p from
Stop 2)
Supply
current during
wakeup from
Stop 2 mode
Wakeup clock is MSI = 48
MHz, voltage Range 1(2) 3 V3.55---------
mA
Wakeup clock is MSI = 4
MHz, voltage Range 2(2) 3 V1.25---------
Wakeup clock is HSI = 16
MHz, voltage Range 1(2) 3 V2.90---------
1. Guaranteed by characterization results, unless otherwise specified.
2. Wakeup with code execution from Flash. Average value given for a typical wakeup time as specified in Table 44: Low-power mode wakeup timings.

STM32L4S5xx, STM32L4S7xx and STM32L4S9xx Electrical characteristics
DS12024 Rev 3 141/277
Table 37. Current consumption in Stop 2 mode, SRAM3 enabled
Symbol Parameter
Conditions TYP MAX(1)
Unit
-VDD 25°C 55°C 85°C 105°C 125°C 25°C 55°C 85°C 105°C 125°C
IDD(Stop 2)
Supply current
in Stop 2
mode,
RTC disabled
-
1.8 V 3.90 15.0 59.5 140 310 13.0 52.0 210 480 1100
µA
2.4 V 3.95 15.0 60.0 140 310 14.0 53.0 210 480 1100
3 V 3.95 15.0 60.5 145 315 14.0 53.0 210 480 1100
3.6 V 3.95 15.0 61.5 145 320 14.0 54.0 210 490 1100
IDD(Stop 2
with RTC)
Supply current
in STOP 2
mode,
RTC enabled
RTC clocked by LSI
1.8 V 4.10 15.0 60.5 140 310 11.0 53.0 210 480 1100
2.4 V 4.25 15.5 60.5 145 315 12.0 54.0 210 480 1100
3 V 4.50 15.5 61.5 145 320 12.0 54.0 210 480 1100
3.6 V 4.70 16.0 62.5 145 325 12.0 56.0 220 490 1100(2)
RTC clocked by LSE
bypassed at 32768 Hz
1.8 V 4.35 15.5 61.0 140 310 9.50 39.0 160 350 780
2.4 V 4.50 15.5 61.0 145 315 9.60 39.0 160 370 790
3 V 4.70 16.0 62.0 145 320 9.90 40.0 160 370 800
3.6 V 4.80 16.5 63.0 145 325 10.0 42.0 160 370 820
RTC clocked by LSE
quartz in low drive mode
1.8 V 4.30 15.5 63.5 150 - 9.40 39.0 160 380 -
2.4 V 4.40 16.0 64.0 150 - 9.50 40.0 160 380 -
3 V 4.45 16.0 64.5 150 - 9.60 40.0 170 380 -
3.6 V 4.85 16.5 65.5 155 - 11.0 42.0 170 390 -
IDD(wakeup
from Stop 2)
Supply current
during wakeup
from Stop 2
mode
Wakeup clock is MSI = 48
MHz, voltage Range 1(3) 3 V3.80---------
mA
Wakeup clock is MSI = 4
MHz, voltage Range 2(3) 3 V1.30---------
Wakeup clock is HSI = 16
MHz, voltage Range 1(3) 3 V2.95---------
1. Guaranteed by characterization results, unless otherwise specified.
2. Guaranteed by test in production.
3. Wakeup with code execution from Flash. Average value given for a typical wakeup time as specified in Table 44: Low-power mode wakeup timings.

Electrical characteristics STM32L4S5xx, STM32L4S7xx and STM32L4S9xx
142/277 DS12024 Rev 3
Table 38. Current consumption in Stop 1 mode
Symbol Parameter
Conditions TYP MAX(1)
Unit
-VDD 25°C 55°C 85°C 105°C 125°C 25°C 55°C 85°C 105°C 125°C
IDD
(Stop 1)
Supply current
in Stop 1
mode,
RTC disabled
-
1.8 V 120 430 1400 2750 5050 280 1100 3300 6500 13000
µA
2.4 V 120 430 1400 2750 5100 280 1100 3300 6500 13000
3 V 125 430 1400 2750 5100 280 1100 3300 6500 13000
3.6 V 120 430 1400 2750 5150 280 1100 3300 6600 13000(2)
IDD
(Stop 1
with
RTC)
Supply current
in STOP 1
mode,
RTC enabled
RTC clocked by LSI
1.8 V 120 430 1400 2700 5050 280 1100 3300 6500 13000
2.4 V 125 430 1400 2750 5100 280 1100 3300 6500 13000
3 V 125 430 1400 2750 5100 280 1100 3300 6600 13000
3.6 V 125 435 1400 2750 5150 280 1100 3300 6600 13000
RTC clocked by LSE
bypassed at 32768 Hz
1.8 V 120 430 1400 2750 5050 300 1100 3500 6900 13000
2.4 V 120 435 1400 2750 5100 300 1100 3500 6900 13000
3 V 125 435 1400 2750 5100 320 1100 3500 6900 13000
3.6 V 125 435 1400 2750 5150 320 1100 3500 6900 13000
RTC clocked by LSE
quartz(3) in low drive mode
1.8 V 120 420 1350 2700 - 300 1100 3400 6800 -
2.4 V 120 420 1350 2700 - 300 1100 3400 6800 -
3 V 120 420 1350 2700 - 300 1100 3400 6800 -
3.6 V 120 425 1350 2700 - 300 1100 3400 6800 -
IDD
(wakeup
from
Stop 1)
Supply current
during
wakeup from
Stop 1 mode
Wakeup clock is MSI = 48
MHz, voltage Range 1(4) 3 V2.10-------- -
mA
Wakeup clock is MSI = 4
MHz, voltage Range 2(4) 3 V0.70-------- -
Wakeup clock is HSI = 16
MHz, voltage Range 1(4) 3 V1.50-------- -
1. Guaranteed by characterization results, unless otherwise specified.
2. Guaranteed by test in production.
3. Based on characterization done with a 32.768 kHz crystal (MC306-G-06Q-32.768, manufacturer JFVNY) with two 6.8 pF loading capacitors.
4. Wakeup with code execution from Flash. Average value given for a typical wakeup time as specified in Table 44: Low-power mode wakeup timings
STM32L4S5xx, STM32L4S7xx and STM32L4S9xx Electrical characteristics
DS12024 Rev 3 143/277
Table 39. Current consumption in Stop 0 mode
Symbol Parameter
Conditions TYP MAX(1)
Unit
-VDD 25°C 55°C 85°C 105°C 125°C 25°C 55°C 85°C 105°C 125°C
IDD(Stop 0)
Supply current
in Stop 0 mode,
RTC disabled
-
1.8 V 290 735 2050 3800 6950 560 1600 4500 8700 16000
µA
2.4 V 295 735 2050 3850 6950 560 1600 4500 8700 17000
3 V 295 735 2050 3850 7000 570 1600 4500 8800 17000
3.6 V 295 740 2050 3850 7000 570 1600 4500 8800 17000
(2)
1. Guaranteed by characterization results, unless otherwise specified.
2. Guaranteed by test in production.
Table 40. Current consumption in Standby mode
Symbol Parameter
Conditions TYP MAX(1)
Unit
-VDD 25°C 55°C 85°C 105°C 125°C 25°C 55°C 85°C 105°C 125°C
IDD
(Standby)
Supply current in Standby
mode (backup registers
retained),
RTC disabled
No
independent
watchdog
1.8 V 125 380 1900 5200 13500 340 1100 5300 15000 41000
nA
2.4 V 135 440 2200 6050 15500 350 1300 6100 18000 47000
3 V 150 535 2700 7500 19500 370 1500 7100 21000 54000
3.6 V 190 665 3200 8850 23000 400 1900 8400 24000 62000
With
independent
watchdog
1.8 V 295 - - - - - - - - -
2.4 V 355 - - - - - - - - -
3 V 420 - - - - - - - - -
3.6 V 510 - - - - - - - - -
Electrical characteristics STM32L4S5xx, STM32L4S7xx and STM32L4S9xx
144/277 DS12024 Rev 3
IDD
(Standby with
RTC)
Supply current in Standby
mode (backup registers
retained),
RTC enabled
RTC clocked
by LSI, no
independent
watchdog
1.8 V 370 640 2100 5300 13500 1100 1400 6400 16000 41000
nA
2.4 V 455 760 2500 6250 15500 1200 1700 6800 18000 47000
3 V 560 930 3050 7650 19000 1300 1900 8100 21000 55000
3.6 V 690 1150 3700 9200 23000 1400 2400 9000 24000 62000
(2)
RTC clocked
by LSI, with
independent
watchdog
1.8 V 420 - - - - - - - - -
2.4 V 525 - - - - - - - - -
3 V 645 - - - - - - - - -
3.6 V 795 - - - - - - - - -
RTC clocked
by LSE
bypassed at
32768 Hz
1.8 V 480 750 2200 5400 13500 - - - - -
nA
2.4 V 615 930 2650 6400 15500 - - - - -
3 V 770 1150 3250 7900 19500 - - - - -
3.6 V 975 1450 3950 9500 23000 - - - - -
RTC clocked
by LSE
quartz(3) in low
drive mode
1.8 V 420 685 2150 5400 13500 - - - - -
2.4 V 520 830 2550 6400 15500 - - - - -
3 V 650 1000 3100 7800 19500 - - - - -
3.6 V 825 1300 3800 9400 23000 - - - - -
IDD
(SRAM2)(4)
Supply current to be added in
Standby mode when SRAM2
is retained
-
1.8 V 380 1420 5600 13300 28500 - - - - -
nA
2.4 V 380 1410 5650 12950 29000 - - - - -
3 V 385 1415 5600 13000 28500 - - - - -
3.6 V 400 1435 5700 13150 29000 - - - - -
Table 40. Current consumption in Standby mode (continued)
Symbol Parameter
Conditions TYP MAX(1)
Unit
-VDD 25°C 55°C 85°C 105°C 125°C 25°C 55°C 85°C 105°C 125°C

STM32L4S5xx, STM32L4S7xx and STM32L4S9xx Electrical characteristics
DS12024 Rev 3 145/277
IDD (wakeup
from Standby)
Supply current during wakeup
from Standby mode
Wakeup clock
is MSI = 4
MHz(5)
3 V 2.0 - - - - - - - - - mA
1. Guaranteed by characterization results, unless otherwise specified.
2. Guaranteed by test in production.
3. Based on characterization done with a 32.768 kHz crystal (MC306-G-06Q-32.768, manufacturer JFVNY) with two 6.8 pF loading capacitors.
4. The supply current in Standby with SRAM2 mode is: IDD_ALL(Standby) + IDD_ALL(SRAM2). The supply current in Standby with RTC with SRAM2 mode is:
IIDD_ALL(Standby + RTC) + IDD_ALL(SRAM2).
5. Wakeup with code execution from Flash. Average value given for a typical wakeup time as specified in Table 44: Low-power mode wakeup timings.
Table 40. Current consumption in Standby mode (continued)
Symbol Parameter
Conditions TYP MAX(1)
Unit
-VDD 25°C 55°C 85°C 105°C 125°C 25°C 55°C 85°C 105°C 125°C
Table 41. Current consumption in Shutdown mode
Symbol Parameter
Conditions TYP MAX(1)
Unit
-VDD 25°C 55°C 85°C 105°C 125°C 25°C 55°C 85°C 105°C 125°C
IDD
(Shutdown)
Supply current
in Shutdown
mode (backup
registers
retained) RTC
disabled
-
1.8 V 33.0 205 1250 3650 10500 150 620 3800 12000 35000
nA
2.4 V 43.0 250 1450 4300 12000 170 740 4400 14000 39000
3 V 60.0 320 1850 5450 15500 190 920 5200 16000 45000
3.6 V 92.0 430 2300 6700 18500 270 1200 6200 19000 51000

Electrical characteristics STM32L4S5xx, STM32L4S7xx and STM32L4S9xx
146/277 DS12024 Rev 3
IDD
(Shutdown with
RTC)
Supply current
in Shutdown
mode (backup
registers
retained) RTC
enabled
RTC
clocked by
LSE
bypassed
at 32768
Hz
1.8 V 245 420 1450 3850 10500 - - - - -
nA
2.4 V 340 555 1750 4600 12500 - - - - -
3 V 465 730 2250 5900 15500 - - - - -
3.6 V 615 945 2850 7250 19000 - - - - -
RTC
clocked by
LSE
quartz(2) in
low drive
mode
1.8 V 335 520 1550 4000 - - - - - -
2.4 V 435 650 1850 4750 - - - - - -
3 V 560 830 2350 6050 - - - - - -
3.6 V 730 1050 2950 7400 - - - - - -
IDD(wakeup
from
Shutdown)
Supply current
during wakeup
from Shutdown
mode
Wakeup
clock is
MSI = 4
MHz(3)
3 V0.5- - - - -----mA
1. Guaranteed by characterization results, unless otherwise specified.
2. Based on characterization done with a 32.768 kHz crystal (MC306-G-06Q-32.768, manufacturer JFVNY) with two 6.8 pF loading capacitors.
3. Wakeup with code execution from Flash. Average value given for a typical wakeup time as specified in Table 44: Low-power mode wakeup timings.
Table 41. Current consumption in Shutdown mode (continued)
Symbol Parameter
Conditions TYP MAX(1)
Unit
-VDD 25°C 55°C 85°C 105°C 125°C 25°C 55°C 85°C 105°C 125°C
STM32L4S5xx, STM32L4S7xx and STM32L4S9xx Electrical characteristics
DS12024 Rev 3 147/277
Table 42. Current consumption in VBAT mode
Symbol Parameter
Conditions TYP MAX(1)
Unit
-VBAT 25°C 55°C 85°C 105°C 125°C 25°C 55°C 85°C 105°C 125°C
IDD(VBAT) Backup domain
supply current
RTC
disabled
1.8 V 3.00 27.0 165 495 1350 8.0 67.0 390 1200 3000
nA
2.4 V 4.00 31.0 190 560 1550 10.0 76.0 440 1300 3300
3 V 6.00 43.0 255 750 2000 13.0 91.0 510 1500 3800
3.6 V 14.0 83.0 485 1450 4050 34.0 200 1100 3100 8300
RTC
enabled and
clocked by
LSE
bypassed at
32768 Hz
1.8 V215240390730------
2.4 V305340510900------
3 V4154556801200------
3.6 V5405959251900------
RTC
enabled and
clocked by
LSE
quartz(2)
1.8 V3053455108651600-----
2.4 V39544062510501800-----
3 V51056580513502300-----
3.6 V650740120022004450-----
1. Guaranteed by characterization results, unless otherwise specified.
2. Based on characterization done with a 32.768 kHz crystal (MC306-G-06Q-32.768, manufacturer JFVNY) with two 6.8 pF loading capacitors.

Electrical characteristics STM32L4S5xx, STM32L4S7xx and STM32L4S9xx
148/277 DS12024 Rev 3
I/O system current consumption
The current consumption of the I/O system has two components: static and dynamic.
I/O static current consumption
All the I/Os used as inputs with pull-up generate current consumption when the pin is
externally held low. The value of this current consumption can be simply computed by using
the pull-up/pull-down resistors values given in Table 67: I/O static characteristics.
For the output pins, any external pull-down or external load must also be considered to
estimate the current consumption.
Additional I/O current consumption is due to I/Os configured as inputs if an intermediate
voltage level is externally applied. This current consumption is caused by the input Schmitt
trigger circuits used to discriminate the input value. Unless this specific configuration is
required by the application, this supply current consumption can be avoided by configuring
these I/Os in analog mode. This is notably the case of ADC input pins which should be
configured as analog inputs.
Caution: Any floating input pin can also settle to an intermediate voltage level or switch inadvertently,
as a result of external electromagnetic noise. To avoid current consumption related to
floating pins, they must either be configured in analog mode, or forced internally to a definite
digital value. This can be done either by using pull-up/down resistors or by configuring the
pins in output mode.
I/O dynamic current consumption
In addition to the internal peripheral current consumption measured previously (see
Table 44: Low-power mode wakeup timings), the I/Os used by an application also contribute
to the current consumption. When an I/O pin switches, it uses the current from the I/O
supply voltage to supply the I/O pin circuitry and to charge/discharge the capacitive load
(internal or external) connected to the pin:
where
ISW is the current sunk by a switching I/O to charge/discharge the capacitive load
VDDIOx is the I/O supply voltage
fSW is the I/O switching frequency
C is the total capacitance seen by the I/O pin: C = CINT+ CEXT + CS
CS is the PCB board capacitance including the pad pin.
The test pin is configured in push-pull output mode and is toggled by software at a fixed
frequency.
ISW VDDIOx fSW C××=

DS12024 Rev 3 149/277
STM32L4S5xx, STM32L4S7xx and STM32L4S9xx Electrical characteristics
252
On-chip peripheral current consumption
The current consumption of the on-chip peripherals is given in Table 44. The MCU is placed
under the following conditions:
•All I/O pins are in Analog mode
•The given value is calculated by measuring the difference of the current consumptions:
– when the peripheral is clocked on
– when the peripheral is clocked off
•Ambient operating temperature and supply voltage conditions summarized in Table 19:
Voltage characteristics
•The power consumption of the digital part of the on-chip peripherals is given in
Table 44. The power consumption of the analog part of the peripherals (where
applicable) is indicated in each related section of the datasheet.
Table 43. Peripheral current consumption
Peripheral
Range 1
Boost
Mode
Range 1
Normal
Mode
Range 2
Low-power
run and
sleep
Unit
AHB
Bus Matrix 10.5 9.65 7.7 9
µA/MHz
ADC independent
clock domain 0.25 0.25 0.125 0.5
ADC AHB clock
domain 32.752.63.5
AES 3 2.75 2.15 3
CRC 0.835 0.875 0.835 0.5
DCMI 7.15 6.65 5.5 7
DMA1 3.15 2.9 2.5 2.5
DMA2 2.85 2.65 2.5 2.5
DMA2D 29.5 27.5 22.5 26
DMAMUX 5.35 5.15 4.15 4.5
FLASH 7.75 7.25 6.25 6.5
FMC 10.5 9.65 8.35 9.5
GFXMMU 5.6 5.25 4.6 4.5
GPIOA 1.85 1.75 1.4 1
GPIOB 1.75 1.65 1.35 1.5
GPIOC 2.4 2.25 1.9 2.5
GPIOD 1.85 1.75 1.45 2
GPIOE 1.85 1.75 1.45 1.5
GPIOF 2 1.75 1.55 2
GPIOG 2.25 2.15 1.8 2.5
GPIOH 2.35 2.15 1.8 2.5

Electrical characteristics STM32L4S5xx, STM32L4S7xx and STM32L4S9xx
150/277 DS12024 Rev 3
AHB
(Cont.)
GPIOI 1.6 1.4 1.25 2
µA/MHz
HASH1 2.6 2.4 2 3
OTG_FS independent
clock domain 25.5 28 NA NA
OTG_FS AHB clock
domain 18 16.5 NA NA
OSPIM independent
clock domain 0.15 0.115 0.084 0.5
OSPIM AHB clock
domain 0.665 0.625 0.54 1
OSPI1 independent
clock domain 2.5 2.4 2.1 2.5
OSPI1 AHB clock
domain 6.15 5.75 4.6 5.5
OSPI2 independent
clock domain 1.9 1.65 1.25 1
OSPI2 AHB clock
domain 5.5 5.25 4.15 5.5
RNG independent
clock domain 3.9 4.25 NA NA
RNG AHB clock
domain 2.65 2.5 NA NA
SDMMC1 independent
clock domain 24.5 23.5 NA NA
SDMMC1 AHB clock
domain 23.5 22 NA NA
SRAM1 2.65 2.65 2.1 2
SRAM2 2.25 2 1.75 2
SRAM3 5.35 5 4.25 5.5
TSC 1.85 1.75 1.65 1
All AHB Peripherals 165 150 125 145
APB1
AHB to APB1 bridge 0.084 0.25 0.165 0.5
µA/MHz
CAN1 4.85 4.5 3.75 4.5
CRS 0.335 0.25 0.415 0.5
DAC1 2.75 2.5 2.1 2.5
I2C1 independent
clock domain 3.75 3.4 2.9 2.5
Table 43. Peripheral current consumption (continued)
Peripheral
Range 1
Boost
Mode
Range 1
Normal
Mode
Range 2
Low-power
run and
sleep
Unit

DS12024 Rev 3 151/277
STM32L4S5xx, STM32L4S7xx and STM32L4S9xx Electrical characteristics
252
APB1
(Cont.)
I2C1 APB clock
domain 1.4 1.4 1.25 2
µA/MHz
I2C2 independent
clock domain 3.5 3.4 2.5 3.5
I2C2 APB clock
domain 1.4 1.25 1.25 1
I2C3 independent
clock domain 3.25 3.15 2.9 3
I2C3 APB clock
domain 1.15 1 0.835 1
I2C4 independent
clock domain 3.5 3.25 2.75 3
I2C4 APB clock
domain 1.35 1.25 1 1.5
LPUART1 independent
clock domain 3.15 3 2.45 3
LPUART1 APB clock
domain 1.65 1.5 1.3 1.5
LPTIM1 independent
clock domain 3.6 3.5 2.9 3
LPTIM1 APB clock
domain 1 0.875 0.835 1
LPTIM2 independent
clock domain 3.4 3.25 2.55 3.5
LPTIM2 APB clock
domain 1.1 1 0.79 1
OPAMP 0.415 0.375 0.415 0.5
PWR 0.5 0.375 0.415 0.5
RTCAPB 1.25 1.15 1.25 1
SPI2 2.6 2.4 2.1 2.5
SPI3 3 2.75 2.5 3
TIM2 6.15 5.75 4.65 4.5
TIM3 5.25 4.9 4.15 5
TIM4 5.15 4.75 4.15 5
TIM5 6.5 6 5 6
TIM6 1.35 1.15 1.25 1
TIM7 1.25 1.15 0.835 1
Table 43. Peripheral current consumption (continued)
Peripheral
Range 1
Boost
Mode
Range 1
Normal
Mode
Range 2
Low-power
run and
sleep
Unit

Electrical characteristics STM32L4S5xx, STM32L4S7xx and STM32L4S9xx
152/277 DS12024 Rev 3
APB1
(Cont.)
USART2 independent
clock domain 5.35 5 4.15 4.5
µA/MHz
USART2 APB clock
domain 32.752.52.5
USART3 independent
clock domain 6.35 6 5 5.5
USART3 APB clock
domain 2.6 2.4 2.1 2.5
UART4 independent
clock domain 5.15 4.9 3.75 4.5
UART4 APB clock
domain 2.5 2.25 2.1 2.5
UART5 independent
clock domain 5.4 5 4.15 5
UART5 APB clock
domain 2.4 2.25 2.1 2
WWDG 0.75 0.625 0.835 0.5
All APB1 on 110 100 84 97
APB2
AHB to APB2 bridge 0.185 0.15 0.125 0.5
µA/MHz
DFSDM 9.5 9 7.5 8.5
DSI independent clock
domain 33 34.5 29.5 NA
DSI APB clock domain 13 7.15 29 NA
FW 0.665 0.625 0.5 0.5
LTDC independent
clock domain 35.5 34.5 40 NA
LTDC APB clock
domain 18 17 14 NA
SAI1 independent
clock domain 3.1 2.9 2.5 3
SAI1 APB clock
domain 2.6 2.4 1.9 2
SAI2 independent
clock domain 3.15 3 2.55 3
SAI2 APB clock
domain 2.6 2.4 1.9 2.5
SPI1 2.25 2.15 1.75 1
SYSCFG/VREFBUF/C
OMP 0.565 0.6 0.5 0.5
Table 43. Peripheral current consumption (continued)
Peripheral
Range 1
Boost
Mode
Range 1
Normal
Mode
Range 2
Low-power
run and
sleep
Unit

DS12024 Rev 3 153/277
STM32L4S5xx, STM32L4S7xx and STM32L4S9xx Electrical characteristics
252
APB2
(Cont.)
TIM1 8.25 7.75 6.25 6.5
µA/MHz
TIM8 8.4 8 6.65 6.5
TIM15 4 3.9 3.35 2.5
TIM16 2.9 2.9 2.35 1.5
TIM17 3.15 3 2.5 2
USART1 independent
clock domain 6.5 6.15 5.25 6
USART1 APB clock
domain 2.9 2.75 2.25 2
All APB2 on 80 75 62.5 72
ALL 340 320 265 310
Table 43. Peripheral current consumption (continued)
Peripheral
Range 1
Boost
Mode
Range 1
Normal
Mode
Range 2
Low-power
run and
sleep
Unit
Electrical characteristics STM32L4S5xx, STM32L4S7xx and STM32L4S9xx
154/277 DS12024 Rev 3
6.3.6 Wakeup time from low-power modes and voltage scaling
transition times
The wakeup times given in Table 44 are the latency between the event and the execution of
the first user instruction.
The device goes in low-power mode after the WFE (Wait For Event) instruction.
Table 44. Low-power mode wakeup timings(1)
Symbol Parameter Conditions Typ Max Unit
tWUSLEEP
Wakeup time
from Sleep
mode to Run
mode
-66
Nb of
CPU
cycles
tWULPSLEEP
Wakeup time
from Low-
power sleep
mode to Low-
power run
mode
Wakeup in Flash with Flash in power-down
during low-power sleep mode (SLEEP_PD=1
in FLASH_ACR) and with clock MSI = 2 MHz 79
tWUSTOP0
Wake up time
from Stop 0
mode to Run
mode in
Flash
Range 1
Wakeup clock MSI = 48 MHz 9.1 9.8
µs
Wakeup clock HSI16 = 16 MHz 8.5 9.0
Range 2
Wakeup clock MSI = 24 MHz 18.8 19.7
Wakeup clock HSI16 = 16 MHz 17.6 18.3
Wakeup clock MSI = 4 MHz 23.9 25.7
Wake up time
from Stop 0
mode to Run
mode in
SRAM1
Range 1
Wakeup clock MSI = 48 MHz 1.9 2.5
Wakeup clock HSI16 = 16 MHz 2.6 2.9
Range 2
Wakeup clock MSI = 24 MHz 2.6 3.1
Wakeup clock HSI16 = 16 MHz 2.6 3.0
Wakeup clock MSI = 4 MHz 10.0 11.5

DS12024 Rev 3 155/277
STM32L4S5xx, STM32L4S7xx and STM32L4S9xx Electrical characteristics
252
tWUSTOP1
Wake up time
from Stop 1
mode to Run in
Flash
Range 1
Wakeup clock MSI = 48 MHz 12.6 14.5
µs
Wakeup clock HSI16 = 16 MHz 12.2 14.0
Range 2
Wakeup clock MSI = 24 MHz 22.1 24.1
Wakeup clock HSI16 = 16 MHz 21.3 23.3
Wakeup clock MSI = 4 MHz 25.1 27.1
Wake up time
from Stop 1
mode to Run
mode in
SRAM1
Range 1
Wakeup clock MSI = 48 MHz 5.3 7.0
Wakeup clock HSI16 = 16 MHz 6.2 8.0
Range 2
Wakeup clock MSI = 24 MHz 5.8 7.5
Wakeup clock HSI16 = 16 MHz 6.2 8.0
Wakeup clock MSI = 4 MHz 10.9 12.6
Wake up time
from Stop 1
mode to Low-
power run
mode in Flash
Regulator
in low-
power
mode
(LPR=1 in
PWR_CR1
)
Wakeup clock MSI = 2 MHz
20.4 22.4
Wake up time
from Stop 1
mode to Low-
power run
mode in
SRAM1
16.8 19.0
tWUSTOP2
Wake up time
from Stop 2
mode to Run
mode in
Flash
Range 1
Wakeup clock MSI = 48 MHz 13.1 14.8
µs
Wakeup clock HSI16 = 16 MHz 12.6 14.4
Range 2
Wakeup clock MSI = 24 MHz 22.6 24.6
Wakeup clock HSI16 = 16 MHz 21.7 23.7
Wakeup clock MSI = 4 MHz 25.8 27.9
Wake up time
from Stop 2
mode to Run
mode in
SRAM1
Range 1
Wakeup clock MSI = 48 MHz 5.8 7.5
Wakeup clock HSI16 = 16 MHz 6.9 8.5
Range 2
Wakeup clock MSI = 24 MHz 6.4 8.0
Wakeup clock HSI16 = 16 MHz 6.9 8.5
Wakeup clock MSI = 4 MHz 11.9 13.6
Table 44. Low-power mode wakeup timings(1) (continued)
Symbol Parameter Conditions Typ Max Unit

Electrical characteristics STM32L4S5xx, STM32L4S7xx and STM32L4S9xx
156/277 DS12024 Rev 3
tWUSTBY
Wakeup time
from Standby
mode to Run
mode
Range 1
Wakeup clock MSI = 8 MHz 30.7 47.8
µs
Wakeup clock MSI = 4 MHz 40.4 55.6
tWUSTBY
SRAM2
Wakeup time
from Standby
with SRAM2 to
Run mode
Range 1
Wakeup clock MSI = 8 MHz 32.1 49.1
Wakeup clock MSI = 4 MHz 41.5 55.5
tWUSHDN
Wakeup time
from
Shutdown
mode to Run
mode
Range 1 Wakeup clock MSI = 4 MHz 265.0 339.4
1. Guaranteed by characterization results.
Table 45. Regulator modes transition times(1)
1. Guaranteed by characterization results.
Symbol Parameter Conditions Typ Max Unit
tWULPRUN
Wakeup time from Low- power run
mode to Run mode(2)
2. Time until REGLPF flag is cleared in PWR_SR2.
Code run with MSI 2 MHz 5 7
s
tVOST
Regulator transition time from
Range 2 to Range 1 or
Range 1 to Range 2(3)
3. Time until VOSF flag is cleared in PWR_SR2.
Code run with MSI 24 MHz 20 40
Table 46. Wakeup time using USART/LPUART(1)
1. Guaranteed by characterization results.
Symbol Parameter Conditions Typ Max Unit
tWUUSART
tWULPUART
Wakeup time needed to calculate
the maximum USART/LPUART
baudrate allowing to wakeup up
from stop mode when
USART/LPUART clock source is
HSI
Stop mode 0 - 1.7
s
Stop mode 1/2 - 8.5
Table 44. Low-power mode wakeup timings(1) (continued)
Symbol Parameter Conditions Typ Max Unit
DS12024 Rev 3 157/277
STM32L4S5xx, STM32L4S7xx and STM32L4S9xx Electrical characteristics
252
6.3.7 External clock source characteristics
High-speed external user clock generated from an external source
In bypass mode the HSE oscillator is switched off and the input pin is a standard GPIO.
The external clock signal has to respect the I/O characteristics in Section 6.3.17. However,
the recommended clock input waveform is shown in Figure 24: High-speed external clock
source AC timing diagram.
Figure 24. High-speed external clock source AC timing diagram
Table 47. High-speed external user clock characteristics(1)
1. Guaranteed by design.
Symbol Parameter Conditions Min Typ Max Unit
fHSE_ext
User external clock
source frequency
Voltage scaling
Range 1 -848
MHz
Voltage scaling
Range 2 -826
VHSEH
OSC_IN input pin high
level voltage - 0.7 VDDIOx -V
DDIOx
V
VHSEL
OSC_IN input pin low
level voltage -V
SS -0.3 V
DDIOx
tw(HSEH)
tw(HSEL)
OSC_IN high or low time
Voltage scaling
Range 1 7- -
ns
Voltage scaling
Range 2 18 - -
MS19214V2
VHSEH
tf(HSE)
90%
10%
THSE
t
tr(HSE)
VHSEL
tw(HSEH)
tw(HSEL)
Electrical characteristics STM32L4S5xx, STM32L4S7xx and STM32L4S9xx
158/277 DS12024 Rev 3
Low-speed external user clock generated from an external source
In bypass mode the LSE oscillator is switched off and the input pin is a standard GPIO.
The external clock signal has to respect the I/O characteristics in Section 6.3.17. However,
the recommended clock input waveform is shown in Figure 25.
Figure 25. Low-speed external clock source AC timing diagram
Table 48. Low-speed external user clock characteristics(1)
1. Guaranteed by design.
Symbol Parameter Conditions Min Typ Max Unit
fLSE_ext
User external clock source
frequency - - 32.768 1000 kHz
VLSEH
OSC32_IN input pin high
level voltage -0.7 V
DDIOx -V
DDIOx
V
VLSEL
OSC32_IN input pin low level
voltage -V
SS - 0.3 VDDIOx
tw(LSEH)
tw(LSEL)
OSC32_IN high or low time - 250 - - ns
MS19215V2
VLSEH
tf(LSE)
90%
10%
TLSE
t
tr(LSE)
VLSEL
tw(LSEH)
tw(LSEL)

DS12024 Rev 3 159/277
STM32L4S5xx, STM32L4S7xx and STM32L4S9xx Electrical characteristics
252
High-speed external clock generated from a crystal/ceramic resonator
The high-speed external (HSE) clock can be supplied with a 4 to 48 MHz crystal/ceramic
resonator oscillator. All the information given in this paragraph are based on design
simulation results obtained with typical external components specified in Table 49. In the
application, the resonator and the load capacitors have to be placed as close as possible to
the oscillator pins in order to minimize output distortion and startup stabilization time. Refer
to the crystal resonator manufacturer for more details on the resonator characteristics
(frequency, package, accuracy).
For CL1 and CL2, it is recommended to use high-quality external ceramic capacitors in the
5 pF to 20 pF range (typ.), designed for high-frequency applications, and selected to match
the requirements of the crystal or resonator (see Figure 26). CL1 and CL2 are usually the
same size. The crystal manufacturer typically specifies a load capacitance which is the
series combination of CL1 and CL2. PCB and MCU pin capacitance must be included (10 pF
can be used as a rough estimate of the combined pin and board capacitance) when sizing
CL1 and CL2.
Table 49. HSE oscillator characteristics(1)
1. Guaranteed by design.
Symbol Parameter Conditions(2)
2. Resonator characteristics given by the crystal/ceramic resonator manufacturer.
Min Typ Max Unit
fOSC_IN Oscillator frequency - 4 8 48 MHz
RFFeedback resistor - - 200 - k
IDD(HSE) HSE current consumption
During startup(3)
3. This consumption level occurs during the first 2/3 of the tSU(HSE) startup time
--5.5
mA
VDD = 3 V,
Rm = 30 ,
CL = 10 pF@8 MHz
-0.44-
VDD = 3 V,
Rm = 45 ,
CL = 10 pF@8 MHz
-0.45-
VDD = 3 V,
Rm = 30 ,
CL = 5 pF@48 MHz
-0.68-
VDD = 3 V,
Rm = 30 ,
CL = 10 pF@48 MHz
-0.94-
VDD = 3 V,
Rm = 30 ,
CL = 20 pF@48 MHz
-1.77-
Gm
Maximum critical crystal
transconductance Startup - - 1.5 mA/V
tSU(HSE)(4)
4. tSU(HSE) is the startup time measured from the moment it is enabled (by software) to a stabilized 8 MHz
oscillation is reached. This value is measured for a standard crystal resonator and it can vary significantly
with the crystal manufacturer
Startup time VDD is stabilized - 2 - ms
Electrical characteristics STM32L4S5xx, STM32L4S7xx and STM32L4S9xx
160/277 DS12024 Rev 3
Note: For information on selecting the crystal, refer to the application note AN2867 “Oscillator
design guide for ST microcontrollers” available from the ST website www.st.com.
Figure 26. Typical application with an 8 MHz crystal
1. REXT value depends on the crystal characteristics.
Low-speed external clock generated from a crystal resonator
The low-speed external (LSE) clock can be supplied with a 32.768 kHz crystal resonator
oscillator. All the information given in this paragraph are based on design simulation results
obtained with typical external components specified in Table 50. In the application, the
resonator and the load capacitors have to be placed as close as possible to the oscillator
pins in order to minimize output distortion and startup stabilization time. Refer to the crystal
resonator manufacturer for more details on the resonator characteristics (frequency,
package, accuracy).
MS19876V1
(1)
OSC_IN
OSC_OUT
RF
Bias
controlled
gain
fHSE
REXT
8 MHz
resonator
Resonator with integrated
capacitors
CL1
CL2
DS12024 Rev 3 161/277
STM32L4S5xx, STM32L4S7xx and STM32L4S9xx Electrical characteristics
252
Note: For information on selecting the crystal, refer to the application note AN2867 “Oscillator
design guide for ST microcontrollers” available from the ST website www.st.com.
Figure 27. Typical application with a 32.768 kHz crystal
Note: An external resistor is not required between OSC32_IN and OSC32_OUT and it is forbidden
to add one.
Table 50. LSE oscillator characteristics (fLSE = 32.768 kHz)(1)
1. Guaranteed by design.
Symbol Parameter Conditions(2)
2. Refer to the note and caution paragraphs below the table, and to the application note AN2867 “Oscillator
design guide for ST microcontrollers”.
Min Typ Max Unit
IDD(LSE) LSE current consumption
LSEDRV[1:0] = 00
Low drive capability -250-
nA
LSEDRV[1:0] = 01
Medium low drive capability -315-
LSEDRV[1:0] = 10
Medium high drive capability -500-
LSEDRV[1:0] = 11
High drive capability -630-
Gmcritmax
Maximum critical crystal
gm
LSEDRV[1:0] = 00
Low drive capability --0.5
µA/V
LSEDRV[1:0] = 01
Medium low drive capability --0.75
LSEDRV[1:0] = 10
Medium high drive capability --1.7
LSEDRV[1:0] = 11
High drive capability --2.7
tSU(LSE)(3)
3. tSU(LSE) is the startup time measured from the moment it is enabled (by software) to a stabilized
32.768 kHz oscillation is reached. This value is measured for a standard crystal and it can vary significantly
with the crystal manufacturer
Startup time VDD is stabilized - 2 - s
MS30253V2
OSC32_IN
OSC32_OUT
Drive
programmable
amplifier
fLSE
32.768 kHz
resonator
Resonator with integrated
capacitors
CL1
CL2

Electrical characteristics STM32L4S5xx, STM32L4S7xx and STM32L4S9xx
162/277 DS12024 Rev 3
6.3.8 Internal clock source characteristics
The parameters given in Table 51 are derived from tests performed under ambient
temperature and supply voltage conditions summarized in Table 22: General operating
conditions. The provided curves are characterization results, not tested in production.
High-speed internal (HSI16) RC oscillator
Table 51. HSI16 oscillator characteristics(1)
1. Guaranteed by characterization results.
Symbol Parameter Conditions Min Typ Max Unit
fHSI16 HSI16 Frequency VDD=3.0 V, TA=30 °C 15.88 - 16.08 MHz
TRIM HSI16 user trimming step
Trimming code is not a
multiple of 64 0.2 0.3 0.4
%
Trimming code is a
multiple of 64 -4 -6 -8
DuCy(HSI16)(2)
2. Guaranteed by design.
Duty Cycle - 45 - 55 %
Tem p (HSI16) HSI16 oscillator frequency
drift over temperature
TA= 0 to 85 °C -1 - 1 %
TA= -40 to 125 °C -2 - 1.5 %
VDD(HSI16) HSI16 oscillator frequency
drift over VDD
VDD=1.62 V to 3.6 V -0.1 - 0.05 %
tsu(HSI16)(2) HSI16 oscillator start-up
time --0.81.2s
tstab(HSI16)(2) HSI16 oscillator
stabilization time --35s
IDD(HSI16)(2) HSI16 oscillator power
consumption --155190A
Electrical characteristics STM32L4S5xx, STM32L4S7xx and STM32L4S9xx
164/277 DS12024 Rev 3
Multi-speed internal (MSI) RC oscillator
Table 52. MSI oscillator characteristics(1)
Symbol Parameter Conditions Min Typ Max Unit
fMSI
MSI frequency
after factory
calibration, done
at VDD=3 V and
TA=30 °C
MSI mode
Range 0 98.7 100 101.3
kHz
Range 1 197.4 200 202.6
Range 2 394.8 400 405.2
Range 3 7896 800 810.4
Range 4 0.987 1 1.013
MHz
Range 5 1.974 2 2.026
Range 6 3.948 4 4.052
Range 7 7.896 8 8.104
Range 8 15.79 16 16.21
Range 9 23.69 24 24.31
Range 10 31.58 32 32.42
Range 11 47.38 48 48.62
PLL mode
XTAL=
32.768 kHz
Range 0 - 98.304 -
kHz
Range 1 - 196.608 -
Range 2 - 393.216 -
Range 3 - 786.432 -
Range 4 - 1.016 -
MHz
Range 5 - 1.999 -
Range 6 - 3.998 -
Range 7 - 7.995 -
Range 8 - 15.991 -
Range 9 - 23.986 -
Range 10 - 32.014 -
Range 11 - 48.005 -
TEMP(MSI)(2)
MSI oscillator
frequency drift
over
temperature
MSI mode
TA= -0 to 85 °C -3.5 - 3
%
TA= -40 to 125 °C -8 - 6

DS12024 Rev 3 165/277
STM32L4S5xx, STM32L4S7xx and STM32L4S9xx Electrical characteristics
252
VDD(MSI)(2)
MSI oscillator
frequency drift
over VDD
(reference is
3 V)
MSI mode
Range 0 to 3
VDD=1.62 V
to 3.6 V -1.2 -
0.5
%
VDD=2.4 V
to 3.6 V -0.5 -
Range 4 to 7
VDD=1.62 V
to 3.6 V -2.5 -
0.7
VDD=2.4 V
to 3.6 V -0.8 -
Range 8 to 11
VDD=1.62 V
to 3.6 V -5 -
1
VDD=2.4 V
to 3.6 V -1.6 -
FSAMPLING
(MSI)(2)(6)
Frequency
variation in
sampling
mode(3)
MSI mode
TA= -40 to 85 °C - 1 2
%
TA= -40 to 125 °C - 2 4
P_USB
Jitter(MSI)(6)
Period jitter for
USB clock(4)
PLL mode
Range 11
for next
transition ---3.458
ns
for paired
transition ---3.916
MT_USB
Jitter(MSI)(6)
Medium term
jitter for USB
clock(5)
PLL mode
Range 11
for next
transition ---2
ns
for paired
transition ---1
CC jitter(MSI)(6) RMS cycle-to-
cycle jitter PLL mode Range 11 - - 60 - ps
P jitter(MSI)(6) RMS Period jitter PLL mode Range 11 - - 50 - ps
tSU(MSI)(6) MSI oscillator
start-up time
Range 0 - - 10 20
us
Range 1 - - 5 10
Range 2 - - 4 8
Range 3 - - 3 7
Range 4 to 7 - - 3 6
Range 8 to 11 - - 2.5 6
tSTAB(MSI)(6) MSI oscillator
stabilization time
PLL mode
Range 11
10 % of final
frequency --0.250.5
ms
5 % of final
frequency --0.51.25
1 % of final
frequency ---2.5
Table 52. MSI oscillator characteristics(1) (continued)
Symbol Parameter Conditions Min Typ Max Unit
[PA]
+Range a 10 3 + Range L n: 7 + Range 2 m n
7:5 4mm
”R lGMNz
e4
‘1 SW:
15
5 1w:
1
2
100tz 300104:
1
a 3
3' 07 04 rm 17 54 ‘78 796 “w
[Mm
Electrical characteristics STM32L4S5xx, STM32L4S7xx and STM32L4S9xx
166/277 DS12024 Rev 3
Figure 29. Typical current consumption versus MSI frequency
IDD(MSI)(6)
MSI oscillator
power
consumption
MSI and
PLL mode
Range 0 - - 0.6 1
µA
Range 1 - - 0.8 1.2
Range 2 - - 1.2 1.7
Range 3 - - 1.9 2.5
Range 4 - - 4.7 6
Range 5 - - 6.5 9
Range 6 - - 11 15
Range 7 - - 18.5 25
Range 8 - - 62 80
Range 9 - - 85 110
Range 10 - - 110 130
Range 11 - - 155 190
1. Guaranteed by characterization results.
2. This is a deviation for an individual part once the initial frequency has been measured.
3. Sampling mode means Low-power run/Low-power sleep modes with Temperature sensor disable.
4. Average period of MSI @48 MHz is compared to a real 48 MHz clock over 28 cycles. It includes frequency tolerance + jitter
of MSI @48 MHz clock.
5. Only accumulated jitter of MSI @48 MHz is extracted over 28 cycles.
For next transition: min. and max. jitter of 2 consecutive frame of 28 cycles of the MSI @48 MHz, for 1000 captures over 28
cycles.
For paired transitions: min. and max. jitter of 2 consecutive frame of 56 cycles of the MSI @48 MHz, for 1000 captures over
56 cycles.
6. Guaranteed by design.
Table 52. MSI oscillator characteristics(1) (continued)
Symbol Parameter Conditions Min Typ Max Unit

DS12024 Rev 3 167/277
STM32L4S5xx, STM32L4S7xx and STM32L4S9xx Electrical characteristics
252
High-speed internal 48 MHz (HSI48) RC oscillator
Table 53. HSI48 oscillator characteristics(1)
1. VDD = 3 V, TA = –40 to 125°C unless otherwise specified.
Symbol Parameter Conditions Min Typ Max Unit
fHSI48 HSI48 Frequency VDD=3.0V, TA=30°C - 48 - MHz
TRIM HSI48 user trimming step - - 0.11(2)
2. Guaranteed by design.
0.18(2) %
USER TRIM
COVERAGE
HSI48 user trimming
coverage ±32 steps ±3(3)
3. Guaranteed by characterization results.
±3.5(3) -%
DuCy(HSI48) Duty Cycle - 45(2) -55
(2) %
ACCHSI48_REL
Accuracy of the HSI48
oscillator over temperature
(factory calibrated)
VDD = 3.0 V to 3.6 V,
TA = –15 to 85 °C --±3
(3)
%
VDD = 1.65 V to 3.6 V,
TA = –40 to 125 °C --±4.5
(3)
DVDD(HSI48) HSI48 oscillator frequency
drift with VDD
VDD = 3 V to 3.6 V - 0.025(3) 0.05(3)
%
VDD = 1.65 V to 3.6 V - 0.05(3) 0.1(3)
tsu(HSI48) HSI48 oscillator start-up
time --2.5
(2) 6(2) s
IDD(HSI48) HSI48 oscillator power
consumption --340
(2) 380(2) A
NT jitter
Next transition jitter
Accumulated jitter on 28
cycles(4)
4. Jitter measurement are performed without clock source activated in parallel.
--+/-0.15
(2) -ns
PT jitter
Paired transition jitter
Accumulated jitter on 56
cycles(4)
--+/-0.25
(2) -ns

Electrical characteristics STM32L4S5xx, STM32L4S7xx and STM32L4S9xx
168/277 DS12024 Rev 3
Figure 30. HSI48 frequency versus temperature
Low-speed internal (LSI) RC oscillator
MSv40989V1
-6
-4
-2
0
2
4
6
-50 -30 -10 10 30 50 70 90 110 130
Avg min max °C
%
Table 54. LSI oscillator characteristics(1)
1. Guaranteed by characterization results.
Symbol Parameter Conditions Min Typ Max Unit
fLSI LSI Frequency
VDD = 3.0 V,
TA = 30 °C 31.04 - 32.96
kHz
VDD = 1.62 to 3.6 V,
TA = -40 to 125 °C 29.5 - 34
tSU(LSI)(2)
2. Guaranteed by design.
LSI oscillator start-up
time - - 80 130 s
tSTAB(LSI)(2) LSI oscillator stabilization
time 5% of final frequency - 125 180 s
IDD(LSI)(2) LSI oscillator power
consumption --110180nA

DS12024 Rev 3 169/277
STM32L4S5xx, STM32L4S7xx and STM32L4S9xx Electrical characteristics
252
6.3.9 PLL characteristics
The parameters given in Table 55 are derived from tests performed under temperature and
VDD supply voltage conditions summarized in Table 22: General operating conditions.
6.3.10 MIPI D-PHY characteristics
The parameters given in Table 56 and Table 57 are derived from tests performed under
temperature and VDD supply voltage conditions summarized in Table 22.
Table 55. PLL, PLLSAI1, PLLSAI2 characteristics(1)
1. Guaranteed by design.
Symbol Parameter Conditions Min Typ Max Unit
fPLL_IN
PLL input clock(2)
2. Take care of using the appropriate division factor M to obtain the specified PLL input clock values. The M
factor is shared between the 3 PLLs.
-2.66-16MHz
PLL input clock duty cycle - 45 - 55 %
fPLL_P_OUT PLL multiplier output clock P
Voltage scaling Range 1
Normal mode 2.0645 - 80
MHz
Voltage scaling Range 1
Boost mode 2.0645 - 120
Voltage scaling Range 2 2.0645 - 26
fPLL_Q_OUT PLL multiplier output clock Q
Voltage scaling Range 1
Normal mode 8-80
Voltage scaling Range 1
Boost mode 8-120
Voltage scaling Range 2 8 - 26
fPLL_R_OUT PLL multiplier output clock R
Voltage scaling Range 1
Normal mode 8-80
Voltage scaling Range 1
Boost mode 8-120
Voltage scaling Range 2 8 - 26
fVCO_OUT PLL VCO output
Voltage scaling Range 1 64 - 344
Voltage scaling Range 2 64 - 128
tLOCK PLL lock time - - 15 40 s
Jitter
RMS cycle-to-cycle jitter
System clock 80 MHz
-40-
±ps
RMS period jitter - 30 -
IDD(PLL) PLL power consumption on
VDD(1)
VCO freq = 64 MHz - 150 200
A
VCO freq = 96 MHz - 200 260
VCO freq = 192 MHz - 300 380
VCO freq = 344 MHz - 520 650

Electrical characteristics STM32L4S5xx, STM32L4S7xx and STM32L4S9xx
170/277 DS12024 Rev 3
Table 56. MIPI D-PHY characteristics(1)
1. Guaranteed by characterization results.
Symbol Parameter Conditions Min Typ Max Unit
Hi-speed input/output characteristics
UINST UI instantaneous - 2 - 12.5 ns
VCMTX
HS transmit common mode
voltage - 150 200 250
mV
|VCMTX|VCMTX mismatch when output
is Differential-1 or Differential-0 ---5
|VOD| HS transmit differential voltage - 140 200 270
|VOD|VOD mismatch when output is
Differential-1 or Differential-0 ---14
VOHHS HS output high voltage - - - 360
ZOS
Single ended output
impedance -405062.5
ZOS
Single ended output
impedance mismatch ---10%
tHSr & tHSf 20%-80% rise and fall time - 100 - 0.35*UI ps
LP receiver input characteristics
VIL
Logic 0 input voltage (not in
ULP State) ---550
mV
VIL-ULPS
Logic 0 input voltage in ULP
State ---300
VIH Input high level voltage - 880 - -
Vhys Voltage hysteresis - 25 - -
LP emitter output characteristics
VIL Output low level voltage - 1.1 1.2 1.2 V
VIL-ULPS Output high level voltage - -50 - 50 mV
VIH
Output impedance of LP
transmitter -110--
Vhys 15%-85% rise and fall time - - - 25 ns
LP contention detector characteristics
VILCD Logic 0 contention threshold - - - 200
mV
VIHCD Logic 0 contention threshold - 450 - -

DS12024 Rev 3 171/277
STM32L4S5xx, STM32L4S7xx and STM32L4S9xx Electrical characteristics
252
Table 57. MIPI D-PHY AC characteristics LP mode and HS/LP transitions(1)
1. Guaranteed by characterization results.
Symbol Parameter Conditions Min Typ Max Unit
TLPX
Transmitted length of any Low-
Power state period -50--
ns
TCLK-PREPARE
Time that the transmitter drives
the Clock Lane LP-00 Line
state immediately before the
HS-0 Line state starting the HS
transmission.
-38-95
TCLK-PREPARE
+
TCLK-ZERO
Time that the transmitter drives
the HS-0 state prior to starting
the clock.
- 300 - -
TCLK-PRE
Time that the HS clock shall be
driven by the transmitter prior to
any associated Data Lane
beginning the transition from
LP to HS mode.
-8--UI
TCLK-POST
Time that the transmitter
continues to send HS clock
after the last associated Data
Lane has transitioned to LP
Mode.
-62+52*UI--
ns
TCLK-TRAIL
Time that the transmitter drives
the HS-0 state after the last
payload clock bit of an HS
transmission burst.
-60--
THS-PREPARE
Time that the transmitter drives
the Data Lane LP-00 Line state
immediately before the HS-0
Line state starting the HS
transmission.
- 40+4*UI - 85+6*UI
THS-PREPARE
+
THS-ZERO
THS-PREPARE+ Time that the
transmitter drives the HS-0
state prior to transmitting the
Sync sequence.
- 145+10*UI - -
THS-TRAIL
Time that the transmitter drives
the flipped differential state
after last payload data bit of a
HS transmission burst.
-
Max
(n*8*UI,
60+n*4*UI)
--
THS-EXIT
Time that the transmitter drives
LP-11 following a HS burst. - 100 - -
TREOT 30%-85% rise time and fall time - - - 35
TEOT
Transmitted time interval from
the start of THS-TRAIL or
TCLK-TRAIL, to the start of the
LP-11 state following a HS
burst.
---
105+
n*12UI
Electrical characteristics STM32L4S5xx, STM32L4S7xx and STM32L4S9xx
172/277 DS12024 Rev 3
Figure 31. MIPI D-PHY HS/LP clock lane transition timing diagram
Figure 32. MIPI D-PHY HS/LP data lane transition timing diagram
6.3.11 MIPI D-PHY PLL characteristics
The parameters given in Table 58 are derived from tests performed under temperature and
VDD supply voltage conditions summarized in Table 22.
MS38282V1
Clock
Lane
Data
Lane
TLPX THS-PREPARE
TCLK-PRE
TCLK-ZERO
TCLK-PREPARE
TLPX
THS-EXIT
TCLK-TRAIL
TCLK-POST
VIL
VIL
TEOT
MS38283V1
Clock
Lane
THS-PREPARE
TLPX
THS-TRAIL THS-EXIT
LP-01 LP-00LP-11
Data
Lane VIL
TREOT
TEOT
THS-ZERO
Table 58. DSI-PLL characteristics(1)
Symbol Parameter Conditions Min Typ Max Unit
fPLL_IN PLL input clock - 4 - 100
MHz
fPLL_INFIN PFD input clock - 4 - 25
fPLL_OUT PLL multiplier output clock - 31.25 - 500
fVCO_OUT PLL VCO output - 500 - 1000
tLOCK PLL lock time - - - 200 µs

DS12024 Rev 3 173/277
STM32L4S5xx, STM32L4S7xx and STM32L4S9xx Electrical characteristics
252
6.3.12 MIPI D-PHY regulator characteristics
The parameters given in Table 59 are derived from tests performed under temperature and
VDD supply voltage conditions summarized in Table 22.
IDD(PLL) PLL power consumption on VDD12
fVCO_OUT = 500 MHz - 0.55 0.70
mAfVCO_OUT = 600 MHz - 0.65 0.80
fVCO_OUT = 1000 MHz - 0.95 1.20
1. Guaranteed by characterization results.
Table 58. DSI-PLL characteristics(1) (continued)
Symbol Parameter Conditions Min Typ Max Unit
Table 59. DSI regulator characteristics(1)
Symbol Parameter Conditions Min Typ Max Unit
VDD12DSI 1.2 V internal voltage on VDD12DSI - 1.15 1.20 1.30 V
CEXT External capacitor on VCAPDSI - 1.1 2.2 3.3 F
ESR External Serial Resistor - 0 25 600 m
IDDDSIREG Regulator power consumption - 100 120 125 µA
IDDDSI
DSI system (regulator, PLL and
D-PHY) current consumption on VDDDSI
Ultra Low Power Mode
(Reg. ON + PLL OFF) -290600
µA
Stop State
(Reg. ON + PLL OFF) -290600
IDDDSILP
DSI system current consumption on
VDDDSI in LP mode communication(2)
10 MHz escape clock
(Reg. ON + PLL OFF) -4.35.0
mA
20 MHz escape clock
(Reg. ON + PLL OFF) -4.35.0
IDDDSIHS
DSI system (regulator, PLL and
D-PHY) current consumption on VDDDSI
in HS mode communication(3)
300 Mbps - 1 data lane
(Reg. ON + PLL ON) -8.08.8
mA
300 Mbps - 2data lane
(Reg. ON + PLL ON) - 11.4 12.5
500 Mbps - 1 data lane
(Reg. ON + PLL ON) -13.514.7
500 Mbps - 2data lane
(Reg. ON + PLL ON) -18.019.6
DSI system (regulator, PLL and
D-PHY) current consumption on VDDDSI
in HS mode with CLK like payload
500 Mbps - 2data lane
(Reg. ON + PLL ON) -21.423.3
tWAKEUP Startup delay CEXT = 2.2 µF - 110 - µs
CEXT = 3.3 µF - - 160
IINRUSH Inrush current on VDDDSI External capacitor load at start - 60 200 mA
1. Guaranteed by characterization results.
2. Values based on an average traffic in LP Command Mode.
3. Values based on an average traffic (3/4 HS traffic & 1/4 LP) in Video Mode.
Electrical characteristics STM32L4S5xx, STM32L4S7xx and STM32L4S9xx
174/277 DS12024 Rev 3
6.3.13 Flash memory characteristics
Table 60. Flash memory characteristics(1)
1. Guaranteed by design.
Symbol Parameter Conditions Typ Max Unit
tprog 64-bit programming time - 81.7 90.8 µs
tprog_row
One row (64 double
word) programming time
Normal programming 5.2 5.5
ms
Fast programming 3.8 4
tprog_page
One page (4 Kbytes)
programming time
Normal programming 41.8 43
Fast programming 30.4 31
tERASE
Page (4 Kbytes) erase
time - 22 24.5
tprog_bank
One bank (1 Mbyte)
programming time
Normal programming 10.7 11
s
Fast programming 7.7 8
tME
Mass erase time
(one or two banks) -22.125ms
IDD
Average consumption
from VDD
Write mode 3.4 -
mA
Erase mode 3.4 -
Maximum current (peak)
Write mode 7 (for 6 s) -
Erase mode 7 (for 67 s) -
Table 61. Flash memory endurance and data retention
Symbol Parameter Conditions Min(1)
1. Guaranteed by characterization results.
Unit
NEND Endurance TA = –40 to +105 °C 10 kcycles
tRET Data retention
1 kcycle(2) at TA = 85 °C
2. Cycling performed over the whole temperature range.
30
Years
1 kcycle(2) at TA = 105 °C 15
1 kcycle(2) at TA = 125 °C 7
10 kcycles(2) at TA = 55 °C 30
10 kcycles(2) at TA = 85 °C 15
10 kcycles(2) at TA = 105 °C 10

DS12024 Rev 3 175/277
STM32L4S5xx, STM32L4S7xx and STM32L4S9xx Electrical characteristics
252
6.3.14 EMC characteristics
Susceptibility tests are performed on a sample basis during device characterization.
Functional EMS (electromagnetic susceptibility)
While a simple application is executed on the device (toggling 2 LEDs through I/O ports).
the device is stressed by two electromagnetic events until a failure occurs. The failure is
indicated by the LEDs:
•Electrostatic discharge (ESD) (positive and negative) is applied to all device pins until
a functional disturbance occurs. This test is compliant with the IEC 61000-4-2 standard.
•FTB: A Burst of Fast Transient voltage (positive and negative) is applied to VDD and
VSS through a 100 pF capacitor, until a functional disturbance occurs. This test is
compliant with the IEC 61000-4-4 standard.
A device reset allows normal operations to be resumed.
The test results are given in Table 62. They are based on the EMS levels and classes
defined in application note AN1709.
Designing hardened software to avoid noise problems
EMC characterization and optimization are performed at component level with a typical
application environment and simplified MCU software. It should be noted that good EMC
performance is highly dependent on the user application and the software in particular.
Therefore it is recommended that the user applies EMC software optimization and
prequalification tests in relation with the EMC level requested for his application.
Software recommendations
The software flowchart must include the management of runaway conditions such as:
•Corrupted program counter
•Unexpected reset
•Critical Data corruption (control registers...)
Table 62. EMS characteristics
Symbol Parameter Conditions Level/
Class
VFESD
Voltage limits to be applied on any I/O pin
to induce a functional disturbance
VDD = 3.3 V, TA = +25 °C,
fHCLK = 120 MHz,
conforming to IEC 61000-4-2
3B
VEFTB
Fast transient voltage burst limits to be
applied through 100 pF on VDD and VSS
pins to induce a functional disturbance
VDD = 3.3 V, TA = +25 °C,
fHCLK = 120 MHz,
conforming to IEC 61000-4-4
5A

Electrical characteristics STM32L4S5xx, STM32L4S7xx and STM32L4S9xx
176/277 DS12024 Rev 3
Prequalification trials
Most of the common failures (unexpected reset and program counter corruption) can be
reproduced by manually forcing a low state on the NRST pin or the Oscillator pins for 1
second.
To complete these trials, ESD stress can be applied directly on the device, over the range of
specification values. When unexpected behavior is detected, the software can be hardened
to prevent unrecoverable errors occurring (see application note AN1015).
Electromagnetic Interference (EMI)
The electromagnetic field emitted by the device are monitored while a simple application is
executed (toggling 2 LEDs through the I/O ports). This emission test is compliant with
IEC 61967-2 standard which specifies the test board and the pin loading.
6.3.15 Electrical sensitivity characteristics
Based on three different tests (ESD, LU) using specific measurement methods, the device is
stressed in order to determine its performance in terms of electrical sensitivity.
Electrostatic discharge (ESD)
Electrostatic discharges (a positive then a negative pulse separated by 1 second) are
applied to the pins of each sample according to each pin combination. The sample size
depends on the number of supply pins in the device (3 parts × (n+1) supply pins). This test
conforms to the ANSI/JEDEC standard.
Table 63. EMI characteristics
Symbol Parameter Conditions Monitored
frequency band
Max vs. [fHSE/fHCLK]
Unit
8 MHz / 120 MHz
SEMI Peak level
VDD = 3.6 V, TA =
25 °C,
UFBGA169 package
compliant with
IEC 61967-2
0.1 MHz to 30 MHz -2
dBµV
30 MHz to 130 MHz 3
130 MHz to 1 GHz 10
1 GHz to 2 GHz 8
EMI Level 3 -
Table 64. ESD absolute maximum ratings
Symbol Ratings Conditions Class Maximum
value(1)
1. Guaranteed by characterization results.
Unit
VESD(HBM)
Electrostatic discharge
voltage (human body model)
TA = +25 °C, conforming
to ANSI/ESDA/JEDEC
JS-001
2 2000
V
VESD(CDM)
Electrostatic discharge
voltage (charge device
model)
TA = +25 °C,
conforming to ANSI/ESD
STM5.3.1
C3 250

DS12024 Rev 3 177/277
STM32L4S5xx, STM32L4S7xx and STM32L4S9xx Electrical characteristics
252
Static latch-up
Two complementary static tests are required on six parts to assess the latch-up
performance:
•A supply overvoltage is applied to each power supply pin.
•A current injection is applied to each input, output and configurable I/O pin.
These tests are compliant with EIA/JESD 78A IC latch-up standard.
6.3.16 I/O current injection characteristics
As a general rule, current injection to the I/O pins, due to external voltage below VSS or
above VDDIOx (for standard, 3.3 V-capable I/O pins) should be avoided during normal
product operation. However, in order to give an indication of the robustness of the
microcontroller in cases when abnormal injection accidentally happens, susceptibility tests
are performed on a sample basis during device characterization.
Functional susceptibility to I/O current injection
While a simple application is executed on the device, the device is stressed by injecting
current into the I/O pins programmed in floating input mode. While current is injected into
the I/O pin, one at a time, the device is checked for functional failures.
The failure is indicated by an out of range parameter: ADC error above a certain limit (higher
than 5 LSB TUE), out of conventional limits of induced leakage current on adjacent pins (out
of the -5 µA/+0 µA range) or other functional failure (for example reset occurrence or
oscillator frequency deviation).
The characterization results are given in Table 66.
Negative induced leakage current is caused by negative injection and positive induced
leakage current is caused by positive injection.
Table 65. Electrical sensitivities
Symbol Parameter Conditions Class
LU Static latch-up class TA = +105 °C conforming to JESD78A II level A(1)
1. Negative injection is limited to -30 mA for PF0, PF1, PG6, PG7, PG8, PG12, PG13, PG14.

Electrical characteristics STM32L4S5xx, STM32L4S7xx and STM32L4S9xx
178/277 DS12024 Rev 3
6.3.17 I/O port characteristics
General input/output characteristics
Unless otherwise specified, the parameters given in Table 67 are derived from tests
performed under the conditions summarized in Table 22: General operating conditions. All
I/Os are designed as CMOS- and TTL-compliant (except BOOT0).
Table 66. I/O current injection susceptibility
Symbol Description
Functional
susceptibility
Unit
Negative
injection
Positive
injection
IINJ(1)
1. Guaranteed by characterization.
Injected current on all pins except PA4, PA5, PB0, PF13,
PE15, PC8, PA13, PH3-BOOT0, PB8, PE0,
OPAMP1_V1NM, OPAMP2_V1NM
-5 NA
mA
Injected current on pins PF13, PE15, PC8, PA13, PH3-
BOOT0, PB8, PE0 0NA
Injected current on pins OPAMP1_V1NM,
OPAMP2_V1NM 00
Injected current on PA4, PA5, PB0 pins -5 0
Table 67. I/O static characteristics
Sym
bol Parameter Conditions Min Typ Max Unit
VIL
(1)
I/O input low
level voltage
except BOOT0
1.62 V<VDDIOx<3.6 V - - 0.3xVDDIOx
(2)
V
I/O input low
level voltage
except BOOT0
1.62 V<VDDIOx<3.6 V - - 0.39xVDDIOx-0.06
(3)
I/O input low
level voltage
except BOOT0
1.08 V<VDDIOx<1.62 V - - 0.43xVDDIOx-0.1
(3)
BOOT0 I/O input
low level voltage 1.62 V<VDDIOx<3.6 V - - 0.17xVDDIOx
(3)

DS12024 Rev 3 179/277
STM32L4S5xx, STM32L4S7xx and STM32L4S9xx Electrical characteristics
252
VIH
(1)
I/O input high
level voltage
except BOOT0
1.62 V<VDDIOx<3.6 V 0.7xVDDIOx (2) --
V
I/O input high
level voltage
except BOOT0
1.62 V<VDDIOx<3.6 V 0.49xVDDIOX+0.26
(3) --
I/O input high
level voltage
except BOOT0
1.08 V<VDDIOx<1.62 V 0.61xVDDIOX+0.05
(3) --
BOOT0 I/O input
high level
voltage
1.62 V<VDDIOx<3.6 V 0.77xVDDIOX (3) --
Vhys
(3)
TT_xx, FT_xxx
and NRST I/O
input hysteresis
1.62 V<VDDIOx<3.6 V - 200 -
mV
FT_sx 1.08 V<VDDIOx<1.62 V - 150 -
BOOT0 I/O input
hysteresis 1.62 V<VDDIOx<3.6 V - 200 -
Ilkg
FT_xx input
leakage
current(3)
VIN Max(VDDXXX)(4) --±100
nA
Max(VDDXXX) VIN
Max(VDDXXX)+1 V(4)(5) - - 650(3)(6)
Max(VDDXXX)+1 V <
VIN 5.5 V(3)(5) --200
(6)
FT_lu, FT_u,
PB2 and PC3 IO
VIN Max(VDDXXX) (4) --±150
Max(VDDXXX) VIN
Max(VDDXXX)+1 V(4) - - 2500(3)(7)
Max(VDDXXX)+1 V <
VIN 5.5 V(4)(5)(7) --250
(7)
TT_xx input
leakage current
VIN Max(VDDXXX)(6) --±150
Max(VDDXXX) VIN <
3.6 V(6) - - 2000(3)
OPAMPx_VINM
(x=1,2)
dedicated input
leakage current
---
(8)
RPU
Weak pull-up
equivalent
resistor (9)
VIN = VSS 25 40 55 k
RPD
Weak pull-down
equivalent
resistor(9)
VIN = VDDIOx 25 40 55 k
CIO
I/O pin
capacitance --5-pF
Table 67. I/O static characteristics (continued)
Sym
bol Parameter Conditions Min Typ Max Unit
25
05
V‘I-Vih 3“ IO except BOOTD
,.‘
—vH spec 30%
—vm spec 70%
—v\\ spec m
/ —vm spec m
—vu_rme
’ —vm_m>e
1 5 2.5 3 3'5
Electrical characteristics STM32L4S5xx, STM32L4S7xx and STM32L4S9xx
180/277 DS12024 Rev 3
All I/Os are CMOS- and TTL-compliant (no software configuration required). Their
characteristics cover more than the strict CMOS-technology or TTL parameters. The
coverage of these requirements is shown in Figure 33 for standard I/Os, and in Figure 33 for
5 V tolerant I/Os.
Figure 33. I/O input characteristics
Output driving current
The GPIOs (general purpose input/outputs) can sink or source up to ±8 mA, and sink or
source up to ± 20 mA (with a relaxed VOL/VOH).
1. Refer to Figure 33: I/O input characteristics.
2. Tested in production.
3. Guaranteed by design.
4. Max(VDDXXX) is the maximum value of all the I/O supplies. Refer to Table: Legend/Abbreviations used in
the pinout table.
5. All TX_xx IO except FT_lu, FT_u, PB2 and PC3.
6. This value represents the pad leakage of the IO itself. The total product pad leakage is provided by this
formula:
ITotal_Ileak_max = 10 µA + [number of IOs where VIN is applied on the pad] Ilkg(Max).
7. To sustain a voltage higher than MIN(VDD, VDDA, VDDUSB, VLCD) +0.3 V, the internal Pull-up and Pull-Down
resistors must be disabled.
8. Refer to Ibias in Table 83: OPAMP characteristics for the values of the OPAMP dedicated input leakage
current.
9. Pull-up and pull-down resistors are designed with a true resistance in series with a switchable
PMOS/NMOS. This PMOS/NMOS contribution to the series resistance is minimal (~10% order).
MSv37613V1
Tested in production CMOS requirement Vih min = 0.7xVDDIOx
Based on simulation Vih min = 0.61xV
DDIOx
+0.05 for 1.08<V
DDIOx
<1.62 or 0.49xV
DDIOx
+0.26 for V
DDIOx
>1.62
Based on simulation Vil max =0.43xV
DDIOx
-0.1 for 1.08<V
DDIOx
<1.62 or 0.39xV
DDIOx
-0.06 for V
DDIOx
>1.62
Tested in production CMOS requirement Vil max = 0.3xVdd
TTL requirement Vih min = 2V
TTL requirement Vil max = 0.8V

DS12024 Rev 3 181/277
STM32L4S5xx, STM32L4S7xx and STM32L4S9xx Electrical characteristics
252
In the user application, the number of I/O pins which can drive current must be limited to
respect the absolute maximum rating specified in Section 6.2:
•The sum of the currents sourced by all the I/Os on VDDIOx, plus the maximum
consumption of the MCU sourced on VDD, cannot exceed the absolute maximum rating
IVDD (see Table 19: Voltage characteristics).
•The sum of the currents sunk by all the I/Os on VSS, plus the maximum consumption of
the MCU sunk on VSS, cannot exceed the absolute maximum rating IVSS (see
Table 19: Voltage characteristics).
Output voltage levels
Unless otherwise specified, the parameters given in the table below are derived from tests
performed under the ambient temperature and supply voltage conditions summarized in
Table 22: General operating conditions. All I/Os are CMOS- and TTL-compliant (FT OR TT
unless otherwise specified).
Table 68. Output voltage characteristics(1)
1. The IIO current sourced or sunk by the device must always respect the absolute maximum rating specified
in Table 19: Voltage characteristics, and the sum of the currents sourced or sunk by all the I/Os (I/O ports
and control pins) must always respect the absolute maximum ratings IIO.
Symbol Parameter Conditions Min Max Unit
VOL
Output low level voltage for
an I/O pin CMOS port(2)
|IIO| = 8 mA
VDDIOx 2.7 V
-0.4
V
VOH
Output high level voltage for
an I/O pin VDDIOx-0.4 -
VOL(3) Output low level voltage for
an I/O pin TTL port(2)
|IIO| = 8 mA
VDDIOx 2.7 V
-0.4
VOH(3) Output high level voltage for
an I/O pin 2.4 -
VOL(3) Output low level voltage for
an I/O pin |IIO| = 20 mA
VDDIOx 2.7 V
-1.3
VOH(3) Output high level voltage for
an I/O pin VDDIOx-1.3 -
VOL(3) Output low level voltage for
an I/O pin |IIO| = 4 mA
VDDIOx 1.62 V
-0.45
VOH(3) Output high level voltage for
an I/O pin VDDIOx-0.45 -
VOL(3) Output low level voltage for
an I/O pin |IIO| = 2 mA
1.62 V VDDIOx
1.08 V
-0.35
VDDIOx
VOH(3) Output high level voltage for
an I/O pin 0.65VDDIOx -
VOLFM+
(3)
Output low level voltage for
an FT I/O pin in FM+ mode
(FT I/O with "f" option)
|IIO| = 20 mA
VDDIOx 2.7 V -0.4
|IIO| = 10 mA
VDDIOx 1.62 V -0.4
|IIO| = 2 mA
1.62 V VDDIOx
1.08 V
-0.4
Electrical characteristics STM32L4S5xx, STM32L4S7xx and STM32L4S9xx
182/277 DS12024 Rev 3
Input/output AC characteristics
The definition and values of input/output AC characteristics are given in Figure 34 and
Table 69, respectively.
Unless otherwise specified, the parameters given are derived from tests performed under
the ambient temperature and supply voltage conditions summarized in Table 22: General
operating conditions.
2. TTL and CMOS outputs are compatible with JEDEC standards JESD36 and JESD52.
3. Guaranteed by design.
Table 69. I/O AC characteristics(1)(2)
Speed Symbol Parameter Conditions Min Max Unit
00
Fmax Maximum
frequency
C=50 pF, 2.7 VVDDIOx3.6 V - 5
MHz
C=50 pF, 1.62 VVDDIOx2.7 V - 1
C=50 pF, 1.08 VVDDIOx1.62 V - 0.1
C=10 pF, 2.7 VVDDIOx3.6 V - 10
C=10 pF, 1.62 VVDDIOx2.7 V - 1.5
C=10 pF, 1.08 VVDDIOx1.62 V - 0.1
Tr/Tf Output rise and
fall time
C=50 pF, 2.7 VVDDIOx3.6 V - 25
ns
C=50 pF, 1.62 VVDDIOx2.7 V - 52
C=50 pF, 1.08 VVDDIOx1.62 V - 140
C=10 pF, 2.7 VVDDIOx3.6 V - 17
C=10 pF, 1.62 VVDDIOx2.7 V - 37
C=10 pF, 1.08 VVDDIOx1.62 V - 110
01
Fmax Maximum
frequency
C=50 pF, 2.7 VVDDIOx3.6 V - 25
MHz
C=50 pF, 1.62 VVDDIOx2.7 V - 10
C=50 pF, 1.08 VVDDIOx1.62 V - 1
C=10 pF, 2.7 VVDDIOx3.6 V - 50
C=10 pF, 1.62 VVDDIOx2.7 V - 15
C=10 pF, 1.08 VVDDIOx1.62 V - 1
Tr/Tf Output rise and
fall time
C=50 pF, 2.7 VVDDIOx3.6 V - 9
ns
C=50 pF, 1.62 VVDDIOx2.7 V - 16
C=50 pF, 1.08 VVDDIOx1.62 V - 40
C=10 pF, 2.7 VVDDIOx3.6 V - 4.5
C=10 pF, 1.62 VVDDIOx2.7 V - 9
C=10 pF, 1.08 VVDDIOx1.62 V - 21

DS12024 Rev 3 183/277
STM32L4S5xx, STM32L4S7xx and STM32L4S9xx Electrical characteristics
252
10
Fmax Maximum
frequency
C=50 pF, 2.7 VVDDIOx3.6 V - 50
MHz
C=50 pF, 1.62 VVDDIOx2.7 V - 25
C=50 pF, 1.08 VVDDIOx1.62 V - 5
C=10 pF, 2.7 VVDDIOx3.6 V - 100(3)
C=10 pF, 1.62 VVDDIOx2.7 V - 37.5
C=10 pF, 1.08 VVDDIOx1.62 V - 5
Tr/Tf Output rise and
fall time
C=50 pF, 2.7 VVDDIOx3.6 V - 5.8
ns
C=50 pF, 1.62 VVDDIOx2.7 V - 11
C=50 pF, 1.08 VVDDIOx1.62 V - 28
C=10 pF, 2.7 VVDDIOx3.6 V - 2.5
C=10 pF, 1.62 VVDDIOx2.7 V - 5
C=10 pF, 1.08 VVDDIOx1.62 V - 12
11
Fmax Maximum
frequency
C=30 pF, 2.7 VVDDIOx3.6 V - 120(3)
MHz
C=30 pF, 1.62 VVDDIOx2.7 V - 50
C=30 pF, 1.08 VVDDIOx1.62 V - 10
C=10 pF, 2.7 VVDDIOx3.6 V - 180(3)
C=10 pF, 1.62 VVDDIOx2.7 V - 75
C=10 pF, 1.08 VVDDIOx1.62 V - 10
Tr/Tf Output rise and
fall time
C=30 pF, 2.7 VVDDIOx3.6 V - 3.3
nsC=30 pF, 1.62 VVDDIOx2.7 V - 6
C=30 pF, 1.08 VVDDIOx1.62 V - 16
Fm+
Fmax Maximum
frequency
C=50 pF, 1.6 VVDDIOx3.6 V
-1MHz
Tf Output fall
time(4) -5ns
1. The I/O speed is configured using the OSPEEDRy[1:0] bits. The Fm+ mode is configured in the
SYSCFG_CFGR1 register. Refer to the RM0351 reference manual for a description of GPIO Port
configuration register.
2. Guaranteed by design.
3. This value represents the I/O capability but the maximum system frequency is limited to 80 MHz.
4. The fall time is defined between 70% and 30% of the output waveform accordingly to I2C specification.
Table 69. I/O AC characteristics(1)(2) (continued)
Speed Symbol Parameter Conditions Min Max Unit
Electrical characteristics STM32L4S5xx, STM32L4S7xx and STM32L4S9xx
184/277 DS12024 Rev 3
Figure 34. I/O AC characteristics definition(1)
1. Refer to Table 69: I/O AC characteristics.
6.3.18 NRST pin characteristics
The NRST pin input driver uses the CMOS technology. It is connected to a permanent pull-
up resistor, RPU.
Unless otherwise specified, the parameters given in the table below are derived from tests
performed under the ambient temperature and supply voltage conditions summarized in
Table 22: General operating conditions.
MS32132V2
T
10%
50%
90% 10%
50%
90%
Maximum frequency is achieved if (t + t (≤ 2/3)T and if the duty cycle is (45-55%)
when loaded by the specified capacitance.
rf
r(IO)out
tf(IO)out
t
Table 70. NRST pin characteristics(1)
1. Guaranteed by design.
Symbol Parameter Conditions Min Typ Max Unit
VIL(NRST)
NRST input low level
voltage ---0.3VDDIOx
V
VIH(NRST)
NRST input high level
voltage -0.7VDDIOx --
Vhys(NRST)
NRST Schmitt trigger
voltage hysteresis --200-mV
RPU
Weak pull-up equivalent
resistor(2)
2. The pull-up is designed with a true resistance in series with a switchable PMOS. This PMOS contribution to
the series resistance is minimal (~10% order).
VIN = VSS 25 40 55 k
VF(NRST) NRST input filtered
pulse ---70ns
VNF(NRST)
NRST input not filtered
pulse
1.71 V VDD
3.6 V 350 - - ns

DS12024 Rev 3 185/277
STM32L4S5xx, STM32L4S7xx and STM32L4S9xx Electrical characteristics
252
Figure 35. Recommended NRST pin protection
1. The reset network protects the device against parasitic resets.
2. The user must ensure that the level on the NRST pin can go below the VIL(NRST) max level specified in
Table 70: NRST pin characteristics. Otherwise the reset will not be taken into account by the device.
3. The external capacitor on NRST must be placed as close as possible to the device.
6.3.19 Extended interrupt and event controller input (EXTI) characteristics
The pulse on the interrupt input must have a minimal length in order to guarantee that it is
detected by the event controller.
6.3.20 Analog switches booster
MS19878V3
RPU
VDD
Internal reset
External
reset circuit(1)
NRST(2)
Filter
0.1 μF
Table 71. EXTI input characteristics(1)
1. Guaranteed by design.
Symbol Parameter Conditions Min Typ Max Unit
PLEC Pulse length to event
controller -20--ns
Table 72. Analog switches booster characteristics(1)
1. Guaranteed by design.
Symbol Parameter Min Typ Max Unit
VDD Supply voltage 1.62 - 3.6 V
tSU(BOOST) Booster startup time - - 240 µs
IDD(BOOST)
Booster consumption for
1.62 V VDD 2.0 V --250
µA
Booster consumption for
2.0 V VDD 2.7 V --500
Booster consumption for
2.7 V VDD 3.6 V --900

Electrical characteristics STM32L4S5xx, STM32L4S7xx and STM32L4S9xx
186/277 DS12024 Rev 3
6.3.21 Analog-to-digital converter characteristics
Unless otherwise specified, the parameters given in Table 73 are preliminary values derived
from tests performed under ambient temperature, fPCLK frequency and VDDA supply voltage
conditions summarized in Table 22: General operating conditions.
Note: It is recommended to perform a calibration after each power-up.
Table 73. ADC characteristics(1) (2)
Symbol Parameter Conditions Min Typ Max Unit
VDDA
Analog supply
voltage -1.62-3.6V
VREF+
Positive
reference
voltage
VDDA 2 V 2 - VDDA V
VDDA < 2 V VDDA V
VREF-
Negative
reference
voltage
-V
SSA V
fADC
ADC clock
frequency
Range 1 - - 80
MHz
Range 2 - - 26
fs
Sampling rate
for FAST
channels
Resolution = 12 bits - - 5.33
Msps
Resolution = 10 bits - - 6.15
Resolution = 8 bits - - 7.27
Resolution = 6 bits - - 8.88
Sampling rate
for SLOW
channels
Resolution = 12 bits - - 4.21
Resolution = 10 bits - - 4.71
Resolution = 8 bits - - 5.33
Resolution = 6 bits - - 6.15
fTRIG
External trigger
frequency
fADC = 80 MHz
Resolution = 12 bits - - 5.33 MHz
Resolution = 12 bits - - 15 1/fADC
VAIN (3) Conversion
voltage range(2) -0-V
REF+ V
RAIN
External input
impedance ---50k
CADC
Internal sample
and hold
capacitor
--5-pF
tSTAB Power-up time - 1 conversi
on cycle
tCAL Calibration time
fADC = 80 MHz 1.45 µs
- 116 1/fADC

DS12024 Rev 3 187/277
STM32L4S5xx, STM32L4S7xx and STM32L4S9xx Electrical characteristics
252
tLATR
Trigger
conversion
latency Regular
and injected
channels
without
conversion
abort
CKMODE = 00 1.5 2 2.5
1/fADC
CKMODE = 01 - - 2.0
CKMODE = 10 - - 2.25
CKMODE = 11 - - 2.125
tLATRINJ
Trigger
conversion
latency Injected
channels
aborting a
regular
conversion
CKMODE = 00 2.5 3 3.5
1/fADC
CKMODE = 01 - - 3.0
CKMODE = 10 - - 3.25
CKMODE = 11 - - 3.125
tsSampling time
fADC = 80 MHz 0.03125 - 8.00625 µs
- 2.5 - 640.5 1/fADC
tADCVREG_STU
P
ADC voltage
regulator start-
up time
---20
µs
tCONV
Total conversion
time
(including
sampling time)
fADC = 80 MHz
Resolution = 12 bits 0.1875 - 8.1625 µs
Resolution = 12 bits
ts + 12.5 cycles for
successive approximation
= 15 to 653
1/fADC
IDDA(ADC)
ADC
consumption
from the VDDA
supply
fs = 5 Msps - 730 830
µAfs = 1 Msps - 160 220
fs = 10 ksps - 16 50
IDDV_S(ADC)
ADC
consumption
from the VREF+
single ended
mode
fs = 5 Msps - 130 160
µA
fs = 1 Msps - 30 40
fs = 10 ksps - 0.6 2
IDDV_D(ADC)
ADC
consumption
from the VREF+
differential mode
fs = 5 Msps - 260 310
µAfs = 1 Msps - 60 70
fs = 10 ksps - 1.3 3
1. Guaranteed by design
2. The I/O analog switch voltage booster is enable when VDDA < 2.4 V (BOOSTEN = 1 in the
SYSCFG_CFGR1 when VDDA < 2.4V). It is disable when VDDA 2.4 V.
3. VREF+ can be internally connected to VDDA and VREF- can be internally connected to VSSA, depending on
the package.
Refer to Section 4: Pinouts and pin description for further details.
Table 73. ADC characteristics(1) (2) (continued)
Symbol Parameter Conditions Min Typ Max Unit
AIN
Electrical characteristics STM32L4S5xx, STM32L4S7xx and STM32L4S9xx
188/277 DS12024 Rev 3
The maximum value of RAIN can be found in Table 74: Maximum ADC RAIN.
Table 74. Maximum ADC RAIN(1)(2)
Resolution Sampling cycle
@80 MHz
Sampling time
[ns] @80 MHz
RAIN max (Ω)
Fast channels(3) Slow channels(4)
12 bits
2.5 31.25 100 N/A
6.5 81.25 330 100
12.5 156.25 680 470
24.5 306.25 1500 1200
47.5 593.75 2200 1800
92.5 1156.25 4700 3900
247.5 3093.75 12000 10000
640.5 8006.75 39000 33000
10 bits
2.5 31.25 120 N/A
6.5 81.25 390 180
12.5 156.25 820 560
24.5 306.25 1500 1200
47.5 593.75 2200 1800
92.5 1156.25 5600 4700
247.5 3093.75 12000 10000
640.5 8006.75 47000 39000
8 bits
2.5 31.25 180 N/A
6.5 81.25 470 270
12.5 156.25 1000 680
24.5 306.25 1800 1500
47.5 593.75 2700 2200
92.5 1156.25 6800 5600
247.5 3093.75 15000 12000
640.5 8006.75 50000 50000
6 bits
2.5 31.25 220 N/A
6.5 81.25 560 330
12.5 156.25 1200 1000
24.5 306.25 2700 2200
47.5 593.75 3900 3300
92.5 1156.25 8200 6800
247.5 3093.75 18000 15000
640.5 8006.75 50000 50000

DS12024 Rev 3 189/277
STM32L4S5xx, STM32L4S7xx and STM32L4S9xx Electrical characteristics
252
1. Guaranteed by design.
2. The I/O analog switch voltage booster is enable when VDDA < 2.4 V (BOOSTEN = 1 in the
SYSCFG_CFGR1 when VDDA < 2.4V). It is disable when VDDA 2.4 V.
3. Fast channels are: PC0, PC1, PC2, PC3, PA0.
4. Slow channels are: all ADC inputs except the fast channels.
Electrical characteristics STM32L4S5xx, STM32L4S7xx and STM32L4S9xx
190/277 DS12024 Rev 3
Table 75. ADC accuracy - limited test conditions 1(1)(2)(3)
Sym-
bol Parameter Conditions(4) Min Typ Max Unit
ET
To t a l
unadjusted
error
ADC clock frequency
80 MHz,
Sampling rate 5.33 Msps,
VDDA = VREF+ = 3 V,
TA = 25 °C
Single
ended
Fast channel (max speed) - 4 5
LSB
Slow channel (max speed) - 4 5
Differential
Fast channel (max speed) - 3.5 4.5
Slow channel (max speed) - 3.5 4.5
EO Offset
error
Single
ended
Fast channel (max speed) - 1 2.5
Slow channel (max speed) - 1 2.5
Differential
Fast channel (max speed) - 1.5 2.5
Slow channel (max speed) - 1.5 2.5
EG Gain error
Single
ended
Fast channel (max speed) - 2.5 4.5
Slow channel (max speed) - 2.5 4.5
Differential
Fast channel (max speed) - 2.5 3.5
Slow channel (max speed) - 2.5 3.5
ED
Differential
linearity
error
Single
ended
Fast channel (max speed) - 1 1.5
Slow channel (max speed) - 1 1.5
Differential
Fast channel (max speed) - 1 1.2
Slow channel (max speed) - 1 1.2
EL
Integral
linearity
error
Single
ended
Fast channel (max speed) - 1.5 2.5
Slow channel (max speed) - 1.5 2.5
Differential
Fast channel (max speed) - 1 2
Slow channel (max speed) - 1 2
ENOB
Effective
number of
bits
Single
ended
Fast channel (max speed) 10.4 10.5 -
bits
Slow channel (max speed) 10.4 10.5 -
Differential
Fast channel (max speed) 10.8 10.9 -
Slow channel (max speed) 10.8 10.9 -
SINAD
Signal-to-
noise and
distortion
ratio
Single
ended
Fast channel (max speed) 64.4 65 -
dB
Slow channel (max speed) 64.4 65 -
Differential
Fast channel (max speed) 66.8 67.4 -
Slow channel (max speed) 66.8 67.4 -
SNR Signal-to-
noise ratio
Single
ended
Fast channel (max speed) 65 66 -
Slow channel (max speed) 65 66 -
Differential
Fast channel (max speed) 67 68 -
Slow channel (max speed) 67 68 -
DS12024 Rev 3 191/277
STM32L4S5xx, STM32L4S7xx and STM32L4S9xx Electrical characteristics
252
THD
To t a l
harmonic
distortion
ADC clock frequency
80 MHz,
Sampling rate 5.33 Msps,
VDDA = VREF+ = 3 V,
TA = 25 °C
Single
ended
Fast channel (max speed) - -74 -73
dB
Slow channel (max speed) - -74 -73
Differential
Fast channel (max speed) - -79 -76
Slow channel (max speed) - -79 -76
1. Guaranteed by design.
2. ADC DC accuracy values are measured after internal calibration.
3. ADC accuracy vs. negative Injection Current: Injecting negative current on any analog input pins should be avoided as this
significantly reduces the accuracy of the conversion being performed on another analog input. It is recommended to add a
Schottky diode (pin to ground) to analog pins which may potentially inject negative current.
4. The I/O analog switch voltage booster is enable when VDDA < 2.4 V (BOOSTEN = 1 in the SYSCFG_CFGR1 when
VDDA < 2.4 V). It is disable when VDDA 2.4 V. No oversampling.
Table 75. ADC accuracy - limited test conditions 1(1)(2)(3) (continued)
Sym-
bol Parameter Conditions(4) Min Typ Max Unit
Electrical characteristics STM32L4S5xx, STM32L4S7xx and STM32L4S9xx
192/277 DS12024 Rev 3
Table 76. ADC accuracy - limited test conditions 2(1)(2)(3)
Sym-
bol Parameter Conditions(4) Min Typ Max Unit
ET
To t a l
unadjusted
error
ADC clock frequency
80 MHz,
Sampling rate 5.33 Msps,
2 V VDDA
Single
ended
Fast channel (max speed) - 4 6.5
LSB
Slow channel (max speed) - 4 6.5
Differential
Fast channel (max speed) - 3.5 5.5
Slow channel (max speed) - 3.5 5.5
EO Offset
error
Single
ended
Fast channel (max speed) - 1 4.5
Slow channel (max speed) - 1 5
Differential
Fast channel (max speed) - 1.5 3
Slow channel (max speed) - 1.5 3
EG Gain error
Single
ended
Fast channel (max speed) - 2.5 6
Slow channel (max speed) - 2.5 6
Differential
Fast channel (max speed) - 2.5 3.5
Slow channel (max speed) - 2.5 3.5
ED
Differential
linearity
error
Single
ended
Fast channel (max speed) - 1 1.5
Slow channel (max speed) - 1 1.5
Differential
Fast channel (max speed) - 1 1.2
Slow channel (max speed) - 1 1.2
EL
Integral
linearity
error
Single
ended
Fast channel (max speed) - 1.5 3.5
Slow channel (max speed) - 1.5 3.5
Differential
Fast channel (max speed) - 1 3
Slow channel (max speed) - 1 2.5
ENOB
Effective
number of
bits
Single
ended
Fast channel (max speed) 10 10.5 -
bits
Slow channel (max speed) 10 10.5 -
Differential
Fast channel (max speed) 10.7 10.9 -
Slow channel (max speed) 10.7 10.9 -
SINAD
Signal-to-
noise and
distortion
ratio
Single
ended
Fast channel (max speed) 62 65 -
dB
Slow channel (max speed) 62 65 -
Differential
Fast channel (max speed) 66 67.4 -
Slow channel (max speed) 66 67.4 -
SNR Signal-to-
noise ratio
Single
ended
Fast channel (max speed) 64 66 -
Slow channel (max speed) 64 66 -
Differential
Fast channel (max speed) 66.5 68 -
Slow channel (max speed) 66.5 68 -
DS12024 Rev 3 193/277
STM32L4S5xx, STM32L4S7xx and STM32L4S9xx Electrical characteristics
252
THD
To t a l
harmonic
distortion
ADC clock frequency
80 MHz,
Sampling rate 5.33 Msps,
2 V VDDA
Single
ended
Fast channel (max speed) - -74 -65
dB
Slow channel (max speed) - -74 -67
Differential
Fast channel (max speed) - -79 -70
Slow channel (max speed) - -79 -71
1. Guaranteed by design.
2. ADC DC accuracy values are measured after internal calibration.
3. ADC accuracy vs. negative Injection Current: Injecting negative current on any analog input pins should be avoided as this
significantly reduces the accuracy of the conversion being performed on another analog input. It is recommended to add a
Schottky diode (pin to ground) to analog pins which may potentially inject negative current.
4. The I/O analog switch voltage booster is enable when VDDA < 2.4 V (BOOSTEN = 1 in the SYSCFG_CFGR1 when
VDDA < 2.4 V). It is disable when VDDA 2.4 V. No oversampling.
Table 76. ADC accuracy - limited test conditions 2(1)(2)(3) (continued)
Sym-
bol Parameter Conditions(4) Min Typ Max Unit
Electrical characteristics STM32L4S5xx, STM32L4S7xx and STM32L4S9xx
194/277 DS12024 Rev 3
Table 77. ADC accuracy - limited test conditions 3(1)(2)(3)
Sym-
bol Parameter Conditions(4) Min Typ Max Unit
ET
To t a l
unadjusted
error
ADC clock frequency
80 MHz,
Sampling rate 5.33 Msps,
1.65 V VDDA = VREF+
3.6 V,
Voltage scaling Range 1
Single
ended
Fast channel (max speed) - 5.5 7.5
LSB
Slow channel (max speed) - 4.5 6.5
Differential
Fast channel (max speed) - 4.5 7.5
Slow channel (max speed) - 4.5 5.5
EO Offset
error
Single
ended
Fast channel (max speed) - 2 5
Slow channel (max speed) - 2.5 5
Differential
Fast channel (max speed) - 2 3.5
Slow channel (max speed) - 2.5 3
EG Gain error
Single
ended
Fast channel (max speed) - 4.5 7
Slow channel (max speed) - 3.5 6
Differential
Fast channel (max speed) - 3.5 4
Slow channel (max speed) - 3.5 5
ED
Differential
linearity
error
Single
ended
Fast channel (max speed) - 1.2 1.5
Slow channel (max speed) - 1.2 1.5
Differential
Fast channel (max speed) - 1 1.2
Slow channel (max speed) - 1 1.2
EL
Integral
linearity
error
Single
ended
Fast channel (max speed) - 3 3.5
Slow channel (max speed) - 2.5 3.5
Differential
Fast channel (max speed) - 2 2.5
Slow channel (max speed) - 2 2.5
ENOB
Effective
number of
bits
Single
ended
Fast channel (max speed) 10 10.4 -
bits
Slow channel (max speed) 10 10.4 -
Differential
Fast channel (max speed) 10.6 10.7 -
Slow channel (max speed) 10.6 10.7 -
SINAD
Signal-to-
noise and
distortion
ratio
Single
ended
Fast channel (max speed) 62 64 -
dB
Slow channel (max speed) 62 64 -
Differential
Fast channel (max speed) 65 66 -
Slow channel (max speed) 65 66 -
SNR Signal-to-
noise ratio
Single
ended
Fast channel (max speed) 63 65 -
Slow channel (max speed) 63 65 -
Differential
Fast channel (max speed) 66 67 -
Slow channel (max speed) 66 67 -

DS12024 Rev 3 195/277
STM32L4S5xx, STM32L4S7xx and STM32L4S9xx Electrical characteristics
252
THD
To t a l
harmonic
distortion
ADC clock frequency
80 MHz,
Sampling rate 5.33 Msps,
1.65 V VDDA = VREF+
3.6 V,
Voltage scaling Range 1
Single
ended
Fast channel (max speed) - -69 -67
dB
Slow channel (max speed) - -71 -67
Differential
Fast channel (max speed) - -72 -71
Slow channel (max speed) - -72 -71
1. Guaranteed by design.
2. ADC DC accuracy values are measured after internal calibration.
3. ADC accuracy vs. negative Injection Current: Injecting negative current on any analog input pins should be avoided as this
significantly reduces the accuracy of the conversion being performed on another analog input. It is recommended to add a
Schottky diode (pin to ground) to analog pins which may potentially inject negative current.
4. The I/O analog switch voltage booster is enable when VDDA < 2.4 V (BOOSTEN = 1 in the SYSCFG_CFGR1 when
VDDA < 2.4 V). It is disable when VDDA 2.4 V. No oversampling.
Table 77. ADC accuracy - limited test conditions 3(1)(2)(3) (continued)
Sym-
bol Parameter Conditions(4) Min Typ Max Unit
Electrical characteristics STM32L4S5xx, STM32L4S7xx and STM32L4S9xx
196/277 DS12024 Rev 3
Table 78. ADC accuracy - limited test conditions 4(1)(2)(3)
Sym-
bol Parameter Conditions(4) Min Typ Max Unit
ET
To t a l
unadjusted
error
ADC clock frequency
26 MHz,
1.65 V VDDA = VREF+
3.6 V,
Voltage scaling Range 2
Single
ended
Fast channel (max speed) - 5 5.4
LSB
Slow channel (max speed) - 4 5
Differential
Fast channel (max speed) - 4 5
Slow channel (max speed) - 3.5 4.5
EO Offset
error
Single
ended
Fast channel (max speed) - 2 4
Slow channel (max speed) - 2 4
Differential
Fast channel (max speed) - 2 3.5
Slow channel (max speed) - 2 3.5
EG Gain error
Single
ended
Fast channel (max speed) - 4 4.5
Slow channel (max speed) - 4 4.5
Differential
Fast channel (max speed) - 3 4
Slow channel (max speed) - 3 4
ED
Differential
linearity
error
Single
ended
Fast channel (max speed) - 1 1.5
Slow channel (max speed) - 1 1.5
Differential
Fast channel (max speed) - 1 1.2
Slow channel (max speed) - 1 1.2
EL
Integral
linearity
error
Single
ended
Fast channel (max speed) - 2.5 3
Slow channel (max speed) - 2.5 3
Differential
Fast channel (max speed) - 2 2.5
Slow channel (max speed) - 2 2.5
ENOB
Effective
number of
bits
Single
ended
Fast channel (max speed) 10.2 10.5 -
bits
Slow channel (max speed) 10.2 10.5 -
Differential
Fast channel (max speed) 10.6 10.7 -
Slow channel (max speed) 10.6 10.7 -
SINAD
Signal-to-
noise and
distortion
ratio
Single
ended
Fast channel (max speed) 63 65 -
dB
Slow channel (max speed) 63 65 -
Differential
Fast channel (max speed) 65 66 -
Slow channel (max speed) 65 66 -
SNR Signal-to-
noise ratio
Single
ended
Fast channel (max speed) 64 65 -
Slow channel (max speed) 64 65 -
Differential
Fast channel (max speed) 66 67 -
Slow channel (max speed) 66 67 -
DS12024 Rev 3 197/277
STM32L4S5xx, STM32L4S7xx and STM32L4S9xx Electrical characteristics
252
THD
To t a l
harmonic
distortion
ADC clock frequency
26 MHz,
1.65 V VDDA = VREF+
3.6 V,
Voltage scaling Range 2
Single
ended
Fast channel (max speed) - -71 -69
dB
Slow channel (max speed) - -71 -69
Differential
Fast channel (max speed) - -73 -72
Slow channel (max speed) - -73 -72
1. Guaranteed by design.
2. ADC DC accuracy values are measured after internal calibration.
3. ADC accuracy vs. negative Injection Current: Injecting negative current on any analog input pins should be avoided as this
significantly reduces the accuracy of the conversion being performed on another analog input. It is recommended to add a
Schottky diode (pin to ground) to analog pins which may potentially inject negative current.
4. The I/O analog switch voltage booster is enable when VDDA < 2.4 V (BOOSTEN = 1 in the SYSCFG_CFGR1 when
VDDA < 2.4 V). It is disable when VDDA 2.4 V. No oversampling.
Table 78. ADC accuracy - limited test conditions 4(1)(2)(3) (continued)
Sym-
bol Parameter Conditions(4) Min Typ Max Unit
HP
Electrical characteristics STM32L4S5xx, STM32L4S7xx and STM32L4S9xx
198/277 DS12024 Rev 3
Figure 36. ADC accuracy characteristics
Figure 37. Typical connection diagram using the ADC
1. Refer to Table 73: ADC characteristics for the values of RAIN and CADC.
2. Cparasitic represents the capacitance of the PCB (dependent on soldering and PCB layout quality) plus the
pad capacitance (refer to Table 67: I/O static characteristics for the value of the pad capacitance). A high
Cparasitic value will downgrade conversion accuracy. To remedy this, fADC should be reduced.
3. Refer to Table 67: I/O static characteristics for the values of Ilkg.
General PCB design guidelines
Power supply decoupling should be performed as shown in Figure 21: Power supply
scheme. The 10 nF capacitor should be ceramic (good quality) and it should be placed as
close as possible to the chip.
ET = total unajusted error: maximum deviation
between the actual and ideal transfer curves.
EO = offset error: maximum deviation
between the first actual transition and
the first ideal one.
EG = gain error: deviation between the last
ideal transition and the last actual one.
ED = differential linearity error: maximum
deviation between actual steps and the ideal ones.
EL = integral linearity error: maximum deviation
between any actual transition and the end point
correlation line.
(1) Example of an actual transfer curve
(2) The ideal transfer curve
(3) End point correlation line
4095
4094
4093
7
6
5
4
3
2
1
023456
17 4093 4094 4095 4096 VDDA
VSSA
EO
ET
EL
EG
ED
1 LSB IDEAL
(1)
(3)
(2)
MS19880V2
MS33900V5
Sample and hold ADC converter
12-bit
converter
Cparasitic(2) Ilkg (3)
VTCADC
VDDA
RAIN(1)
VAIN
VT
AINx RADC
DS12024 Rev 3 199/277
STM32L4S5xx, STM32L4S7xx and STM32L4S9xx Electrical characteristics
252
6.3.22 Digital-to-Analog converter characteristics
Table 79. DAC characteristics(1)
Symbol Parameter Conditions Min Typ Max Unit
VDDA
Analog supply voltage for
DAC ON
DAC output buffer OFF, DAC_OUT
pin not connected (internal
connection only)
1.71 -
3.6
V
Other modes 1.80 -
VREF+ Positive reference voltage
DAC output buffer OFF, DAC_OUT
pin not connected (internal
connection only)
1.71 -
VDDA
Other modes 1.80 -
VREF- Negative reference voltage - VSSA
RLResistive load DAC output
buffer ON
connected to VSSA 5- -
k
connected to VDDA 25 - -
ROOutput Impedance DAC output buffer OFF 9.6 11.7 13.8 k
RBON
Output impedance sample
and hold mode, output
buffer ON
VDD = 2.7 V - - 2
k
VDD = 2.0 V - - 3.5
RBOFF
Output impedance sample
and hold mode, output
buffer OFF
VDD = 2.7 V - - 16.5
k
VDD = 2.0 V - - 18.0
CLCapacitive load
DAC output buffer ON - - 50 pF
CSH Sample and hold mode - 0.1 1 µF
VDAC_OUT
Voltage on DAC_OUT
output
DAC output buffer ON 0.2 - VREF+
– 0.2 V
DAC output buffer OFF 0 - VREF+
tSETTLING
Settling time (full scale: for
a 12-bit code transition
between the lowest and the
highest input codes when
DAC_OUT reaches final
value ±0.5LSB, ±1 LSB,
±2 LSB, ±4 LSB, ±8 LSB)
Normal mode
DAC output
buffer ON
CL 50 pF,
RL 5 k
±0.5 LSB - 1.7 3
µs
±1 LSB - 1.6 2.9
±2 LSB - 1.55 2.85
±4 LSB - 1.48 2.8
±8 LSB - 1.4 2.75
Normal mode DAC output buffer
OFF, ±1LSB, CL = 10 pF -2 2.5
tWAKEUP(2)
Wakeup time from off state
(setting the ENx bit in the
DAC Control register) until
final value ±1 LSB
Normal mode DAC output buffer ON
CL 50 pF, RL 5 k-4.2 7.5
µs
Normal mode DAC output buffer
OFF, CL 10 pF -2 5
PSRR VDDA supply rejection ratio Normal mode DAC output buffer ON
CL 50 pF, RL = 5 k, DC --80 -28dB

Electrical characteristics STM32L4S5xx, STM32L4S7xx and STM32L4S9xx
200/277 DS12024 Rev 3
TW_to_W
Minimal time between two
consecutive writes into the
DAC_DORx register to
guarantee a correct
DAC_OUT for a small
variation of the input code
(1 LSB)
DAC_MCR:MODEx[2:0] =
000 or 001
DAC_MCR:MODEx[2:0] =
010 or 011
CL 50 pF, RL 5 k
CL 10 pF
1
1.4
--µs
tSAMP
Sampling time in sample
and hold mode (code
transition between the
lowest input code and the
highest input code when
DACOUT reaches final
value ±1LSB)
DAC_OUT
pin connected
DAC output buffer
ON, CSH = 100 nF -0.7 3.5
ms
DAC output buffer
OFF, CSH = 100 nF -10.5 18
DAC_OUT
pin not
connected
(internal
connection
only)
DAC output buffer
OFF -2 3.5µs
Ileak Output leakage current Sample and hold mode,
DAC_OUT pin connected -- -
(3) nA
CIint
Internal sample and hold
capacitor - 5.2 7 8.8 pF
tTRIM Middle code offset trim time DAC output buffer ON 50 - - µs
Voffset
Middle code offset for 1 trim
code step
VREF+ = 3.6 V - 1500 -
µV
VREF+ = 1.8 V - 750 -
IDDA(DAC) DAC consumption from
VDDA
DAC output
buffer ON
No load, middle
code (0x800) - 315 500
µA
No load, worst code
(0xF1C) - 450 670
DAC output
buffer OFF
No load, middle
code (0x800) -- 0.2
Sample and hold mode, CSH =
100 nF -
315
Ton / (Ton
+Toff)
(4)
670
To n / ( To n
+Toff)
(4)
Table 79. DAC characteristics(1) (continued)
Symbol Parameter Conditions Min Typ Max Unit
u——_.
DS12024 Rev 3 201/277
STM32L4S5xx, STM32L4S7xx and STM32L4S9xx Electrical characteristics
252
Figure 38. 12-bit buffered / non-buffered DAC
1. The DAC integrates an output buffer that can be used to reduce the output impedance and to drive external
loads directly without the use of an external operational amplifier. The buffer can be bypassed by
configuring the BOFFx bit in the DAC_CR register.
IDDV(DAC) DAC consumption from
VREF+
DAC output
buffer ON
No load, middle
code (0x800) - 185 240
µA
No load, worst code
(0xF1C) - 340 400
DAC output
buffer OFF
No load, middle
code (0x800) - 155 205
Sample and hold mode, buffer ON,
CSH = 100 nF, worst case -
185
Ton / (Ton
+Toff)
(4)
400
To n / ( To n
+Toff)
(4)
Sample and hold mode, buffer OFF,
CSH = 100 nF, worst case -
155
Ton / (Ton
+Toff)
(4)
205
To n / ( To n
+Toff)
(4)
1. Guaranteed by design.
2. In buffered mode, the output can overshoot above the final value for low input code (starting from min value).
3. Refer to Table 67: I/O static characteristics.
4. Ton is the Refresh phase duration. Toff is the Hold phase duration. Refer to RM0351 reference manual for more details.
Table 79. DAC characteristics(1) (continued)
Symbol Parameter Conditions Min Typ Max Unit
(1)
Buffer
12-bit
digital to
analog
converter
Buffered/non-buffered DAC
DACx_OUT
RLOAD
CLOAD
ai17157d

Electrical characteristics STM32L4S5xx, STM32L4S7xx and STM32L4S9xx
202/277 DS12024 Rev 3
. Table 80. DAC accuracy(1)
Symbol Parameter Conditions Min Typ Max Unit
DNL Differential non
linearity (2)
DAC output buffer ON - - ±2
LSB
DAC output buffer OFF - - ±2
- monotonicity 10 bits guaranteed
INL Integral non
linearity(3)
DAC output buffer ON
CL 50 pF, RL 5 k--±4
DAC output buffer OFF
CL 50 pF, no RL --±4
Offset Offset error at
code 0x800(3)
DAC output buffer ON
CL 50 pF, RL 5 k
VREF+ = 3.6 V - - ±12
VREF+ = 1.8 V - - ±25
DAC output buffer OFF
CL 50 pF, no RL --±8
Offset1 Offset error at
code 0x001(4)
DAC output buffer OFF
CL 50 pF, no RL --±5
OffsetCal
Offset Error at
code 0x800
after calibration
DAC output buffer ON
CL 50 pF, RL 5 k
VREF+ = 3.6 V - - ±5
VREF+ = 1.8 V - - ±7
Gain Gain error(5)
DAC output buffer ON
CL 50 pF, RL 5 k--±0.5
%
DAC output buffer OFF
CL 50 pF, no RL --±0.5
TUE
Tot a l
unadjusted
error
DAC output buffer ON
CL 50 pF, RL 5 k--±30
LSB
DAC output buffer OFF
CL 50 pF, no RL --±12
TUECal
Tot a l
unadjusted
error after
calibration
DAC output buffer ON
CL 50 pF, RL 5 k--±23LSB
SNR Signal-to-noise
ratio
DAC output buffer ON
CL 50 pF, RL 5 k
1 kHz, BW 500 kHz
-71.2-
dB
DAC output buffer OFF
CL 50 pF, no RL, 1 kHz
BW 500 kHz
-71.6-
THD Total harmonic
distortion
DAC output buffer ON
CL 50 pF, RL 5 k, 1 kHz --78-
dB
DAC output buffer OFF
CL 50 pF, no RL, 1 kHz --79-

DS12024 Rev 3 203/277
STM32L4S5xx, STM32L4S7xx and STM32L4S9xx Electrical characteristics
252
SINAD
Signal-to-noise
and distortion
ratio
DAC output buffer ON
CL 50 pF, RL 5 k, 1 kHz -70.4-
dB
DAC output buffer OFF
CL 50 pF, no RL, 1 kHz -71-
ENOB Effective
number of bits
DAC output buffer ON
CL 50 pF, RL 5 k, 1 kHz -11.4-
bits
DAC output buffer OFF
CL 50 pF, no RL, 1 kHz -11.5-
1. Guaranteed by design.
2. Difference between two consecutive codes - 1 LSB.
3. Difference between measured value at Code i and the value at Code i on a line drawn between Code 0 and last Code 4095.
4. Difference between the value measured at Code (0x001) and the ideal value.
5. Difference between ideal slope of the transfer function and measured slope computed from code 0x000 and 0xFFF when
buffer is OFF, and from code giving 0.2 V and (VREF+ – 0.2) V when buffer is ON.
Table 80. DAC accuracy(1) (continued)
Symbol Parameter Conditions Min Typ Max Unit

Electrical characteristics STM32L4S5xx, STM32L4S7xx and STM32L4S9xx
204/277 DS12024 Rev 3
6.3.23 Voltage reference buffer characteristics
Table 81. VREFBUF characteristics(1)
Symbol Parameter Conditions Min Typ Max Unit
VDDA
Analog supply
voltage
Normal mode
VRS = 0 2.4 - 3.6
V
VRS = 1 2.8 - 3.6
Degraded mode(2) VRS = 0 1.65 - 2.4
VRS = 1 1.65 - 2.8
VREFBUF_
OUT
Voltage
reference
output
Normal mode
VRS = 0 2.046(3) 2.048 2.049(3)
VRS = 1 2.498(3) 2.5 2.502(3)
Degraded mode(2) VRS = 0 VDDA-150 mV - VDDA
VRS = 1 VDDA-150 mV - VDDA
TRIM Trim step
resolution ---±0.05±0.1%
CL Load capacitor - - 0.5 1 1.5 µF
esr
Equivalent
Serial Resistor
of Cload
----2
Iload
Static load
current ----4mA
Iline_reg Line regulation 2.8 V VDDA 3.6 V
Iload = 500 µA - 200 1000
ppm/V
Iload = 4 mA - 100 500
Iload_reg
Load
regulation 500 A Iload 4 mA Normal mode - 50 500 ppm/mA
TCoeff
Temperature
coefficient
-40 °C < TJ < +125 °C - -
Tcoeff_
vrefint +
50 ppm/ °C
0 °C < TJ < +50 °C - -
Tcoeff_
vrefint +
50
PSRR Power supply
rejection
DC 40 60 -
dB
100 kHz 25 40 -
tSTART Start-up time
CL = 0.5 µF(4) - 300 350
µsCL = 1.1 µF(4) - 500 650
CL = 1.5 µF(4) - 650 800
IINRUSH
Control of
maximum DC
current drive
on VREFBUF_
OUT during
start-up phase
(5)
---8-mA

DS12024 Rev 3 205/277
STM32L4S5xx, STM32L4S7xx and STM32L4S9xx Electrical characteristics
252
IDDA(VREF
BUF)
VREFBUF
consumption
from VDDA
Iload = 0 µA - 16 25
µAIload = 500 µA - 18 30
Iload = 4 mA - 35 50
1. Guaranteed by design, unless otherwise specified.
2. In degraded mode, the voltage reference buffer can not maintain accurately the output voltage which will follow (VDDA -
drop voltage).
3. Guaranteed by test in production.
4. The capacitive load must include a 100 nF capacitor in order to cut-off the high frequency noise.
5. To correctly control the VREFBUF inrush current during start-up phase and scaling change, the VDDA voltage should be in
the range [2.4 V to 3.6 V] and [2.8 V to 3.6 V] respectively for VRS = 0 and VRS = 1.
Table 81. VREFBUF characteristics(1) (continued)
Symbol Parameter Conditions Min Typ Max Unit
Electrical characteristics STM32L4S5xx, STM32L4S7xx and STM32L4S9xx
206/277 DS12024 Rev 3
6.3.24 Comparator characteristics
Table 82. COMP characteristics(1)
Symbol Parameter Conditions Min Typ Max Unit
VDDA Analog supply voltage - 1.62 - 3.6
VVIN
Comparator input voltage
range -0-V
DDA
VBG(2) Scaler input voltage - VREFINT
VSC Scaler offset voltage - - ±5 ±10 mV
IDDA(SCALER) Scaler static consumption
from VDDA
BRG_EN=0 (bridge disable) - 200 300 nA
BRG_EN=1 (bridge enable) - 0.8 1 µA
tSTART_SCALER Scaler startup time - - 100 200 µs
tSTART
Comparator startup time to
reach propagation delay
specification
High-speed
mode
VDDA 2.7 V - - 5
µs
VDDA < 2.7 V - - 7
Medium mode
VDDA 2.7 V - - 15
VDDA < 2.7 V - - 25
Ultra-low-power mode - - 80
tD(3)
Propagation delay for
200 mV step
with 100 mV overdrive
High-speed
mode
VDDA 2.7 V - 55 80
ns
VDDA < 2.7 V - 65 100
Medium mode
VDDA 2.7 V - 0.55 0.9
µsVDDA < 2.7 V - 0.65 1
Ultra-low-power mode - 5 12
Voffset Comparator offset error Full common
mode range --±5±20mV
Vhys Comparator hysteresis
No hysteresis - 0 -
mV
Low hysteresis - 8 -
Medium hysteresis - 15 -
High hysteresis - 27 -

DS12024 Rev 3 207/277
STM32L4S5xx, STM32L4S7xx and STM32L4S9xx Electrical characteristics
252
6.3.25 Operational amplifiers characteristics
IDDA(COMP) Comparator consumption
from VDDA
Ultra-low-
power mode
Static - 400 600
nA
With 50 kHz
±100 mV overdrive
square signal
-1200-
Medium mode
Static - 5 7
µA
With 50 kHz
±100 mV overdrive
square signal
-6-
High-speed
mode
Static - 70 100
With 50 kHz
±100 mV overdrive
square signal
-75-
Ibias
Comparator input bias
current ----
(4) nA
1. Guaranteed by design, unless otherwise specified.
2. Refer to Table 25: Embedded internal voltage reference.
3. Guaranteed by characterization results.
4. Mostly I/O leakage when used in analog mode. Refer to Ilkg parameter in Table 67: I/O static characteristics.
Table 82. COMP characteristics(1) (continued)
Symbol Parameter Conditions Min Typ Max Unit
Table 83. OPAMP characteristics(1)
Symbol Parameter Conditions Min Typ Max Unit
VDDA
Analog supply
voltage -1.8-3.6V
CMIR Common mode
input range -0-V
DDA V
VIOFFSET
Input offset
voltage
25 °C, No Load on output. - - ±1.5
mV
All voltage/Temp. - - ±3
VIOFFSET
Input offset
voltage drift
Normal mode - ±5 - V/°C
Low-power mode - ±10 -
TRIMOFFSETP
TRIMLPOFFSETP
Offset trim step
at low common
input voltage
(0.1 VDDA)
--0.81.1
mV
TRIMOFFSETN
TRIMLPOFFSETN
Offset trim step
at high common
input voltage
(0.9 VDDA)
--11.35

Electrical characteristics STM32L4S5xx, STM32L4S7xx and STM32L4S9xx
208/277 DS12024 Rev 3
ILOAD Drive current
Normal mode
VDDA 2 V
- - 500
µA
Low-power mode - - 100
ILOAD_PGA
Drive current in
PGA mode
Normal mode
VDDA 2 V
- - 450
Low-power mode - - 50
RLOAD
Resistive load
(connected to
VSSA or to
VDDA)
Normal mode
VDDA < 2 V
4--
k
Low-power mode 20 - -
RLOAD_PGA
Resistive load
in PGA mode
(connected to
VSSA or to
VDDA)
Normal mode
VDDA < 2 V
4.5 - -
Low-power mode 40 - -
CLOAD Capacitive load - - - 50 pF
CMRR Common mode
rejection ratio
Normal mode - -85 -
dB
Low-power mode - -90 -
PSRR Power supply
rejection ratio
Normal mode CLOAD 50 pf,
RLOAD 4 k DC 70 85 -
dB
Low-power mode CLOAD 50 pf,
RLOAD 20 k DC 72 90 -
GBW Gain Bandwidth
Product
Normal mode VDDA 2.4 V
(OPA_RANGE = 1)
550 1600 2200
kHz
Low-power mode 100 420 600
Normal mode VDDA < 2.4 V
(OPA_RANGE = 0)
250 700 950
Low-power mode 40 180 280
SR(2)
Slew rate
(from 10 and
90% of output
voltage)
Normal mode
VDDA 2.4 V
-700-
V/ms
Low-power mode - 180 -
Normal mode
VDDA < 2.4 V
-300-
Low-power mode - 80 -
AO Open loop gain
Normal mode 55 110 -
dB
Low-power mode 45 110 -
VOHSAT(2) High saturation
voltage
Normal mode
Iload = max or Rload =
min Input at VDDA.
VDDA -
100 --
mV
Low-power mode VDDA -
50 --
VOLSAT(2) Low saturation
voltage
Normal mode Iload = max or Rload =
min Input at 0.
- - 100
Low-power mode - - 50
mPhase margin
Normal mode - 74 -
°
Low-power mode - 66 -
Table 83. OPAMP characteristics(1) (continued)
Symbol Parameter Conditions Min Typ Max Unit
DS12024 Rev 3 209/277
STM32L4S5xx, STM32L4S7xx and STM32L4S9xx Electrical characteristics
252
GM Gain margin
Normal mode - 13 -
dB
Low-power mode - 20 -
tWAKEUP
Wake up time
from OFF state.
Normal mode
CLOAD 50 pf,
RLOAD 4 k
follower
configuration
-510
µs
Low-power mode
CLOAD 50 pf,
RLOAD 20 k
follower
configuration
-1030
Ibias
OPAMP input
bias current
General purpose input (all packages
except UFBGA132 and UFBGA169 only) --
(3)
nA
Dedicated input
(UFBGA132 and
UFBGA169 only)
TJ 75 °C - - 1
TJ 85 °C - - 3
TJ 105 °C - - 8
TJ 125 °C - - 15
PGA gain(2) Non inverting
gain value -
-2-
-
-4-
-8-
-16-
Rnetwork
R2/R1 internal
resistance
values in PGA
mode(4)
PGA Gain = 2 - 80/80 -
k/k
PGA Gain = 4 - 120/
40 -
PGA Gain = 8 - 140/
20 -
PGA Gain = 16 - 150/
10 -
Delta R
Resistance
variation (R1 or
R2)
--15-15%
PGA gain error PGA gain error - -1 - 1 %
PGA BW
PGA bandwidth
for different non
inverting gain
Gain = 2 - - GBW/
2-
MHz
Gain = 4 - - GBW/
4-
Gain = 8 - - GBW/
8-
Gain = 16 - - GBW/
16 -
Table 83. OPAMP characteristics(1) (continued)
Symbol Parameter Conditions Min Typ Max Unit

Electrical characteristics STM32L4S5xx, STM32L4S7xx and STM32L4S9xx
210/277 DS12024 Rev 3
en Voltage noise
density
Normal mode at 1 kHz, Output
loaded with 4 k-500-
nV/Hz
Low-power mode at 1 kHz, Output
loaded with 20 k-600-
Normal mode at 10 kHz, Output
loaded with 4 k-180-
Low-power mode at 10 kHz, Output
loaded with 20 k-290-
IDDA(OPAMP)(2)
OPAMP
consumption
from VDDA
Normal mode no Load, quiescent
mode
- 120 260
µA
Low-power mode - 45 100
1. Guaranteed by design, unless otherwise specified.
2. Guaranteed by characterization results.
3. Mostly I/O leakage, when used in analog mode. Refer to Ilkg parameter in Table 67: I/O static characteristics.
4. R2 is the internal resistance between OPAMP output and OPAMP inverting input. R1 is the internal resistance between
OPAMP inverting input and ground. The PGA gain =1+R2/R1
Table 83. OPAMP characteristics(1) (continued)
Symbol Parameter Conditions Min Typ Max Unit
BAT
BAT
DS12024 Rev 3 211/277
STM32L4S5xx, STM32L4S7xx and STM32L4S9xx Electrical characteristics
252
6.3.26 Temperature sensor characteristics
6.3.27 VBAT monitoring characteristics
Table 84. TS characteristics
Symbol Parameter Min Typ Max Unit
TL(1)
1. Guaranteed by design.
VTS linearity with temperature - ±1 ±2 °C
Avg_Slope(2)
2. Guaranteed by characterization results.
Average slope 2.3 2.5 2.7 mV/°C
V30 Voltage at 30°C (±5 °C)(3)
3. Measured at VDDA = 3.0 V ±10 mV. The V30 ADC conversion result is stored in the TS_CAL1 byte. Refer to
Table 8: Temperature sensor calibration values.
0.742 0.76 0.785 V
tSTART
(TS_BUF)(1)
Sensor Buffer Start-up time in continuous
mode(4)
4. Continuous mode means Run/Sleep modes, or temperature sensor enable in Low-power run/Low-power
sleep modes.
- 8 15 µs
tSTART(1) Start-up time when entering in continuous
mode(4) - 70 120 µs
tS_temp(1) ADC sampling time when reading the
temperature 5--µs
IDD(TS)(1) Temperature sensor consumption from VDD,
when selected by ADC -4.77 µA
Table 85. VBAT monitoring characteristics
Symbol Parameter Min Typ Max Unit
R Resistor bridge for VBAT -39-k
QRatio on V
BAT measurement - 3 - -
Er(1)
1. Guaranteed by design.
Error on Q -10 - 10 %
tS_vbat(1) ADC sampling time when reading the VBAT 12 - - µs
Table 86. VBAT charging characteristics
Symbol Parameter Conditions Min Typ Max Unit
RBC
Battery
charging
resistor
VBRS = 0 - 5 -
k
VBRS = 1 - 1.5 -

Electrical characteristics STM32L4S5xx, STM32L4S7xx and STM32L4S9xx
212/277 DS12024 Rev 3
6.3.28 DFSDM characteristics
Unless otherwise specified, the parameters given in Table 87 for DFSDM are derived from
tests performed under the ambient temperature, fAPB2 frequency and VDD supply voltage
conditions summarized in Table 22: General operating conditions.
•Output speed is set to OSPEEDRy[1:0] = 10
•Capacitive load C = 30 pF
•Measurement points are done at CMOS levels: 0.5 x VDD
Refer to Section 6.3.17: I/O port characteristics for more details on the input/output alternate
function characteristics (DFSDM1_CKINy, DFSDM1_DATINy, DFSDM1_CKOUT for
DFSDM).
Table 87. DFSDM characteristics(1)
1. Data based on characterization results, not tested in production.
Symbol Parameter Conditions Min Typ Max Unit
fDFSDMCLK
DFSDM
clock ---f
SYSCLK
MHz
fCKIN
(1/TCKIN)
Input clock
frequency
SPI mode (SITP[1:0] =
01) -- 20
fCKOUT
Output clock
frequency ---20MHz
DuCyCKOUT
Output clock
frequency
duty cycle
-455055%
twh(CKIN)
twl(CKIN)
Input clock
high and low
time
SPI mode (SITP[1:0] =
01),
External clock mode
(SPICKSEL[1:0] = 0)
TCKIN/2-
0.5 TCKIN/2 -
ns
tsu
Data input
setup time
SPI mode
(SITP[1:0]=01),
External clock mode
(SPICKSEL[1:0] = 0)
1.5 - -
th
Data input
hold time
SPI mode
(SITP[1:0]=01),
External clock mode
(SPICKSEL[1:0] = 0)
0- -
TManchester
Manchester
data period
(recovered
clock period)
Manchester mode
(SITP[1:0] = 10 or 11),
Internal clock mode
(SPICKSEL[1:0] 0)
(CKOUT
DIV+1)
TDFSDMCLK
-
(2
CKOUTDIV)
TDFSDMCLK
Figure 16: DFSDM timing diagram
9: sp
DS12024 Rev 3 213/277
STM32L4S5xx, STM32L4S7xx and STM32L4S9xx Electrical characteristics
252
Figure 16: DFSDM timing diagram
6.3.29 Timer characteristics
The parameters given in the following tables are guaranteed by design.
Refer to Section 6.3.17: I/O port characteristics for details on the input/output alternate
function characteristics (output compare, input capture, external clock, PWM output).
06Y9
63,&.6(/
63,&.6(/
63,&.6(/
')6'0B&.287
WVX
WZO WZK WUWI
WK
WVX WK
6,73
6,73
')6'0B'$7$,1\ ')6'0B
&.,1,1\
63,&.6(/
WVX WK
WVX WK
6,73
6,73
')6'0B'$7$,1\
6,73
6,73
5HFRYHUHGFORFN
5HFRYHUHGGDWD
')6'0B'$7$,1\
0DQFKHVWHUWLPLQJ 63,WLPLQJ63,&.6(/ 63,WLPLQJ63,&.6(/
WZO WZK WUWI
Electrical characteristics STM32L4S5xx, STM32L4S7xx and STM32L4S9xx
214/277 DS12024 Rev 3
Table 88. TIMx(1) characteristics
1. TIMx, is used as a general term in which x stands for 1,2,3,4,5,6,7,8,15,16 or 17.
Symbol Parameter Conditions Min Max Unit
tres(TIM) Timer resolution time
-1-t
TIMxCLK
fTIMxCLK = 120 MHz 8.33 - ns
fEXT
Timer external clock
frequency on CH1 to
CH4
-0f
TIMxCLK/2 MHz
fTIMxCLK = 120 MHz 0 60 MHz
ResTIM Timer resolution
TIMx (except TIM2
and TIM5) -16
bit
TIM2 and TIM5 - 32
tCOUNTER
16-bit counter clock
period
- 1 65536 tTIMxCLK
fTIMxCLK = 120 MHz 0.00833 546.13 µs
tMAX_COUNT
Maximum possible
count with 32-bit
counter
- - 65536 × 65536 tTIMxCLK
fTIMxCLK = 120 MHz - 35.77 s
Table 89. IWDG min/max timeout period at 32 kHz (LSI)(1)
1. The exact timings still depend on the phasing of the APB interface clock versus the LSI clock so that there
is always a full RC period of uncertainty.
Prescaler divider PR[2:0] bits Min timeout RL[11:0]=
0x000
Max timeout RL[11:0]=
0xFFF Unit
/4 0 0.125 512
ms
/8 1 0.250 1024
/16 2 0.500 2048
/32 3 1.0 4096
/64 4 2.0 8192
/128 5 4.0 16384
/256 6 or 7 8.0 32768
Table 90. WWDG min/max timeout value at 120 MHz (PCLK)
Prescaler WDGTB Min timeout value Max timeout value Unit
1 0 0.0341 2.1845
ms
2 1 0.0683 4.3691
4 2 0.1356 8.7381
8 3 0.2731 17.4763

DS12024 Rev 3 215/277
STM32L4S5xx, STM32L4S7xx and STM32L4S9xx Electrical characteristics
252
6.3.30 Communication interfaces characteristics
I2C interface characteristics
The I2C interface meets the timings requirements of the I2C-bus specification and user
manual rev. 03 for:
•Standard-mode (Sm): with a bit rate up to 100 kbit/s
•Fast-mode (Fm): with a bit rate up to 400 kbit/s
•Fast-mode Plus (Fm+): with a bit rate up to 1 Mbit/s.
The I2C timings requirements are guaranteed by design when the I2C peripheral is properly
configured (refer to RM0351 reference manual).
The SDA and SCL I/O requirements are met with the following restrictions: the SDA and
SCL I/O pins are not “true” open-drain. When configured as open-drain, the PMOS
connected between the I/O pin and VDDIOx is disabled, but is still present. Only FT_f I/O pins
support Fm+ low level output current maximum requirement. Refer to Section 6.3.17: I/O
port characteristics for the I2C I/Os characteristics.
All I2C SDA and SCL I/Os embed an analog filter. Refer to Table 91 below for the analog
filter characteristics:
Table 91. I2C analog filter characteristics(1)
1. Guaranteed by design.
Symbol Parameter Min Max Unit
tAF
Maximum pulse width of spikes that
are suppressed by the analog filter 50(2)
2. Spikes with widths below tAF(min) are filtered.
260(3)
3. Spikes with widths above tAF(max) are not filtered
ns

Electrical characteristics STM32L4S5xx, STM32L4S7xx and STM32L4S9xx
216/277 DS12024 Rev 3
SPI characteristics
Unless otherwise specified, the parameters given in Table 92 for SPI are derived from tests
performed under the ambient temperature, fPCLKx frequency and supply voltage conditions
summarized in Table 22: General operating conditions.
•Output speed is set to OSPEEDRy[1:0] = 11
•Capacitive load C = 30 pF
•Measurement points are done at CMOS levels: 0.5 x VDD
Refer to Section 6.3.17: I/O port characteristics for more details on the input/output alternate
function characteristics (NSS, SCK, MOSI, MISO for SPI).
Table 92. SPI characteristics(1)
Symbol Parameter Conditions Min Typ Max(2) Unit
fSCK
1/tc(SCK)
SPI clock frequency
Master mode
2.7 V < VDD < 3.6 V
Voltage Range V1
--
60
MHz
Master mode
1.71 V < VDD < 3.6 V
Voltage Range V1
46
Master transmitter mode
1.71 V < VDD < 3.6 V
Voltage Range V1
60
Slave receiver mode
1.71 V < VDD < 3.6 V
Voltage Range V1
60
Slave mode transmitter/full duplex
2.7 V < VDD < 3.6 V
Voltage Range V1
33
Slave mode transmitter/full duplex
1.71 V < VDD < 3.6 V
Voltage Range V1
21
1.71 V < VDD < 3.6 V
Voltage Range V2 13
1.08 V < VDD < 1.32 V(3) 12
tsu(NSS) NSS setup time Slave mode, SPI prescaler = 2 4TPCLK --ns
th(NSS) NSS hold time Slave mode, SPI prescaler = 2 2TPCLK --ns
tw(SCKH)
tw(SCKL)
SCK high and low time Master mode TPCLK-1 TPCLK TPCLK+1 ns
tsu(MI) Data input setup time
Master mode 1 - -
ns
tsu(SI) Slave mode 2.5 - -
th(MI) Data input hold time
Master mode 6 - -
ns
th(SI) Slave mode 5.5 - -
ta(SO) Data output access time Slave mode 9 - 34 ns
DS12024 Rev 3 217/277
STM32L4S5xx, STM32L4S7xx and STM32L4S9xx Electrical characteristics
252
Figure 39. SPI timing diagram - slave mode and CPHA = 0
tdis(SO) Data output disable time Slave mode 9 - 16 ns
tv(SO) Data output valid time
Slave mode
2.7 V < VDD < 3.6 V
Voltage Range V1
-1315
ns
Slave mode
1.71 V < VDD < 3.6 V
Voltage Range V1
-1023
Slave mode
1.71 V < VDD < 3.6 V
Voltage Range V2
-1325
Slave mode
1.08 V < VDD < 1.32 V(3) -2939
tv(MO) Master mode - 2 4
th(SO) Data output hold time
Slave mode 1.71 V < VDD < 3.6 V 7 - -
Slave mode 1.08 < VDD < 1.32 V(3) 26 - -
th(MO) Master mode 1 - -
1. Guaranteed by characterization results.
2. The maximum frequency in Slave transmitter mode is determined by the sum of tv(SO) and tsu(MI) which has to fit into
SCK low or high-phase preceding the SCK sampling edge. This value can be achieved when the SPI communicates with a
master having tsu(MI) = 0 while Duty(SCK) = 50%.
3. SPI mapped on Port G.
Table 92. SPI characteristics(1) (continued)
Symbol Parameter Conditions Min Typ Max(2) Unit
MSv41658V1
NSS input
CPHA=0
CPOL=0
SCK input
CPHA=0
CPOL=1
MISO output
MOSI input
tsu(SI)
th(SI)
tw(SCKL)
tw(SCKH)
tc(SCK)
tr(SCK)
th(NSS)
tdis(SO)
tsu(NSS)
ta(SO) tv(SO)
Next bits IN
Last bit OUT
First bit IN
First bit OUT Next bits OUT
th(SO) tf(SCK)
Last bit IN
Electrical characteristics STM32L4S5xx, STM32L4S7xx and STM32L4S9xx
218/277 DS12024 Rev 3
Figure 40. SPI timing diagram - slave mode and CPHA = 1
1. Measurement points are done at CMOS levels: 0.3 VDD and 0.7 VDD.
Figure 41. SPI timing diagram - master mode
1. Measurement points are done at CMOS levels: 0.3 VDD and 0.7 VDD.
MSv41659V1
NSS input
CPHA=1
CPOL=0
SCK input
CPHA=1
CPOL=1
MISO output
MOSI input
tsu(SI) th(SI)
tw(SCKL)
tw(SCKH)
tsu(NSS)
tc(SCK)
ta(SO) tv(SO)
First bit OUT Next bits OUT
Next bits IN
Last bit OUT
th(SO) tr(SCK)
tf(SCK) th(NSS)
tdis(SO)
First bit IN Last bit IN
ai14136c
SCK Output
CPHA= 0
MOSI
OUTPUT
MISO
INP UT
CPHA= 0
LSB OUT
LSB IN
CPOL=0
CPOL=1
B I T1 OUT
NSS input
tc(SCK)
tw(SCKH)
tw(SCKL)
tr(SCK)
tf(SCK)
th(MI)
High
SCK Output
CPHA=1
CPHA=1
CPOL=0
CPOL=1
tsu(MI)
tv(MO) th(MO)
MSB IN BIT6 IN
MSB OUT

DS12024 Rev 3 219/277
STM32L4S5xx, STM32L4S7xx and STM32L4S9xx Electrical characteristics
252
SAI characteristics
Unless otherwise specified, the parameters given in Table 93 for SAI are derived from tests
performed under the ambient temperature, fPCLKx frequency and VDD supply voltage condi-
tions summarized inTable 22: General operating conditions, with the following configuration:
•Output speed is set to OSPEEDRy[1:0] = 10
•Capacitive load C = 30 pF
•Measurement points are done at CMOS levels: 0.5 x VDD
Refer to Section 6.3.17: I/O port characteristics for more details on the input/output alternate
function characteristics (CK,SD,FS).

Electrical characteristics STM32L4S5xx, STM32L4S7xx and STM32L4S9xx
220/277 DS12024 Rev 3
Table 93. SAI characteristics(1)
Symbol Parameter Conditions Min Max Unit
fMCLK SAI Main clock output - - 50 MHz
fCK SAI clock frequency(2)
Master transmitter
2.7 V VDD 3.6 V
Voltage Range 1
-23.5
MHz
Master transmitter
1.71 V VDD 3.6 V
Voltage Range 1
-16
Master receiver
Voltage Range 1 -16
Slave transmitter
2.7 V VDD 3.6 V
Voltage Range 1
-26
Slave transmitter
1.71 V VDD 3.6 V
Voltage Range 1
-20
Slave receiver
Voltage Range 1 -25
Voltage Range 2 - 13
1.08 V VDD 1.32 V - 9
tv(FS) FS valid time
Master mode
2.7 V VDD 3.6 V -21
ns
Master mode
1.71 V VDD 3.6 V -30
th(FS) FS hold time Master mode 10 - ns
tsu(FS) FS setup time Slave mode 1.5 - ns
th(FS) FS hold time Slave mode 2.5 - ns
tsu(SD_A_MR) Data input setup time
Master receiver 1 -
ns
tsu(SD_B_SR) Slave receiver 1.5 -
th(SD_A_MR) Data input hold time
Master receiver 6.5 -
ns
th(SD_B_SR) Slave receiver 2.5 -
tv(SD_B_ST) Data output valid time
Slave transmitter (after enable edge)
2.7 V VDD 3.6 V -19
ns
Slave transmitter (after enable edge)
1.71 V VDD 3.6 V -25
Slave transmitter (after enable edge)
1.08 V < VDD <1.32 V -50
th(SD_B_ST) Data output hold time Slave transmitter (after enable edge) 10 - ns
DS12024 Rev 3 221/277
STM32L4S5xx, STM32L4S7xx and STM32L4S9xx Electrical characteristics
252
Figure 42. SAI master timing waveforms
Figure 43. SAI slave timing waveforms
tv(SD_A_MT) Data output valid time
Master transmitter (after enable edge)
2.7 V VDD 3.6 V -17
ns
Master transmitter (after enable edge)
1.71 V VDD 3.6 V -25
Master transmitter (after enable edge)
1.08 V VDD 1.32 V -52
th(SD_A_MT) Data output hold time Master transmitter (after enable edge) 10 - ns
1. Guaranteed by characterization results.
2. APB clock frequency must be at least twice SAI clock frequency.
Table 93. SAI characteristics(1) (continued)
Symbol Parameter Conditions Min Max Unit
MS32771V1
SAI_SCK_X
SAI_FS_X
(output)
1/fSCK
SAI_SD_X
(transmit)
tv(FS)
Slot n
SAI_SD_X
(receive)
th(FS)
Slot n+2
tv(SD_MT) th(SD_MT)
Slot n
tsu(SD_MR) th(SD_MR)
MS32772V1
SAI_SCK_X
SAI_FS_X
(input)
SAI_SD_X
(transmit)
tsu(FS)
Slot n
SAI_SD_X
(receive)
tw(CKH_X) th(FS)
Slot n+2
tv(SD_ST) th(SD_ST)
Slot n
tsu(SD_SR)
tw(CKL_X)
th(SD_SR)
1/fSCK

Electrical characteristics STM32L4S5xx, STM32L4S7xx and STM32L4S9xx
222/277 DS12024 Rev 3
USB OTG full speed (FS) characteristics
The device’s USB interface is fully compliant with the USB specification version 2.0 and is
USB-IF certified (for Full-speed device operation).
Note: When VBUS sensing feature is enabled, PA9 should be left at its default state (floating
input), not as alternate function. A typical 200 μA current consumption of the sensing block
(current to voltage conversion to determine the different sessions) can be observed on PA9
when the feature is enabled.
Table 94. USB electrical characteristics
Symbol Parameter Conditions Min(1)
1. All the voltages are measured from the local ground potential.
Typ Max(1) Unit
VDDUSB
USB OTG full speed
transceiver operating
voltage
-3.0
(2)
2. The STM32L4S5xx USB OTG full speed transceiver functionality is ensured down to 2.7 V but not the full
USB full speed electrical characteristics which are degraded in the 2.7-to-3.0 V VDD voltage range.
-3.6
V
VDI(3)
3. Guaranteed by design.
Differential input sensitivity Over VCM
range 0.2 - -
VCM(3) Differential input common
mode range
Includes VDI
range 0.8 - 2.5
VSE(3) Single ended receiver input
threshold - 0.8 - 2.0
VOL Static output level low RL of 1.5 k to
3.6 V(4)
4. RL is the load connected on the USB OTG full speed drivers.
--0.3
VOH Static output level high RL of 15 k to
3.6 V(4) 2.8 - 3.6
RPD(3) Pull down resistor on PA11,
PA12 (USB_FS_DP/DM) VIN = VDD 14.25 - 24.8
k
RPU(3)
Pull Up Resistor on PA12
(USB_FS_DP)
VIN = VSS
during idle 0.9 1.25 1.575
Pull Up Resistor on PA12
(USB_FS_DP)
VIN = VSS
during reception 1.425 2.25 3.09
Pull Up Resistor on PA10
(OTG_FS_ID) ---14.5
K
DS12024 Rev 3 223/277
STM32L4S5xx, STM32L4S7xx and STM32L4S9xx Electrical characteristics
252
Figure 44. USB OTG timings – definition of data signal rise and fall time
Table 95. USB OTG electrical characteristics(1)
1. Guaranteed by design
Driver characteristics
Symbol Parameter Conditions Min Max Unit
trLS Rise time in LS(2)
2. Measured from 10% to 90% of the data signal. For more detailed informations, please refer to USB
Specification - Chapter 7 (version 2.0).
CL = 200 to 600 pF 75 300 ns
tfLS Fall time in LS(2)
trfmLS Rise/ fall time matching in LS tr / tf80 125 %
trFS Rise time in FS(2) CL = 50 pF
420ns
tfFS Fall time in FS(2) CL = 50 pF
trfmFS Rise/ fall time matching in FS tr / tf90 111 %
VCRS
Output signal crossover voltage
(LS/FS) -1.32.0V
ZDRV Output driver impedance(3)
3. No external termination series resistors are required on DP (D+) and DM (D-) pins since the matching
impedance is included in the embedded driver.
Driving high or low 28 44
Table 96. USB BCD DC electrical characteristics(1)
Driver characteristics
Symbol Parameter Conditions Min Typ Max Unit
IDD(USBBCD)
Primary detection mode
consumption ---
300 A
Secondary detection mode
consumption ---
RDAT_LKG Data line leakage resistance -300 - - k
VDAT_LKG Data line leakage voltage - 0.0 - 3.6 V
RDCP_DAT Dedicated charging port
resistance across D+/D- ---200
VLGC_HI Logic high -2.0 - 3.6 V
VLGC_LOW Logic low - - - 0.8 V
ai14137b
Cross over
points
Differential
data lines
VCRS
VSS
tftr
Electrical characteristics STM32L4S5xx, STM32L4S7xx and STM32L4S9xx
224/277 DS12024 Rev 3
CAN (controller area network) interface
Refer to Section 6.3.17: I/O port characteristics for more details on the input/output alternate
function characteristics (CAN_TX and CAN_RX).
6.3.31 FSMC characteristics
Unless otherwise specified, the parameters given in Table 97 to Table 110 for the FMC
interface are derived from tests performed under the ambient temperature, fHCLK frequency
and VDD supply voltage conditions summarized in Table 22, with the following configuration:
•Output speed is set to OSPEEDRy[1:0] = 11
•Capacitive load C = 30 pF
•Measurement points are done at CMOS levels: 0.5 x VDD
Refer to Section 6.3.17: I/O port characteristics for more details on the input/output
characteristics.
Asynchronous waveforms and timings
Figure 45 through Figure 48 represent asynchronous waveforms and Table 97 through
Table 104 provide the corresponding timings. The results shown in these tables are
obtained with the following FMC configuration:
•AddressSetupTime = 0x1
•AddressHoldTime = 0x1
•DataHoldTime = 0x1
•ByteLaneSetup = 0x1
•DataSetupTime = 0x1 (except for asynchronous NWAIT mode, DataSetupTime = 0x5)
•BusTurnAroundDuration = 0x0
In all timing tables, the THCLK is the HCLK clock period.
VLGC Logic threshold - 0.8 - 2.0 V
VDAT_REF Data detect voltage - 0.25 - 0.4 V
VDP_SRC D+ source voltage - 0.5 - 0.7 V
VDM_SRC D- source voltage - 0.5 - 0.7 V
IDP_SINK D+ sink current - 25 - 175 A
IDM_SINK D- sink current - 25 - 175 A
1. Guaranteed by design
Table 96. USB BCD DC electrical characteristics(1) (continued)
Driver characteristics
Symbol Parameter Conditions Min Typ Max Unit
{
RR
T
DS12024 Rev 3 225/277
STM32L4S5xx, STM32L4S7xx and STM32L4S9xx Electrical characteristics
252
Figure 45. Asynchronous non-multiplexed SRAM/PSRAM/NOR read waveforms
Data
FMC_NE
FMC_NBL[1:0]
FMC_D[15:0]
t
v(BL_NE)
th(Data_NE)
FMC_NOE
Address
FMC_A[25:0]
t
v(A_NE)
FMC_NWE
tsu(Data_NE)
tw(NE)
MS32753V1
w(NOE)
ttv(NOE_NE) th(NE_NOE)
th(Data_NOE)
th(A_NOE)
th(BL_NOE)
tsu(Data_NOE)
FMC_NADV (1)
tv(NADV_NE)
tw(NADV)
FMC_NWAIT
tsu(NWAIT_NE)
th(NE_NWAIT)
Electrical characteristics STM32L4S5xx, STM32L4S7xx and STM32L4S9xx
226/277 DS12024 Rev 3
Table 97. Asynchronous non-multiplexed SRAM/PSRAM/NOR read timings(1)(2)
1. CL = 30 pF.
2. Guaranteed by characterization results.
Symbol Parameter Min Max Unit
tw(NE) FMC_NE low time 3THCLK-0.5 3THCLK+1
ns
tv(NOE_NE) FMC_NEx low to FMC_NOE low 0 1
tw(NOE) FMC_NOE low time 2THCLK-0.5 2THCLK+1
th(NE_NOE) FMC_NOE high to FMC_NE high hold time THCLK -
tv(A_NE) FMC_NEx low to FMC_A valid - 1
th(A_NOE) Address hold time after FMC_NOE high 2THCLK-1 -
tsu(Data_NE) Data to FMC_NEx high setup time THCLK+14 -
tsu(Data_NOE) Data to FMC_NOEx high setup time 14 -
th(Data_NOE) Data hold time after FMC_NOE high 0 -
th(Data_NE) Data hold time after FMC_NEx high 0 -
tv(NADV_NE) FMC_NEx low to FMC_NADV low - 0
tw(NADV) FMC_NADV low time - THCLK+1.5
Table 98. Asynchronous non-multiplexed SRAM/PSRAM/NOR read-NWAIT
timings(1)(2)
1. CL = 30 pF.
2. Guaranteed by characterization results.
Symbol Parameter Min Max Unit
tw(NE) FMC_NE low time 8THCLK-0.5 8THCLK+1
ns
tw(NOE) FMC_NWE low time 7THCLK-0.5 7THCLK+0.5
tw(NWAIT) FMC_NWAIT low time THCLK -
tsu(NWAIT_NE) FMC_NWAIT valid before FMC_NEx high 5THCLK+12.5 -
th(NE_NWAIT) FMC_NEx hold time after FMC_NWAIT invalid 4THCLK+12 -
DS12024 Rev 3 227/277
STM32L4S5xx, STM32L4S7xx and STM32L4S9xx Electrical characteristics
252
Figure 46. Asynchronous non-multiplexed SRAM/PSRAM/NOR write waveforms
Table 99. Asynchronous non-multiplexed SRAM/PSRAM/NOR write timings(1)(2)
1. CL = 30 pF.
2. Guaranteed by characterization results.
Symbol Parameter Min Max Unit
tw(NE) FMC_NE low time 4THCLK-0.5 4THCLK+1
ns
tv(NWE_NE) FMC_NEx low to FMC_NWE low THCLK-0.5 THCLK+1
tw(NWE) FMC_NWE low time THCLK-0.5 THCLK+1
th(NE_NWE) FMC_NWE high to FMC_NE high hold time 2THCLK-0.5 -
tv(A_NE) FMC_NEx low to FMC_A valid - 0
th(A_NWE) Address hold time after FMC_NWE high 2THCLK-1 -
tv(BL_NE) FMC_NEx low to FMC_BL valid - THCLK
th(BL_NWE) FMC_BL hold time after FMC_NWE high 2THCLK-0.5 -
tv(Data_NE) Data to FMC_NEx low to Data valid - THCLK+3
th(Data_NWE) Data hold time after FMC_NWE high 2THCLK+1 -
tv(NADV_NE) FMC_NEx low to FMC_NADV low - 1
tw(NADV) FMC_NADV low time - THCLK+1.5
NBL
Data
FMC_NEx
FMC_NBL[1:0]
FMC_D[15:0]
t
v(BL_NE)
th(Data_NWE)
FMC_NOE
Address
FMC_A[25:0]
t
v(A_NE)
tw(NWE)
FMC_NWE
tv(NWE_NE) th(NE_NWE)
th(A_NWE)
th(BL_NWE)
tv(Data_NE)
tw(NE)
MS32754V1
FMC_NADV (1)
tv(NADV_NE)
tw(NADV)
FMC_NWAIT
tsu(NWAIT_NE)
th(NE_NWAIT)

Electrical characteristics STM32L4S5xx, STM32L4S7xx and STM32L4S9xx
228/277 DS12024 Rev 3
Figure 47. Asynchronous multiplexed PSRAM/NOR read waveforms
Table 100. Asynchronous non-multiplexed SRAM/PSRAM/NOR write-NWAIT
timings(1)(2)
1. CL = 30 pF.
2. Guaranteed by characterization results.
Symbol Parameter Min Max Unit
tw(NE) FMC_NE low time 9THCLK-0.5 9THCLK+1.5
ns
tw(NWE) FMC_NWE low time 6THCLK-0.5 6THCLK+1
tsu(NWAIT_NE) FMC_NWAIT valid before FMC_NEx high 7THCLK-13 -
th(NE_NWAIT) FMC_NEx hold time after FMC_NWAIT invalid 5THCLK+13 -
NBL
Data
FMC_ NBL[1:0]
FMC_ AD[15:0]
t
v(BL_NE)
th(Data_NE)
Address
FMC_ A[25:16]
t
v(A_NE)
FMC_NWE
tv(A_NE)
MS32755V1
Address
FMC_NADV
tv(NADV_NE)
tw(NADV)
tsu(Data_NE)
t
h(AD_NADV)
FMC_ NE
FMC_NOE
tw(NE)
tw(NOE)
tv(NOE_NE) th(NE_NOE)
th(A_NOE)
th(BL_NOE)
tsu(Data_NOE) th(Data_NOE)
FMC_NWAIT
tsu(NWAIT_NE)
th(NE_NWAIT)

DS12024 Rev 3 229/277
STM32L4S5xx, STM32L4S7xx and STM32L4S9xx Electrical characteristics
252
Table 101. Asynchronous multiplexed PSRAM/NOR read timings(1)(2)
1. CL = 30 pF.
2. Guaranteed by characterization results.
Symbol Parameter Min Max Unit
tw(NE) FMC_NE low time 4THCLK-0.5 4THCLK+1
ns
tv(NOE_NE) FMC_NEx low to FMC_NOE low 2THCLK-0.5 2THCLK+1
tw(NOE) FMC_NOE low time THCLK-0.5 THCLK+0.5
th(NE_NOE) FMC_NOE high to FMC_NE high hold time THCLK-1 -
tv(A_NE) FMC_NEx low to FMC_A valid - 3
tv(NADV_NE) FMC_NEx low to FMC_NADV low 0.5 1.5
tw(NADV) FMC_NADV low time THCLK THCLK+1.5
th(AD_NADV)
FMC_AD(address) valid hold time after
FMC_NADV high THCLK-3 -
th(A_NOE) Address hold time after FMC_NOE high 0 -
tsu(Data_NE) Data to FMC_NEx high setup time THCLK+14 -
tsu(Data_NOE) Data to FMC_NOE high setup time 14 -
th(Data_NE) Data hold time after FMC_NEx high 0 -
th(Data_NOE) Data hold time after FMC_NOE high 0 -
Table 102. Asynchronous multiplexed PSRAM/NOR read-NWAIT timings(1)(2)
1. CL = 30 pF.
2. Guaranteed by characterization results.
Symbol Parameter Min Max Unit
tw(NE) FMC_NE low time 9THCLK-0.5 9THCLK+ 1
ns
tw(NOE) FMC_NWE low time 6THCLK-0.5 6THCLK+1
tsu(NWAIT_NE) FMC_NWAIT valid before FMC_NEx high 5THCLK+12 -
th(NE_NWAIT) FMC_NEx hold time after FMC_NWAIT invalid 4THCLK+11 -
Electrical characteristics STM32L4S5xx, STM32L4S7xx and STM32L4S9xx
230/277 DS12024 Rev 3
Figure 48. Asynchronous multiplexed PSRAM/NOR write waveforms
Table 103. Asynchronous multiplexed PSRAM/NOR write timings(1)(2)
Symbol Parameter Min Max Unit
tw(NE) FMC_NE low time 5THCLK-0.5 5THCLK+1
ns
tv(NWE_NE) FMC_NEx low to FMC_NWE low THCLK-0.5 THCLK+1
tw(NWE) FMC_NWE low time 2THCLK-0.5 2THCLK+0.5
th(NE_NWE) FMC_NWE high to FMC_NE high hold time 2THCLK-0.5 -
tv(A_NE) FMC_NEx low to FMC_A valid - 3
tv(NADV_NE) FMC_NEx low to FMC_NADV low 0 1
tw(NADV) FMC_NADV low time THCLK+0.5 THCLK+1.5
th(AD_NADV)
FMC_AD(adress) valid hold time after
FMC_NADV high THCLK-3 -
th(A_NWE) Address hold time after FMC_NWE high 0 -
th(BL_NWE) FMC_BL hold time after FMC_NWE high 2THCLK-0.5 -
tv(BL_NE) FMC_NEx low to FMC_BL valid - THCLK
tv(Data_NADV) FMC_NADV high to Data valid - THCLK+2
th(Data_NWE) Data hold time after FMC_NWE high 2THCLK+0.5 -
NBL
Data
FMC_ NEx
FMC_ NBL[1:0]
FMC_ AD[15:0]
t
v(BL_NE)
th(Data_NWE)
FMC_NOE
Address
FMC_ A[25:16]
t
v(A_NE)
tw(NWE)
FMC_NWE
tv(NWE_NE) th(NE_NWE)
th(A_NWE)
th(BL_NWE)
tv(A_NE)
tw(NE)
MS32756V1
Address
FMC_NADV
tv(NADV_NE)
tw(NADV)
tv(Data_NADV)
t
h(AD_NADV)
FMC_NWAIT
tsu(NWAIT_NE)
th(NE_NWAIT)

DS12024 Rev 3 231/277
STM32L4S5xx, STM32L4S7xx and STM32L4S9xx Electrical characteristics
252
Synchronous waveforms and timings
Figure 49 through Figure 52 represent synchronous waveforms and Table 105
through Table 108 provide the corresponding timings. The results shown in these
tables are obtained with the following FMC configuration:
•BurstAccessMode = FMC_BurstAccessMode_Enable
•MemoryType = FMC_MemoryType_CRAM
•WriteBurst = FMC_WriteBurst_Enable
•CLKDivision = 1
•DataLatency = 1 for NOR Flash; DataLatency = 0 for PSRAM
In all timing tables, the THCLK is the HCLK clock period.
•For 2.7 V VDD 3.6 V, maximum FMC_CLK = 60 MHz for CLKDIV = 0x1 and 54 MHz
for CLKDIV = 0x0 at CL = 30 pF (on FMC_CLK).
•For 1.71 V VDD 2.7 V, maximum FMC_CLK = 60 MHz for CLKDIV = 0x1 and
32 MHz for CLKDIV = 0x0 at CL= 20 pF (on FMC_CLK).
1. CL = 30 pF.
2. Guaranteed by characterization results.
Table 104. Asynchronous multiplexed PSRAM/NOR write-NWAIT timings(1)(2)
1. CL = 30 pF.
2. Guaranteed by characterization results.
Symbol Parameter Min Max Unit
tw(NE) FMC_NE low time 10THCLK-0.5 10THCLK+1
ns
tw(NWE) FMC_NWE low time 7THCLK-0.5 7THCLK+0.5
tsu(NWAIT_NE) FMC_NWAIT valid before FMC_NEx high 7THCLK+12.5 -
th(NE_NWAIT) FMC_NEx hold time after FMC_NWAIT invalid 5THCLK+13 -
M332757w
Electrical characteristics STM32L4S5xx, STM32L4S7xx and STM32L4S9xx
232/277 DS12024 Rev 3
Figure 49. Synchronous multiplexed NOR/PSRAM read timings
FMC_CLK
FMC_NEx
FMC_NADV
FMC_A[25:16]
FMC_NOE
FMC_AD[15:0] AD[15:0] D1 D2
FMC_NWAIT
(WAITCFG = 1b,
WAITPOL + 0b)
FMC_NWAIT
(WAITCFG = 0b,
WAITPOL + 0b)
tw(CLK) tw(CLK)
Data latency = 0
BUSTURN = 0
td(CLKL-NExL) td(CLKH-NExH)
td(CLKL-NADVL)
td(CLKL-AV)
td(CLKL-NADVH)
td(CLKH-AIV)
td(CLKL-NOEL) td(CLKH-NOEH)
td(CLKL-ADV)
td(CLKL-ADIV)
tsu(ADV-CLKH)
th(CLKH-ADV)
tsu(ADV-CLKH) th(CLKH-ADV)
tsu(NWAITV-CLKH) th(CLKH-NWAITV)
tsu(NWAITV-CLKH) th(CLKH-NWAITV)
tsu(NWAITV-CLKH) th(CLKH-NWAITV)
MS32757V1
DS12024 Rev 3 233/277
STM32L4S5xx, STM32L4S7xx and STM32L4S9xx Electrical characteristics
252
Table 105. Synchronous multiplexed NOR/PSRAM read timings(1)(2)(3)
1. CL = 30 pF.
2. Guaranteed by characterization results.
3. Clock ratio R = (HCLK period /FMC_CLK period).
Symbol Parameter Min Max Unit
tw(CLK) FMC_CLK period RxTHCLK-0.5 -
ns
td(CLKL-NExL) FMC_CLK low to FMC_NEx low (x=0..2) - 2.5
td(CLKH_NExH) FMC_CLK high to FMC_NEx high (x= 0…2) RxTHCLK/2 +1 -
td(CLKL-NADVL) FMC_CLK low to FMC_NADV low - 2.5
td(CLKL-NADVH) FMC_CLK low to FMC_NADV high 2 -
td(CLKL-AV) FMC_CLK low to FMC_Ax valid (x=16…25) - 5.5
td(CLKH-AIV) FMC_CLK high to FMC_Ax invalid (x=16…25) RxTHCLK/2 +1 -
td(CLKL-NOEL) FMC_CLK low to FMC_NOE low - 2
td(CLKH-NOEH) FMC_CLK high to FMC_NOE high RxTHCLK/2 +1 -
td(CLKL-ADV) FMC_CLK low to FMC_AD[15:0] valid - 3
td(CLKL-ADIV) FMC_CLK low to FMC_AD[15:0] invalid 0 -
tsu(ADV-CLKH) FMC_A/D[15:0] valid data before FMC_CLK high 2 -
th(CLKH-ADV) FMC_A/D[15:0] valid data after FMC_CLK high 4 -
tsu(NWAIT-CLKH) FMC_NWAIT valid before FMC_CLK high 1.5 -
th(CLKH-NWAIT) FMC_NWAIT valid after FMC_CLK high 4 -
Electrical characteristics STM32L4S5xx, STM32L4S7xx and STM32L4S9xx
234/277 DS12024 Rev 3
Figure 50. Synchronous multiplexed PSRAM write timings
06Y9
)0&B&/.
)0&B1([
)0&B1$'9
)0&B$>@
)0&B1:(
)0&B$'>@ $'>@ ' '
)0&B1:$,7
:$,7&)* E
:$,732/E
WZ&/. WZ&/.
'DWDODWHQF\
%867851
WG&/./1([/ WG&/.+1([+
WG&/./1$'9/
WG&/./$9
WG&/./1$'9+
WG&/.+$,9
WG&/.+1:(+
WG&/./1:(/
WG&/.+1%/+
WG&/./$'9
WG&/./$',9 WG&/./'DWD
WVX1:$,79&/.+ WK&/.+1:$,79
WG&/./'DWD
)0&B1%/
DS12024 Rev 3 235/277
STM32L4S5xx, STM32L4S7xx and STM32L4S9xx Electrical characteristics
252
Table 106. Synchronous multiplexed PSRAM write timings(1)(2)(3)
1. CL = 30 pF.
2. Guaranteed by characterization results.
3. Clock ratio R = (HCLK period /FMC_CLK period).
Symbol Parameter Min Max Unit
tw(CLK) FMC_CLK period RxTHCLK- 0.5 -
ns
td(CLKL-NExL) FMC_CLK low to FMC_NEx low (x=0..2) - 2.5
td(CLKH-NExH) FMC_CLK high to FMC_NEx high (x= 0…2) RxTHCLK/2 +1 -
td(CLKL-NADVL) FMC_CLK low to FMC_NADV low - 2.5
td(CLKL-NADVH) FMC_CLK low to FMC_NADV high 2 -
td(CLKL-AV) FMC_CLK low to FMC_Ax valid (x=16…25) - 5.5
td(CLKH-AIV) FMC_CLK high to FMC_Ax invalid (x=16…25) RxTHCLK/2 +1 -
td(CLKL-NWEL) FMC_CLK low to FMC_NWE low - 2
td(CLKH-NWEH) FMC_CLK high to FMC_NWE high RxTHCLK/2 +1 -
td(CLKL-ADV) FMC_CLK low to FMC_AD[15:0] valid - 3
td(CLKL-ADIV) FMC_CLK low to FMC_AD[15:0] invalid 0 -
td(CLKL-DATA) FMC_A/D[15:0] valid data after FMC_CLK low - 3.5
td(CLKL-NBLL) FMC_CLK low to FMC_NBL low 1 -
td(CLKH-NBLH) FMC_CLK high to FMC_NBL high RxTHCLK/2 +1.5 -
tsu(NWAIT-CLKH) FMC_NWAIT valid before FMC_CLK high 1.5 -
th(CLKH-NWAIT) FMC_NWAIT valid after FMC_CLK high 4 -
Electrical characteristics STM32L4S5xx, STM32L4S7xx and STM32L4S9xx
236/277 DS12024 Rev 3
Figure 51. Synchronous non-multiplexed NOR/PSRAM read timings
Table 107. Synchronous non-multiplexed NOR/PSRAM read timings(1)(2)(3)
Symbol Parameter Min Max Unit
tw(CLK) FMC_CLK period RxTHCLK -0.5 -
ns
td(CLKL-NExL) FMC_CLK low to FMC_NEx low (x=0..2) - 2.5
td(CLKH-NExH) FMC_CLK high to FMC_NEx high (x= 0…2) RxTHCLK/2 +1 -
td(CLKL-NADVL) FMC_CLK low to FMC_NADV low - 2.5
td(CLKL-NADVH) FMC_CLK low to FMC_NADV high 2 -
td(CLKL-AV) FMC_CLK low to FMC_Ax valid (x=16…25) - 5.5
td(CLKH-AIV) FMC_CLK high to FMC_Ax invalid (x=16…25) RxTHCLK/2 +0.5 -
td(CLKL-NOEL) FMC_CLK low to FMC_NOE low - 2
td(CLKH-NOEH) FMC_CLK high to FMC_NOE high RxTHCLK/2 +1 -
tsu(DV-CLKH) FMC_D[15:0] valid data before FMC_CLK high 2 -
th(CLKH-DV) FMC_D[15:0] valid data after FMC_CLK high 4 -
FMC_CLK
FMC_NEx
FMC_A[25:0]
FMC_NOE
FMC_D[15:0] D1 D2
FMC_NWAIT
(WAITCFG = 1b,
WAITPOL + 0b)
FMC_NWAIT
(WAITCFG = 0b,
WAITPOL + 0b)
tw(CLK) tw(CLK)
Data latency = 0
td(CLKL-NExL) td(CLKH-NExH)
td(CLKL-AV) td(CLKH-AIV)
td(CLKL-NOEL) td(CLKH-NOEH)
tsu(DV-CLKH) th(CLKH-DV)
tsu(DV-CLKH) th(CLKH-DV)
tsu(NWAITV-CLKH) th(CLKH-NWAITV)
tsu(NWAITV-CLKH) th(CLKH-NWAITV)
tsu(NWAITV-CLKH) th(CLKH-NWAITV)
MS32759V1
FMC_NADV
td(CLKL-NADVL) td(CLKL-NADVH)
DS12024 Rev 3 237/277
STM32L4S5xx, STM32L4S7xx and STM32L4S9xx Electrical characteristics
252
Figure 52. Synchronous non-multiplexed PSRAM write timings
tsu(NWAIT-CLKH) FMC_NWAIT valid before FMC_CLK high 1.5 -
ns
th(CLKH-NWAIT) FMC_NWAIT valid after FMC_CLK high 4 -
1. CL = 30 pF.
2. Guaranteed by characterization results.
3. Clock ratio R = (HCLK period /FMC_CLK period).
Table 107. Synchronous non-multiplexed NOR/PSRAM read timings(1)(2)(3)
Symbol Parameter Min Max Unit
06Y9
)0&B&/.
)0&B1([
)0&B$>@
)0&B1:(
)0&B'>@ ' '
)0&B1:$,7
:$,7&)* E:$,732/E
WZ&/. WZ&/.
'DWDODWHQF\
WG&/./1([/ WG&/.+1([+
WG&/./$9 WG&/.+$,9
WG&/.+1:(+
WG&/./1:(/
WG&/./'DWD
WVX1:$,79&/.+
WK&/.+1:$,79
)0&B1$'9
WG&/./1$'9/ WG&/./1$'9+
WG&/./'DWD
)0&B1%/
WG&/.+1%/+
Electrical characteristics STM32L4S5xx, STM32L4S7xx and STM32L4S9xx
238/277 DS12024 Rev 3
NAND controller waveforms and timings
Figure 53 through Figure 56 represent synchronous waveforms, and Table 109 and
Table 110 provide the corresponding timings. The results shown in these tables are
obtained with the following FMC configuration:
•COM.FMC_SetupTime = 0x01
•COM.FMC_WaitSetupTime = 0x03
•COM.FMC_HoldSetupTime = 0x02
•COM.FMC_HiZSetupTime = 0x01
•ATT.FMC_SetupTime = 0x01
•ATT.FMC_WaitSetupTime = 0x03
•ATT.FMC_HoldSetupTime = 0x02
•ATT.FMC_HiZSetupTime = 0x01
•Bank = FMC_Bank_NAND
•MemoryDataWidth = FMC_MemoryDataWidth_16b
•ECC = FMC_ECC_Enable
•ECCPageSize = FMC_ECCPageSize_512Bytes
•TCLRSetupTime = 0
•TARSetupTime = 0
In all timing tables, the THCLK is the HCLK clock period.
Table 108. Synchronous non-multiplexed PSRAM write timings(1)(2)(3)
1. CL = 30 pF.
2. Guaranteed by characterization results.
3. Clock ratio R = (HCLK period /FMC_CLK period).
Symbol Parameter Min Max Unit
tw(CLK) FMC_CLK period RxTHCLK-0.5 -
ns
td(CLKL-NExL) FMC_CLK low to FMC_NEx low (x=0..2) - 2.5
td(CLKH-NExH) FMC_CLK high to FMC_NEx high (x= 0…2) RxTHCLK/2 +1 -
td(CLKL-NADVL) FMC_CLK low to FMC_NADV low - 2.5
td(CLKL-NADVH) FMC_CLK low to FMC_NADV high 2 -
td(CLKL-AV) FMC_CLK low to FMC_Ax valid (x=16…25) - 5.5
td(CLKH-AIV) FMC_CLK high to FMC_Ax invalid (x=16…25) RxTHCLK/2 +0.5 -
td(CLKL-NWEL) FMC_CLK low to FMC_NWE low - 2
td(CLKH-NWEH) FMC_CLK high to FMC_NWE high RxTHCLK/2 +1 -
td(CLKL-Data) FMC_D[15:0] valid data after FMC_CLK low - 3.5
td(CLKL-NBLL) FMC_CLK low to FMC_NBL low 1 -
td(CLKH-NBLH) FMC_CLK high to FMC_NBL high RxTHCLK/2 +1.5 -
tsu(NWAIT-CLKH) FMC_NWAIT valid before FMC_CLK high 1.5 -
th(CLKH-NWAIT) FMC_NWAIT valid after FMC_CLK high 4 -
fl
DS12024 Rev 3 239/277
STM32L4S5xx, STM32L4S7xx and STM32L4S9xx Electrical characteristics
252
Figure 53. NAND controller waveforms for read access
Figure 54. NAND controller waveforms for write access
Figure 55. NAND controller waveforms for common memory read access
MSv38003V1
FMC_NWE
FMC_NOE (NRE)
FMC_D[15:0]
tsu(D-NOE) th(NOE-D)
ALE (FMC_A17)
CLE (FMC_A16)
FMC_NCEx
td(NCE-NOE) th(NOE-ALE)
MSv38004V1
th(NWE-D)
tv(NWE-D)
FMC_NWE
FMC_NOE (NRE)
FMC_D[15:0]
ALE (FMC_A17)
CLE (FMC_A16)
FMC_NCEx
td(NCE-NWE) th(NWE-ALE)
MSv38005V1
FMC_NWE
FMC_NOE
FMC_D[15:0]
tw(NOE)
tsu(D-NOE) th(NOE-D)
ALE (FMC_A17)
CLE (FMC_A16)
FMC_NCEx
td(NCE-NOE) th(NOE-ALE)
Electrical characteristics STM32L4S5xx, STM32L4S7xx and STM32L4S9xx
240/277 DS12024 Rev 3
Figure 56. NAND controller waveforms for common memory write access
6.3.32 OctoSPI characteristics
Unless otherwise specified, the parameters given in Table 111, Table 11 2 and Table 113 for
OctoSPI are derived from tests performed under the ambient temperature, fAHB frequency
Table 109. Switching characteristics for NAND Flash read cycles(1)(2)
1. CL = 30 pF.
2. Guaranteed by characterization results.
Symbol Parameter Min Max Unit
Tw(N0E) FMC_NOE low width 4THCLK-0.5 4THCLK+0.5
ns
Tsu(D-NOE) FMC_D[15-0] valid data before FMC_NOE high 14 -
Th(NOE-D) FMC_D[15-0] valid data after FMC_NOE high 0 -
Td(NCE-NOE) FMC_NCE valid before FMC_NOE low - 3THCLK+1
Th(NOE-ALE) FMC_NOE high to FMC_ALE invalid 3THCLK-0.5 -
Table 110. Switching characteristics for NAND Flash write cycles(1)(2)
1. CL = 30 pF.
2. Guaranteed by characterization results.
Symbol Parameter Min Max Unit
Tw(NWE) FMC_NWE low width 2THCLK-0.5 4THCLK+0.5
ns
Tv(NWE-D) FMC_NWE low to FMC_D[15-0] valid 5 -
Th(NWE-D) FMC_NWE high to FMC_D[15-0] invalid 2THCLK-1 -
Td(D-NWE) FMC_D[15-0] valid before FMC_NWE high 5THCLK-1 -
Td(NCE_NWE) FMC_NCE valid before FMC_NWE low - 3THCLK-1
Th(NWE-ALE) FMC_NWE high to FMC_ALE invalid 3THCLK-0.5 -
MSv38006V1
tw(NWE)
th(NWE-D)
tv(NWE-D)
FMC_NWE
FMC_NOE
FMC_D[15:0]
td(D-NWE)
ALE (FMC_A17)
CLE (FMC_A16)
FMC_NCEx
td(NCE-NWE) th(NOE-ALE)

DS12024 Rev 3 241/277
STM32L4S5xx, STM32L4S7xx and STM32L4S9xx Electrical characteristics
252
and VDD supply voltage conditions summarized in Table 22: General operating conditions,
with the following configuration:
•Output speed is set to OSPEEDRy[1:0] = 11
•Measurement points are done at CMOS levels: 0.5 x VDD
Refer to Section 6.3.17: I/O port characteristics for more details on the input/output alternate
function characteristics.
Table 111. OctoSPI(1) characteristics in SDR mode(2)
1. Values in the table applies to Octal and Quad SPI mode.
2. Guaranteed by characterization results.
Symbol Parameter Conditions Min Typ Max Unit
F(QCK) OctoSPI clock
frequency
1.71 V < VDD< 3.6 V
Voltage Range 1
CLOAD = 20 pF
--58
MHz
2.7 V < VDD< 3.6 V
Voltage Range 1
CLOAD = 20 pF --86
1.71 V < VDD< 3.6 V
Voltage Range 1
CLOAD = 15 pF
--66
1.71 V < VDD< 3.6 V
Voltage Range 2
CLOAD = 20 pF
--26
tw(CKH) OctoSPI clock
high and low
time
Prescaler = 0
t(CK)/2-1 - t(CK)/2
ns
tw(CKL) t(CK)/2-1 - t(CK)/2
ts(IN)
Data input
setup time
Voltage Range 1 0.5 - -
Voltage Range 2 0 - -
th(IN)
Data input
hold time
Voltage Range 1 7.75 - -
Voltage Range 2 10.5 - -
tv(OUT)
Data output
valid time
Voltage Range 1 - 2 3.5
Voltage Range 2 - 4 5.5
th(OUT)
Data output
hold time
Voltage Range 1 0 - -
Voltage Range 2 0 - -

Electrical characteristics STM32L4S5xx, STM32L4S7xx and STM32L4S9xx
242/277 DS12024 Rev 3
Table 112. OctoSPI(1) characteristics in DTR mode (no DQS)(2)
Symbol Parameter Conditions Min Typ Max Unit
FCK
1/t(CK)
OctoSPI clock
frequency
1.71 V < VDD < 3.6 V
Voltage Range 1
CLOAD = 20 pF
--58
MHz
2.7 V < VDD < 3.6 V
Voltage Range 1
CLOAD = 20 pF
--60
1.71 V < VDD < 3.6 V
Voltage Range 1
CLOAD = 15 pF
--60
1.71 V < VDD < 3.6 V
Voltage Range 2
CLOAD = 20 pF
--26
tw(CKH) OctoSPI clock high
and low time -
t(CK)/2-1 - t(CK)/2+0.5
ns
tw(CKL) t(CK)/2-1 - t(CK)/2+0.5
tsf(IN)
tsr(IN)
Data input
setup time
Voltage Range 1 0.5 - -
Voltage Range 2 1 - -
thf(IN)
thr(IN)
Data input
hold time
Voltage Range 1 7.75 - -
Voltage Range 2 10.75 - -
tvr(OUT)
tvf(OUT)
Data output
valid time
Voltage Range 1
DHQC = 0
-
4.5 6
DHQC = 1
Pres=1,2 ... tpclk/4+1 tpclk/4+3
Voltage Range 2 DHQC = 0 8.5 12
thr(OUT)
thf(OUT)
Data output
hold time
Voltage Range 1
DHQC = 0 1 - -
DHQC = 1
Pres=1,2 ... tpclk/4-2 - -
Voltage Range 2 DHQC = 0 3.5 - -
1. Values in the table applies to Octal and Quad SPI mode.
2. Guaranteed by characterization results.

DS12024 Rev 3 243/277
STM32L4S5xx, STM32L4S7xx and STM32L4S9xx Electrical characteristics
252
Table 113. OctoSPI characteristics in DTR mode (with DQS)(1)/Octal and Hyperbus
Symbol Parameter Conditions Min Typ Max(2) Unit
FCK
1/t(CK)
OctoSPI clock
frequency
(fixed latency)
1.71 V < VDD < 3.6 V
Voltage Range 1
CLOAD = 20 pF
--60
MHz
2.7 V < VDD < 3.6 V
Voltage Range 1
CLOAD = 20 pF
--64
1.71 V < VDD < 3.6 V
Voltage Range 1
CLOAD = 15 pF
--60
1.71 V < VDD < 3.6 V
Voltage Range 2
CLOAD = 20 pF
--26
OctoSPI clock
frequency
(additional latency)
1.71 < VDD < 3.6 V
Voltage Range V1
CLOAD = 20 pF
tCKDS = 9ns
Prescaler =
0,1,3,5... --18
Prescaler =
2,4,6... --25
2.7 < VDD < 3.6 V
Voltage Range V1
CLOAD = 20 pF
tCKDS = 9ns
Prescaler =
0,1,3,5... --22
Prescaler =
2,4,6... --29
1.71 < VDD < 3.6 V
Voltage Range V2
CLOAD = 20 pF
tCKDS = 9ns
---17

Electrical characteristics STM32L4S5xx, STM32L4S7xx and STM32L4S9xx
244/277 DS12024 Rev 3
tw(CKH) OctoSPI clock high
and low time -
t(CK)/2-1 - t(CK)/2+0.5
ns
tw(CKL) t(CK)/2-0.5 - t(CK)/2+0.5
tv(CK) Clock valid time - - - t(CK)+1
th(CK) Clock hold time - t(CK)/2-0.5 - -
tw(CS)
Chip select high
time - 3 x t(CK) --
tv(DQ)
Data input vallid
time -0--
tv(DS)
Data storbe input
valid time -0--
th(DS)
Data storbe input
hold time -0--
tv(RWDS)
Data storbe output
valid time - - - 3 x t(CK)
tsr(IN)
tsf(IN)
Data input
setup time
Voltage Range 1 -3.5 - t(CK)/2-5.75(3)
Voltage Range 2 -5.5 - t(CK)/2-9(3)
thr(IN)
thf(IN)
Data input
hold time
Voltage Range 1 5.75 - -
Voltage Range 2 9 - -
tvr(OUT)
tvf(OUT)
Data output
valid time
Voltage Range 1
DHQC = 0
-
4.5 6
ns
DHQC = 1
Pres=1,2 ...
tpclk/4+1.
5tpclk/4+2.25
Voltage Range 2 DHQC = 0 8 11
thr(OUT)
thf(OUT)
Data output
hold time
Voltage Range 1
DHQC = 0 0.5 - -
DHQC = 1
Pres=1,2 ... tpclk/4-1.75 - -
Voltage Range 2 DHQC = 0 0.75 - -
1. Guaranteed by characterization results.
2. Maximum frequency values are given for a RWDS to DQ skew of maximum +/-1.0 ns.
3. Data input setup time maximum does not take into account Data level switching duration.
Table 113. OctoSPI characteristics in DTR mode (with DQS)(1)/Octal and Hyperbus (continued)
Symbol Parameter Conditions Min Typ Max(2) Unit
DS12024 Rev 3 245/277
STM32L4S5xx, STM32L4S7xx and STM32L4S9xx Electrical characteristics
252
Figure 57. OctoSPI timing diagram - SDR mode
Figure 58. OctoSPI timing diagram - DDR mode
Figure 59. OctoSPI Hyperbus clock
MSv36878V1
Data output D0 D1 D2
Clock
Data input D0 D1 D2
t(CK) tw(CKH) tw(CKL)
tr(CK) tf(CK)
ts(IN) th(IN)
tv(OUT) th(OUT)
MSv36879V1
Data output D0 D2 D4
Clock
Data input D0 D2 D4
t(CK) tw(CKH) tw(CKL)
tr(CK) tf(CK)
tsf(IN) thf(IN)
tvf(OUT) thr(OUT)
D1 D3 D5
D1 D3 D5
tvr(OUT) thf(OUT)
tsr(IN) thr(IN)
MSv47732V1
CK
t(CK#) tw(CK#L) tw(CK#H)
tf(CK#) tr(CK#)
tr(CK) tw(CKH) tw(CKL)
t(CK) tf(CK)
CK#
VOD(CK)
Electrical characteristics STM32L4S5xx, STM32L4S7xx and STM32L4S9xx
246/277 DS12024 Rev 3
Figure 60. OctoSPI Hyperbus read
Figure 61. OctoSPI Hyperbus read with double latency
MSv47733V1
CS#
t
ACC
= Initial Access
Latency Count
Command-Address
47:40 39:32 31:24 23:16 15:8 7:0 Dn
A
Dn
B
Dn+1
A
Dn+1
B
Host drives DQ[7:0] and Memory drives RWDS
CK, CK#
RWDS
DQ[7:0]
Memory drives DQ[7:0] and RWDS
tw(CS)
tv(RWDS)
tv(CK)
tv(DS)
tv(DQ)
th(CK)
th(DS)
tv(OUT) th(OUT) th(DQ)
ts(DQ)
MSv49351V1
CS#
t
RWR
=Read Write Recovery t
ACC
= AccessAdditional Latency
Command-Address
47:40 39:32 31:24 23:16 15:8 7:0
High = 2x Latency Count
Low = 1x Latency Count
Dn
A
Dn
B
Dn+1
A
Dn+1
B
Host drives DQ[7:0] and Memory drives RWDS and RWDS
RWDS and Data
are edge aligned
CK, CK#
RWDS
DQ[7:0]
Memory drives DQ[7:0]
tCKDS
DS12024 Rev 3 247/277
STM32L4S5xx, STM32L4S7xx and STM32L4S9xx Electrical characteristics
252
Figure 62. OctoSPI Hyperbus write
MSv47734V1
CS#
Access Latency
Latency Count
Command-Address
47:40 39:32 31:24 23:16 15:8 7:0 Dn
A
Dn
B
Dn+1
A
Dn+1
B
Host drives DQ[7:0] and Memory drives RWDS
Host drives DQ[7:0] and RWDS
CK, CK#
RWDS
DQ[7:0]
tw(CS)
tv(RWDS)
tv(CK) th(CK)
High = 2x Latency Count
Low = 1x Latency Count
Read Write Recovery
th(OUT)
tv(OUT) th(OUT)
tv(OUT)
th(OUT)
tv(OUT)
Electrical characteristics STM32L4S5xx, STM32L4S7xx and STM32L4S9xx
248/277 DS12024 Rev 3
6.3.33 Camera interface (DCMI) timing specifications
Unless otherwise specified, the parameters given in Table 114 for DCMI are derived from
tests performed under the ambient temperature, fHCLK frequency and VDD supply voltage
summarized in Table 21, with the following configuration:
•DCMI_PIXCLK polarity: falling
•DCMI_VSYNC and DCMI_HSYNC polarity: high
•Data format: 14 bits
•Output speed is set to OSPEEDRy[1:0] = 11
•Capacitive load C = 30 pF
•Measurement points are done at CMOS levels: 0.5 x VDD
Figure 63. DCMI timing diagram
Table 114. DCMI characteristics(1)
Symbol Parameter Condition Min Max Unit
-Frequency ratio
DCMI_PIXCLK/fHCLK
--0.4-
DCMI_PIXCLK Pixel clock input
1.71 < VDD < 3.6
Voltage range V1 -48
MHz
1.71 < VDD < 3.6
Voltage range V2 -10
Dpixel Pixel clock input duty cycle - 30 70 %
MS32414V2
DCMI_PIXCLK
tsu(VSYNC)
tsu(HSYNC)
DCMI_HSYNC
DCMI_VSYNC
DATA[0:13]
1/DCMI_PIXCLK
th(HSYNC)
th(HSYNC)
tsu(DATA) th(DATA)

DS12024 Rev 3 249/277
STM32L4S5xx, STM32L4S7xx and STM32L4S9xx Electrical characteristics
252
6.3.34 LCD-TFT controller (LTDC) characteristics
Unless otherwise specified, the parameters given in Table 115 for LCD-TFT are derived
from tests performed under the ambient temperature, fHCLK frequency and VDD supply
voltage summarized in Table 22, with the following configuration:
•LCD_CLK polarity: high
•LCD_DE polarity: low
•LCD_VSYNC and LCD_HSYNC polarity: high
•Pixel formats: 24 bits
•Output speed is set to OSPEEDRy[1:0] = 11
•Capacitive load C = 30 pF
•Measurement points are done at CMOS levels: 0.5 x VDD
tsu(DATA) Data input setup time
1.71 < VDD < 3.6
Voltage range V1 5.5 -
ns
1.71 < VDD < 3.6
Voltage range V2 8-
th(DATA) Data hold time
1.71 < VDD < 3.6
Voltage range V1 0-
1.71 < VDD < 3.6
Voltage range V2 0-
tsu(HSYNC),
tsu(VSYNC)
DCMI_HSYNC/DCMI_VSYNC
input setup time
1.71 < VDD < 3.6
Voltage range V1 6-
1.71 < VDD < 3.6
Voltage range V2 9-
th(HSYNC),
th(VSYNC)
DCMI_HSYNC/DCMI_VSYNC
input hold time
1.71 < VDD < 3.6
Voltage range V1 0-
1.71 < VDD < 3.6
Voltage range V2 0-
1. Data based on characterization results, not tested in production.
Table 114. DCMI characteristics(1) (continued)
Symbol Parameter Condition Min Max Unit

Electrical characteristics STM32L4S5xx, STM32L4S7xx and STM32L4S9xx
250/277 DS12024 Rev 3
Refer to Section 6.3.17: I/O port characteristics for more details on the input/output alternate
function characteristics.
6.3.35 SD/SDIO/MMC card host interfaces (SDMMC)
Unless otherwise specified, the parameters given in Table xx for SDIO are derived from
tests performed under the ambient temperature, fPCLKx frequency and VDD supply voltage
conditions summarized in Table 22: General operating conditions with the following
configuration:
•Output speed is set to OSPEEDRy[1:0] = 11
•Capacitive load C = 30 pF
•Measurement points are done at CMOS levels: 0.5 x VDD Refer to Section 6.3.17: I/O
port characteristics for more details on the input/output characteristics.
Table 115. LTDC characteristics(1)
1. Guaranteed by characterization results.
Symbol Parameter Conditions Min Max Unit
fCLK
DCLK
LTDC clock output
frequency
2.7 V < VDD < 3.6 V - 83
MHz
1.71 V < VDD < 3.6 V - 50
LTDC clock output duty
cycle -4555%
tw(CLKH)
tw(CLKL)
Clock high time
Clock low time - tw(CLK)/2-0.5 tw(CLK)/2+0.5
-
tv(DATA) Data output valid time - - 6
th(DATA) Data output hold time - 0 -
tv(HSYNC)
tv(VSYNC)
tv(DE)
HSYNC/VSYNC/DE
output valid time --3
th(HSYNC)
th(VSYNC)
th(DE)
HSYNC/VSYNC/DE
output hold time -0-
Table 116. Dynamics characteristics:
SD / eMMC characteristics at VDD = 2.7 V to 3.6 V (1)
Symbol Parameter Conditions Min Typ Max Unit
fPP Clock frequency in data transfer
mode -0-66MHz
-SDIO_CK/fPCLK2 frequency
ratio ---8/3-
tW(CKL) Clock low time fpp = 52 MHz 8.5 9.5 -
ns
tW(CKH) Clock high time fpp = 52 MHz 8.5 9.5 -

DS12024 Rev 3 251/277
STM32L4S5xx, STM32L4S7xx and STM32L4S9xx Electrical characteristics
252
CMD, D inputs (referenced to CK) in eMMC legacy/SDR/DDR and SD HS/SDR(2)/DDR(2) mode
tISU Input setup time HS - 1.5 - -
ns
tIHD Input hold time HS - 2 - -
CMD, D outputs (referenced to CK) in eMMC legacy/SDR/DDR and SD HS/SDR(2)/DDR(2) mode
tOV Output valid time HS - - 5 6.5
ns
tOH Output hold time HS - 4 - -
CMD, D inputs (referenced to CK) in SD default mode
tISUD Input setup time SD - 1.5 - -
ns
tIHD Input hold time SD - 2 - -
CMD, D outputs (referenced to CK) in SD default mode
tOVD Output valid default time SD - - 1 2.5
ns
tOHD Output hold default time SD - 0 - -
1. Guaranteed by characterization results.
2. For SD 1.8 V support, an external voltage converter is needed.
Table 117. Dynamics characteristics:
eMMC characteristics at VDD = 1.71 V to 1.9 V(1)(2)
1. Guaranteed by characterization results.
2. Cload = 20 pF.
Symbol Parameter Conditions Min Typ Max Unit
fPP Clock frequency in data transfer
mode -0-52MHz
-SDIO_CK/fPCLK2 frequency
ratio ---8/3-
tW(CKL) Clock low time fpp = 52 MHz 8.5 9.5 -
ns
tW(CKH) Clock high time fpp = 52 MHz 8.5 9.5 -
CMD, D inputs (referenced to CK) in eMMC mode
tISU Input setup time HS - 0.5 - -
ns
tIH Input hold time HS - 4.5 - -
CMD, D outputs (referenced to CK) in eMMC mode
tOV Output valid time HS - - 6 7.4
ns
tOH Output hold time HS - 4 - -
Table 116. Dynamics characteristics:
SD / eMMC characteristics at VDD = 2.7 V to 3.6 V (1) (continued)
Symbol Parameter Conditions Min Typ Max Unit
Wow) ‘ L ‘W(CKL)
CK ‘__ i
,/
t0v ’ ‘OH
D‘CMD " * "
(ampm) X X
‘ISU” NH
D‘CMD
(mum)
amen?
CK 1%
"DVD +‘OHD
D,CMD
(ompm) X
mum
Electrical characteristics STM32L4S5xx, STM32L4S7xx and STM32L4S9xx
252/277 DS12024 Rev 3
See the different SDMMC diagrams in Figure 64, Figure 65 and Figure 66 below.
Figure 64. SDIO high-speed mode
Figure 65. SD default mode
Figure 66. DDR mode
MSv36879V1
Data output D0 D2 D4
Clock
Data input D0 D2 D4
t(CK) tw(CKH) tw(CKL)
tr(CK) tf(CK)
tsf(IN) thf(IN)
tvf(OUT) thr(OUT)
D1 D3 D5
D1 D3 D5
tvr(OUT) thf(OUT)
tsr(IN) thr(IN)
: E?
v u
u
,L
uu
if:
f; , 0.
000000000000
0000000000000
0000000000000 \\\
000000 000000\ W
000000 000000
000000 000000
x¢°0000 0000¢0\‘
000000 000000
000000 000000
0000000000000
000000 000000
‘000000 000000
"T
0000000000000
DS12024 Rev 3 253/277
STM32L4S5xx, STM32L4S7xx and STM32L4S9xx Package information
274
7 Package information
In order to meet environmental requirements, ST offers these devices in different grades of
ECOPACK® packages, depending on their level of environmental compliance. ECOPACK®
specifications, grade definitions and product status are available at: www.st.com.
ECOPACK® is an ST trademark.
7.1 UFBGA169 package information
Figure 67. UFBGA169 - 169-ball, 7 x 7 mm, 0.50 mm pitch, ultra fine pitch ball grid
array package outline
1. Drawing is not to scale.
Table 118. UFBGA169 - 169-ball, 7 x 7 mm, 0.50 mm pitch, ultra fine pitch ball grid
array package mechanical data
Symbol
millimeters inches(1)
Min. Typ. Max. Min. Typ. Max.
A 0.460 0.530 0.600 0.0181 0.0209 0.0236
A1 0.050 0.080 0.110 0.0020 0.0031 0.0043
A2 0.400 0.450 0.500 0.0157 0.0177 0.0197
A3 - 0.130 - - 0.0051 -
A4 0.270 0.320 0.370 0.0106 0.0126 0.0146
A0YV_ME_V2
Seating plane
A2
A1
A
eF
F
e
N
A
BOTTOM VIEW
E
D
TOP VIEW
Øb (169 balls)
Y
X
YeeeØM
fffØM
Z
Z
X
A1 ball
identifier
A1 ball
index area
b
D1
E1
A4
A3
13 1
Z
Z
ddd
SIDE VIEW
Package information STM32L4S5xx, STM32L4S7xx and STM32L4S9xx
254/277 DS12024 Rev 3
Figure 68. UFBGA169 - 169-ball, 7 x 7 mm, 0.50 mm pitch, ultra fine pitch ball grid
array recommended footprint
Note: Non-solder mask defined (NSMD) pads are recommended.
Note: 4 to 6 mils solder paste screen printing process.
b 0.230 0.280 0.330 0.0091 0.0110 0.0130
D 6.950 7.000 7.050 0.2736 0.2756 0.2776
D1 5.950 6.000 6.050 0.2343 0.2362 0.2382
E 6.950 7.000 7.050 0.2736 0.2756 0.2776
E1 5.950 6.000 6.050 0.2343 0.2362 0.2382
e - 0.500 - - 0.0197 -
F 0.450 0.500 0.550 0.0177 0.0197 0.0217
ddd - - 0.100 - - 0.0039
eee - - 0.150 - - 0.0059
fff - - 0.050 - - 0.0020
1. Values in inches are converted from mm and rounded to 4 decimal digits.
Table 119. UFBGA169 recommended PCB design rules (0.5 mm pitch BGA)
Dimension Recommended values
Pitch 0.5 mm
Dpad 0.27 mm
Dsm 0.35 mm typ. (depends on the soldermask
registration tolerance)
Solder paste 0.27 mm aperture diameter.
Table 118. UFBGA169 - 169-ball, 7 x 7 mm, 0.50 mm pitch, ultra fine pitch ball grid
array package mechanical data (continued)
Symbol
millimeters inches(1)
Min. Typ. Max. Min. Typ. Max.
MS18965V2
Dsm
Dpad

DS12024 Rev 3 255/277
STM32L4S5xx, STM32L4S7xx and STM32L4S9xx Package information
274
UFBGA169 device marking
The following figure gives an example of topside marking orientation versus pin 1 identifier
location.
Other optional marking or inset/upset marks, which identify the parts throughout supply
chain operations, are not indicated below.
Figure 69. UFBGA169 marking (package top view)
1. Parts marked as “ES”, “E” or accompanied by an Engineering Sample notification letter, are not yet
qualified and therefore not yet ready to be used in production and any consequences deriving from such
usage will not be at ST charge. In no event, ST will be liable for any customer usage of these engineering
samples in production. ST Quality has to be contacted prior to any decision to use these Engineering
samples to run qualification activity.
MSv47750V1
Date code
STM32L
Product
identification (1)
Aditional information
YWW
4S5AII6
Y
////
////
WT;
$OOOOOOOOO$$
000000000000
000000000000\
000000000000
000000000000
000000+000000
000000000000
000000000000
000000000000
000000000000
$0
$0
0000000000
0000000000
Package information STM32L4S5xx, STM32L4S7xx and STM32L4S9xx
256/277 DS12024 Rev 3
7.2 UFBGA144 package information
Figure 70. UFBGA144 - 144-pin, 10 x 10 mm, 0.80 mm pitch, ultra fine pitch ball
grid array package outline
1. Drawing is not to scale.
Table 120. UFBGA144 - 144-pin, 10 x 10 mm, 0.80 mm pitch, ultra fine pitch ball
grid array package mechanical data
Symbol
millimeters inches(1)
Min. Typ. Max. Min. Typ. Max.
A 0.460 0.530 0.600 0.0181 0.0209 0.0236
A1 0.050 0.080 0.110 0.0020 0.0031 0.0043
A2 0.400 0.450 0.500 0.0157 0.0177 0.0197
A3 - 0.130 - - 0.0051 -
A4 - 0.320 - - 0.0126 -
b 0.360 0.400 0.440 0.0091 0.0110 0.0130
D 9.950 10.000 10.050 0.2736 0.2756 0.2776
D1 8.750 8.800 8.850 0.2343 0.2362 0.2382
E 9.950 10.000 10.050 0.2736 0.2756 0.2776
E1 8.750 8.800 8.850 0.2343 0.2362 0.2382
e 0.750 0.800 0.850 - 0.0197 -
F 0.550 0.600 0.650 0.0177 0.0197 0.0217
A02Y_ME_V2
Seating plane
A1
eF
F
D
M
Øb (144 balls)
A
E
TOP VIEWBOTTOM VIEW
112
e
A
A2
B
A
C
ddd Z
D1
E1
eee C A B
fff
Ø
Ø
M
MC
A3
A4
A1 ball
identifier
A1 ball
index area
000000000000
000000000000
000000000000
000000000
00000000
00000000
00000000
00000000
00000000
00000000
00000000
00000000
0000000fl0
00000000
000000000
000000000
DS12024 Rev 3 257/277
STM32L4S5xx, STM32L4S7xx and STM32L4S9xx Package information
274
Figure 71. UFBGA144 - 144-pin, 10 x 10 mm, 0.80 mm pitch, ultra fine pitch ball
grid array package recommended footprint
ddd - - 0.080 - - 0.0039
eee - - 0.150 - - 0.0059
fff - - 0.080 - - 0.0020
1. Values in inches are converted from mm and rounded to 4 decimal digits.
Table 121. UFBGA144 recommended PCB design rules (0.80 mm pitch BGA)
Dimension Recommended values
Pitch 0.80 mm
Dpad 0.400 mm
Dsm 0.550 mm typ. (depends on the soldermask
registration tolerance)
Stencil opening 0.400 mm
Stencil thickness Between 0.100 mm and 0.125 mm
Pad trace width 0.120 mm
Table 120. UFBGA144 - 144-pin, 10 x 10 mm, 0.80 mm pitch, ultra fine pitch ball
grid array package mechanical data (continued)
Symbol
millimeters inches(1)
Min. Typ. Max. Min. Typ. Max.
A02Y_FP_V1
Dpad
Dsm
:
Package information STM32L4S5xx, STM32L4S7xx and STM32L4S9xx
258/277 DS12024 Rev 3
UFBGA144 device marking
The following figure gives an example of topside marking orientation versus pin 1 identifier
location.
Other optional marking or inset/upset marks, which identify the parts throughout supply
chain operations, are not indicated below.
Figure 72. UFBGA144 marking (package top view)
1. Parts marked as “ES”, “E” or accompanied by an Engineering Sample notification letter, are not yet
qualified and therefore not yet ready to be used in production and any consequences deriving from such
usage will not be at ST charge. In no event, ST will be liable for any customer usage of these engineering
samples in production. ST Quality has to be contacted prior to any decision to use these Engineering
samples to run qualification activity.
MSv47748V1
Y WW
Product
identification(1)
Additional
information
Ball A1
indentifier
ZIJ6
Y
STM32L4S9
Date code
DS12024 Rev 3 259/277
STM32L4S5xx, STM32L4S7xx and STM32L4S9xx Package information
274
7.3 LQFP144 package information
Figure 73. LQFP144 - 144-pin, 20 x 20 mm low-profile quad flat package outline
1. Drawing is not to scale.
e
IDENTIFICATION
PIN 1
GAUGE PLANE
0.25 mm
SEATING
PLANE
D
D1
D3
E3
E1
E
K
ccc C
C
136
37
144
109
108 73
72
1A_ME_V4
A2
A
A1
L1
L
c
b
A1
Package information STM32L4S5xx, STM32L4S7xx and STM32L4S9xx
260/277 DS12024 Rev 3
Table 122. LQFP144 - 144-pin, 20 x 20 mm low-profile quad flat package
mechanical data
Symbol
millimeters inches(1)
1. Values in inches are converted from mm and rounded to 4 decimal digits.
Min Typ Max Min Typ Max
A - - 1.600 - - 0.0630
A1 0.050 - 0.150 0.0020 - 0.0059
A2 1.350 1.400 1.450 0.0531 0.0551 0.0571
b 0.170 0.220 0.270 0.0067 0.0087 0.0106
c 0.090 - 0.200 0.0035 - 0.0079
D 21.800 22.000 22.200 0.8583 0.8661 0.8740
D1 19.800 20.000 20.200 0.7795 0.7874 0.7953
D3 - 17.500 - - 0.6890 -
E 21.800 22.000 22.200 0.8583 0.8661 0.8740
E1 19.800 20.000 20.200 0.7795 0.7874 0.7953
E3 - 17.500 - - 0.6890 -
e - 0.500 - - 0.0197 -
L 0.450 0.600 0.750 0.0177 0.0236 0.0295
L1 - 1.000 - - 0.0394 -
k 0°3.5°7° 0°3.5°7°
ccc - - 0.080 - - 0.0031
H1HHHHHHHHHHflflflflflflflflflflflflflflflflflflflflflfl
DS12024 Rev 3 261/277
STM32L4S5xx, STM32L4S7xx and STM32L4S9xx Package information
274
Figure 74. LQFP144 - 144-pin,20 x 20 mm low-profile quad flat package
recommended footprint
1. Dimensions are expressed in millimeters.
0.5
0.35
19.9 17.85
22.6
1.35
22.6
19.9
ai14905e
136
37
72
73108
109
144
l—H—H—l—I“
Package information STM32L4S5xx, STM32L4S7xx and STM32L4S9xx
262/277 DS12024 Rev 3
LQFP144 device marking
The following figures gives an example of topside marking orientation versus pin 1 identifier
location.
Other optional marking or inset/upset marks, which identify the parts throughout supply
chain operations, are not indicated below.
Figure 75. LQFP144 marking (package top view)
1. Parts marked as “ES”, “E” or accompanied by an Engineering Sample notification letter, are not yet
qualified and therefore not yet ready to be used in production and any consequences deriving from such
usage will not be at ST charge. In no event, ST will be liable for any customer usage of these engineering
samples in production. ST Quality has to be contacted prior to any decision to use these Engineering
samples to run qualification activity.
MSv47747V1
Date code
Pin 1
identifier
STM32L4S5ZIT6
Y
Product identification (1)
Aditional information
YWW
00000100000 7
OOOOOO‘OOOOOO
oooooo‘oooooo
oooooo‘oooooo
000000000000
,0, 992 99ng mm ,0,
OOOOOO‘OOOOOO
oooooopooooo
OOOOOO‘OOOOOO
Aoooooobooooo
40??OOO‘OOOOOO*
\.7 4A
fir
474.
W
fig
DS12024 Rev 3 263/277
STM32L4S5xx, STM32L4S7xx and STM32L4S9xx Package information
274
7.4 WLCSP144 package information
Figure 76. WLCSP - 144 bump, 5.24x 5.24 mm, 0.40 mm pitch, wafer level chip scale,
package outline
1. Drawing is not to scale.
A085_WLCSP144_ME_V1
e1
e
e
e2E
D
BOTTOM VIEW
A1 BALL LOCATION
E
D
TOP VIEW
DETAIL A
A1
A2
A
SIDE VIEW
FRONT VIEW
A3
DETAIL A
ROTATED 90
SEATING PLANE
BUMP
A1
©90©©©b©©©©©
©©©©©m©©©©©©
©0©©©©©©©©O©
©©©©©©\©©©©©©
©©©©©©®©©©©©
_o: aw 99b}; 992 9_
©©©®©©p©©®©©
©9©©©©©©©©©©
@©©@©©\©©©©@©
OOQOQOQQOQQ
@©©@©©\©©©@©@
©90©©©P©©©®©
Package information STM32L4S5xx, STM32L4S7xx and STM32L4S9xx
264/277 DS12024 Rev 3
Figure 77. WLCSP - 144 bump, 5.24x 5.24 mm, 0.40 mm pitch, wafer level chip scale,
recommended footprint
1. Dimensions are expressed in millimeters.
Table 123. WLCSP - 144 bump, 5.24x 5.24 mm, 0.40 mm pitch, wafer level chip scale,
mechanical data
Symbol
millimeters inches(1)
1. Values in inches are converted from mm and rounded to 3 decimal digits.
Min Typ Max Min Typ Max
A- -0.59- -0.023
A1 - 0.18 - - 0.007 -
A2 - 0.38 - - 0.015 -
A3 - 0.025(2)
2. A3 value is guaranteed by technology design value.
- - 0.0010 -
b 0.22 0.25 0.28 0.009 0.010 0.011
D 5.22 5.24 5.26 0.205 0.206 0.207
E 5.22 5.24 5.26 0.205 0.206 0.207
e - 0.40 - - 0.016 -
e1 - 4.40 - - 0.173 -
e2 - 4.40 - - 0.173 -
F - 0.420(3)
3. This value is calculated from over value D and e1.
- - 0.0165 -
G - 0.420(4)
4. This value is calculated from over value E and e2.
- - 0.0165 -
aaa - - 0.10 - - 0.004
bbb - - 0.10 - - 0.004
ccc - - 0.10 - - 0.004
ddd - - 0.05 - - 0.002
eee - - 0.05 - - 0.002
A085_WLCSP144_FP_V1
Dpad
Dsm
<\>\>DS12024 Rev 3 265/277
STM32L4S5xx, STM32L4S7xx and STM32L4S9xx Package information
274
WLCSP144 device marking
The following figure gives an example of topside marking orientation versus pin 1 identifier
location.
Other optional marking or inset/upset marks, which identify the parts throughout supply
chain operations, are not indicated below.
Figure 78. WLCSP144 marking (package top view)
1. Parts marked as “ES”, “E” or accompanied by an Engineering Sample notification letter, are not yet
qualified and therefore not yet ready to be used in production and any consequences deriving from such
usage will not be at ST charge. In no event, ST will be liable for any customer usage of these engineering
samples in production. ST Quality has to be contacted prior to any decision to use these Engineering
samples to run qualification activity.
Table 124. WLCSP - 144 bump, 5.24x 5.24 mm, 0.40 mm pitch, wafer level chip scale,
recommended PCB design rules
Dimension Recommended values
Pitch 0.4 mm
Dpad 0.225 mm
Dsm 0.290 mm typ. (depends on the soldermask
registration tolerance)
Stencil opening 0.250 mm
Stencil thickness 0.100 mm
MSv47749V1
Date code
32L4S9ZIY6
Product identification (1)
Aditional information
YWW Y
*, F ,1
490000000006 ff;
+ 000000000000 ///
000000000000
000000000000
0000 0000
0000 0+0 0000
0000 00 0000
0000 0000
000000000000
000000000000
wooooooooooo
wooooooooooo
f »
$Deee®CAIB\
®m®
A
+T+ ++ \
—><—>—>Package information STM32L4S5xx, STM32L4S7xx and STM32L4S9xx
266/277 DS12024 Rev 3
7.5 UFBGA132 package information
Figure 79. UFBGA132 - 132-ball, 7 x 7 mm ultra thin fine pitch ball grid array
package outline
1. Drawing is not to scale.
Table 125. UFBGA132 - 132-ball, 7 x 7 mm ultra thin fine pitch ball grid array
package mechanical data
Symbol
millimeters inches(1)
Min Typ Max Min Typ Max
A - - 0.600 - - 0.0236
A1 - - 0.110 - - 0.0043
A2 - 0.450 - - 0.0177 -
A3 - 0.130 - - 0.0051 0.0094
A4 - 0.320 - - 0.0126 -
b 0.240 0.290 0.340 0.0094 0.0114 0.0134
D 6.850 7.000 7.150 0.2697 0.2756 0.2815
D1 - 5.500 - - 0.2165 -
E 6.850 7.000 7.150 0.2697 0.2756 0.2815
E1 - 5.500 - - 0.2165 -
UFBGA132_A0G8_ME_V2
SEATING
PLANE
A4
A1
eZ
Z
D
A
eee C A B
fff
Øb (132 balls)
Ø
Ø
M
M
M
E
TOP VIEWBOTTOM VIEW
12 1
e
A
A2
C
A
B
A1 ball identifier
b
D1
E1
ddd C
A3
©©©© ©© ©©©©
©©©© ©© ©©©©
©©©© ©©©©
©©©©©©©©©©©©
©©©©©©©©©©©©
©©©©©©©©©©©©
©©©©©©©©©©©©
DS12024 Rev 3 267/277
STM32L4S5xx, STM32L4S7xx and STM32L4S9xx Package information
274
Figure 80. UFBGA132 - 132-ball, 7 x 7 mm ultra thin fine pitch ball grid array
package recommended footprint
e - 0.500 - - 0.0197 -
Z - 0.750 - - 0.0295 -
ddd - 0.080 - - 0.0031 -
eee - 0.150 - - 0.0059 -
fff - 0.050 - - 0.0020 -
1. Values in inches are converted from mm and rounded to 4 decimal digits.
Table 126. UFBGA132 recommended PCB design rules (0.5 mm pitch BGA)
Dimension Recommended values
Pitch 0.5 mm
Dpad 0.280 mm
Dsm 0.370 mm typ. (depends on the soldermask
registration tolerance)
Stencil opening 0.280 mm
Stencil thickness Between 0.100 mm and 0.125 mm
Pad trace width 0.100 mm
Ball diameter 0.280 mm
Table 125. UFBGA132 - 132-ball, 7 x 7 mm ultra thin fine pitch ball grid array
package mechanical data (continued)
Symbol
millimeters inches(1)
Min Typ Max Min Typ Max
UFBGA132_A0G8_FP_V1
Dpad
Dsm

Package information STM32L4S5xx, STM32L4S7xx and STM32L4S9xx
268/277 DS12024 Rev 3
UFBGA132 device marking
The following figure gives an example of topside marking orientation versus ball A1 identifier
location.
Other optional marking or inset/upset marks, which identify the parts throughout supply
chain operations, are not indicated below.
Figure 81. UFBGA132 marking (package top view)
1. Parts marked as “ES”, “E” or accompanied by an Engineering Sample notification letter, are not yet
qualified and therefore not yet ready to be used in production and any consequences deriving from such
usage will not be at ST charge. In no event, ST will be liable for any customer usage of these engineering
samples in production. ST Quality has to be contacted prior to any decision to use these Engineering
samples to run qualification activity.
MSv47751V1
Date code
STM32L
Product
identification (1)
Aditional information
YWW
4S5QII6
Y
DS12024 Rev 3 269/277
STM32L4S5xx, STM32L4S7xx and STM32L4S9xx Package information
274
7.6 LQFP100 package information
Figure 82. LQFP100 - 100-pin, 14 x 14 mm low-profile quad flat package outline
1. Drawing is not to scale.
Table 127. LQPF100 - 100-pin, 14 x 14 mm low-profile quad flat package
mechanical data
Symbol
millimeters inches(1)
Min Typ Max Min Typ Max
A - - 1.600 - - 0.0630
A1 0.050 - 0.150 0.0020 - 0.0059
A2 1.350 1.400 1.450 0.0531 0.0551 0.0571
b 0.170 0.220 0.270 0.0067 0.0087 0.0106
c 0.090 - 0.200 0.0035 - 0.0079
D 15.800 16.000 16.200 0.6220 0.6299 0.6378
D1 13.800 14.000 14.200 0.5433 0.5512 0.5591
D3 - 12.000 - - 0.4724 -
E 15.800 16.000 16.200 0.6220 0.6299 0.6378
e
IDENTIFICATION
PIN 1
GAUGE PLANE
0.25 mm
SEATING PLANE
D
D1
D3
E3
E1
E
K
ccc C
C
125
26
100
76
75 51
50
1L_ME_V5
A2
A
A1
L1
L
c
b
A1
7 ,7l]|]|]|]|]|]|]|]|]|]|]|]|]|]|][||] |]|]|]|]|]
E
III
E
III
E
III
E
III
E
III
z:
z:
z:
z:
E
III
E
III
E
III
z:
z:
z:
z:
|]|]|]|]|]|]|]|]|]|]|]|] |]|]|]|]|]|]|]H|]|]l]l]
|]|]|]|]|]|]|]|][||]|] |]|]|]|]|]|]|]|]|]|]|]|]
f
Package information STM32L4S5xx, STM32L4S7xx and STM32L4S9xx
270/277 DS12024 Rev 3
Figure 83. LQFP100 - 100-pin, 14 x 14 mm low-profile quad flat
recommended footprint
1. Dimensions are expressed in millimeters.
LQFP100 device marking
The following figure gives an example of topside marking orientation versus pin 1 identifier
location.
Other optional marking or inset/upset marks, which identify the parts throughout supply
chain operations, are not indicated below.
E1 13.800 14.000 14.200 0.5433 0.5512 0.5591
E3 - 12.000 - - 0.4724 -
e - 0.500 - - 0.0197 -
L 0.450 0.600 0.750 0.0177 0.0236 0.0295
L1 - 1.000 - - 0.0394 -
k 0.0° 3.5° 7.0° 0.0° 3.5° 7.0°
ccc - - 0.080 - - 0.0031
1. Values in inches are converted from mm and rounded to 4 decimal digits.
Table 127. LQPF100 - 100-pin, 14 x 14 mm low-profile quad flat package
mechanical data (continued)
Symbol
millimeters inches(1)
Min Typ Max Min Typ Max
75 51
5076 0.5
0.3
16.7 14.3
100 26
12.3
25
1.2
16.7
1
ai14906c

DS12024 Rev 3 271/277
STM32L4S5xx, STM32L4S7xx and STM32L4S9xx Package information
274
Figure 84. LQFP100 marking (package top view)
1. Parts marked as “ES”, “E” or accompanied by an Engineering Sample notification letter, are not yet
qualified and therefore not yet ready to be used in production and any consequences deriving from such
usage will not be at ST charge. In no event, ST will be liable for any customer usage of these engineering
samples in production. ST Quality has to be contacted prior to any decision to use these Engineering
samples to run qualification activity.
MSv47752V1
Date code
STM32L4S5
Product
identification (1)
YWW
VIT6 Y
Pin 1 identifier

Package information STM32L4S5xx, STM32L4S7xx and STM32L4S9xx
272/277 DS12024 Rev 3
7.7 Thermal characteristics
The maximum chip-junction temperature, TJ max, in degrees Celsius, may be calculated
using the following equation:
TJ max = TA max + (PD max x JA)
Where:
•TA max is the maximum ambient temperature in °C,
•JA is the package junction-to-ambient thermal resistance, in °C/W,
•PD max is the sum of PINT max and PI/O max (PD max = PINT max + PI/Omax),
•PINT max is the product of IDD and VDD, expressed in Watts. This is the maximum chip
internal power.
PI/O max represents the maximum power dissipation on output pins where:
PI/O max = (VOL × IOL) + ((VDDIOx – VOH) × IOH),
taking into account the actual VOL / IOL and VOH / IOH of the I/Os at low and high level in the
application.
7.7.1 Reference document
JESD51-2 Integrated Circuits Thermal Test Method Environment Conditions - Natural
Convection (Still Air). Available from www.jedec.org
7.7.2 Selecting the product temperature range
When ordering the microcontroller, the temperature range is specified in the ordering
information scheme shown in Section 8: Ordering information.
Each temperature range suffix corresponds to a specific guaranteed ambient temperature at
maximum dissipation and, to a specific maximum junction temperature.
As applications do not commonly use the STM32L4Sxxx at maximum dissipation, it is useful
to calculate the exact power consumption and junction temperature to determine which
temperature range will be best suited to the application.
Table 128. Package thermal characteristics
Symbol Parameter Value Unit
JA
Thermal resistance junction-ambient
LQFP100 - 14 × 14mm 42
°C/W
Thermal resistance junction-ambient
UFBGA132 - 7 × 7 mm 55
Thermal resistance junction-ambient
LQFP144 - 20 × 20 mm 32
Thermal resistance junction-ambient
UFBGA144 -10 x 10 mm 53
Thermal resistance junction-ambient
UFBGA169 - 7 × 7 mm 52
Thermal resistance junction-ambient
WLCSP144 30.1

DS12024 Rev 3 273/277
STM32L4S5xx, STM32L4S7xx and STM32L4S9xx Package information
274
The following examples show how to calculate the temperature range needed for a given
application.
Example 1: High-performance application
Assuming the following application conditions:
Maximum ambient temperature TAmax = 82 °C (measured according to JESD51-2),
IDDmax = 50 mA, VDD = 3.5 V, maximum 20 I/Os used at the same time in output at low
level with IOL = 8 mA, VOL= 0.4 V and maximum 8 I/Os used at the same time in output
at low level with IOL = 20 mA, VOL= 1.3 V
PINTmax = 50 mA × 3.5 V= 175 mW
PIOmax = 20 × 8 mA × 0.4 V + 8 × 20 mA × 1.3 V = 272 mW
This gives: PINTmax = 175 mW and PIOmax = 272 mW:
PDmax = 175 + 272 = 447 mW
Using the values obtained in Table 128 TJmax is calculated as follows:
– For LQFP100, 42 °C/W
TJmax = 82 °C + (42 °C/W × 447 mW) = 82 °C + 18.774 °C = 100.774 °C
This is within the range of the suffix 6 version parts (–40 < TJ < 105 °C) see Section 8:
Ordering information.
In this case, parts must be ordered at least with the temperature range suffix 6 (see
Section 8: Ordering information).
Note: With this given PDmax we can find the TAmax allowed for a given device temperature range
(order code suffix 6 or 7).
Suffix 6: TAmax = TJmax - (42°C/W × 447 mW) = 105-18.774 = 86.226 °C
Suffix 3: TAmax = TJmax - (42°C/W × 447 mW) = 130-18.774 = 111.226 °C
Example 2: High-temperature application
Using the same rules, it is possible to address applications that run at high ambient
temperatures with a low dissipation, as long as junction temperature TJ remains within the
specified range.
Assuming the following application conditions:
Maximum ambient temperature TAmax = 100 °C (measured according to JESD51-2),
IDDmax = 20 mA, VDD = 3.5 V, maximum 20 I/Os used at the same time in output at low
level with IOL = 8 mA, VOL= 0.4 V
PINTmax = 20 mA × 3.5 V= 70 mW
PIOmax = 20 × 8 mA × 0.4 V = 64 mW
This gives: PINTmax = 70 mW and PIOmax = 64 mW:
PDmax = 70 + 64 = 134 mW
Thus: PDmax = 134 mW
Using the values obtained in Table 128 TJmax is calculated as follows:
– For LQFP100, 42 °C/W
TJmax = 100 °C + (42 °C/W × 134 mW) = 100 °C + 5.628 °C = 105.628 °C
This is above the range of the suffix 6 version parts (–40 < TJ < 105 °C).

DS12024 Rev 3 275/277
STM32L4S5xx, STM32L4S7xx and STM32L4S9xx Ordering information
276
8 Ordering information
Table 129. STM32L4Sxxx ordering information scheme
Example: STM32 L 4Sx V I T 6 TR
Device family
STM32 = Arm® based 32-bit microcontroller
Product type
L = ultra-low-power
Device subfamily
4S5 = STM32L4S5xx
4S7 = STM32L4S7xx, LCD-TFT, Chrom-GRC™
4S9 = STM32L4S9xx, LCD-TFT Chrom-GRC™ and DSI Host
Pin count
V = 100 pins
Q = 132 balls
Z = 144 pins/balls
A = 169 balls
Flash memory size
I = 2 Mbytes of Flash memory
Package
T = LQFP
I = UFBGA (7 x 7 mm)
J = UFBGA (10 x 10 mm)
Y = WLCSP
Temperature range
6 = Industrial temperature range, -40 to 85 °C (105 °C junction)
3 = Industrial temperature range, -40 to 125 °C (130°C junction)
Packing
TR = tape and reel
xxx = programmed parts

Revision history STM32L4S5xx, STM32L4S7xx and STM32L4S9xx
276/277 DS12024 Rev 3
9 Revision history
Table 130. Document revision history
Date Revision Changes
10-Oct-2017 1 Initial release.
28-Nov-2017 2
Added:
–Section 6.3.10: MIPI D-PHY characteristics
–Section 6.3.11: MIPI D-PHY PLL characteristics
–Section 6.3.12: MIPI D-PHY regulator characteristics
Updated:
– Cover page Features (Performance benchmark and Energy
benchmark)
–Table 4: STM32L4S5xx modes overview
–Section 3.12: Clocks and startup
–Figure 14: STM32L4S5xx WLCSP144 ballout(1)
–Table 15: STM32L4Sxxx pin definitions
30-Apr-2018 3
Added:
–Figure 5: Power-up/down sequence
–Figure 61: OctoSPI Hyperbus read with double latency
Updated:
–Section 1: Introduction
–Section 3.10.1: Power supply schemes
–Table 8: Temperature sensor calibration values
– Parameter column on Table 34: Current consumption in
Sleep and Low-power sleep mode, Flash ON
– Title of Table 35: Current consumption in Low-power sleep
mode, Flash in power-down

DS12024 Rev 3 277/277
STM32L4S5xx, STM32L4S7xx and STM32L4S9xx
277
IMPORTANT NOTICE – PLEASE READ CAREFULLY
STMicroelectronics NV and its subsidiaries (“ST”) reserve the right to make changes, corrections, enhancements, modifications, and
improvements to ST products and/or to this document at any time without notice. Purchasers should obtain the latest relevant information on
ST products before placing orders. ST products are sold pursuant to ST’s terms and conditions of sale in place at the time of order
acknowledgement.
Purchasers are solely responsible for the choice, selection, and use of ST products and ST assumes no liability for application assistance or
the design of Purchasers’ products.
No license, express or implied, to any intellectual property right is granted by ST herein.
Resale of ST products with provisions different from the information set forth herein shall void any warranty granted by ST for such product.
ST and the ST logo are trademarks of ST. All other product or service names are the property of their respective owners.
Information in this document supersedes and replaces information previously supplied in any prior versions of this document.
© 2018 STMicroelectronics – All rights reserved


