NOW PART OF
ANALOG
DEVICES LTC681 1—1 /LTC681 1—2
LIL TIEIDHNOLOGY
LTC6811-1/LTC6811-2
1
68111fb
For more information www.linear.com/LTC6811-1
TYPICAL APPLICATION
FEATURES DESCRIPTION
Multicell Battery Monitors
The LTC
®
6811 is a multicell battery stack monitor that
measures up to 12 series connected battery cells with
a total measurement error of less than 1.2mV. The cell
measurement range of 0V to 5V makes the LTC6811
suitable for most battery chemistries. All 12 cells can be
measured in 290µs, and lower data acquisition rates can
be selected for high noise reduction.
Multiple LTC6811 devices can be connected in series, per-
mitting simultaneous cell monitoring of long, high voltage
battery strings. Each LTC6811 has an isoSPI interface for
high speed, RF-immune, long distance communications.
Using the LTC6811-1, multiple devices are connected in
a daisy chain with one host processor connection for all
devices. Using the LTC6811-2, multiple devices are con-
nected in parallel to the host processor, with each device
individually addressed.
The LTC6811 can be powered directly from the battery
stack or from an isolated supply. The LTC6811 includes
passive balancing for each cell, with individual PWM
duty cycle control for each cell. Other features include an
onboard 5V regulator, five general purpose I/O lines and a
sleep mode, where current consumption is reduced to 4µA.
L, LT, LTC, LTM, Linear Technology and the Linear logo are registered trademarks and isoSPI
is a trademark of Analog Devices, Inc. All other trademarks are the property of their respective
owners. Patents 8908779, 9182428, 9270133.
n Pin-Compatible Upgrade from the LTC6804
n Measures Up to 12 Battery Cells in Series
n 1.2mV Maximum Total Measurement Error
n Stackable Architecture Supports 100s of Cells
n Built-in isoSPI
TM
Interface
n 1Mb Isolated Serial Communications
n Uses a Single Twisted Pair, up to 100 Meters
n Low EMI Susceptibility and Emissions
n 290µs to Measure All Cells in a System
n Synchronized Voltage and Current Measurement
n 16-Bit Delta-Sigma ADC with Programmable 3rd
Order Noise Filter
n Engineered for ISO 26262-Compliant Systems
n Passive Cell Balancing with Programmable Timer
n 5 General Purpose Digital I/O or Analog Inputs
n Temperature or other Sensor Inputs
n Configurable as an I2C or SPI master
n 4μA Sleep Mode Supply Current
n 48-Lead SSOP Package
APPLICATIONS
n Electric and Hybrid Electric Vehicles
n Backup Battery Systems
n Grid Energy Storage
n High Power Portable Equipment
LTC6811
16
+
–
ADC
DATA
I/O
ISO26262
DIAGNOSTICS
VOLTAGE
REFERENCE
SENSORS
68111 TA01a
MUX
SWITCH
ON/OFF
MEASUREMENT ERROR (mV)
2.0
1.5
0.5
–0.5
–1.5
1.0
0.0
–1.0
–2.0
REAL WORLD CELL
MEASUREMENT BUDGET
ADDITIONAL PCB ASSEMBLY SHIFT
CELL = 3.3V
MEASUREMENT
ERROR, 25°C
ADDITIONAL
CHANGE
–40°C TO 125°C
68111 TA01b
LTC6811—1/LTC6811—2
LTC6811-1/LTC6811-2
2
68111fb
For more information www.linear.com/LTC6811-1
TABLE OF CONTENTS
Features ............................................................................................................................ 1
Applications ....................................................................................................................... 1
Typical Application ............................................................................................................... 1
Description......................................................................................................................... 1
Absolute Maximum Ratings ..................................................................................................... 3
Pin Configuration ................................................................................................................. 3
Order Information ................................................................................................................. 4
Electrical Characteristics ........................................................................................................ 4
Typical Performance Characteristics .........................................................................................10
Pin Functions .....................................................................................................................16
Block Diagram ....................................................................................................................17
Differences Between the LTC6804 and the LTC6811 .......................................................................19
Operation..........................................................................................................................20
State Diagram ....................................................................................................................................................... 20
Core LTC6811 State Descriptions ......................................................................................................................... 20
isoSPI State Descriptions ..................................................................................................................................... 21
Power Consumption ............................................................................................................................................. 21
ADC Operation ...................................................................................................................................................... 21
Data Acquisition System Diagnostics ................................................................................................................... 28
Watchdog and Discharge Timer ............................................................................................................................ 34
S Pin Pulse Width Modulation for Cell Balancing .................................................................................................. 35
I2C/SPI Master on LTC6811 Using GPIOs............................................................................................................. 36
S Pin Pulsing Using the S Control Register Group ................................................................................................ 40
Serial Interface Overview ...................................................................................................................................... 41
4-Wire Serial Peripheral Interface (SPI) Physical Layer ........................................................................................ 41
2-Wire Isolated Interface (isoSPI) Physical Layer ................................................................................................. 42
Data Link Layer ..................................................................................................................................................... 49
Network Layer ....................................................................................................................................................... 50
Applications Information .......................................................................................................64
Providing DC Power .............................................................................................................................................. 64
Internal Protection and Filtering ............................................................................................................................ 66
Cell Balancing ....................................................................................................................................................... 68
Discharge Control During Cell Measurements ...................................................................................................... 70
Digital Communications ........................................................................................................................................ 72
Enhanced Applications .......................................................................................................................................... 82
Reading External Temperature Probes .................................................................................................................. 85
Package Description ............................................................................................................86
Revision History .................................................................................................................87
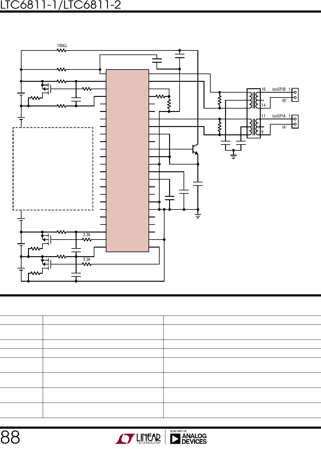
Typical Application ..............................................................................................................88
Related Parts .....................................................................................................................88
LTC681 1—1/LTC681 1—2
jjjjjjjjjjjjjjjjjjjjjjjj
EEEEEEEEEEEEEEEEEKEEEEEE
5 mm
jjjjjjjjjjjjjjjjjjjjjjjj
EEEEEEEEEEEEEEEEEKEEEEEE
LTC6811-1/LTC6811-2
3
68111fb
For more information www.linear.com/LTC6811-1
ABSOLUTE MAXIMUM RATINGS
Total Supply Voltage, V+ to V– ................................... 75V
Supply Voltage (Relative to C6), V+ to C6 ..................50V
Input Voltage (Relative to V–),
C0 ......................................................... –0.3V to 0.3V
C12 .............................. –0.3V to MIN(V+ + 5.5V, 75V)
C(n) ......................................–0.3V to MIN(8 • n, 75V)
S(n) ...................................... –0.3V to MIN(8 • n, 75V)
IPA, IMA, IPB, IMB ............ –0.3V to VREG + 0.3V, ≤6V
DRIVE ...................................................... –0.3V to 7V
All Other Pins ........................................... –0.3V to 6V
Voltage Between Inputs
C(n) to C(n – 1) ........................................ –0.3V to 8V
S(n) to C(n – 1) ........................................ –0.3V to 8V
C12 to C9 ............................................... –0.3V to 21V
(Note 1)
PIN CONFIGURATION
LTC6811-1 LTC6811-2
1
2
3
4
5
6
7
8
9
10
11
12
13
14
15
16
17
18
19
20
21
22
23
24
TOP VIEW
G PACKAGE
48-LEAD PLASTIC SSOP
48
47
46
45
44
43
42
41
40
39
38
37
36
35
34
33
32
31
30
29
28
27
26
25
V+
C12
S12
C11
S11
C10
S10
C9
S9
C8
S8
C7
S7
C6
S6
C5
S5
C4
S4
C3
S3
C2
S2
C1
IPB
IMB
ICMP
IBIAS
SDO (NC)*
SDI (NC)*
SCK (IPA)*
CSB (IMA)*
ISOMD
WDT
DRIVE
VREG
DTEN
VREF1
VREF2
GPIO5
GPIO4
V–
V–**
GPIO3
GPIO2
GPIO1
C0
S1
TJMAX = 150°C, θJA = 55°C/W
*THE FUNCTION OF THESE PINS DEPENDS ON THE CONNECTION OF ISOMD
ISOMD TIED TO V–: CSB, SCK, SDI, SDO
ISOMD TIED TO VREG: IMA, IPA, NC, NC
**THIS PIN MUST BE CONNECTED TO V–
1
2
3
4
5
6
7
8
9
10
11
12
13
14
15
16
17
18
19
20
21
22
23
24
TOP VIEW
G PACKAGE
48-LEAD PLASTIC SSOP
48
47
46
45
44
43
42
41
40
39
38
37
36
35
34
33
32
31
30
29
28
27
26
25
V+
C12
S12
C11
S11
C10
S10
C9
S9
C8
S8
C7
S7
C6
S6
C5
S5
C4
S4
C3
S3
C2
S2
C1
A3
A2
A1
A0
SDO (IBIAS)*
SDI (ICMP)*
SCK (IPA)*
CSB (IMA)*
ISOMD
WDT
DRIVE
VREG
DTEN
VREF1
VREF2
GPIO5
GPIO4
V–
V–**
GPIO3
GPIO2
GPIO1
C0
S1
TJMAX = 150°C, θJA = 55°C/W
*THE FUNCTION OF THESE PINS DEPENDS ON THE CONNECTION OF ISOMD
ISOMD TIED TO V–: CSB, SCK, SDI, SDO
ISOMD TIED TO VREG: IMA, IPA, NC, NC
**THIS PIN MUST BE CONNECTED TO V–
C9 to C6 ................................................. –0.3V to 21V
C6 to C3 ................................................. –0.3V to 21V
C3 to C0 ................................................. –0.3V to 21V
Current In/Out of Pins
All Pins Except VREG, IPA, IMA, IPB, IMB, S(n) .. 10mA
IPA, IMA, IPB, IMB .............................................30mA
Operating Temperature Range
LTC6811I ..............................................–40°C to 85°C
LTC6811H .......................................... –40°C to 125°C
Specified Temperature Range
LTC6811I ..............................................–40°C to 85°C
LTC6811H .......................................... –40°C to 125°C
Junction Temperature ........................................... 150°C
Storage Temperature Range .................. –65°C to 150°C
Lead Temperature (Soldering 10 sec) ....................300°C
LTC681 1—1/LTC681 1—2
LTC6811-1/LTC6811-2
4
68111fb
For more information www.linear.com/LTC6811-1
ORDER INFORMATION
TUBE TAPE AND REEL PART MARKING* PACKAGE DESCRIPTION SPECIFIED
TEMPERATURE RANGE
LTC6811IG-1#PBF LTC6811IG-1#TRPBF LTC6811G-1 48-Lead Plastic SSOP –40°C to 85°C
LTC6811HG-1#PBF LTC6811HG-1#TRPBF LTC6811G-1 48-Lead Plastic SSOP –40°C to 125°C
LTC6811IG-2#PBF LTC6811IG-2#TRPBF LTC6811G-2 48-Lead Plastic SSOP –40°C to 85°C
LTC6811HG-2#PBF LTC6811HG-2#TRPBF LTC6811G-2 48-Lead Plastic SSOP –40°C to 125°C
Consult LTC Marketing for parts specified with wider operating temperature ranges. *The temperature grade is identified by a label on the shipping container.
Parts ending with PBF are RoHS and WEEE compliant.
For more information on lead free part marking, go to: http://www.linear.com/leadfree/
For more information on tape and reel specifications, go to: http://www.linear.com/tapeandreel/ Some packages are available in 500 unit reels through
designated sales channels with #TRMPBF suffix.
ELECTRICAL CHARACTERISTICS
SYMBOL PARAMETER CONDITIONS MIN TYP MAX UNITS
ADC DC Specifications
Measurement Resolution l 0.1 mV/bit
ADC Offset Voltage (Note 2) l 0.1 mV
ADC Gain Error (Note 2)
l
0.01
0.02 %
%
Total Measurement Error (TME) in Normal
Mode C(n) to C(n – 1), GPIO(n) to V–=0 ±0.2 mV
C(n) to C(n – 1)=2.0 ±0.1 ±0.8 mV
C(n) to C(n – 1), GPIO(n) to V–=2.0 l ±1.4 mV
C(n) to C(n – 1)=3.3 ±0.2 ±1.2 mV
C(n) to C(n – 1), GPIO(n) to V–=3.3 l ±2.2 mV
C(n) to C(n – 1)=4.2 ±0.3 ±1.6 mV
C(n) to C(n – 1), GPIO(n) to V–=4.2 l±2.8 mV
C(n) to C(n – 1), GPIO(n) to V–=5.0 ±1 mV
Sum of Cells l±0.05 ±0.25 %
Internal Temperature, T=Maximum Specified
Temperature ±5 °C
VREG Pin l±0.1 ±0.25 %
VREF2 Pin l±0.02 ±0.1 %
Digital Supply Voltage VREGD l±0.1 ±1 %
The l denotes the specifications which apply over the full operating
temperature range, otherwise specifications are at TA = 25°C. The test conditions are V+ = 39.6V, VREG = 5.0V unless otherwise noted.
The ISOMD pin is tied to the V– pin, unless otherwise noted.
http://www.linear.com/product/LTC6811-1#orderinfo
LTC681 1—1/LTC681 1—2
LTC6811-1/LTC6811-2
5
68111fb
For more information www.linear.com/LTC6811-1
ELECTRICAL CHARACTERISTICS
SYMBOL PARAMETER CONDITIONS MIN TYP MAX UNITS
Total Measurement Error (TME) in Filtered
Mode C(n) to C(n – 1), GPIO(n) to V–=0 ±0.1 mV
C(n) to C(n – 1)= 2.0 ±0.1 ±0.8 mV
C(n) to C(n – 1), GPIO(n) to V–=2.0 l±1.4 mV
C(n) to C(n – 1)= 3.3 ±0.2 ±1.2 mV
C(n) to C(n – 1), GPIO(n) to V–=3.3 l±2.2 mV
C(n) to C(n – 1) =4.2 ±0.3 ±1.6 mV
C(n) to C(n – 1), GPIO(n) to V–=4.2 l±2.8 mV
C(n) to C(n – 1), GPIO(n) to V–=5.0 ±1 mV
Sum of Cells l±0.05 ±0.25 %
Internal Temperature, T=Maximum Specified
Temperature ±5 °C
VREG Pin l±0.1 ±0.25 %
VREF2 Pin l±0.02 ±0.1 %
Digital Supply Voltage VREGD l±0.1 ±1 %
Total Measurement Error (TME) in Fast Mode C(n) to C(n – 1), GPIO(n) to V–=0 ±2 mV
C(n) to C(n – 1), GPIO(n) to V–=2.0 l±4 mV
C(n) to C(n – 1), GPIO(n) to V–=3.3 l±4.7 mV
C(n) to C(n – 1), GPIO(n) to V–=4.2 l±8.3 mV
C(n) to C(n – 1), GPIO(n) to V–=5.0 ±10 mV
Sum of Cells l±0.15 ±0.5 %
Internal Temperature, T=Maximum Specified
Temperature ±5 °C
VREG Pin l±0.3 ±1 %
VREF2 Pin l±0.1 ±0.25 %
Digital Supply Voltage VREGD l±0.2 ±2 %
Input Range C(n), n=1 to 12 lC(n – 1) C(n–1)+5 V
C0 l0
GPIO(n), n=1 to 5 l0 5 V
ILInput Leakage Current When Inputs Are Not
Being Measured (State: Core = STANDBY) C(n), n=0 to 12 l10 ±250 nA
GPIO(n), n=1 to 5 l10 ±250 nA
Input Current When Inputs Are Being
Measured (State: Core = MEASURE) C(n), n=0 to 12 ±1 µA
GPIO(n), n=1 to 5 ±1 µA
Input Current During Open Wire Detection l70 100 130 µA
Voltage Reference Specifications
VREF1 1st Reference Voltage VREF1 Pin, No Load l3.1 3.2 3.3 V
1st Reference Voltage TC VREF1 Pin, No Load 3 ppm/°C
1st Reference Voltage Hysteresis VREF1 Pin, No Load 20 ppm
1st Reference V. Long Term Drift VREF1 Pin, No Load 20 ppm/√khr
The l denotes the specifications which apply over the full operating
temperature range, otherwise specifications are at TA = 25°C. The test conditions are V+ = 39.6V, VREG = 5.0V unless otherwise noted.
The ISOMD pin is tied to the V– pin, unless otherwise noted.
LTC681 1—1/LTC681 1—2
LTC6811-1/LTC6811-2
6
68111fb
For more information www.linear.com/LTC6811-1
ELECTRICAL CHARACTERISTICS
SYMBOL PARAMETER CONDITIONS MIN TYP MAX UNITS
VREF2 2nd Reference Voltage VREF2 Pin, No Load l2.995 3 3.005 V
VREF2 Pin, 5k Load to V–l2.995 3 3.005 V
2nd Reference Voltage TC VREF2 Pin, No Load 10 ppm/°C
2nd Reference Voltage Hysteresis VREF2 Pin, No Load 100 ppm
2nd Reference V. Long Term Drift VREF2 Pin, No Load 60 ppm/√khr
General DC Specifications
IVP V+ Supply Current
(See Figure1: LTC6811 Operation State
Diagram)
State: Core=SLEEP,
isoSPI=IDLE VREG=0V 4.1 7 µA
VREG=0V l4.1 10 µA
VREG=5V 1.9 3 µA
VREG=5V l1.9 5 µA
State: Core=STANDBY
l
8
613
13 19
24 µA
µA
State: Core=REFUP or MEASURE
l
0.4
0.375 0.55
0.55 0.75
0.775 mA
mA
IREG(CORE) VREG Supply Current
(See Figure1: LTC6811 Operation State
Diagram)
State: Core=SLEEP,
isoSPI=IDLE VREG=5V 2.2 4 µA
VREG=5V l2.2 6 µA
State: Core=STANDBY
l
17
14 40
40 67
70 µA
µA
State: Core=REFUP
l
0.2
0.15 0.45
0.45 0.7
0.75 mA
mA
State: Core=MEASURE
l
10.8
10.7 11.5
11.5 12.2
12.3 mA
mA
IREG(isoSPI) Additional VREG Supply Current if isoSPI in
READY/ACTIVE States
Note: ACTIVE State Current Assumes
tCLK=1µs. (Note 3)
LTC6811-2, ISOMD=1
RB1 + RB2=2K READY l3.6 4.5 5.4 mA
ACTIVE l4.6 5.8 7.0 mA
LTC6811-1, ISOMD=0
RB1 + RB2=2K READY l3.6 4.5 5.2 mA
ACTIVE l5.6 6.8 8.1 mA
LTC6811-1, ISOMD=1
RB1 + RB2=2K READY l4.0 5.2 6.5 mA
ACTIVE l7.0 8.5 10.5 mA
LTC6811-2, ISOMD=1
RB1 + RB2=20K READY l1.0 1.8 2.6 mA
ACTIVE l1.2 2.2 3.2 mA
LTC6811-1, ISOMD=0
RB1 + RB2=20K READY l1.0 1.8 2.4 mA
ACTIVE l1.3 2.3 3.3 mA
LTC6811-1, ISOMD=1
RB1 + RB2=20K READY l1.6 2.5 3.5 mA
ACTIVE l1.8 3.1 4.8 mA
V+ Supply Voltage TME Specifications Met l11 40 55 V
V+ to C12 Voltage TME Specifications Met l–0.3 V
V+ to C6 Voltage TME Specifications Met l40 V
VREG VREG Supply Voltage TME Supply Rejection < 1mV/V l4.5 5 5.5 V
The l denotes the specifications which apply over the full operating
temperature range, otherwise specifications are at TA = 25°C. The test conditions are V+ = 39.6V, VREG = 5.0V unless otherwise noted.
The ISOMD pin is tied to the V– pin, unless otherwise noted.
LTC681 1—1/LTC681 1—2
LTC6811-1/LTC6811-2
7
68111fb
For more information www.linear.com/LTC6811-1
ELECTRICAL CHARACTERISTICS
SYMBOL PARAMETER CONDITIONS MIN TYP MAX UNITS
DRIVE Output Voltage Sourcing 1µA
l
5.4
5.2 5.7
5.7 5.9
6.1 V
V
Sourcing 500µA l5.1 5.7 6.1 V
VREGD Digital Supply Voltage l2.7 3 3.6 V
Discharge Switch ON Resistance VCELL=3.6V l10 25 Ω
Thermal Shutdown Temperature 150 °C
VOL(WDT) Watch Dog Timer Pin Low WDT Pin Sinking 4mA l0.4 V
VOL(GPIO) General Purpose I/O Pin Low GPIO Pin Sinking 4mA (Used as Digital Output) l0.4 V
ADC Timing Specifications
tCYCLE
(Figure3,
Figure4,
Figure6)
Measurement + Calibration Cycle Time
When Starting from the REFUP State in
Normal Mode
Measure 12 Cells l2120 2335 2480 µs
Measure 2 Cells l365 405 430 µs
Measure 12 Cells and 2 GPIO Inputs l2845 3133 3325 µs
Measurement + Calibration Cycle Time
When Starting from the REFUP State in
Filtered Mode
Measure 12 Cells l183 201.3 213.5 ms
Measure 2 Cells l30.54 33.6 35.64 ms
Measure 12 Cells and 2 GPIO Inputs l244 268.4 284.7 ms
Measurement + Calibration Cycle Time When
Starting from the REFUP State in Fast Mode Measure 12 Cells l1010 1113 1185 µs
Measure 2 Cells l180 201 215 µs
Measure 12 Cells and 2 GPIO Inputs l1420 1564 1660 µs
tSKEW1
(Figure6) Skew Time. The Time Difference between
Cell 12 and GPIO1 Measurements,
Command=ADCVAX
Fast Mode l176 194 206 µs
Normal Mode l493 543 576 µs
tSKEW2
(Figure3) Skew Time. The Time Difference between
Cell12 and Cell1 Measurements,
Command=ADCV
Fast Mode l211 233 248 µs
Normal Mode l609 670 711 µs
tWAKE Regulator Startup Time VREG Generated from DRIVE Pin (Figure32) l200 400 µs
tSLEEP
(Figure1) Watchdog or Discharge Timer DTEN Pin=0 or DCTO[3:0]=0000 l1.8 2 2.2 sec
DTEN Pin=1 and DCTO[3:0] ≠ 0000 0.5 120 min
tREFUP
(Figure3 for
example)
Reference Wake-Up Time. Added to tCYCLE
Time when Starting from the STANDBY State.
tREFUP=0 When Starting from Other States.
tREFUP Is Independent of the Number of
Channels Measured and the ADC Mode.
l2.7 3.5 4.4 ms
fSADC Clock Frequency 3.3 MHz
SPI interface DC Specifications
VIH(SPI) SPI Pin Digital Input Voltage High Pins CSB, SCK, SDI l2.3 V
VIL(SPI) SPI Pin Digital Input Voltage Low Pins CSB, SCK, SDI l0.8 V
VIH(CFG) Configuration Pin Digital Input Voltage High Pins ISOMD, DTEN, GPIO1 to GPIO5, A0 to A3 l2.7 V
VIL(CFG) Configuration Pin Digital Input Voltage Low Pins ISOMD, DTEN, GPIO1 to GPIO5, A0 to A3 l1.2 V
ILEAK(DIG) Digital Input Current Pins CSB, SCK, SDI, ISOMD, DTEN, A0 to A3 l±1 µA
VOL(SDO) Digital Output Low Pin SDO Sinking 1mA l0.3 V
The l denotes the specifications which apply over the full operating
temperature range, otherwise specifications are at TA = 25°C. The test conditions are V+ = 39.6V, VREG = 5.0V unless otherwise noted.
The ISOMD pin is tied to the V– pin, unless otherwise noted.
LTC681 1—1/LTC681 1—2
LTC6811-1/LTC6811-2
8
68111fb
For more information www.linear.com/LTC6811-1
ELECTRICAL CHARACTERISTICS
SYMBOL PARAMETER CONDITIONS MIN TYP MAX UNITS
isoSPI DC Specifications (see Figure17)
VBIAS Voltage on IBIAS Pin READY/ACTIVE State
IDLE State
l1.9 2.0
02.1 V
V
IBIsolated Interface Bias Current RBIAS=2k to 20k l0.1 1.0 mA
AIB Isolated Interface Current Gain VA ≤ 1.6V IB=1mA
IB=0.1mA
l
l
18
18 20
20 22
24.5 mA/mA
mA/mA
VATransmitter Pulse Amplitude VA=|VIP–VIM|l1.6 V
VICMP Threshold-Setting Voltage on ICMP Pin VTCMP=ATCMP • VICMP l0.2 1.5 V
ILEAK(ICMP) Input Leakage Current on ICMP Pin VICMP=0V to VREG l±1 µA
ILEAK(IP/IM) Leakage Current on IP and IM Pins IDLE State, VIP or VIM, 0V to VREG l±1 µA
ATCMP Receiver Comparator Threshold Voltage Gain VCM=VREG /2 to VREG – 0.2V,
VICMP=0.2V to 1.5V
l0.4 0.5 0.6 V/V
VCM Receiver Common Mode Bias IP/IM Not Driving (VREG – VICMP/3 – 167mV) V
RIN Receiver Input Resistance Single-Ended to IPA, IMA, IPB, IMB l26 35 45 kΩ
isoSPI Idle/Wake-Up Specifications (see Figure26)
VWAKE Differential Wake-Up Voltage tDWELL=240ns l200 mV
tDWELL Dwell Time at VWAKE Before Wake Detection VWAKE=200mV l240 ns
tREADY Startup Time After Wake Detection l10 µs
tIDLE Idle Timeout Duration l4.3 5.5 6.7 ms
isoSPI Pulse Timing Specifications (see Figure24)
t½PW(CS) Chip-Select Half-Pulse Width Transmitter l120 150 180 ns
tFILT(CS) Chip-Select Signal Filter Receiver l70 90 110 ns
tINV(CS) Chip-Select Pulse Inversion Delay Transmitter l120 155 190 ns
tWNDW(CS) Chip-Select Valid Pulse Window Receiver l220 270 330 ns
t½PW(D) Data Half-Pulse Width Transmitter l40 50 60 ns
tFILT(D) Data Signal Filter Receiver l10 25 35 ns
tINV(D) Data Pulse Inversion Delay Transmitter l40 55 65 ns
tWNDW(D) Data Valid Pulse Window Receiver l70 90 110 ns
SPI Timing Requirements (see Figure16 and Figure25)
tCLK SCK Period (Note 4) l1 µs
t1SDI Setup Time before SCK Rising Edge l25 ns
t2SDI Hold Time after SCK Rising Edge l25 ns
t3SCK Low tCLK=t3 + t4 ≥ 1µs l200 ns
t4SCK High tCLK=t3 + t4 ≥ 1µs l200 ns
t5CSB Rising Edge to CSB Falling Edge l0.65 µs
t6SCK Rising Edge to CSB Rising Edge (Note 4) l0.8 µs
t7CSB Falling Edge to SCK Rising Edge (Note 4) l1 µs
The l denotes the specifications which apply over the full operating
temperature range, otherwise specifications are at TA = 25°C. The test conditions are V+ = 39.6V, VREG = 5.0V unless otherwise noted.
The ISOMD pin is tied to the V– pin, unless otherwise noted.
LTC681 1—1/LTC681 1—2
LTC6811-1/LTC6811-2
9
68111fb
For more information www.linear.com/LTC6811-1
ELECTRICAL CHARACTERISTICS
SYMBOL PARAMETER CONDITIONS MIN TYP MAX UNITS
isoSPI Timing Specifications (See Figure25)
t8SCK Falling Edge to SDO Valid (Note 5) l60 ns
t9SCK Rising Edge to Short ±1 Transmit l50 ns
t10 CSB Transition to Long ±1 Transmit l60 ns
t11 CSB Rising Edge to SDO Rising (Note 5) l200 ns
tRTN Data Return Delay l325 375 425 ns
tDSY(CS) Chip-Select Daisy-Chain Delay l120 180 ns
tDSY(D) Data Daisy-Chain Delay l200 250 300 ns
tLAG Data Daisy-Chain Lag (vs. Chip-Select) = [tDSY(D) + t½PW(D)] – [tDSY(CS) + t½PW(CS)]l0 35 70 ns
t5(GOV) Chip-Select High-to-Low Pulse Governor l0.6 0.82 µs
t6(GOV) Data to Chip-Select Pulse Governor l0.8 1.05 µs
Note 1: Stresses beyond those listed under the Absolute Maximum
Ratings may cause permanent damage to the device. Exposure to any
Absolute Maximum Rating condition for extended periods may affect
device reliability and lifetime.
Note 2: The ADC specifications are guaranteed by the Total Measurement
Error specification.
Note 3: The ACTIVE state current is calculated from DC measurements.
The ACTIVE state current is the additional average supply current into
VREG when there is continuous 1MHz communications on the isoSPI ports
with 50% data 1’s and 50% data 0’s. Slower clock rates reduce the supply
current. See Applications Information section for additional details.
Note 4: These timing specifications are dependent on the delay through
the cable, and include allowances for 50ns of delay each direction. 50ns
corresponds to 10m of CAT5 cable (which has a velocity of propagation of
66% the speed of light). Use of longer cables would require derating these
specs by the amount of additional delay.
Note 5: These specifications do not include rise or fall time of SDO. While
fall time (typically 5ns due to the internal pull-down transistor) is not a
concern, rising-edge transition time tRISE is dependent on the pull-up
resistance and load capacitance on the SDO pin. The time constant must
be chosen such that SDO meets the setup time requirements of the MCU.
The l denotes the specifications which apply over the full operating
temperature range, otherwise specifications are at TA = 25°C. The test conditions are V+ = 39.6V, VREG = 5.0V unless otherwise noted.
The ISOMD pin is tied to the V– pin, unless otherwise noted.
LTCé811—1/LTC6811-2
cELL VOLTAGE z 3 3V
5 WPIOAL UNITS
MEASUREMENT ERROR (va
415
7L0
7L5
720
750 725 u 25 5o 75 mo I25
TEMPERATURE Ian)
2” L L L
‘5 LuAOcMEAsUREMENTS
AVERAGEO AT EACH INPUT
MEASUREMENT ERROR (va
é:
PEAK NOISE (va
MEASUREMENT ERROR (va
PEAK NOISE (va
NUMBER OE PARTS
a
Emu
n
«so 720 2D
IOADO MEASUREMENTS
AVERAGED AT EACH INPUT
L 2 3
INPUT 1V)
Loo
GHANGE LII GAIN ERROR (ppm)
140
5
MEASUREMENTERROR(va MEASUREMENTERROR(pme
PEAK NOISE (va
L2
cELL VOLTAGE = 3 3v
7 WPIOAL PARTS
732:: son Loco 1500 2m 2500
TLMEIHouRsI mm
ID
a IOADCMEASUREMENTS
5 AVERAGEDATEAGRLIIPUT
4
2
u
72
4
fi
‘3
40
u L 2 a 4 5
INPUTW) “mm
In
9
a
7
s
5
4
3
2
I
n
0 I 2 3 4 5
LNPUTL)
‘IO
LTC6811-1/LTC6811-2
10
68111fb
For more information www.linear.com/LTC6811-1
TYPICAL PERFORMANCE CHARACTERISTICS
Measurement Error vs
Temperature
Measurement Error Due to IR
Reflow
Measurement Error Long-Term
Drift
Measurement Error vs Input,
Normal Mode
Measurement Error vs Input,
Filtered Mode
Measurement Error vs Input, Fast
Mode
Measurement Noise vs Input,
Normal Mode
Measurement Noise vs Input,
Filtered Mode
Measurement Noise vs Input,
Fast Mode
CELL VOLTAGE = 3.3V
5 TYPICAL UNITS
TEMPERATURE (°C)
–50
–25
0
25
50
75
100
125
–2.0
–1.5
–1.0
–0.5
0
0.5
1.0
1.5
2.0
MEASUREMENT ERROR (mV)
68111 G01
CHANGE IN GAIN ERROR (ppm)
–100
–60
–20
20
60
100
140
0
1
2
3
4
5
6
7
NUMBER OF PARTS
68111 G02
CELL VOLTAGE = 3.3V
7 TYPICAL PARTS
TIME (HOURS)
0
500
1000
1500
2000
2500
–32
–25
–18
–10
–3
4
12
MEASUREMENT ERROR (ppm)
68111 G03
10 ADC MEASUREMENTS
AVERAGED AT EACH INPUT
INPUT (V)
0
1
2
3
4
5
–2.0
–1.5
–1.0
–0.5
0
0.5
1.0
1.5
2.0
MEASUREMENT ERROR (mV)
68111 G04
10 ADC MEASUREMENTS
AVERAGED AT EACH INPUT
INPUT (V)
0
1
2
3
4
5
–2.0
–1.5
–1.0
–0.5
0
0.5
1.0
1.5
2.0
MEASUREMENT ERROR (mV)
68111 G05
10 ADC MEASUREMENTS
AVERAGED AT EACH INPUT
INPUT (V)
0
1
2
3
4
5
–10
–8
–6
–4
–2
0
2
4
6
8
10
MEASUREMENT ERROR (mV)
68111 G06
INPUT (V)
0
1
2
3
4
5
0
0.1
0.2
0.3
0.4
0.5
0.6
0.7
0.8
0.9
1.0
PEAK NOISE (mV)
68111 G07
INPUT (V)
0
1
2
3
4
5
0
0.1
0.2
0.3
0.4
0.5
0.6
0.7
0.8
0.9
1.0
PEAK NOISE (mV)
68111 G08
INPUT (V)
0
1
2
3
4
5
0
1
2
3
4
5
6
7
8
9
10
PEAK NOISE (mV)
68111 G09
TA = 25°C, unless otherwise noted.

LTC6811-1/LTC6811-2
11
68111fb
For more information www.linear.com/LTC6811-1
TYPICAL PERFORMANCE CHARACTERISTICS
Measurement Gain Error
Hysteresis, Hot
Measurement Gain Error
Hysteresis, Cold Noise Filter Response
Measurement Error vs VREG Measurement Error vs V+Top Cell Measurement Error vs V+
Measurement Error vs Common
Mode Voltage
Measurement Error Due to a
VREG AC Disturbance
Measurement Error Due to a V+
AC Disturbance
T
A
= 85°C TO 25°C
CHANGE IN GAIN ERROR (ppm)
–40
–20
0
20
40
60
80
100
0
10
20
30
40
50
NUMBER OF PARTS
68111 G10
T
A
= –40°C TO 25°C
CHANGE IN GAIN ERROR (ppm)
–75
–50
–25
0
25
50
75
0
5
10
15
20
25
30
35
40
45
NUMBER OF PARTS
68111 G11
INPUT FREQUENCY (Hz)
10
100
1k
10k
100k
1M
–70
–60
–50
–40
–30
–20
–10
0
NOISE REJECTION (dB)
68111 G12
26Hz
2kHz
14kHz
422Hz
3kHz
27kHz
1kHz
7kHz
VIN = 2V
VIN = 3.3V
VIN = 4.2V
V
REG
(V)
4.5
4.6
4.7
4.8
4.9
5.0
5.1
5.2
5.3
5.4
5.5
–2.0
–1.5
–1.0
–0.5
0
0.5
1.0
1.5
2.0
MEASUREMENT ERROR (mV)
68111 G13
MEASUREMENT ERROR OF
CELL1 WITH 3.3V INPUT
V
REG
GENERATED FROM
DRIVE PIN, FIGURE 28
V
+
(V)
5
10
15
20
25
30
35
40
–2.0
–1.5
–1.0
–0.5
0
0.5
1.0
1.5
2.0
MEASUREMENT ERROR (mV)
68111 G14
C12–C11 = 3.3V
C12 = 39.6V
V
+
(V)
36
38
40
42
44
–2.0
–1.5
–1.0
–0.5
0
0.5
1.0
1.5
2.0
TOP CELL MEASUREMENT ERROR (mV)
68111 G15
C12 – C11 = 3.3V
V
+
= 43.3V
C11 VOLTAGE (V)
0
5
10
15
20
25
30
35
40
–2.0
–1.5
–1.0
–0.5
0
0.5
1.0
1.5
2.0
CELL12 MEASUREMENT ERROR (mV)
68111 G16
V
REG(DC)
= 5V
V
REG(AC)
= 0.5V
p–p
1BIT CHANGE
< –70dB
FREQUENCY (Hz)
100
1k
10k
100k
1M
10M
–80
–70
–60
–50
–40
–30
–20
–10
0
PSRR (dB)
68111 G17
V
+
DC
= 39.6V
V
+
AC
= 5V
p–p
1BIT CHANGE
< –90dB
V
REG
GENERATED FROM
DRIVE PIN, FIGURE 28
FREQUENCY (Hz)
100
1k
10k
100k
1M
10M
–100
–90
–80
–70
–60
–50
–40
–30
–20
–10
0
PSRR (dB)
68111 G18
TA = 25°C, unless otherwise noted.
LTC6811—1/LTC6811-2
U 2" x x x w
an VCMmzsvp,p ‘5 T‘MEBETWEEN MEAsunmzmswnc,
NOR LMDDECONVERS‘ONS ; g
*20 E, E, I2
I 1
an E g 5
a n L: I a
E 4 L“ W
s E E
5 ’5“ a a "
fi fan 5 % 74
m 3 2
*70 u.- w 78
an E E 42 C’“
’ d g —— cannnr \
m D ,‘5 — —C=wr
4m 720 - CZWF \
mm W ‘Dk max ‘M “am we ‘k ‘Dk I w mu Ik ‘Uk max
FREUUENCV (Hz) INPUT RES‘STANCE‘ R (m ‘NPUT RES‘STANCE‘ R (m
240 7 80
‘2CELLNORMALMODECONVERS‘ONS SLEEPSUPPLYCURRENT: smmuavsupmcumm:
-._ V‘CURRENToVREGCURRENT A 75 V‘CURRENToVREGCURRENT
A 235 4‘ (A e __ _._ :5] _ ”5°C
E 3 E 70 —— avg
I z w — 25°
g 23" 5 5 _ E 55 40°C
V x - 2 ___.___.
’7 3 u __.__ ——__
E 225 D 3 5“
g \ g 4 ,1 g L—-——-———
§ 220 ‘ a 3 55
g X & . . S
5 \~ g a mac 5 5°
we )2
_ 25.15 45
2 - 4m 40
*50 *25 U 25 50 75 I00 ‘25 5 ‘5 25 35 45 55 55 75 25 35 45 55 55 75
TEMPERATURE‘EC) a an WV) mm WV) mum
‘000 ‘33 3‘75
REFUPSUPPLVCURRENT: MEASURESUPPLVCURRENT: STVP‘CALUN‘TS
V‘CURRENToVREGCURRENT A v'cuanmmvmcuanw awn
(A 975 _ ‘25°C g ‘25
3 35°C F 3‘55
5 z
w 950 § ‘23
E 5 1.. A man
3 u a
g 925 g us: g 3‘55
E % ' SK 3‘53
g sou § M
E E - - ‘25”0 3‘45
L: w —- 35"!) 7
875 5 m — 25w awn
. . umuc
850 um ‘ ‘ 3‘35
5 ‘5 25 35 45 55 55 75 5 I5 25 35 45 55 E5 75 *50 *25 U 25 5D 75 ‘33 ‘25
WV) V‘M TEMPERATURE‘HC’
12
LTC6811-1/LTC6811-2
12
68111fb
For more information www.linear.com/LTC6811-1
TYPICAL PERFORMANCE CHARACTERISTICS
Measurement Error CMRR vs
Frequency
Cell Measurement Error vs Input
RC Values
GPIO Measurement Error vs Input
RC Values
Measurement Time vs
Temperature Sleep Supply Current vs V+Standby Supply Current vs V+
REFUP Supply Current vs V+Measure Supply Current vs V+VREF1 vs Temperature
V
CM(IN)
= 5VP-P
NORMAL MODE CONVERSIONS
FREQUENCY (Hz)
100
1k
10k
100k
1M
10M
–100
–90
–80
–70
–60
–50
–40
–30
–20
–10
0
REJECTION (dB)
68111 G19
INPUT RESISTANCE, R (Ω)
100
1k
10k
–10
–9
–6
–5
–8
–7
–4
–3
–2
–1
0
1
2
CELL MEASUREMENT ERROR (mV)
68111 G20
100nF
10nF
1µF
12 CELL NORMAL MODE CONVERSIONS
V
REG
= 4.5V
V
REG
= 5V
V
REG
= 5.5V
TEMPERATURE (°C)
–50
–25
0
25
50
75
100
125
2.10
2.15
2.20
2.25
2.30
2.35
2.40
MEASUREMENT TIME (ms)
68111 G22
SLEEP SUPPLY CURRENT =
V
+
CURRENT + V
REG
CURRENT
125°C
85°C
25°C
–40°C
V
+
(V)
5
15
25
35
45
55
65
75
2
3
4
5
6
7
SLEEP SUPPLY CURRENT (µA)
68111 G23
125°C
85°C
25°C
–40°C
V
+
(V)
5
15
25
35
45
55
65
75
40
45
50
55
60
65
70
75
80
STANDBY SUPPLY CURRENT (µA)
68111 G24
STANDBY SUPPLY CURRENT =
V
+
CURRENT + V
REG
CURRENT
125°C
85°C
25°C
–40°C
V
+
(V)
5
15
25
35
45
55
65
75
850
875
900
925
950
975
1000
REFUP SUPPLY CURRENT (µA)
68111 G25
REFUP SUPPLY CURRENT =
V
+
CURRENT + V
REG
CURRENT
MEASURE SUPPLY CURRENT =
V
+
CURRENT + V
REG
CURRENT
125°C
85°C
25°C
–40°C
V
+
(V)
5
15
25
35
45
55
65
75
10.0
10.5
11.0
11.5
12.0
12.5
13.0
MEASURE SUPPLY CURRENT (mA)
68111 G26
5 TYPICAL UNITS
TEMPERATURE (°C)
–50
–25
0
25
50
75
100
125
3.135
3.140
3.145
3.150
3.155
3.160
3.165
3.170
3.175
V
REF1
(V)
68111 G27
TIME BETWEEN MEASUREMENTS > 3RC
C = 0
C = 100nF
C = 1µF
C = 10µF
INPUT RESISTANCE, R (Ω)
1
10
100
1k
10k
100k
–20
–16
–12
–8
–4
0
4
8
12
16
20
GPIO MEASUREMENT ERROR (mV)
68111 G21
TA = 25°C, unless otherwise noted.
LTC6811—1/LTC6811—2
3005 ‘59 p we
soon 5WPIGALuNl75 N=usmA an VREEGENERATEDFROM
uHIvEPIN HGUHE29
3003 an
3002 E E 40
5 30m E E 20
g 3000 : : u
> 2999 g g 720
2998 § ‘1‘ 40
D U --- w25°c
2997 w __ 85°C
2995 490 — 25°C
40°C
2995 400
759 725 u 25 5a 75 um ‘25 5 ‘5 25 35 45 55 55 75
TEMPERATURE 1707 v' M
299 v‘ 395v mu 3n
= BWPICALPARTS E a v
vm=5v an TA 85 cm 25 c
u 50 25
E E
a a 49 u:
5 7299 5 E 25
E E 2‘7 g
I 7 K 5
2 400 2 u E. ‘5
E E E
§ 7599 § 740 g m 7
Esau '50 5 7
799
4999 499 u
um u 500 man ‘500 2m 2500 755 725 o 25 5o 75 mm ‘25
TIME (HOURS) CHANGE W VFW (ppm)
75 5 5a ‘ ‘ ‘
TA=4°°C‘°25”5 STVPKJALUN‘TS
EU a 57 NOLOAD
w 5n m \
E E 55
< c:="" 3="" e="" 4“="" e="" o="" o="" e.="" m="" e="" 55="" g="" e="" 2="" 3="" g="" 54="" 25="" m="" ‘="" 7="" 53="" u="" o="" 52="" 45="" 750="" 725="" u="" 25="" 55="" 75="" um="" 475="" 425="" 775="" 725="" 25="" 75="" ‘25="" 759="" 725="" u="" 25="" 5o="" 75="" um="" ‘25="" change="" w="" vfw="" (ppm)="" change="" w="" ng72="" (ppm)="" temperature="" ("07="" ‘="" 3="">LTC6811-1/LTC6811-2
13
68111fb
For more information www.linear.com/LTC6811-1
TYPICAL PERFORMANCE CHARACTERISTICS
VREF2 vs Temperature VREF2 VREG Line Regulation VREF2 V+ Line Regulation
VREF2 Load Regulation VREF2 Long-Term Drift VREF2 Hysteresis, Hot
VREF2 Hysteresis, Cold VREF2 Change Due to IR Reflow VDRIVE vs Temperature
5 TYPICAL UNITS
TEMPERATURE (°C)
–50
–25
0
25
50
75
100
125
2.995
2.996
2.997
2.998
2.999
3.000
3.001
3.002
3.003
3.004
3.005
V
REF2
(V)
68111 G28
I
L
= 0.6mA
125°C
85°C
25°C
–40°C
V
REG
(V)
4.5
4.75
5
5.25
5.5
–200
–130
–60
10
80
150
CHANGE IN V
REF2
(ppm)
68111 G29
V
REG
GENERATED FROM
DRIVE PIN, FIGURE 28
125°C
85°C
25°C
–40°C
V
+
(V)
5
15
25
35
45
55
65
75
–100
–80
–60
–40
–20
0
20
40
60
80
100
CHANGE IN V
REF2
(ppm)
68111 G30
V
+
= 39.6V
V
REG
= 5V
125°C
85°C
25°C
–40°C
I
OUT
(mA)
0.01
0.1
1
10
–1000
–800
–600
–400
–200
0
200
CHANGE IN V
REF2
(ppm)
68111 G31
8 TYPICAL PARTS
TIME (HOURS)
0
500
1000
1500
2000
2500
–100
–80
–60
–40
–20
0
20
40
60
80
100
CHANGE IN V
REF2
(ppm)
68111 G32
T
A
= 85°C TO 25°C
CHANGE IN V
REF2
(ppm)
–50
–25
0
25
50
75
100
125
0
5
10
15
20
25
30
NUMBER OF PARTS
68111 G33
T
A
= –40°C to 25°C
CHANGE IN V
REF2
(ppm)
–75
–50
–25
0
25
50
75
100
0
10
20
30
40
50
60
70
NUMBER OF PARTS
68111 G34
CHANGE IN V
REF2
(ppm)
–175
–125
–75
–25
25
75
125
0
1
2
3
4
5
NUMBER OF PARTS
68111 G35
5 TYPICAL UNITS
NO LOAD
TEMPERATURE (°C)
–50
–25
0
25
50
75
100
125
5.2
5.3
5.4
5.5
5.6
5.7
5.8
V
DRIVE
(V)
68111 G36
TA = 25°C, unless otherwise noted.
LTC6811—1/LTC6811—2
25
TEST)
RSTC
2" —25"C
; 4W) .
é I5
3 In
>
z
3 5
E
%
25 35 45 55 65 75
V' (V)
— I CELL DISCHARGIN
—— 5 CELL DISCHARGIN
— — IZCELLDISCHARGING
INCREASE IN DIE TEMPERATURE (T
,/
u
CHANGE IN Vow (va
TEMPERATURE MEASUREMENT ERRDR(
‘DUT (NA) a m
5 TVPICAL UNITS
DISCHARGE SWITCH ONARESISTANCH I
5n
.5 oNrRESISTANCEDFINTERNAL
DISCHARGE SWITCH MEASURED
an BETWEEN Sm) AND Cm)
I I
35 \‘ I I
an
‘ \\
25 _ \ \
20 “ ‘\ ~
I5 I \ .2 .L —_
. ._\\‘___ __
w - - ..T ..
5
n
I HI72I24 283I35384245
CELL VOLTAGE (VI
VREFI CL: IVE
VFW CL: IVE M = 5m VREFI
VREFZ
VREFI
IV/DIV
VREFZ
IVIDIV'
es
537
5V/DIV
u Ems/W mm
D ll? 20 30 40 50 EU 7U EU 550 725 U 25 5D 75 WU I25
INTERNAL DISCHARGE CURRENT (MA/CELL) TEMPERATURE (“0) ,
5” I IIuA a sum) V
n= I z
VREEI CL=IVF REG
VREEGENERATEDFROM a 'E‘WA /
DRIVERIN 55
VnRIVE 2
E E
VDRIVE V 5 W
2V/DIV REG E g
V 5 D
REG u a
2V/DIV' Cs 5 45 ____ g
swuw' ' 4n — LTCEEIFI READ
WUMWIV "“‘ — LTCEBIFZ ISOMD=VRE5 3 — LTCEEIFI WRITE
—— LTCEBTFI ISOMD REG LTCEEIFZ READ
35 — — LTCEBTFI ISOMD=V7 2 LTCEEIFZ WRITE
750 725 U 25 5D 75 I00 I25 U 200 400 500 EDD IUUU
TEMPERATURE (°CI IsnSPl CLOCK FREQUENCY (kHz)
14
LTC6811-1/LTC6811-2
14
68111fb
For more information www.linear.com/LTC6811-1
TYPICAL PERFORMANCE CHARACTERISTICS
VDRIVE V+ Line Regulation VDRIVE Load Regulation
Discharge Switch On-Resistance
vs Cell Voltage
Internal Die Temperature
Increase vs Discharge Current
Internal Die Temperature
Measurement Error vs Temperature VREF1 and VREF2 Power-Up
VREG and VDRIVE Power-Up
isoSPI Current (READY) vs
Temperature
isoSPI Current (ACTIVE) vs isoSPI
Clock Frequency
125°C
85°C
25°C
–40°C
V
+
(V)
5
15
25
35
45
55
65
75
–10
–5
0
5
10
15
20
25
CHANGE IN V
DRIVE
(mV)
68111 G37
V
+
= 39.6V
125°C
85°C
25°C
–40°C
I
OUT
(mA)
0.01
0.1
1
–100
–90
–80
–70
–60
–50
–40
–30
–20
–10
0
CHANGE IN V
DRIVE
(mV)
68111 G38
ON-RESISTANCE OF INTERNAL
DISCHARGE SWITCH MEASURED
BETWEEN S(n) AND C(n)
125°C
85°C
25°C
–40°C
CELL VOLTAGE (V)
1
1.4
1.7
2.1
2.4
2.8
3.1
3.5
3.8
4.2
4.5
0
5
10
15
20
25
30
35
40
45
50
DISCHARGE SWITCH ON-RESISTANCE (Ω)
68111 G39
1 CELL DISCHARGIN
6 CELL DISCHARGIN
12 CELL DISCHARGING
INTERNAL DISCHARGE CURRENT (mA/CELL)
0
10
20
30
40
50
60
70
80
0
5
10
15
20
25
30
35
40
45
50
INCREASE IN DIE TEMPERATURE (°C)
68111 G40
5 TYPICAL UNITS
TEMPERATURE (°C)
–50
–25
0
25
50
75
100
125
–10
–8
–6
–4
–2
0
2
4
6
8
10
TEMPERATURE MEASUREMENT ERROR (°C)
68111 G41
V
REF1
: C
L
= 1µF
V
REF2
: C
L
= 1µF, R
L
= 5kΩ
V
REF1
V
REF2
CS
0.5ms/DIV
V
REF1
1V/DIV
V
REF2
1V/DIV
CS
5V/DIV
68111 G42
V
REG
: C
L
= 1µF
V
REG
GENERATED FROM
DRIVE PIN
V
REG
V
DRIVE
CS
50.0µs/DIV
V
DRIVE
2V/DIV
V
REG
2V/DIV
CS
5V/DIV
68111 G43
I
b
= 1mA
LTC6811–2, ISOMD=V
REG
LTC6811–1, ISOMD=V
REG
LTC6811–1, ISOMD=V–
TEMPERATURE (°C)
–50
–25
0
25
50
75
100
125
3.5
4.0
4.5
5.0
5.5
6.0
ISOSPI CURRENT (mA)
68111 G44
ISOMD = V
REG
I
B
= 1mA
LTC6811–1, READ
LTC6811–1, WRITE
LTC6811–2, READ
LTC6811–2, WRITE
isoSPI CLOCK FREQUENCY (kHz)
0
200
400
600
800
1000
2
3
4
5
6
7
8
9
ISOSPI CURRENT
68111 G45
TA = 25°C, unless otherwise noted.
LTC6811—1/LTC6811—2
202 2mm 23
mam
aPAnTs
22
A \
5 2m E \~§
f,— “ m k
2 J 2T 7
/ 5 \ 2
g znnn 3
/ ,4..- § 2
/ m w 20
/ s E
/ m
— T995 3
‘9 —VA=T5V
— VA=HN
vA=usv
Tag Team Ta
750 725 u 25 5a 75 um T25 n 200 400 mm m man u 200 um Hun auu mun
TEMPERATURE (”5) WM CURRENT IEWA) TaTAs CURRENT T5 WA]
23 55 5 055
6
5n E 054
A 22 ‘ E
E 5 < e="" g="" 45="" s="" 052="" m="" g="" \=""><5 j="" 2t="" 5="" \\="" \="" 9="" g="" g="" on="" $="" usu="" ~-="">5>< e="" \="" $="" _,="" e="" 20="" a="" \="" g="" [.1/="" e="" e="" 35="" \="" e="" 043="" i="" _="" o="" 3="" i="" k="" d="" ‘9="" a="" 3n="" 3‘="" l745="" —="" ia="WWA" —="" t5:="" “rna="" pe="" —="" vtcw="02V" —-="" |b="TmA" —-="" mam="" g="" —="" vtcw="TV" ta="" 25="" u="" 044="" ,50="" 725="" u="" 25="" so="" 75="" tau="" t25="" n="" as="" t="" t5="" 2="" 25="" 3="" as="" 4="" 45="" 5="" 55="" temperature="" (to;="" pulseamputude="" vam="" recetver="" common="" mode.="" vdm="" (w="" a="" 056="" a="" [i55="" 300="" t="" t="" t="" g="" sparts="" g="" e="" t="" e="" e="" j="" t="" guaranteed="" a="" "54="" a="" ”54="" é="" 25“="" ‘="" wakerupregion=""><>< a="" t="" 2="" z=""> T
5 052 5 U52 a 200 7777777
a a E
E 050 E n50 g T50
// \ a
E 048 E ma 5 ma
E E 5i ‘\
<>< j="" e="" 046="" e="" nae="" %="" 50="" e="" e="" e="" u="" 044="" d="" m="" u="" 02="" 04="" as="" ax="" t="" t2="" t4="" t6="" ,50="" 725="" n="" 25="" so="" 75="" tue="" t25="" tau="" 200="" 300="" 400="" 500="" 500="" wp="" voltage="" (v)="" temperature="" (to;="" wakerup="" dwell="" ttme="" anm="" (n5)="" 15="">LTC6811-1/LTC6811-2
15
68111fb
For more information www.linear.com/LTC6811-1
TYPICAL PERFORMANCE CHARACTERISTICS
IBIAS Voltage vs Temperature IBIAS Voltage Load Regulation
isoSPI Driver Current Gain (Port
A/Port B) vs IBIAS Current
isoSPI Driver Current Gain
(Port A/Port B) vs Temperature
isoSPI Driver Common Mode Voltage
(Port A/Port B) vs Pulse Amplitude
isoSPI Comparator Threshold
Gain (Port A/Port B) vs Receiver
Common Mode
isoSPI Comparator Threshold Gain
(Port A/Port B) vs ICMP Voltage
isoSPI Comparator Threshold Gain
(Port A/Port B) vs Temperature
Typical Wake-Up Pulse Amplitude
(Port A) vs Dwell Time
I
B
= 1mA
3 PARTS
TEMPERATURE (°C)
–50
–25
0
25
50
75
100
125
1.98
1.99
2.00
2.01
2.02
IBIAS PIN VOLTAGE (V)
68111 G46
IBIAS CURRENT, I
B
(µA)
0
200
400
600
800
1000
1.990
1.995
2.000
2.005
2.010
IBIAS PIN VOLTAGE (V)
68111 G47
V
A
= 1.6V
V
A
= 1.0V
V
A
= 0.5V
IBIAS CURRENT, I
B
(µA)
0
200
400
600
800
1000
18
19
20
21
22
23
CURRENT GAIN, A
IB
(mA)
68111 G48
I
B
= 100µA
I
B
= 1mA
TEMPERATURE (°C)
–50
–25
0
25
50
75
100
125
18
19
20
21
22
23
CURRENT GAIN, A
IB
(mA/mA)
68111 G49
I
B
= 100µA
I
B
= 1mA
PULSE AMPLITUDE, V
A
(V)
0
0.5
1
1.5
2
2.5
3.0
3.5
4.0
4.5
5.0
5.5
DRIVER COMMON MODE (V)
68111 G50
V
ICMP
= 0.2V
V
ICMP
= 1V
RECEIVER COMMON MODE, V
CM
(V)
2.5
3
3.5
4
4.5
5
5.5
0.44
0.46
0.48
0.50
0.52
0.54
0.56
COMPARATOR THRESHOLD GAIN, A
TCMP
(V/V)
68111 G51
3 PARTS
ICMP VOLTAGE (V)
0
0.2
0.4
0.6
0.8
1
1.2
1.4
1.6
0.44
0.46
0.48
0.50
0.52
0.54
0.56
COMPARATOR THRESHOLD GAIN, A
TCMP
(V/V)
68111 G52
V
ICMP
= 0.2V
V
ICMP
= 1V
TEMPERATURE (°C)
–50
–25
0
25
50
75
100
125
0.44
0.46
0.48
0.50
0.52
0.54
0.56
COMPARATOR THRESHOLD GAIN, A
TCMP
(V/V)
68111 G53
GUARANTEED
WAKE–UP REGION
WAKE–UP DWELL TIME, T
DWELL
(ns)
0
100
200
300
400
500
600
0
50
100
150
200
250
300
WAKE–UP PULSE AMPLITUDE, V
WAKE
(mV)
68111 G54
TA = 25°C, unless otherwise noted.
LTC681 1—1/LTC681 1—2
16
LTC6811-1/LTC6811-2
16
68111fb
For more information www.linear.com/LTC6811-1
PIN FUNCTIONS
C0 to C12: Cell Inputs.
S1 to S12: Balance Inputs/Outputs. 12 internal N-MOSFETs
are connected between S(n) and C(n – 1) for discharging
cells.
V+: Positive Supply Pin.
V–: Negative Supply Pins. The V– pins must be shorted
together, external to the IC.
VREF2: Buffered 2nd Reference Voltage for Driving Multiple
10k Thermistors. Bypass with an external 1µF capacitor.
VREF1: ADC Reference Voltage. Bypass with an external
1µF capacitor. No DC loads allowed.
GPIO[1:5]: General Purpose I/O. Can be used as digital
inputs or digital outputs, or as analog inputs with a mea-
surement range from V– to 5V. GPIO[3:5] can be used as
an I2C or SPI port.
DTEN: Discharge Timer Enable. Connect this pin to VREG
to enable the discharge timer.
DRIVE: Connect the base of an NPN to this pin. Connect
the collector to V+ and the emitter to VREG.
VREG: 5V Regulator Input. Bypass with an external 1µF
capacitor.
ISOMD: Serial Interface Mode. Connecting ISOMD to
VREG configures pins 41 to 44 of the LTC6811 for 2-wire
isolated interface (isoSPI) mode. Connecting ISOMD to
V– configures the LTC6811 for 4-wire SPI mode.
WDT: Watchdog Timer Output Pin. This is an open drain
NMOS digital output. It can be left unconnected or con-
nected with a 1M resistor to VREG. If the LTC6811 does not
receive a valid command within 2 seconds, the watchdog
timer circuit will reset the LTC6811 and the WDT pin will
go high impedance.
Serial Port Pins
LTC6811-1
(DAISY-CHAINABLE)
LTC6811-2
(ADDRESSABLE)
ISOMD = VREG ISOMD = V–ISOMD = VREG ISOMD = V–
PORT B
(Pins 45
to 48)
IPB IPB A3 A3
IMB IMB A2 A2
ICMP ICMP A1 A1
IBIAS IBIAS A0 A0
PORT A
(Pins 41
to 44)
(NC) SDO IBIAS SDO
(NC) SDI ICMP SDI
IPA SCK IPA SCK
IMA CSB IMA CSB
CSB, SCK, SDI, SDO: 4-Wire Serial Peripheral Interface
(SPI). Active low chip select (CSB), serial clock (SCK)
and serial data in (SDI) are digital inputs. Serial data out
(SDO) is an open drain NMOS output pin. SDO requires
a 5k pull-up resistor.
A0 to A3: Address Pins. These digital inputs are connected
to VREG or V– to set the chip address for addressable se-
rial commands.
IPA, IMA: Isolated 2-Wire Serial Interface Port A. IPA
(plus) and IMA (minus) are a differential input/output pair.
IPB, IMB: Isolated 2-Wire Serial Interface Port B. IPB
(plus) and IMB (minus) are a differential input/output pair.
IBIAS: Isolated Interface Current Bias. Tie IBIAS to
V– through a resistor divider to set the interface output
current level. When the isoSPI interface is enabled, the
IBIAS pin voltage is 2V. The IPA/IMA or IPB/IMB output
current drive is set to 20 times the current, IB, sourced
from the IBIAS pin.
ICMP: Isolated Interface Comparator Voltage Threshold
Set. Tie this pin to the resistor divider between IBIAS
and V– to set the voltage threshold of the isoSPI receiver
comparators. The comparator thresholds are set to half
the voltage on the ICMP pin.
LTC681 1—1/LTC681 1—2
17
LTC6811-1/LTC6811-2
17
68111fb
For more information www.linear.com/LTC6811-1
BLOCK DIAGRAM
C12
C11
C10
C9
C8
C7
C0
C5
C6
C4
C3
C2
C1
–
+
68111 BD1
IPB
P
IMB
ICMP
IBIAS
SDO/(NC)
SDI/(NC)
SCK/(IPA)
CSB/(IMA)
ISOMD
WDT
DRIVE
VREG
DTEN
VREF1
VREF2
GPIO5
GPIO4
V–
V–*
GPIO3
GPIO2
GPIO1
C0
S1
V+
C12
S12
C11
M
S11
C10
S10
C9
S9
C8
S8
C7
S7
C6
S6
C5
S5
C4
S4
C3
S3
C2
S2
C1
LOGIC
AND
MEMORY
DIGITAL
FILTERS
SERIAL I/O
PORT B
6-CELL
MUX
VREGD
SC
VREG
P
M
AUX
MUX
12 BALANCE FETs
S(n)
C(n – 1)
P
M
7-CELL
MUX
POR
VREGD VREG
SERIAL I/O
PORT A
DISCHARGE
TIMER
DIE
TEMPERATURE
2ND
REFERENCE
1ST
REFERENCE
REGULATORS
ADC2
–
+
ADC1
16
16
V+
LDO1 VREGD
POR
V+
LDO2
DRIVE
48
47
46
45
44
43
42
41
40
39
38
37
36
35
34
33
32
31
30
29
28
27
26
25
1
2
3
4
5
6
7
8
9
10
11
12
13
14
15
16
17
18
19
20
21
22
23
24
LTC6811-1
LTC681 1—1/LTC681 1—2
18
LTC6811-1/LTC6811-2
18
68111fb
For more information www.linear.com/LTC6811-1
BLOCK DIAGRAM
SDO/(IBIAS)
C12
C11
C10
C9
C8
C7
C0
C5
C6
C4
C3
C2
C1
–
+
68111 BD2
A3
P
A2
A1
A0
SDI/(ICMP)
SCK/(IPA)
CSB/(IMA)
ISOMD
WDT
DRIVE
DTEN
GPIO5
GPIO4
GPIO3
GPIO2
GPIO1
C0
S1
C12
S12
C11
M
S11
C10
S10
C9
S9
C8
S8
C7
S7
C6
S6
C5
S5
C4
S4
C3
S3
C2
S2
C1
LOGIC
AND
MEMORY
DIGITAL
FILTERS
SERIAL I/O
ADDRESS
6-CELL
MUX
VREGD
SC
VREG
P
M
AUX
MUX
P
M
7-CELL
MUX
POR
VREGD VREG
SERIAL I/O
PORT A
DISCHARGE
TIMER
DIE
TEMPERATURE
2ND
REFERENCE
1ST
REFERENCE
REGULATORS
ADC2
–
+
ADC1
V+
LDO1 VREGD
POR
V+
LDO2
DRIVE
VREG
VREF1
VREF2
V–
V–*
V+
48
47
46
45
44
43
42
41
40
39
38
37
36
35
34
33
32
31
30
29
28
27
26
25
1
2
3
4
5
6
7
8
9
10
11
12
13
14
15
16
17
18
19
20
21
22
23
24
16
16
12 BALANCE FETs
S(n)
C(n – 1)
LTC6811-2
LTC681 1—1/LTC681 1—2
19
LTC6811-1/LTC6811-2
19
68111fb
For more information www.linear.com/LTC6811-1
DIFFERENCES BETWEEN THE LTC6804 AND THE LTC6811
The newer LTC6811 is pin compatible and backwards software compatible with the older LTC6804. Users of the
LTC6804 should review the following tables of product differences before upgrading existing designs.
Additional LTC6811 Feature Benefit Relevant Data Sheet Section(s)
Eight choices of ADC speed vs resolution.
The LTC6804 has six choices. Flexibility for noise filtering. “ADC Modes” for a description
and MD[1,0] Bits in Table39.
Each discharge control pin (S pin) can have a
unique duty cycle. Improved cell balancing. “S Pin Pulse Width Modulation for Cell
Balancing” for a description and PWMx[x]
bits in Table51.
Measure Cell 7 with both ADCs simultaneously
using the ADOL command. Improved way to check that ADC2 is as accurate as
ADC1. “Overlap Cell Measurement (ADOL
Command)”
Sum of Cells measurement has higher accuracy. Improved way to check that the individual cell
measurements are correct. “Measuring Internal Device Parameters
(ADSTAT Command)”
The new ADCVSC command measures the Sum
of Cells and the individual cells at the same time. Reduces the influence of noise on the accuracy of the
Sum of Cells measurement. “Measuring Cell Voltages and Sum of Cells
(ADCVSC Command)”
Auxiliary measurements are processed with 2
digital filters simultaneously. Checks that the digital filters are free of faults. “Auxiliary (GPIO) Measurements with Digital
Redundancy (ADAXD Command)” and
“Measuring Internal Device Parameters with
Digital Redundancy (ADSTATD Command)”
The S pin has a stronger PMOS pull-up
transistor. Reduces the possibility that board leakage can turn on
discharge circuits. “Cell Balancing with External Transistors”
The 2nd voltage reference has improved
specifications. Improved VREF2 specifications mean improved
diagnostics for safety. “Accuracy Check”
The LTC6811 supports daisy-chain polling. Easier ADC communications. “Polling Methods”
Commands to control the LT8584 active
balance IC. Easier to program the LT8584. “S Pin Pulsing Using the S Control Register
Group” for a description and SCTLx[x] bits
in Table50.
LTC6811 Restriction vs. LTC6804 Impact Relevant Data Sheet Section(s)
The ABS MAX specifications for the C pins have
changed. The ABS MAX voltage between input pins, C(n) to
C(n–1), is 8V for both the LTC6804 and LTC6811. In
addition, for the LTC6804, the AVERAGE cell voltage
between C(n) and C(n – 1) from pins C12 to C8, C8
to C4 and C4 to C0 must be less than 6.25V. For the
LTC6811, the AVERAGE cell voltage between C(n) and
C(n – 1) from pins C12 to C9, C9 to C6, C6 to C3 and C3
to C0, must be less than 7.0V.
C12 to C9, C9 to C6, C6 to C3 and
C3 to C0 in “Absolute Maximum Ratings”
The ABS MAX specifications for the C pins have
changed. If V+ is powered from a separate supply (not directly
powered from the battery stack), the V+ supply voltage
must be less than (50V+C6). If V+ is powered from
the battery stack (ie. V+=C12), this restriction has no
impact since the maximum voltage between C6–C12 is
already restricted to 42V as noted above.
C12 to C9, C9 to C6, C6 to C3 and
C3 to C0 in “Absolute Maximum Ratings”
There is now an Operating Max voltage
specification for V+ to C6. If V+ is powered from a separate supply (not directly
powered from the battery stack), the V+ supply voltage
must be less than (40V+C6) to achieve the TME
specifications listed in the “Electrical Characteristics”
table.
V+ to C6 Voltage in “Electrical
Characteristics”
LTC6811—1/LTC6811—2
KEUP SIGNAL
RE = SLEEP)
LTC6811-1/LTC6811-2
20
68111fb
For more information www.linear.com/LTC6811-1
OPERATION
STATE DIAGRAM
The operation of the LTC6811 is divided into two separate
sections: the Core circuit and the isoSPI circuit. Both sec-
tions have an independent set of operating states, as well
as a shutdown timeout.
CORE LTC6811 STATE DESCRIPTIONS
SLEEP State
The reference and ADCs are powered down. The watchdog
timer (see Watchdog and Discharge Timer) has timed
out. The discharge timer is either disabled or timed out.
The supply currents are reduced to minimum levels. The
isoSPI ports will be in the IDLE state. The Drive pin is 0V.
If a WAKEUP signal is received (see Waking Up the Serial
Interface), the LTC6811 will enter the STANDBY state.
STANDBY State
The reference and the ADCs are off. The watchdog timer
and/or the discharge timer is running. The DRIVE pin
powers the VREG pin to 5V through an external transistor.
(Alternatively, VREG can be powered by an external supply).
When a valid ADC command is received or the REFON bit is
set to 1 in the Configuration Register Group, the IC pauses
for tREFUP to allow for the reference to power up and then
enters either the REFUP or MEASURE state. Otherwise, if
no valid commands are received for tSLEEP (when both the
watchdog and discharge timer have expired), the LTC6811
returns to the SLEEP state. If the discharge timer is disabled,
only the watchdog timer is relevant.
REFUP State
To reach this state the REFON bit in the Configuration
Register Group must be set to 1 (using the WRCFGA
command, see Table38). The ADCs are off. The refer-
ence is powered up so that the LTC6811 can initiate ADC
conversions more quickly than from the STANDBY state.
When a valid ADC command is received, the IC goes to
the MEASURE state to begin the conversion. Otherwise,
the LTC6811 will return to the STANDBY state when the
REFON bit is set to 0, either manually (using WRCFGA
command) or automatically when the watchdog timer
expires (the LTC6811 will then move straight into the
SLEEP state if both timers are expired).
MEASURE State
The LTC6811 performs ADC conversions in this state. The
reference and ADCs are powered up.
After ADC conversions are complete, the LTC6811 will
transition to either the REFUP or STANDBY state, depend-
ing on the REFON bit. Additional ADC conversions can
be initiated more quickly by setting REFON=1 to take
advantage of the REFUP state.
Note: Non-ADC commands do not cause a Core state tran-
sition. Only an ADC conversion or diagnostic commands
will place the Core in the MEASURE state.
68111 F01
isoSPI PORTCORE LTC6811
CONVERSION DONE
(REFON = 1)
WAKEUP
SIGNAL
(tWAKE)
ADC COMMAND
(tREFUP)
ADC
COMMAND
REFON = 1
(tREFUP)
WAKEUP SIGNAL
(CORE = STANDBY)
(tREADY)
WAKEUP SIGNAL
(CORE = SLEEP)
(tWAKE)
TRANSMIT/RECEIVE
NOTE: STATE TRANSITION
DELAYS DENOTED BY (tX)
NO ACTIVITY ON
isoSPI PORT
IDLE TIMEOUT
(tIDLE)
CONVERSION
DONE (REFON = 0)
REFON = 0
WD TIMEOUT (IF DTEN = 0)
OR DT TIMEOUT (IF DTEN = 1)
(tSLEEP)
MEASUREREFUP
STANDBY
SLEEP
ACTIVE
READY
IDLE
Figure1. LTC6811 Operation State Diagram
LTC6811—1/LTC6811—2
21
LTC6811-1/LTC6811-2
21
68111fb
For more information www.linear.com/LTC6811-1
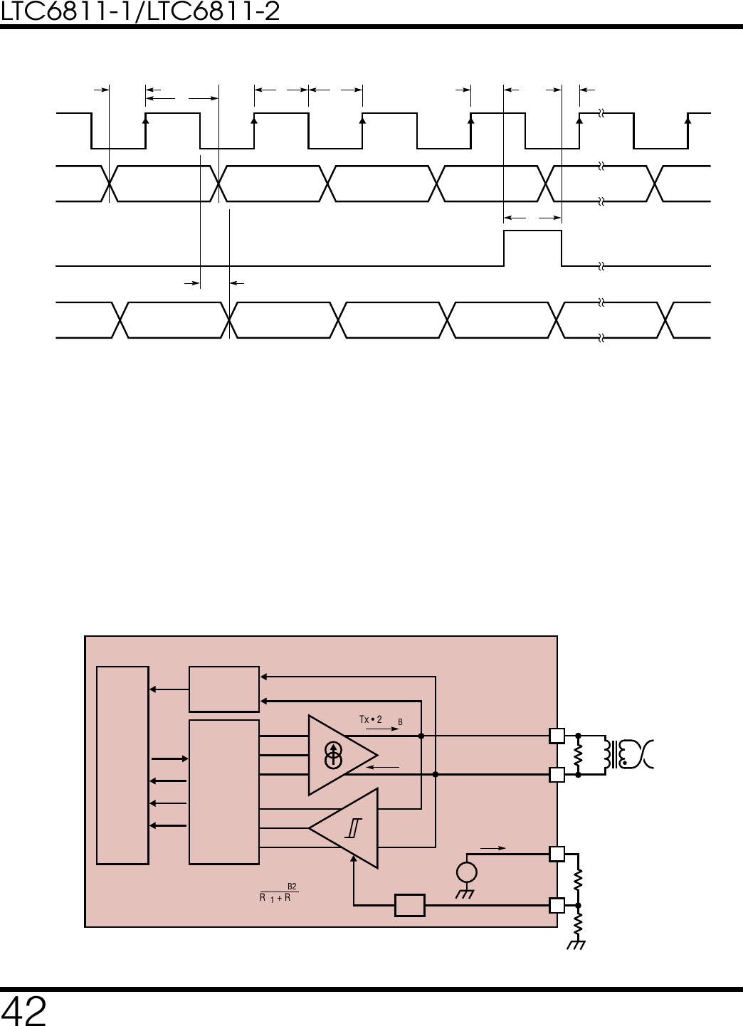
OPERATION
isoSPI STATE DESCRIPTIONS
Note: The LTC6811-1 has two isoSPI ports (A and B), for
daisy-chain communication. The LTC6811-2 has only one
isoSPI port (A), for parallel-addressable communication.
IDLE State
The isoSPI ports are powered down.
When isoSPI Port A receives a WAKEUP signal (see Wak-
ing Up the Serial Interface), the isoSPI enters the READY
state. This transition happens quickly (within tREADY) if
the Core is in the STANDBY state because the DRIVE and
VREG pins are already biased up. If the Core is in the SLEEP
state when the isoSPI receives a WAKEUP signal, the part
transitions to the READY state within tWAKE.
READY State
The isoSPI port(s) are ready for communication. PortB
is enabled only for LTC6811-1, and is not present on the
LTC6811-2. The serial interface current in this state depends
on if the part is LTC6811-1 or LTC6811-2, the status of the
ISOMD pin and RBIAS=RB1 + RB2 (the external resistors
tied to the IBIAS pin).
If there is no activity (i.e. no WAKEUP signal) on Port
A for greater than tIDLE=5.5ms, the LTC6811 goes to
the IDLEstate. When the serial interface is transmitting
or receiving data the LTC6811 goes to the ACTIVE state.
ACTIVE State
The LTC6811 is transmitting/receiving data using one or both of
the isoSPI ports. The serial interface consumes maximum
power in this state. The supply current increases with
clock frequency as the density of isoSPI pulses increases.
POWER CONSUMPTION
The LTC6811 is powered via two pins: V+ and VREG. The
V+ input requires voltage greater than or equal to the
top cell voltage minus 0.3V, and it provides power to
the high voltage elements of the core circuitry. The VREG
input requires 5V and provides power to the remaining
core circuitry and the isoSPI circuitry. The VREG input can
be powered through an external transistor, driven by the
regulated DRIVE output pin. Alternatively, VREG can be
powered by an external supply.
The power consumption varies according to the operational
states. Table1 and Table2 provide equations to approximate
the supply pin currents in each state. The V+ pin current
depends only on the Core state. However, the VREG pin
current depends on both the Core state and isoSPI state,
and can therefore be divided into two components. The
isoSPI interface draws current only from the VREG pin.
IREG=IREG(Core) + IREG(isoSPI)
Table1. Core Supply Current
STATE IVP IREG(CORE)
SLEEP VREG=0V 4.1µA 0µA
VREG=5V 1.9µA 2.2µA
STANDBY 13µA 40µA
REFUP 550µA 450µA
MEASURE 550µA 11.5mA
In the SLEEP state the VREG pin will draw approximately
2.2µA if powered by an external supply. Otherwise, the V+
pin will supply the necessary current.
ADC OPERATION
There are two ADCs inside the LTC6811. The two ADCs
operate simultaneously when measuring twelve cells. Only
one ADC is used to measure the general purpose inputs.
The following discussion uses the term ADC to refer to
one or both ADCs, depending on the operation being
performed. The following discussion will refer to ADC1
and ADC2 when it is necessary to distinguish between the
two circuits, in timing diagrams, for example.
ADC Modes
The ADCOPT bit (CFGR0[0]) in the Configuration Register
Group and the mode selection bits MD[1:0] in the conver-
sion command together provide eight modes of operation
for the ADC, which correspond to different oversampling
ratios (OSR). The accuracy and timing of these modes are
summarized in Table3. In each mode, the ADC first mea-
sures the inputs, and then performs a calibration of each
channel. The names of the modes are based on the –3dB
bandwidth of the ADC measurement.
LTC681 1—1/LTC681 1—2
Wme:1.8mA 3-l
LTC6811-1/LTC6811-2
22
68111fb
For more information www.linear.com/LTC6811-1
OPERATION
Mode 7kHz (Normal):
In this mode, the ADC has high resolution and low TME
(total measurement error). This is considered the normal
operating mode because of the optimum combination of
speed and accuracy.
Mode 27kHz (Fast):
In this mode, the ADC has maximum throughput but has
some increase in TME (total measurement error). So this
mode is also referred to as the fast mode. The increase
in speed comes from a reduction in the oversampling
ratio. This results in an increase in noise and average
measurement error.
Mode 26Hz (Filtered):
In this mode, the ADC digital filter –3dB frequency is
lowered to 26Hz by increasing the OSR. This mode is
also referred to as the filtered mode due to its low –3dB
frequency. The accuracy is similar to the 7kHz (Normal)
mode with lower noise.
Table2. isoSPI Supply Current Equations
isoSPI STATE DEVICE ISOMD CONNECTION IREG(isoSPI)
IDLE LTC6811-1/LTC6811-2 N/A 0mA
READY LTC6811-1 VREG 2.2mA + 3 • IB
V–1.5mA + 3 • IB
LTC6811-2 VREG 1.5mA + 3 • IB
V–0mA
ACTIVE LTC6811-1 VREG
Write: 2.5mA +3+20 • 100ns
tCLK
⎛
⎝
⎜⎞
⎠
⎟•IB
R
ead: 2.5mA +3+20 • 100ns• 1.5
tCLK
⎛
⎝
⎜⎞
⎠
⎟•IB
V–
1.8mA +3+20 • 100ns
t
CLK
⎛
⎝
⎜⎞
⎠
⎟•IB
LTC6811-2 VREG
Write: 1.8mA
+
3 •I
B
R
ead: 1.8mA +3+20 • 100ns• 0.5
t
CLK
⎛
⎝
⎜⎞
⎠
⎟•IB
V–0mA
Note: IB = VBIAS/(RB1 + RB2)
Table3. ADC Filter Bandwidth and Accuracy
MODE –3dB FILTER BW –40dB FILTER BW TME SPEC AT 3.3V, 25°C TME SPEC AT 3.3V,–40°C, 125°C
27kHz (Fast Mode) 27kHz 84kHz ±4.7mV ±4.7mV
14kHz 13.5kHz 42kHz ±4.7mV ±4.7mV
7kHz (Normal Mode) 6.8kHz 21kHz ±1.2mV ±2.2mV
3kHz 3.4kHz 10.5kHz ±1.2mV ±2.2mV
2kHz 1.7kHz 5.3kHz ±1.2mV ±2.2mV
1kHz 845Hz 2.6kHz ±1.2mV ±2.2mV
422Hz 422Hz 1.3kHz ±1.2mV ±2.2mV
26Hz (Filtered Mode) 26Hz 82Hz ±1.2mV ±2.2mV
Note: TME is the total measurement error.
LTC6811—1/LT06811—2
23
LTC6811-1/LTC6811-2
23
68111fb
For more information www.linear.com/LTC6811-1
OPERATION
Modes 14kHz, 3kHz, 2kHz, 1kHz and 422Hz:
Modes 14kHz, 3kHz, 2kHz, 1kHz and 422Hz provide ad-
ditional options to set the ADC digital filter –3dB frequency
at 13.5kHz, 3.4kHz, 1.7kHz, 845Hz and 422Hz respectively.
The accuracy of the 14kHz mode is similar to the 27kHz
(fast) mode. The accuracy of 3kHz, 2kHz, 1kHz and 422Hz
modes is similar to the 7kHz (normal) mode.
The filter bandwidths and the conversion times for these
modes are provided in Table3 and Table5. If the Core is
in STANDBY state, an additional tREFUP time is required to
power up the reference before beginning the ADC conver-
sions. The reference can remain powered up between ADC
conversions if the REFON bit in the Configuration Register
Group is set to 1 so the Core is in REFUP state after a delay
tREFUP. Then, the subsequent ADC commands will not
have the tREFUP delay before beginning ADC conversions.
ADC Range and Resolution
The C inputs and GPIO inputs have the same range and
resolution. The ADC inside the LTC6811 has an approxi-
mate range from –0.82V to +5.73V. Negative readings are
rounded to 0V. The format of the data is a 16-bit unsigned
integer where the LSB represents 100µV. Therefore, a
reading of 0x80E8 (33,000 decimal) indicates a measure-
ment of 3.3V.
Delta-Sigma ADCs have quantization noise which depends
on the input voltage, especially at low oversampling ra-
tios (OSR), such as in FAST mode. In some of the ADC
modes, the quantization noise increases as the input
voltage approaches the upper and lower limits of the
ADC range. For example, the total measurement noise
versus input voltage in normal and filtered modes is
shown in Figure2.
ADC INPUT VOLTAGE (V)
0
PEAK NOISE (mV)
1
0.1
0.9
0.7
0.5
0.3
0.8
0.6
0.4
0.2
02.5 4.51.5 3.5
68111 F02
52 41 30.5
NORMAL MODE
FILTERED MODE
Figure2. Measurement Noise vs Input Voltage
The specified range of the ADC is 0V to 5V. In Table4,
the precision range of the ADC is arbitrarily defined as
0.5V to 4.5V. This is the range where the quantization
noise is relatively constant even in the lower OSR modes
(see Figure2). Table4 summarizes the total noise in this
range for all eight ADC operating modes. Also shown is
the noise free resolution. For example, 14-bit noise free
resolution in normal mode implies that the top 14 bits will
be noise free with a DC input, but that the 15th and 16th
least significant bits (LSB) will flicker.
Table4. ADC Range and Resolution
MODE FULL RANGE1SPECIFIED
RANGE
PRECISION
RANGE2LSB FORMAT MAX NOISE
NOISE FREE
RESOLUTION3
27kHz (fast)
–0.8192V to
5.7344V 0V to 5V 0.5V to 4.5V 100µV Unsigned 16 Bits
±4mVP-P 10 Bits
14kHz ±1mVP-P 12 Bits
7kHz (normal) ±250µVP-P 14 Bits
3kHz ±150µVP-P 14 Bits
2kHz ±100µVP-P 15 Bits
1kHz ±100µVP-P 15 Bits
422Hz ±100µVP-P 15 Bits
26Hz (filtered) ±50µVP-P 16 Bits
1. Negative readings are rounded to 0V.
2. PRECISION RANGE is the range over which the noise is less than MAX NOISE.
3. NOISE FREE RESOLUTION is a measure of the noise level within the PRECISION RANGE.
LTC6811—1/LTC6811—2
/\ /\
LTC6811-1/LTC6811-2
24
68111fb
For more information www.linear.com/LTC6811-1
OPERATION
ADC Range vs Voltage Reference Value
Typical ADCs have a range which is exactly twice the
value of the voltage reference, and the ADC measurement
error is directly proportional to the error in the voltage
reference. The LTC6811 ADC is not typical. The absolute
value of VREF1 is trimmed up or down to compensate for
gain errors in the ADC. Therefore, the ADC total measure-
ment error (TME) specifications are superior to the VREF1
specifications. For example, the 25°C specification of the
total measurement error when measuring 3.300V in 7kHz
(normal) mode is ±1.2mV and the 25°C specification for
VREF1 is 3.200V±100mV.
Measuring Cell Voltages (ADCV Command)
The ADCV command initiates the measurement of the
battery cell inputs, pins C0 through C12. This command
has options to select the number of channels to measure
and the ADC mode. See the section on Commands for the
ADCV command format.
Figure 3 illustrates the timing of the ADCV command
which measures all twelve cells. After the receipt of the
ADCV command to measure all 12 cells, ADC1 sequentially
measures the bottom 6 cells. ADC2 sequentially measures
the top 6 cells. After the cell measurements are complete,
each channel is calibrated to remove any offset errors.
Table5. Conversion Times for ADCV Command Measuring All 12 Cells in Different Modes
CONVERSION TIMES (in µs)
MODE t0t1M t2M t5M t6M t1C t2C t5C t6C
27kHz 0 57 103 243 290 432 568 975 1,113
14kHz 0 86 162 389 465 606 742 1,149 1,288
7kHz 0 144 278 680 814 1,072 1,324 2,080 2,335
3kHz 0 260 511 1,262 1,512 1,770 2,022 2,778 3,033
2kHz 0 493 976 2,425 2,908 3,166 3,418 4,175 4,430
1kHz 0 959 1,907 4,753 5,701 5,961 6,213 6,970 7,222
422Hz 0 1,890 3,769 9,407 11,287 11,547 11,799 12,555 12,807
26Hz 0 29,817 59,623 149,043 178,850 182,599 186,342 197,571 201,317
CALIBRATE
C8 TO C7
CALIBRATE
C7 TO C6
MEASURE
C12 TO C11
MEASURE
C8 TO C7
MEASURE
C7 TO C6
ADC2
SERIAL
INTERFACE
tCYCLE
tSKEW2
ADCV + PEC
CALIBRATE
C2 TO C1
CALIBRATE
C12 TO C11
CALIBRATE
C6 TO C5
CALIBRATE
C1 TO C0
MEASURE
C6 TO C5
MEASURE
C2 TO C1
MEASURE
C1 TO C0
ADC1
t0t1M t2M t6M
t5M t1C t2C t5C t6C
68111 F03
tREFUP
Figure3. Timing for ADCV Command Measuring All 12 Cells
LTC6811—1/LTC6811—2
25
LTC6811-1/LTC6811-2
25
68111fb
For more information www.linear.com/LTC6811-1
Table6. Conversion Times for ADCV Command
Measuring Only 2 Cells in Different Modes
CONVERSION TIMES (in µs)
MODE t0t1M t1C
27kHz 0 57 201
14kHz 0 86 230
7kHz 0 144 405
3kHz 0 240 501
2kHz 0 493 754
1kHz 0 959 1,219
422Hz 0 1,890 2,150
26Hz 0 29,817 33,568
OPERATION
Table5 shows the conversion times for the ADCV com-
mand measuring all 12 cells. The total conversion time is
given by t6C which indicates the end of the calibration step.
Figure4 illustrates the timing of the ADCV command that
measures only two cells.
Table6 shows the conversion time for the ADCV command
measuring only 2 cells. t1C indicates the total conversion
time for this command.
Under/Over Voltage Monitoring
Whenever the C inputs are measured, the results are com-
pared to undervoltage and overvoltage thresholds stored
in memory. If the reading of a cell is above the overvoltage
limit, a bit in memory is set as a flag. Similarly, measure-
ment results below the undervoltage limit cause a flag to
be set. The overvoltage and undervoltage thresholds are
stored in the Configuration Register Group. The flags are
stored in the Status Register Group B.
Auxiliary (GPIO) Measurements (ADAX Command)
The ADAX command initiates the measurement of the
GPIO inputs. This command has options to select which
GPIO input to measure (GPIO1-5) and which ADC mode to
use. The ADAX command also measures the 2nd reference.
There are options in the ADAX command to measure each
GPIO and the 2nd reference separately or to measure all five
GPIOs and the 2nd reference in a single command. See the
section on Commands for the ADAX command format. All
auxiliary measurements are relative to the V– pin voltage.
This command can be used to read external temperatures
CALIBRATE
C10 TO C9
MEASURE
C10 TO C9
ADC2
SERIAL
INTERFACE ADCV + PEC
CALIBRATE
C4 TO C3
MEASURE
C4 TO C3
ADC1
t0t1M t1C
68111 F04
tREFUP
Figure4. Timing for ADCV Command Measuring 2 Cells
LTC681 1—1/LTC681 1—2
LTC6811-1/LTC6811-2
26
68111fb
For more information www.linear.com/LTC6811-1
OPERATION
by connecting temperature sensors to the GPIOs. These
sensors can be powered from the 2nd reference which is
also measured by the ADAX command, resulting in precise
ratiometric measurements.
Figure 5 illustrates the timing of the ADAX command
measuring all GPIOs and the 2nd reference. Since all six
measurements are carried out on ADC1 alone, the conver-
sion time for the ADAX command is similar to the ADCV
command.
Auxiliary (GPIO) Measurements with Digital
Redundancy (ADAXD Command)
The ADAXD command operates similarly to the ADAX
command except that an additional diagnostic is performed
using digital redundancy.
The analog modulator from ADC1 is used to measure
GPIO1-5 and the 2nd reference. This bit stream is input
to the digital integration and differentiation machines for
both ADC1 and ADC2. Thus the measurement result is
calculated with redundancy. At the end of each measure-
ment, the two results are compared and if any mismatch
occurs then a value of 0xFF0X (≥6.528V) is written to the
result register. This value is outside of the clamping range
of the ADC and the host should identify this as a fault
indication. The last four bits are used to indicate which
nibble(s) of the result values did not match.
Result Indication
0b1111_1111_0000_0XXX No fault detected in bits 15-12
0b1111_1111_0000_1XXX Fault detected in bits 15-12
0b1111_1111_0000_X0XX No fault detected in bits 11-8
0b1111_1111_0000_X1XX Fault detected in bits 11-8
0b1111_1111_0000_XX0X No fault detected in bits 7-4
0b1111_1111_0000_XX1X Fault detected in bits 7-4
0b1111_1111_0000_XXX0 No fault detected in bits 3-0
0b1111_1111_0000_XXX1 Fault detected in bits 3-0
The execution time of ADAX and ADAXD is the same.
Table7. Conversion Times for ADAX Command Measuring All GPIOs and 2nd Reference in Different Modes
CONVERSION TIMES (in µs)
MODE t0t1M t2M t5M t6M t1C t2C t5C t6C
27kHz 0 57 103 243 290 432 568 975 1,113
14kHz 0 86 162 389 465 606 742 1,149 1,288
7kHz 0 144 278 680 814 1,072 1,324 2,080 2,335
3kHz 0 260 511 1,262 1,512 1,770 2,022 2,778 3,033
2kHz 0 493 976 2,425 2,908 3,166 3,418 4,175 4,430
1kHz 0 959 1,907 4,753 5,701 5,961 6,213 6,970 7,222
422Hz 0 1,890 3,769 9,407 11,287 11,547 11,799 12,555 12,807
26Hz 0 29,817 59,623 149,043 178,850 182,599 186,342 197,571 201,317
ADC2
SERIAL
INTERFACE
tCYCLE
tSKEW
ADAX + PEC
CALIBRATE
GPIO2
CALIBRATE
2ND REF
CALIBRATE
GPIO1
MEASURE
2ND REF
MEASURE
GPIO2
MEASURE
GPIO1
ADC1
t0t1M t2M t6M
t5M t1C t2C t5C t6C
680412 F05
tREFUP
Figure5. Timing for ADAX Command Measuring All GPIOs and 2nd Reference
LTC6811—1/LTC6811—2
27
LTC6811-1/LTC6811-2
27
68111fb
For more information www.linear.com/LTC6811-1
OPERATION
Measuring Cell Voltages and GPIOs (ADCVAX
Command)
The ADCVAX command combines twelve cell measure-
ments with two GPIO measurements (GPIO1 and GPIO2).
This command simplifies the synchronization of battery
cell voltage and current measurements when current sen-
sors are connected to GPIO1 or GPIO2 inputs. Figure6
illustrates the timing of the ADCVAX command. See the
section on Commands for the ADCVAX command format.
The synchronization of the current and voltage measure-
ments, tSKEW1, in FAST MODE is within 194µs.
Table8 shows the conversion and synchronization time
for the ADCVAX command in different modes. The total
conversion time for the command is given by t8C.
Table8. Conversion and Synchronization Times for ADCVAX Command in Different Modes
CONVERSION TIMES (in µs)
SYNCHRONIZATION
TIME (in µs)
MODE t0t1M t2M t3M t4M t5M t6M t7M t8M t8C tSKEW1
27kHz 0 57 104 150 204 251 305 352 398 1,503 194
14kHz 0 86 161 237 320 396 479 555 630 1,736 310
7kHz 0 144 278 412 553 687 828 962 1,096 3,133 543
3kHz 0 260 511 761 1,018 1,269 1,526 1,777 2,027 4,064 1009
2kHz 0 493 976 1,459 1,949 2,432 2,923 3,406 3,888 5,925 1939
1kHz 0 959 1,907 2,856 3,812 4,760 5,716 6,664 7,613 9,648 3801
422Hz 0 1,890 3,769 5,648 7,535 9,415 11,301 13,181 15,060 17,096 7,525
26Hz 0 29,817 59,623 89,430 119,244 149,051 178,864 208,671 238,478 268,442 119,234
CALIBRATE
MEASURE
C12 TO C11
MEASURE
C11 TO C10
MEASURE
C10 TO C9
MEASURE
C9 TO C8
MEASURE
C8 TO C7
MEASURE
C7 TO C6
ADC2
SERIAL
INTERFACE
tCYCLE
tSKEW1
tSKEW1
ADCVAX + PEC
CALIBRATE
MEASURE
C6 TO C5
MEASURE
C5 TO C4
MEASURE
C4 TO C3
MEASURE
GPIO2
MEASURE
GPIO1
MEASURE
C3 TO C2
MEASURE
C2 TO C1
MEASURE
C1 TO C0
ADC1
t0t1M t2M t3M t4M t5M t6M t7M t8M t8C
tREFUP
68111 F06
Figure6. Timing of ADCVAX Command
LTC681 1—1/LTC681 1—2
LTC6811-1/LTC6811-2
28
68111fb
For more information www.linear.com/LTC6811-1
OPERATION
DATA ACQUISITION SYSTEM DIAGNOSTICS
The battery monitoring data acquisition system is com-
prised of the multiplexers, ADCs, 1st reference, digital filters
and memory. To ensure long term reliable performance
there are several diagnostic commands which can be used
to verify the proper operation of these circuits.
Measuring Internal Device Parameters (ADSTAT
Command)
The ADSTAT command is a diagnostic command that
measures the following internal device parameters: Sum
of all Cells (SC), Internal Die Temperature (ITMP), Analog
Power Supply (VA) and the Digital Power Supply (VD).
These parameters are described in the section below.
All the 8 ADC modes described earlier are available for
these conversions. See the section on Commands for the
ADSTAT command format. Figure7 illustrates the timing
of the ADSTAT command measuring all 4 internal device
parameters.
Table9 shows the conversion time of the ADSTAT com-
mand measuring all 4 internal parameters. t4C indicates
the total conversion time for the ADSTAT command.
Table9. Conversion Times for ADSTAT Command Measuring SC, ITMP, VA, VD
CONVERSION TIMES (in µs)
MODE t0t1M t2M t3M t4M t1C t2C t3C t4C
27kHz 0 57 103 150 197 338 474 610 748
14kHz 0 86 162 237 313 455 591 726 865
7kHz 0 144 278 412 546 804 1,056 1,308 1,563
3kHz 0 260 511 761 1,011 1,269 1,522 1,774 2,028
2kHz 0 493 976 1,459 1,942 2,200 2,452 2,705 2,959
1kHz 0 959 1,907 2,856 3,804 4,062 4,313 4,563 4,813
422Hz 0 1,890 3,769 5,648 7,528 7,786 8,036 8,287 8,537
26Hz 0 29,817 59,623 89,430 119,237 122,986 126,729 130,472 134,218
ADC2
SERIAL
INTERFACE
tCYCLE
tSKEW
ADSTAT + PEC
CALIBRATE
ITMP
CALIBRATE
VD
CALIBRATE
SC
MEASURE
VD
MEASURE
ITMP
MEASURE
SC
ADC1
t0t1M t2M t4M
t3M t1C t2C t3C t4C
68111 F07
tREFUP
Figure7. Timing for ADSTAT Command Measuring SC, ITMP, VA, VD
LTC6811—1/LTC6811—2
1uuuv
ature (°C): 7 5mV
29
LTC6811-1/LTC6811-2
29
68111fb
For more information www.linear.com/LTC6811-1
OPERATION
Sum of Cells Measurement: The Sum of All Cells mea-
surement is the voltage between C12 and C0 with a 20:1
attenuation. The 16-bit ADC value of Sum of Cells mea-
surement (SC) is stored in Status Register GroupA. Any
potential difference between the C0 and V– pins results in
an error in the SC measurement equal to this difference.
From the SC value, the sum of all cell voltage measure-
ments is given by:
Sum of All Cells=SC • 20 • 100µV
Internal Die Temperature: The ADSTAT command can
measure the internal die temperature. The 16-bit ADC
value of the die temperature measurement (ITMP) is
stored in Status Register Group A. From ITMP, the actual
die temperature is calculated using the expression:
Internal Die Temperature (°C) =
I
TMP •
100µV
7.5mV
°C – 273°C
Power Supply Measurements: The ADSTAT command is
also used to measure the Analog Power Supply (VREG)
and Digital Power Supply (VREGD). The 16-bit ADC value
of the analog power supply measurement (VA) is stored
in Status Register Group A. The 16-bit ADC value of the
digital power supply measurement (VD) is stored in Status
Register Group B. From VA and VD, the power supply
measurements are given by:
Analog power supply measurement (VREG)=VA•100µV
Digital power supply measurement (VREGD)=VD•100µV
The value of VREG is determined by external components.
VREG should be between 4.5V and 5.5V to maintain ac-
curacy. The value of VREGD is determined by internal
components. The normal range of VREGD is 2.7V to 3.6V.
Measuring Internal Device Parameters with Digital
Redundancy (ADSTATD Command)
The ADSTATD command operates similarly to the ADSTAT
command except that an additional diagnostic is performed
using digital redundancy.
The analog modulator from ADC1 is used to measure Sum
of Cells, Internal Die Temperature, Analog Power Supply
and Digital Power Supply. This bit stream is input to the
digital integration and differentiation machines for both
ADC1 and ADC2. Thus the measurement result is calcu-
lated with redundancy. At the end of the measurement,
the two results are compared and if any mismatch occurs
then a value of 0xFF0X (>=6.528V) is written to the result
register. This value is outside of the clamping range of the
ADC and the host should identify this as a fault indication.
The last four bits are used to indicate which nibble(s) of
the result values did not match.
Result Indication
0b1111_1111_0000_0XXX No fault detected in bits 15-12.
0b1111_1111_0000_1XXX Fault detected in bits 15-12.
0b1111_1111_0000_X0XX No fault detected in bits 11-8.
0b1111_1111_0000_X1XX Fault detected in bits 11-8.
0b1111_1111_0000_XX0X No fault detected in bits 7-4.
0b1111_1111_0000_XX1X Fault detected in bits 7-4.
0b1111_1111_0000_XXX0 No fault detected in bits 3-0.
0b1111_1111_0000_XXX1 Fault detected in bits 3-0.
The execution time of ADSTAT and ADSTATD is the same.
LTC6811—1/LTC6811—2
/\/\
Mi
LTC6811-1/LTC6811-2
30
68111fb
For more information www.linear.com/LTC6811-1
OPERATION
Measuring Cell Voltages and Sum of Cells (ADCVSC
Command)
The ADCVSC command combines twelve cell measure-
ments and the measurement of Sum of Cells. This command
simplifies the synchronization of the individual battery cell
voltage and the total Sum of Cells measurements. Figure8
illustrates the timing of the ADCVSC command. See the
section on Commands for the ADCVSC command format.
The synchronization of the cell voltage and Sum of Cells
measurements, tSKEW, in FAST MODE is within 159µs.
Table10 shows the conversion and synchronization time
for the ADCVSC command in different modes. The total
conversion time for the command is given by t7C.
CALIBRATE
MEASURE
C12 TO C11
MEASURE
C11 TO C10
MEASURE
C10 TO C9
MEASURE
C9 TO C8
MEASURE
C8 TO C7
MEASURE
C7 TO C6
ADC2
SERIAL
INTERFACE
tCYCLE
tSKEW
ADCVSC + PEC
CALIBRATE
MEASURE
C6 TO C5
MEASURE
C5 TO C4
MEASURE
C4 TO C3
MEASURE
SC
MEASURE
C3 TO C2
MEASURE
C2 TO C1
MEASURE
C1 TO C0
ADC1
t0t1M t2M t3M t4M t5M t6M t7M t7C
tREFUP
68111 F08
Figure8. Timing for ADCVSC Command Measuring All 12 Cells, SC
Table10. Conversion and Synchronization Times for ADCVSC Command in Different Modes
CONVERSION TIMES (in µs)
SYNCHRONIZATION
TIME (in µs)
MODE t0t1M t2M t3M t4M t5M t6M t7M t7C tSKEW
27kHz 0 57 106 155 216 265 326 375 1,322 159
14kHz 0 86 161 237 320 396 479 555 1,526 234
7kHz 0 144 278 412 553 695 829 962 2,748 409
3kHz 0 260 511 761 1,018 1,269 1,526 1,777 3,562 758
2kHz 0 493 976 1,459 1,949 2,432 2,923 3,406 5,192 1,456
1kHz 0 959 1,907 2,856 3,812 4,767 5,716 6,664 8,450 2,853
422Hz 0 1,890 3,769 5,648 7,535 9,422 11,301 13,181 14,966 5,645
26Hz 0 29,817 59,623 89,430 119,244 149,058 178,864 208,672 234,893 89,427
LTC6811—1/LTC6811—2
31
LTC6811-1/LTC6811-2
31
68111fb
For more information www.linear.com/LTC6811-1
OPERATION
Overlap Cell Measurement (ADOL Command)
The ADOL command simultaneously measures Cell 7 with
ADC1 and ADC2. The host can compare the results from
the two ADCs against each other to look for inconsisten-
cies which may indicate a fault. The result from ADC2 is
placed in Cell Voltage Register Group C where the Cell 7
result normally resides. The result from ADC1 is placed
in Cell Voltage Register Group C where the Cell 8 result
normally resides. Figure9 illustrates the timing of the
ADOL command. See the section on Commands for the
ADOL command format.
Table11 shows the conversion time for the ADOL command.
t1C indicates the total conversion time for this command.
Accuracy Check
Measuring an independent voltage reference is the best
means to verify the accuracy of a data acquisition system.
The LTC6811 contains a 2nd reference for this purpose.
The ADAX command will initiate the measurement of the
2nd reference. The results are placed in Auxiliary Register
Group B. The range of the result depends on the ADC1
measurement accuracy and the accuracy of the 2nd ref-
erence, including thermal hysteresis and long term drift.
Readings outside the range 2.99V to 3.01V (final data
sheet limits plus 2mV for Hys and 3mV for LTD) indicate
the system is out of its specified tolerance. ADC2 is veri-
fied by comparing it to ADC1 using the ADOL command.
MUX Decoder Check
The diagnostic command DIAGN ensures the proper op-
eration of each multiplexer channel. The command cycles
through all channels and sets the MUXFAIL bit to 1 in
Status Register Group B if any channel decoder fails. The
MUXFAIL bit is set to 0 if the channel decoder passes the
test. The MUXFAIL bit is also set to 1 on power-up (POR)
or after a CLRSTAT command.
The DIAGN command takes about 400µs to complete if the
Core is in REFUP state and about 4.5ms to complete if the
Core is in STANDBY state. The polling methods described
in the section Polling Methods can be used to determine
the completion of the DIAGN command.
CALIBRATE
C7 TO C6
MEASURE
C7 TO C6
ADC2
SERIAL
INTERFACE ADOL + PEC
CALIBRATE
C7 TO C6
MEASURE
C7 TO C6
ADC1
t0t1M t1C
68111 F09
tREFUP
Figure9. Timing for ADOL Command Measuring Cell 7 with both ADC1 and ADC2
Table11. Conversion Times for ADOL Command
CONVERSION TIMES (in µs)
MODE t0t1M t1C
27kHz 0 57 201
14kHz 0 86 230
7kHz 0 144 405
3kHz 0 240 501
2kHz 0 493 754
1kHz 0 959 1,219
422Hz 0 1,890 2,150
26Hz 0 29,817 33,568
LTC681 1—1/LTC681 1—2
LTC6811-1/LTC6811-2
32
68111fb
For more information www.linear.com/LTC6811-1
OPERATION
Digital Filter Check
The delta-sigma ADC is composed of a 1-bit pulse den-
sity modulator followed by a digital filter. A pulse density
modulated bit stream has a higher percentage of 1s for
higher analog input voltages. The digital filter converts
this high frequency 1-bit stream into a single 16-bit word.
This is why a delta-sigma ADC is often referred to as an
oversampling converter.
The self test commands verify the operation of the digital
filters and memory. Figure 10 illustrates the operation
of the ADC during self test. The output of the 1-bit pulse
density modulator is replaced by a 1-bit test signal. The
test signal passes through the digital filter and is con-
verted to a 16-bit value. The 1-bit test signal undergoes
the same digital conversion as the regular 1-bit signal
from the modulator, so the conversion time for any self
test command is exactly the same as the regular ADC
conversion command. The 16-bit ADC value is stored in
the same register groups as the corresponding regular
ADC conversion command. The test signals are designed
to place alternating one-zero patterns in the registers.
Table12 provides a list of the self test commands. If the
digital filters and memory are working properly, then the
registers will contain the values shown in Table12. For
more details see the Commands section.
ADC Clear Commands
LTC6811 has three clear commands: CLRCELL, CLRAUX
and CLRSTAT. These commands clear the registers that
store all ADC conversion results.
The CLRCELL command clears Cell Voltage Register
Groups A, B, C and D. All bytes in these registers are set
to 0xFF by CLRCELL command.
The CLRAUX command clears Auxiliary Register Groups
A and B. All bytes in these registers are set to 0xFF by
CLRAUX command.
68111 F10
RESULTS
REGISTER
DIGITAL
FILTER
ANALOG
INPUT
MUX
TEST SIGNAL
PULSE DENSITY
MODULATED
BIT STREAM
1
SELF TEST
PATTERN
GENERATOR
16
1-BIT
MODULATOR
Figure10. Operation of LTC6811 ADC Self Test
Table12. Self Test Command Summary
COMMAND SELF TEST OPTION
OUTPUT PATTERN IN DIFFERENT ADC MODES RESULTS REGISTER
GROUPS27kHz 14kHz 7kHz, 3kHz, 2kHz, 1kHz, 422Hz, 26Hz
CVST ST[1:0]=01 0x9565 0x9553 0x9555 C1V to C12V
(CVA, CVB, CVC, CVD)
ST[1:0]=10 0x6A9A 0x6AAC 0x6AAA
AXST ST[1:0]=01 0x9565 0x9553 0x9555 G1V to G5V, REF
(AUXA, AUXB)
ST[1:0]=10 0x6A9A 0x6AAC 0x6AAA
STATST ST[1:0]=01 0x9565 0x9553 0x9555 SC, ITMP, VA, VD
(STATA, STATB)
ST[1:0]=10 0x6A9A 0x6AAC 0x6AAA
LTC6811—1/LTC6811—2
33
LTC6811-1/LTC6811-2
33
68111fb
For more information www.linear.com/LTC6811-1
OPERATION
The CLRSTAT command clears Status Register Groups A
and B except the REV and RSVD bits in Status Register
Group B. A read back of REV will return the revision code
of the part. RSVD bits always read back 0s. All OV and UV
flags, MUXFAIL bit and the THSD bit in Status Register
Group B are set to 1 by CLRSTAT command. The THSD bit
is set to 0 after RDSTATB command. The registers stor-
ing SC, ITMP, VA and VD are all set to 0xFF by CLRSTAT
command.
Open Wire Check (ADOW Command)
The ADOW command is used to check for any open wires
between the ADCs of the LTC6811 and the external cells.
This command performs ADC conversions on the C pin
inputs identically to the ADCV command, except two
internal current sources sink or source current into the
two C pins while they are being measured. The pull-up
(PUP) bit of the ADOW command determines whether the
current sources are sinking or sourcing 100µA.
The following simple algorithm can be used to check for
an open wire on any of the 13 C pins:
1. Run the 12-cell command ADOW with PUP=1 at least
twice. Read the cell voltages for cells 1 through 12 once
at the end and store them in array CELLPU(n).
2. Run the 12-cell command ADOW with PUP=0 at least
twice. Read the cell voltages for cells 1 through 12 once
at the end and store them in array CELLPD(n).
3. Take the difference between the pull-up and pull-down
measurements made in above steps for cells 2 to 12:
CELL∆(n)=CELLPU(n) – CELLPD(n).
4. For all values of n from 1 to 11: If CELL∆(n+1) < –400mV,
then C(n) is open. If CELLPU(1)=0.0000, then C(0) is
open. If CELLPD(12)=0.0000, then C(12) is open.
The above algorithm detects open wires using normal
mode conversions with as much as 10nF of capacitance
remaining on the LTC6811 side of the open wire. However,
if more external capacitance is on the open C pin, then the
length of time that the open wire conversions are ran in
steps 1 and 2 must be increased to give the 100µA current
sources time to create a large enough difference for the
algorithm to detect an open connection. This can be ac-
complished by running more than two ADOW commands
in steps 1 and 2, or by using filtered mode conversions
instead of normal mode conversions. Use Table 13 to
determine how many conversions are necessary:
Table13
EXTERNAL C PIN
CAPACITANCE
NUMBER OF ADOW COMMANDS REQUIRED IN
STEPS 1 AND 2
NORMAL MODE FILTERED MODE
≤10nF 2 2
100nF 10 2
1µF 100 2
C 1 + ROUNDUP(C/10nF) 2
Thermal Shutdown
To protect the LTC6811 from overheating, there is a thermal
shutdown circuit included inside the IC. If the temperature
detected on the die goes above approximately 150°C, the
thermal shutdown circuit trips and resets the Configura-
tion Register Group and S Control Register Group to
their default states. This turns off all discharge switches.
When a thermal shutdown event has occurred, the THSD
bit in Status Register Group B will go high. The CLRSTAT
command can also set the THSD bit high for diagnostic
purposes. This bit is cleared when a read operation is
performed on Status Register Group B (RDSTATB com-
mand). The CLRSTAT command sets the THSD bit high for
diagnostic purposes but does not reset the Configuration
Register Group.
Revision Code and Reserved Bits
The Status Register Group B contains a 4-bit revision code
(REV) and 2 reserved (RSVD) bits. If software detection
of device revision is necessary, then contact the factory
for details. Otherwise the code can be ignored. In all
cases, however, the values of all bits must be used when
calculating the Packet Error Code (PEC) on data reads.
LTC681 1—1/LTC681 1—2
LTC6811-1/LTC6811-2
34
68111fb
For more information www.linear.com/LTC6811-1
OPERATION
WATCHDOG AND DISCHARGE TIMER
When there is no valid command for more than 2 seconds,
the watchdog timer expires. This resets Configuration
Register bytes CFGR0-3 in all cases. CFGR4 and CFGR5
and the S Control Register Group are reset by the watchdog
timer when the discharge timer is disabled. The WDT pin
is pulled high by the external pull-up when the watchdog
time elapses. The watchdog timer is always enabled and
it resets after every valid command with matching com-
mand PEC.
The discharge timer is used to keep the discharge switches
turned ON for programmable time duration. If the discharge
timer is being used, the discharge switches are not turned
OFF when the watchdog timer is activated.
To enable the discharge timer, connect the DTEN pin to
VREG (Figure 11). In this configuration, the discharge
switches will remain ON for the programmed time dura-
tion as determined by the DCTO value in the Configuration
Register Group. Table14 shows the various time settings
and the corresponding DCTO value. Table15 summarizes
the status of the Configuration Register Group after a
watchdog timer or discharge timer event.
The status of the discharge timer can be determined
by reading the Configuration Register Group using the
RDCFGA command. The DCTO value indicates the time left
before the discharge timer expires as shown in Table16.
Table14. DCTO Settings
DCTO 0 1 2 3 4 5 6 7 8 9 A B C D E F
Time (min) Disabled 0.5 1 2 3 4 5 10 15 20 30 40 60 75 90 120
68111 F11
VREG
DTEN
LTC6811
DCTO ≠ 0
2
DISCHARGE
TIMER
TIMEOUT
DCTEN
EN
RSTCLK
1
RST
(POR OR WRCFGA DONE OR TIMEOUT)
(POR OR VALID COMMAND)
CLK
OSC 16Hz
OSC 16Hz
WDT
WDTPD
WDTRST && ~DCTEN
RST1
(RESETS DCTO, DCC)
RST2
(RESETS REFUP, GPIO, VUV, VOV)
WDTRST
WATCHDOG
TIMER
Figure11. Watchdog and Discharge Timer
Table15
WATCHDOG TIMER DISCHARGE TIMER
DTEN=0,
DCTO=XXXX Resets CFGR0-5 and
SCTRL when it fires Disabled
DTEN=1,
DCTO=0000 Resets CFGR0-5 and
SCTRL when it fires Disabled
DTEN=1,
DCTO!=0000 Resets CFGR0-3 when
it fires Resets CFGR4-5 and SCTRL
when it fires
LTC681 1—1/LTC681 1—2
35
LTC6811-1/LTC6811-2
35
68111fb
For more information www.linear.com/LTC6811-1
OPERATION
Unlike the watchdog timer, the discharge timer does not
reset when there is a valid command. The discharge timer
can only be reset after a valid WRCFGA (Write Configu-
ration Register Group) command. There is a possibility
that the discharge timer will expire in the middle of some
commands.
If the discharge timer activates in the middle of a WRCFGA
command, the Configuration Register Group and S Control
Register Group will reset as per Table15. However, at the
end of the valid WRCFGA command, the new data is copied
to the Configuration Register Group. The new configura-
tion data is not lost when the discharge timer is activated.
If the discharge timer activates in the middle of a RDCFGA
command, the Configuration Register Group resets as
per Table15. As a result, the read back data from bytes
CFRG4 and CFRG5 could be corrupted. If the discharge
timer activates in the middle of a RDSCTRL command,
the S Control Register Group resets as per Table15. As a
result, the read back data could be corrupted.
S PIN PULSE WIDTH MODULATION FOR CELL
BALANCING
For additional control of cell discharging, the host may
configure the S pins to operate using pulse width modu-
lation. While the watchdog timer is not expired, the DCC
bits in the Configuration Register Group control the S pins
directly. After the watchdog timer expires, PWM operation
begins and continues for the remainder of the selected
discharge time or until a wake-up event occurs (and the
watchdog timer is reset). During PWM operation, the DCC
bits must be set to 1 for the PWM feature to operate.
Once PWM operation begins, the configurations in the PWM
register may cause some or all S pins to be periodically
de-asserted to achieve the desired duty cycle as shown in
Table17. Each PWM signal operates on a 30 second period.
For each cycle, the duty cycle can be programmed from
0% to 100% in increments of 1/15=6.67% (2 seconds).
Table17. S Pin Pulse Width Modulation Settings
DCC BIT
(CONFIG
REGISTER
GROUP)
PWMC
SETTING
ON TIME
(SECONDS)
OFF TIME
(SECONDS)
DUTY
CYCLE
(%)
0 4’bXXXX 0 Continuously Off 0.0
1 4’b1111 Continuously On 0 100.0
1 4’b1110 28 2 93.3
1 4’b1101 26 4 86.7
1 4’b1100 24 6 80.0
1 4’b1011 22 8 73.3
1 4’b1010 20 10 66.7
1 4’b1001 18 12 60.0
1 4’b1000 16 14 53.3
1 4’b0111 14 16 46.7
1 4’b0110 12 18 40.0
1 4’b0101 10 20 33.3
1 4’b0100 8 22 26.7
1 4’b0011 6 24 20.0
1 4’b0010 4 26 13.3
1 4’b0001 2 28 6.7
1 4’b0000 0 Continuously Off 0.0
Table16
DCTO (READ VALUE) DISCHARGE TIME LEFT (MIN)
0 Disabled (or) Timer has timed out
1 0 < Timer ≤ 0.5
2 0.5 < Timer ≤ 1
3 1 < Timer ≤ 2
4 2 < Timer ≤ 3
5 3 < Timer ≤ 4
6 4 < Timer ≤ 5
7 5 < Timer ≤ 10
8 10 < Timer ≤ 15
9 15 < Timer ≤ 20
A 20 < Timer ≤ 30
B 30 < Timer ≤ 40
C 40 < Timer ≤ 60
D 60 < Timer ≤ 75
E 75 < Timer ≤ 90
F 90 < Timer ≤ 120
LTC681 1—1/LTC681 1—2
LTC6811-1/LTC6811-2
36
68111fb
For more information www.linear.com/LTC6811-1
OPERATION
Each S pin PWM signal is sequenced at different intervals
to ensure that no two pins switch on or off at the same
time. The switching interval between channels is 62.5ms,
and 0.75 seconds is required for all twelve pins to switch
(12 • 62.5ms).
The default value of the PWM register is all 1s so that the
LTC6811 will maintain backwards compatibility with the
LTC6804. Upon entering sleep mode, the PWM register
will be initialized to its default value.
I2C/SPI MASTER ON LTC6811 USING GPIOS
The I/O ports GPIO3, GPIO4 and GPIO5 on LTC6811-1 and
LTC6811-2 can be used as an I2C or SPI master port to
communicate to an I2C or SPI slave. In the case of an I2C
master, GPIO4 and GPIO5 form the SDA and SCL ports of
the I2C interface respectively. In the case of a SPI master,
GPIO3, GPIO4 and GPIO5 become the CSBM, SDIOM
and SCKM ports of the SPI interface respectively. The
SPI master on LTC6811 supports SPI mode 3 (CHPA=1,
CPOL=1).
The GPIOs are open drain outputs, so an external pull-up
is required on these ports to operate as an I2C or SPI
master. It is also important to write the GPIO bits to 1 in
the Configuration Register Group so these ports are not
pulled low internally by the device.
COMM Register
LTC6811 has a 6-byte COMM register as shown in Table18.
This register stores all data and control bits required for
I2C or SPI communication to a slave. The COMM register
contains three bytes of data Dn[7:0] to be transmitted to
or received from the slave device. ICOMn[3:0] specify
control actions before transmitting/receiving each data
byte. FCOMn[3:0] specify control actions after transmit-
ting/receiving each data byte.
If the bit ICOMn[3] in the COMM register is set to 1 the
part becomes a SPI master and if the bit is set to 0 the
part becomes an I2C master.
Table19 describes the valid write codes for ICOMn[3:0]
and FCOMn[3:0] and their behavior when using the part
as an I2C master.
Table18. COMM Register Memory Map
REGISTER RD/WR BIT 7 BIT 6 BIT 5 BIT 4 BIT 3 BIT 2 BIT 1 BIT 0
COMM0 RD/WR ICOM0[3] ICOM0[2] ICOM0[1] ICOM0[0] D0[7] D0[6] D0[5] D0[4]
COMM1 RD/WR D0[3] D0[2] D0[1] D0[0] FCOM0[3] FCOM0[2] FCOM0[1] FCOM0[0]
COMM2 RD/WR ICOM1[3] ICOM1[2] ICOM1[1] ICOM1[0] D1[7] D1[6] D1[5] D1[4]
COMM3 RD/WR D1[3] D1[2] D1[1] D1[0] FCOM1[3] FCOM1[2] FCOM1[1] FCOM1[0]
COMM4 RD/WR ICOM2[3] ICOM2[2] ICOM2[1] ICOM2[0] D2[7] D2[6] D2[5] D2[4]
COMM5 RD/WR D2[3] D2[2] D2[1] D2[0] FCOM2[3] FCOM2[2] FCOM2[1] FCOM2[0]
Table19. Write Codes for ICOMn[3:0] and FCOMn[3:0] on I2C Master
CONTROL BITS CODE ACTION DESCRIPTION
ICOMn[3:0] 0110 START Generate a START signal on I2C port followed by data transmission
0001 STOP Generate a STOP signal on I2C port
0000 BLANK Proceed directly to data transmission on I2C port
0111 No Transmit Release SDA and SCL and ignore the rest of the data
FCOMn[3:0] 0000 Master ACK Master generates an ACK signal on ninth clock cycle
1000 Master NACK Master generates a NACK signal on ninth clock cycle
1001 Master NACK + STOP Master generates a NACK signal followed by STOP signal
LTC681 1—1/LTC681 1—2
37
LTC6811-1/LTC6811-2
37
68111fb
For more information www.linear.com/LTC6811-1
OPERATION
Table20 describes the valid write codes for ICOMn[3:0]
and FCOMn[3:0] and their behavior when using the part
as a SPI master.
Note that only the codes listed in Tables 19 and 20 are
valid for ICOMn[3:0] and FCOMn[3:0]. Writing any other
code that is not listed in Tables 19 and 20 to ICOMn[3:0]
and FCOMn[3:0] may result in unexpected behavior on
the I2C or SPI port.
COMM Commands
Three commands help accomplish I2C or SPI commu-
nication to the slave device: WRCOMM, STCOMM and
RDCOMM.
WRCOMM Command: This command is used to write data
to the COMM register. This command writes 6 bytes of
data to the COMM register. The PEC needs to be written at
the end of the data. If the PEC does not match, all data in
the COMM register is cleared to 1s when CSB goes high.
See the section Bus Protocols for more details on a write
command format.
STCOMM Command: This command initiates I2C/SPI com-
munication on the GPIO ports. The COMM register contains
3 bytes of data to be transmitted to the slave. During this
command, the data bytes stored in the COMM register are
transmitted to the slave I2C or SPI device and the data
received from the I2C or SPI device is stored in the COMM
register. This command uses GPIO4 (SDA) and GPIO5
(SCL) for I2C communication or GPIO3 (CSBM), GPIO4
(SDIOM) and GPIO5 (SCKM) for SPI communication.
The STCOMM command is to be followed by 24 clock
cycles for each byte of data to be transmitted to the slave
device while holding CSB low. For example, to transmit
three bytes of data to the slave, send STCOMM command
and its PEC followed by 72 clock cycles. Pull CSB high
at the end of the 72 clock cycles of STCOMM command.
During I2C or SPI communication, the data received from
the slave device is updated in the COMM register.
RDCOMM Command: The data received from the slave
device can be read back from the COMM register using
the RDCOMM command. The command reads back six
bytes of data followed by the PEC. See the section Bus
Protocols for more details on a read command format.
Table 21 describes the possible read back codes for
ICOMn[3:0] and FCOMn[3:0] when using the part as an
I2C master. Dn[7:0] contains the data byte transmitted by
the I2C slave.
In case of the SPI master, the read back codes for
ICOMn[3:0] and FCOMn[3:0] are always 0111 and 1111
respectively. Dn[7:0] contains the data byte transmitted
by the SPI slave.
Table20. Write Codes for ICOMn[3:0] and FCOMn[3:0] on SPI Master
CONTROL BITS CODE ACTION DESCRIPTION
ICOMn[3:0] 1000 CSBM low Generates a CSBM low signal on SPI port (GPIO3)
1010 CSBM falling edge Drives CSBM (GPIO3) high, then low
1001 CSBM high Generates a CSBM high signal on SPI port (GPIO3)
1111 No Transmit Releases the SPI port and ignores the rest of the data
FCOMn[3:0] X000 CSBM low Holds CSBM low at the end of byte transmission
1001 CSBM high Transitions CSBM high at the end of byte transmission
Table21. Read Codes for ICOMn[3:0] and FCOMn[3:0] on I2C Master
CONTROL BITS CODE DESCRIPTION
ICOMn[3:0] 0110 Master generated a START signal
0001 Master generated a STOP signal
0000 Blank, SDA was held low between bytes
0111 Blank, SDA was held high between bytes
FCOMn[3:0] 0000 Master generated an ACK signal
0111 Slave generated an ACK signal
1111 Slave generated a NACK signal
0001 Slave generated an ACK signal, master
generated a STOP signal
1001 Slave generated a NACK signal, master
generated a STOP signal
LTC681 1—1/LTC681 1—2
| X X
| | | | | |
X X X
| | | | | |
| X X
LTC6811-1/LTC6811-2
38
68111fb
For more information www.linear.com/LTC6811-1
OPERATION
Figure12 illustrates the operation of LTC6811 as an I2C
or SPI master using the GPIOs.
Any number of bytes can be transmitted to the slave in
groups of 3 bytes using these commands. The GPIO ports
will not get reset between different STCOMM commands.
However, if the wait time between the commands is greater
than 2s, the watchdog will time out and reset the ports to
their default values.
To transmit several bytes of data using an I2C master, a
START signal is only required at the beginning of the entire
data stream. A STOP signal is only required at the end of
the data stream. All intermediate data groups can use a
BLANK code before the data byte and an ACK/NACK signal
as appropriate after the data byte. SDA and SCL will not
get reset between different STCOMM commands.
To transmit several bytes of data using SPI master, a
CSBM low signal is sent at the beginning of the 1st data
byte. CSBM can be held low or taken high for intermediate
data groups using the appropriate code on FCOMn[3:0].
A CSBM high signal is sent at the end of the last byte of
data. CSBM, SDIOM and SCKM will not get reset between
different STCOMM commands.
Figure13 shows the 24 clock cycles following STCOMM
command for an I2C master in different cases. Note that
if ICOMn[3:0] specified a STOP condition, after the STOP
signal is sent, the SDA and SCL lines are held high and
all data in the rest of the word is ignored. If ICOMn[3:0]
is a NO TRANSMIT, both SDA and SCL lines are released,
and the rest of the data in the word is ignored. This is
used when a particular device in the stack does not have
to communicate to a slave.
Figure14 shows the 24 clock cycles following STCOMM
command for a SPI master. Similar to the I2C master, if
ICOMn[3:0] specified a CSBM HIGH or a NO TRANSMIT
condition, the CSBM, SCKM and SDIOM lines of the SPI
master are released and the rest of the data in the word
is ignored.
68111 F12
COMM
REGISTER
GPIO
PORT
I2C/SPI
SLAVE
PORT A
RDCOMM
WRCOMM
STCOMM
LTC6811-1/LTC6811-2
Figure12. LTC6811 I2C/SPI Master Using GPIOs
SDA (GPIO4) 68111 F13
SCL (GPIO5)
NO TRANSMIT
SDA (GPIO4)
SCL (GPIO5)
STOP
SDA (GPIO4)
SCL (GPIO5)
START ACK
SDA (GPIO4)
SCL (GPIO5)
START NACK + STOP
SDA (GPIO4)
SCL (GPIO5)
BLANK NACK
(SCK)
tCLK t4t3
Figure13. STCOMM Timing Diagram for an I2C Master
LTC681 1—1/LTC681 1—2
—|
||||||||||||||||
XXXXXXXX
'—
||||||||||||||||
XXXXXXXX
—l
—l
39
LTC6811-1/LTC6811-2
39
68111fb
For more information www.linear.com/LTC6811-1
OPERATION
Timing Specifications of I2C and SPI Master
The timing of the LTC6811 I2C or SPI master will be
controlled by the timing of the communication at the
LTC6811’s primary SPI interface. Table 22 shows the
I2C master timing relationship to the primary SPI clock.
Table23 shows the SPI master timing specifications.
Table22. I2C Master Timing
I2C MASTER
PARAMETER
TIMING RELATIONSHIP
TO PRIMARY SPI
INTERFACE
TIMING
SPECIFICATIONS
AT t CLK=1µs
SCL Clock Frequency 1/(2 • tCLK) Max 500kHz
tHD;STA t3Min 200ns
tLOW tCLK Min 1µs
tHIGH tCLK Min 1µs
tSU;STA tCLK + t4* Min 1.03µs
tHD;DAT t4* Min 30ns
tSU;DAT t3Min 200ns
tSU;STO tCLK + t4* Min 1.03µs
tBUF 3 • tCLK Min 3µs
* Note: When using isoSPI, t4 is generated internally and is a minimum of
30ns. Also, t3=tCLK – t4. When using SPI, t3 and t4 are the low and high
times of the SCK input, each with a specified minimum of 200ns.
SDIOM (GPIO4) 68111 F14
SCKM (GPIO5)
CSBM HIGH/NO TRANSMIT
CSBM (GPIO3)
SDIOM (GPIO4)
SCKM (GPIO5)
CSBM (GPIO3)
CSBM LOW CSBM LOW ≥ HIGH
SDIOM (GPIO4)
SCKM (GPIO5)
CSBM (GPIO3)
CSBM HIGH ≥ LOW CSBM LOW
(SCK)
tCLK t4t3
Figure14. STCOMM Timing Diagram for a SPI Master
Table23. SPI Master Timing
SPI MASTER
PARAMETER
TIMING RELATIONSHIP
TO PRIMARY SPI
INTERFACE
TIMING
SPECIFICATIONS
AT t CLK=1µs
SDIOM Valid to SCKM Rising
Setup t3Min 200ns
SDIOM Valid from SCKM
Rising Hold tCLK + t4* Min 1.03µs
SCKM Low tCLK Min 1µs
SCKM High tCLK Min 1µs
SCKM Period (SCKM_Low +
SCKM_High) 2 • tCLK Min 2µs
CSBM Pulse Width 3 • tCLK Min 3µs
SCKM Rising to CSBM
Rising 5 • tCLK + t4* Min 5.03µs
CSBM Falling to SCKM
Falling t3Min 200ns
CSBM Falling to SCKM
Rising tCLK + t3Min 1.2µs
SCKM Falling to SDIOM Valid Master requires < tCLK
* Note: When using isoSPI, t4 is generated internally and is a minimum of
30ns. Also, t3=tCLK – t4. When using SPI, t3 and t4 are the low and high
times of the SCK input, each with a specified minimum of 200ns.
LTC6811—1/LTC6811—2
LTC6811-1/LTC6811-2
40
68111fb
For more information www.linear.com/LTC6811-1
OPERATION
S PIN PULSING USING THE S CONTROL REGISTER GROUP
The S pins of the LTC6811 can be used as a simple serial
interface. This is particularly useful for controlling Linear
Technology’s LT8584, a monolithic flyback DC/DC con-
verter designed to actively balance large battery stacks. The
LT8584 has several operating modes which are controlled
through a serial interface. The LTC6811 can communicate
to an LT8584 by sending a sequence of pulses on each
S pin to select a specific LT8584 mode. The S Control
Register Group is used to specify the behavior for each of
the 12 S pins, where each nibble specifies whether the S
pin should drive high, drive low, or send a pulse sequence
of between 1 and 7 pulses. Table24 shows the possible S
pin behaviors that can be sent to the LT8584.
The S pin pulses occur at a pulse rate of 6.44kHz (155µs
period). The pulse width will be 77.6µs. The S pin pulsing
begins when the STSCTRL command is sent, after the last
command PEC clock, provided that the command PEC
matches. The host may then continue to clock SCK in
order to poll the status of the pulsing. This polling works
similarly to the ADC polling feature. The data out will remain
logic low until the S pin pulsing sequence has completed.
While the S pin pulsing is in progress, new STSCTRL or
WRSCTRL commands are ignored. The PLADC command
may be used to determine when the S pin pulsing has
completed.
If the WRSCTRL command and command PEC are re-
ceived correctly but the data PEC does not match, then the
S Control Register Group will be cleared.
If a DCC bit in the Configuration Register Group is asserted,
the LTC6811 will drive the selected S pin low, regardless
of the S Control Register Group. The host should leave the
DCC bits set to 0 when using the S Control Register Group.
The CLRSCTRL command can be used to quickly reset the
S Control Register Group to all 0s and force the pulsing
machine to release control of the S pins. This command
may be helpful in reducing the diagnostic control loop
time in an automotive application.
Table24
NIBBLE VALUE S PIN BEHAVIOR
0000
0001
0010
0011
0100
0101
0110
0111
1XXX
LTC681 1—1/LTC681 1—2
41
LTC6811-1/LTC6811-2
41
68111fb
For more information www.linear.com/LTC6811-1
OPERATION
SERIAL INTERFACE OVERVIEW
There are two types of serial ports on the LTC6811: a
standard 4-wire serial peripheral interface (SPI) and a
2-wire isolated interface (isoSPI). The state of the ISOMD
pin determines whether pins 41 through 44 are a 2-wire
or 4-wire serial port.
There are two versions of the IC: the LTC6811-1 and the
LTC6811-2. The LTC6811-1 is used in a daisy-chain con-
figuration and the LTC6811-2 is used in an addressable bus
configuration. The LTC6811-1 provides a second isoSPI
interface using pins 45 through 48. The LTC6811-2 uses
pins 45 through 48 to set the address of the device, by
tying these pins to V– or VREG.
4-WIRE SERIAL PERIPHERAL INTERFACE (SPI)
PHYSICAL LAYER
External Connections
Connecting ISOMD to V– configures serial Port A for
4-wire SPI. The SDO pin is an open drain output which
requires a pull-up resistor tied to the appropriate supply
voltage (Figure15).
Timing
The 4-wire serial port is configured to operate in a SPI system
using CPHA=1 and CPOL=1. Consequently, data on SDI
must be stable during the rising edge of SCK. The timing
is depicted in Figure16. The maximum data rate is 1Mbps.
DAISY-CHAIN SUPPORT
68111 F15
V+
C12
S12
C11
S11
C10
S10
C9
S9
C8
S8
C7
S7
C6
S6
C5
S5
C4
S4
C3
S3
C2
S2
C1
MISO
MOSI
CLK
CS
VDD
MPU
IPB
IMB
ICMP
IBIAS
SDO (NC)
SDI (NC)
SCK (IPA)
CSB (IMA)
ISOMD
WDT
DRIVE
VREG
DTEN
VREF1
VREF2
GPIO5
GPIO4
V–
V–
GPIO3
GPIO2
GPIO1
C0
S1
LTC6811-1 ADDRESS PINS
5k 5k
V+
C12
S12
C11
S11
C10
S10
C9
S9
C8
S8
C7
S7
C6
S6
C5
S5
C4
S4
C3
S3
C2
S2
C1
MISO
MOSI
CLK
CS
VDD
MPU
A3
A2
A1
A0
SDO (IBIAS)
SDI (ICMP)
SCK (IPA)
CSB (IMA)
ISOMD
WDT
DRIVE
VREG
DTEN
VREF1
VREF2
GPIO5
GPIO4
V–
V–
GPIO3
GPIO2
GPIO1
C0
S1
LTC6811-2
Figure15. 4-Wire SPI Configuration
LTC681 1—1/LTC681 1—2
Tpfifffi W"?
"a
LTC6811-1/LTC6811-2
42
68111fb
For more information www.linear.com/LTC6811-1
OPERATION
2-WIRE ISOLATED INTERFACE (isoSPI) PHYSICAL
LAYER
The 2-wire interface provides a means to interconnect
LTC6811 devices using simple twisted pair cabling. The
interface is designed for low packet error rates when the
cabling is subjected to high RF fields. Isolation is achieved
through an external transformer.
Standard SPI signals are encoded into differential pulses.
The strength of the transmission pulse and the threshold
level of the receiver are set by two external resistors. The
values of the resistors allow the user to trade off power
dissipation for noise immunity.
Figure17 illustrates how the isoSPI circuit operates. A 2V
reference drives the IBIAS pin. External resistors RB1 and
RB2 create the reference current IB. This current sets the
drive strength of the transmitter. RB1 and RB2 also form
a voltage divider to supply a fraction of the 2V reference
for the ICMP pin, which sets the threshold voltage of the
receiver circuit.
68111 F16
SDI
SCK
D3 D2 D1 D0 D7…D4 D3
CURRENT COMMANDPREVIOUS COMMAND
t7
t8
t6
t5
SDO
CSB
D3D4 D2 D1 D0 D7…D4 D3
t1t2
t3
t4
Figure16. Timing Diagram of 4-Wire Serial Peripheral Interface
68111 F17
IM RM
IBIAS
IB
RB1
ICMP
2V
IP
LOGIC
AND
MEMORY
Tx = +1 Tx • 20 • IB
Tx = –1
SDO Tx = 0
PULSE
ENCODER/
DECODER
SDI
SCK
CSB
WAKEUP
CIRCUIT
(ON PORT A)
LTC6811
+
–
–
+
•
•
Rx = +1
Rx = –1
Rx = 0
RB2
COMPARATOR THRESHOLD = RB1 + RB2
1V • RB2
0.5X
Figure17. isoSPI Interface
LTC6811—1/LTC6811—2
2V
43
LTC6811-1/LTC6811-2
43
68111fb
For more information www.linear.com/LTC6811-1
OPERATION
External Connections
The LTC6811-1 has two serial ports which are called PortB
and Port A. Port B is always configured as a 2-wire inter-
face (master). Port A is either a 2-wire or 4-wire interface
(slave), depending on the connection of the ISOMD pin.
Figure18 is an example of a robust interconnection of
multiple identical PCBs, each containing one LTC6811-1.
The microprocessor is located on a separate PCB. To
achieve 2-wire isolation between the microprocessor PCB
and the 1st LTC6811-1 PCB, use the LTC6820 support IC.
The LTC6820 is functionally equivalent to the diagram in
Figure17. The final LTC6811-1 in the daisy chain does
not use Port B; however, the RM should still be present.
The LTC6811-2 has a single serial port (Port A) which can
be 2-wire or 4-wire, depending on the state of the ISOMD
pin. When configured for 2-wire communications, several
devices can be connected in a multi-drop configuration as
shown in Figure19. The LTC6820 IC is used to interface
the MPU (master) to the LTC6811-2s (slaves).
Using a Single LTC6811
When only one LTC6811 is needed, the LTC6811-2 is rec-
ommended. It does not have isoSPI Port B, so it requires
fewer external components and consumes less power,
especially when Port A is configured as a 4-wire interface.
However, the LTC6811-1 can be used as a single (non
daisy-chained) device if the second isoSPI port (Port B)
is properly biased and terminated, as shown in Figures20
and 22. ICMP should not be tied to GND, but can be tied
directly to IBIAS. A bias resistance (2k to 20k) is required
for IBIAS. Do not tie IBIAS directly to VREG or V–. Finally,
IPB and IMB should be terminated into a 100Ω resistor
(not tied to VREG or V–).
Selecting Bias Resistors
The adjustable signal amplitude allows the system to trade
power consumption for communication robustness, and
the adjustable comparator threshold allows the system to
account for signal losses.
The isoSPI transmitter drive current and comparator volt-
age threshold are set by a resistor divider (RBIAS=RB1 + RB2)
between IBIAS and V–. The divided voltage is connected
to the ICMP pin, which sets the comparator threshold to
½ of this voltage (VICMP). When either isoSPI interface is
enabled (not IDLE) IBIAS is held at 2V, causing a current
IB to flow out of the IBIAS pin. The IP and IM pin drive
currents are 20 • IB.
As an example, if divider resistor RB1 is 2.8k and resistor
RB2 is 1.21k (so that RBIAS=4k), then:
IB=
2V
RB1 +RB2
=0.5mA
IDRV=IIP=IIM=20 • IB=10mA
V
ICMP =2V •
R
B2
R
B1
+R
B2
=IB•RB2 =603mV
VTCMP=0.5 • VICMP=302mV
In this example, the pulse drive current IDRV will be 10mA
and the receiver comparators will detect pulses with IP-IM
amplitudes greater than ±302mV.
If the isolation barrier uses 1:1 transformers connected
by a twisted pair and terminated with 120Ω resistors on
each end, then the transmitted differential signal amplitude
(±) will be:
VA=IDRV •
R
M
2
=0.6V
(This result ignores transformer and cable losses, which
may reduce the amplitude).
LTC681 1-1/LTC681 1‘2
:]
37%
w mm
J78
w Wm
3%
w Wm
37%
w mm
LTC6811-1/LTC6811-2
44
68111fb
For more information www.linear.com/LTC6811-1
OPERATION
68111 F18
VCC
VCCO
MOSI
MISO
SCK
CS
EN
SLOW
MSTR
POL
PHA
IBIAS
ICMP
GND
IP
IM
MISO
MOSI
CLK
CS
VDD
MPU
LTC6820
V+
C12
S12
C11
S11
C10
S10
C9
S9
C8
S8
C7
S7
C6
S6
C5
S5
C4
S4
C3
S3
C2
S2
C1
IPB
IMB
ICMP
IBIAS
SDO (NC)
SDI (NC)
SCK (IPA)
CSB (IMA)
ISOMD
WDT
DRIVE
VREG
DTEN
VREF1
VREF2
GPIO5
GPIO4
V–
V–
GPIO3
GPIO2
GPIO1
C0
S1
LTC6811-1
V+
C12
S12
C11
S11
C10
S10
C9
S9
C8
S8
C7
S7
C6
S6
C5
S5
C4
S4
C3
S3
C2
S2
C1
IPB
IMB
ICMP
IBIAS
SDO (NC)
SDI (NC)
SCK (IPA)
CSB (IMA)
ISOMD
WDT
DRIVE
VREG
DTEN
VREF1
VREF2
GPIO5
GPIO4
V–
V–
GPIO3
GPIO2
GPIO1
C0
S1
LTC6811-1
V+
C12
S12
C11
S11
C10
S10
C9
S9
C8
S8
C7
S7
C6
S6
C5
S5
C4
S4
C3
S3
C2
S2
C1
IPB
IMB
ICMP
IBIAS
SDO (NC)
SDI (NC)
SCK (IPA)
CSB (IMA)
ISOMD
WDT
DRIVE
VREG
DTEN
VREF1
VREF2
GPIO5
GPIO4
V–
V–
GPIO3
GPIO2
GPIO1
C0
S1
LTC6811-1
V+
C12
S12
C11
S11
C10
S10
C9
S9
C8
S8
C7
S7
C6
S6
C5
S5
C4
S4
C3
S3
C2
S2
C1
IPB
IMB
ICMP
IBIAS
SDO (NC)
SDI (NC)
SCK (IPA)
CSB (IMA)
ISOMD
WDT
DRIVE
VREG
DTEN
VREF1
VREF2
GPIO5
GPIO4
V–
V–
GPIO3
GPIO2
GPIO1
C0
S1
LTC6811-1
• •
•
•
•
•
•
•
• •
• •
•
•
• •
•
•
Figure18. Transformer-Isolated Daisy-Chain Configuration Using LTC6811-1
68111 F19
V+
C12
S12
C11
S11
C10
S10
C9
S9
C8
S8
C7
S7
C6
S6
C5
S5
C4
S4
C3
S3
C2
S2
C1
A3
A2
A1
A0
SDO (IBIAS)
SDI (ICMP)
SCK (IPA)
CSB (IMA)
ISOMD
WDT
DRIVE
VREG
DTEN
VREF1
VREF2
GPIO5
GPIO4
V–
V–
GPIO3
GPIO2
GPIO1
C0
S1
LTC6811-2
ADDRESS = 0x0
V+
C12
S12
C11
S11
C10
S10
C9
S9
C8
S8
C7
S7
C6
S6
C5
S5
C4
S4
C3
S3
C2
S2
C1
A3
A2
A1
A0
SDO (IBIAS)
SDI (ICMP)
SCK (IPA)
CSB (IMA)
ISOMD
WDT
DRIVE
VREG
DTEN
VREF1
VREF2
GPIO5
GPIO4
V–
V–
GPIO3
GPIO2
GPIO1
C0
S1
LTC6811-2
ADDRESS = 0x1
V+
C12
S12
C11
S11
C10
S10
C9
S9
C8
S8
C7
S7
C6
S6
C5
S5
C4
S4
C3
S3
C2
S2
C1
A3
A2
A1
A0
SDO (IBIAS)
SDI (ICMP)
SCK (IPA)
CSB (IMA)
ISOMD
WDT
DRIVE
VREG
DTEN
VREF1
VREF2
GPIO5
GPIO4
V–
V–
GPIO3
GPIO2
GPIO1
C0
S1
LTC6811-2
ADDRESS = 0x2
V+
C12
S12
C11
S11
C10
S10
C9
S9
C8
S8
C7
S7
C6
S6
C5
S5
C4
S4
C3
S3
C2
S2
C1
A3
A2
A1
A0
SDO (IBIAS)
SDI (ICMP)
SCK (IPA)
CSB (IMA)
ISOMD
WDT
DRIVE
VREG
DTEN
VREF1
VREF2
GPIO5
GPIO4
V–
V–
GPIO3
GPIO2
GPIO1
C0
S1
LTC6811-2
ADDRESS = 0x3
• •
• •
• •
• •
VCC
VCCO
MOSI
MISO
SCK
CS
EN
SLOW
MSTR
POL
PHA
IBIAS
ICMP
GND
IP
IM
MISO
MOSI
CLK
CS
VDD
MPU
LTC6820
•
•
Figure19. Multi-Drop Configuration Using LTC6811-2
LTC681 1—1/LTC681 1—2
:§||€
““W W
:§||{
45
LTC6811-1/LTC6811-2
45
68111fb
For more information www.linear.com/LTC6811-1
OPERATION
• •
•
•
68111 F20
VDDS
EN
MISO
MOSI
SCK
CS
VDD
POL
PHA
MSTR
ICMP
IBIAS
GND
SLOW
IP
IM
MISO
MOSI
CLK
CS
VDD
MPU
LTC6820
V+
C12
S12
C11
S11
C10
S10
C9
S9
C8
S8
C7
S7
C6
S6
C5
S5
C4
S4
C3
S3
C2
S2
C1
IPB
IMB
ICMP
IBIAS
SDO(NC)
SDI(NC)
SCK(IPA)
CSB(IMA)
ISOMD
WDT
DRIVE
VREG
DTEN
VREF1
VREF2
GPIO5
GPIO4
V–
V–
GPIO3
GPIO2
GPIO1
C0
S1
LTC6811-1
TERMINATED UNUSED PORT
100Ω
• •
•
•
68111 F21
VDDS
EN
MISO
MOSI
SCK
CS
VDD
POL
PHA
MSTR
ICMP
IBIAS
GND
SLOW
IP
IM
MISO
MOSI
CLK
CS
VDD
MPU
LTC6820
V+
C12
S12
C11
S11
C10
S10
C9
S9
C8
S8
C7
S7
C6
S6
C5
S5
C4
S4
C3
S3
C2
S2
C1
A3
A2
A1
A0
SDO(IBIAS)
SDI(ICMP)
SCK(IPA)
CSB(IMA)
ISOMD
WDT
DRIVE
VREG
DTEN
VREF1
VREF2
GPIO5
GPIO4
V–
V–
GPIO3
GPIO2
GPIO1
C0
S1
LTC6811-2 ADDRESS = 0×0
Figure20. Single Device LTC6811-1 Using 2-Wire Port A
Figure21. Single Device LTC6811-2 Using 2-Wire Port A
LTC681 1—1/LTC681 1—2
LTC6811-1/LTC6811-2
46
68111fb
For more information www.linear.com/LTC6811-1
OPERATION
REQUIRED
BIAS
68111 F22
MISO
MOSI
CLK
CS
VDD
MPU
V+
C12
S12
C11
S11
C10
S10
C9
S9
C8
S8
C7
S7
C6
S6
C5
S5
C4
S4
C3
S3
C2
S2
C1
IPB
IMB
ICMP
IBIAS
SDO(NC)
SDI(NC)
SCK(IPA)
CSB(IMA)
ISOMD
WDT
DRIVE
VREG
DTEN
VREF1
VREF2
GPIO5
GPIO4
V–
V–
GPIO3
GPIO2
GPIO1
C0
S1
LTC6811-1
TERMINATED UNUSED PORT
100Ω
20k 5k
68111 F23
MISO
MOSI
CLK
CS
VDD
MPU
V+
C12
S12
C11
S11
C10
S10
C9
S9
C8
S8
C7
S7
C6
S6
C5
S5
C4
S4
C3
S3
C2
S2
C1
A3
A2
A1
A0
SDO(IBIAS)
SDI(ICMP)
SCK(IPA)
CSB(IMA)
ISOMD
WDT
DRIVE
VREG
DTEN
VREF1
VREF2
GPIO5
GPIO4
V–
V–
GPIO3
GPIO2
GPIO1
C0
S1
LTC6811-1
5k
ADDRESS = 0×0
Figure22. Single Device LTC6811-1 Using 4-Wire Port A Figure23. Single Device LTC6811-2 Using 4-Wire Port A
isoSPI Pulse Detail
Two LTC6811 devices can communicate by transmitting
and receiving differential pulses back and forth through an
isolation barrier. The transmitter can output three voltage
levels: +VA, 0V and -VA. A positive output results from IP
sourcing current and IM sinking current across load resistor
RM. A negative voltage is developed by IP sinking and IM
sourcing. When both outputs are off, the load resistance
forces the differential output to 0V.
To eliminate the DC signal component and enhance reli-
ability, the isoSPI uses two different pulse lengths. This
allows four types of pulses to be transmitted, as shown in
Table25. A +1 pulse will be transmitted as a positive pulse
followed by a negative pulse. A –1 pulse will be transmit-
ted as a negative pulse followed by a positive pulse. The
duration of each pulse is defined as t½PW, since each is
half of the required symmetric pair (the total isoSPI pulse
duration is 2·t½PW).
Table25. isoSPI Pulse Types
PULSE TYPE
FIRST LEVEL
(t½PW)
SECOND LEVEL
(t½PW) ENDING LEVEL
Long +1 +VA (150ns) –VA (150ns) 0V
Long –1 –VA (150ns) +VA (150ns) 0V
Short +1 +VA (50ns) –VA (50ns) 0V
Short –1 –VA (50ns) +VA (50ns) 0V
A host microcontroller does not have to generate isoSPI
pulses to use this 2-wire interface. The first LTC6811 in
the system can communicate to the microcontroller using
the 4-wire SPI interface on its Port A, then daisy-chain to
other LTC6811s using the 2-wire isoSPI interface on its
Port B. Alternatively, the LTC6820 can be used to translate
the SPI signals into isoSPI pulses.
LTC6811—1/LTC6811—2
47
LTC6811-1/LTC6811-2
47
68111fb
For more information www.linear.com/LTC6811-1
OPERATION
LTC6811-1 Operation with Port A Configured for SPI
When the LTC6811-1 is operating with Port A as a SPI
(ISOMD=V–), the SPI detects one of four communication
events: CSB falling, CSB rising, SCK rising with SDI=0
and SCK rising with SDI=1. Each event is converted into
one of the four pulse types for transmission through the
daisy chain. Long pulses are used to transmit CSB changes
and short pulses are used to transmit data, as explained
in Table26.
Table26. Port B (Master) isoSPI Port Function
COMMUNICATION EVENT
(Port A SPI)
TRANSMITTED PULSE
(Port B isoSPI)
CSB Rising Long +1
CSB Falling Long –1
SCK Rising Edge, SDI=1 Short +1
SCK Rising Edge, SDI=0 Short –1
On the other side of the isolation barrier (i.e. at the other
end of the cable), the 2nd LTC6811 will have ISOMD=V REG.
Its Port A operates as a slave isoSPI interface. It receives
each transmitted pulse and reconstructs the SPI signals
internally, as shown in Table27. In addition, during a READ
command this port may transmit return data pulses.
Table27. Port A (Slave) isoSPI Port Function
RECEIVED PULSE
(Port A isoSPI)
INTERNAL SPI
PORT ACTION
RETURN PULSE
Long +1 Drive CSB High None
Long –1 Drive CSB Low
Short +1 1. Set SDI=1
2. Pulse SCK Short –1 pulse if reading a 0 bit
(No return pulse if not in READ
mode or if reading a 1 bit)
Short –1 1. Set SDI=0
2. Pulse SCK
The lower isoSPI port (Port A) never transmits long
(CSB) pulses. Furthermore, a slave isoSPI port will only
transmit short –1 pulses, never a +1 pulse. The master
port recognizes a null response as a logic 1. This allows
for multiple slave devices on a single cable without risk
of collisions (Multi-drop).
+VTCMP
–VTCMP
VIP – VIM
+1 PULSE
tINV t1/2PW
+VTCMP
–VTCMP
VIP – VIM t1/2PW
tINV t1/2PW
68111 F24
–1 PULSE
t1/2PW
tFILT MARGIN
tFILT MARGIN
tFILT MARGIN
tFILT MARGIN
tWNDW
tWNDW
MARGIN
MARGIN
Figure24. isoSPI Pulse Detail
LTC6811—1/LTC6811—2
48
LTC6811-1/LTC6811-2
48
68111fb
For more information www.linear.com/LTC6811-1
OPERATION
Figure25 shows the isoSPI timing diagram for a READ
command to daisy-chained LTC6811-1 parts. The ISOMD
pin is tied to V– on the bottom part so its Port A is config-
ured as a SPI port (CSB, SCK, SDI and SDO). The isoSPI
signals of three stacked devices are shown labeled with
the port (A or B) and part number. Note that ISO B1 and
ISO A2 is actually the same signal, but shown on each
end of the transmission cable that connects Parts 1 and 2.
Likewise, ISO B2 and ISO A3 is the same signal, but with
the cable delay shown between Parts 2 and 3.
Bits WN-W0 refer to the 16-bit command code and the
16-bit PEC of a READ command. At the end of Bit W0,
the three parts decode the READ command and begin
shifting out data, which is valid on the next rising edge
of clock SCK. Bits XN-X0 refer to the data shifted out by
Part 1. Bits YN-Y0 refer to the data shifted out by Part 2
and bits ZN-Z0 refer to the data shifted out by Part 3. All
this data is read back from the SDO port on Part 1 in a
daisy-chained fashion.
Waking Up the Serial Interface
The serial ports (SPI or isoSPI) will enter the low power
IDLE state if there is no activity on Port A for a time of tIDLE.
The WAKEUP circuit monitors activity on pins 41 and 42.
If ISOMD=V–, Port A is in SPI mode. Activity on the CSB
or SCK pin will wake up the SPI interface. If ISOMD=VREG,
Port A is in isoSPI mode. Differential activity on IPA-IMA
wakes up the isoSPI interface. The LTC6811 will be ready
to communicate when the isoSPI state changes to READY
within tWAKE or tREADY, depending on the Core state (see
Figure1 and state descriptions for details).
68111 F25
SDI
SCK
SDO
CSB
ISO A2
ISO B2
ISO A3
ISO B1
READ DATACOMMAND
6000500040003000200010000
t7t6t5
tRTN
t11
t10
t2
t1
tCLK
t4t3
tRISE
tDSY(CS)
t8
t9
tDSY(CS)
Zn-1
Zn-1
Zn
Zn
W0
W0
Wn
Wn
Yn-1
Yn-1
Yn
Yn
W0
W0
Xn-1
XnZ0
Wn
Wn
tDSY(D)
t10
Figure25. isoSPI Timing Diagram
LTC6811—1/LTC6811—2
49
LTC6811-1/LTC6811-2
49
68111fb
For more information www.linear.com/LTC6811-1
OPERATION
Figure 26 illustrates the timing and the functionally
equivalent circuit. Common mode signals will not wake
up the serial interface. The interface is designed to wake
up after receiving a large signal single-ended pulse, or a
low-amplitude symmetric pulse. The differential signal |
SCK(IPA) – CSB(IMA)|, must be at least VWAKE=200mV
for a minimum duration of tDWELL=240ns to qualify as a
wake-up signal that powers up the serial interface.
Waking a Daisy Chain—Method 1
The LTC6811-1 sends a long +1 pulse on Port B after it is
ready to communicate. In a daisy-chained configuration,
this pulse wakes up the next device in the stack which will,
in turn, wake up the next device. If there are ‘N’ devices in
the stack, all the devices are powered up within the time
N • tWAKE or N • tREADY, depending on the Core state. For
large stacks, the time N • tWAKE may be equal to or larger
than tIDLE. In this case, after waiting longer than the time
of N • tWAKE, the host may send another dummy byte and
wait for the time N • tREADY, in order to ensure that all
devices are in the READY state.
Method 1 can be used when all devices on the daisy chain
are in the IDLE state. This guarantees that they propagate
the wake-up signal up the daisy chain. However, this
method will fail to wake up all devices when a device in
the middle of the chain is in the READY state instead of
IDLE. When this happens, the device in READY state will
not propagate the wake-up pulse, so the devices above it
will remain IDLE. This situation can occur when attempt-
ing to wake up the daisy chain after only tIDLE of idle time
(some devices may be IDLE, some may not).
Waking a Daisy Chain—Method 2
A more robust wake-up method does not rely on the built-
in wake-up pulse, but manually sends isoSPI traffic for
enough time to wake the entire daisy chain. At minimum,
a pair of long isoSPI pulses (–1 and +1) is needed for each
device, separated by more than tREADY or tWAKE (if the Core
state is STANDBY or SLEEP, respectively), but less than
tIDLE. This allows each device to wake up and propagate
the next pulse to the following device. This method works
even if some devices in the chain are not in the IDLE state.
In practice, implementing method 2 requires toggling
the CSB pin (of the LTC6820, or bottom LTC6811-1 with
ISOMD=0) to generate the long isoSPI pulses. Alternatively,
dummy commands (such as RDCFGA) can be executed
to generate the long isoSPI pulses.
DATA LINK LAYER
All data transfers on LTC6811 occur in byte groups. Every
byte consists of 8 bits. Bytes are transferred with the most
significant bit (MSB) first. CSB must remain low for the
entire duration of a command sequence, including be-
tween a command byte and subsequent data. On a write
command, data is latched in on the rising edge of CSB.
68111 F26
CSB OR IMA
SCK OR IPA
|SCK(IPA) - CSB(IMA)|
WAKE-UP
STATE
REJECTS COMMON
MODE NOISE
WAKE-UP
CSB OR IMA
SCK OR IPA
LOW POWER MODE
tIDLE > 4.5ms
tREADY < 10µs
tDWELL= 240ns
VWAKE = 200mV
LOW POWER MODE OK TO COMMUNICATE
tDWELL = 240ns
DELAY
RETRIGGERABLE
tIDLE = 5.5ms
ONE-SHOT
Figure26. Wake-Up Detection and IDLE Timer
LTC6811—1/LTC6811—2
3<£iiei+e bhivg="" 343e="">£iiei+e><£i+e>£i+e>LTC6811-1/LTC6811-2
50
68111fb
For more information www.linear.com/LTC6811-1
OPERATION
NETWORK LAYER
Packet Error Code
The Packet Error Code (PEC) is a 15-bit cyclic redundancy
check (CRC) value calculated for all of the bits in a register
group in the order they are passed, using the initial PEC
value of 000000000010000 and the following character-
istic polynomial: x15 + x14 + x10 + x8 + x7 + x4 + x3 + 1.
To calculate the 15-bit PEC value, a simple procedure can
be established:
1. Initialize the PEC to 000000000010000 (PEC is a 15-bit
register group).
2. For each bit DIN coming into the PEC register group,
set
IN0=DIN XOR PEC [14]
IN3=IN0 XOR PEC [2]
IN4=IN0 XOR PEC [3]
IN7=IN0 XOR PEC [6]
IN8=IN0 XOR PEC [7]
IN10=IN0 XOR PEC [9]
IN14=IN0 XOR PEC [13].
3. Update the 15-bit PEC as follows
PEC [14]=IN14,
PEC [13]=PEC [12],
PEC [12]=PEC [11],
PEC [11]=PEC [10],
PEC [10]=IN10,
PEC [9]=PEC [8],
PEC [8]=IN8,
PEC [7]=IN7,
PEC [6]=PEC [5],
PEC [5]=PEC [4],
PEC [4]=IN4,
PEC [3]=IN3,
PEC [2]=PEC [1],
PEC [1]=PEC [0],
PEC [0]=IN0.
4. Go back to step 2 until all the data is shifted. The final
PEC (16 bits) is the 15-bit value in the PEC register with
a 0 bit appended to its LSB.
Figure27 illustrates the algorithm described above. An
example to calculate the PEC for a 16-bit word (0x0001)
is listed in Table28. The PEC for 0x0001 is computed as
0x3D6E after stuffing a 0 bit at the LSB. For longer data
streams, the PEC is valid at the end of the last bit of data
sent to the PEC register.
68111 F27
DIN
I/P
O/P I/P
PEC REGISTER BIT X
XOR GATE
X
012345678914 10111213
Figure27. 15-Bit PEC Computation Circuit
LTC681 1—1/LTC681 1—2
51
LTC6811-1/LTC6811-2
51
68111fb
For more information www.linear.com/LTC6811-1
OPERATION
Table28. PEC Calculation for 0x0001
PEC[14] 000000000011111000
PEC[13] 000000000100001100
PEC[12] 000000001000011011
PEC[11] 000000010000110111
PEC[10] 000000100001101111
PEC[9] 000001000000100011
PEC[8] 000010000001000100
PEC[7] 000100000001110111
PEC[6] 001000000000010000
PEC[5] 010000000000100011
PEC[4] 100000000001000111
PEC[3] 000000000001110000
PEC[2] 000000000000011111
PEC[1] 000000000000111111
PEC[0] 000000000001111111
IN14 0000000001111100 0
IN10 0000010000110111 PEC Word
IN8 0001000000100010
IN7 0010000000111011
IN4 0 000000000100011
IN3 0000000000111000
IN0 0000000000111111
DIN 0000000000000001
Clock Cycle 0 1 2 3 4 5 6 7 8 9 10 11 12 13 14 15 16
LTC681 1—1/LTC681 1—2
LTC6811-1/LTC6811-2
52
68111fb
For more information www.linear.com/LTC6811-1
OPERATION
LTC6811 calculates PEC for any command or data received
and compares it with the PEC following the command or
data. The command or data is regarded as valid only if
the PEC matches. LTC6811 also attaches the calculated
PEC at the end of the data it shifts out. Table29 shows the
format of PEC while writing to or reading from LTC6811.
While writing any command to LTC6811, the command
bytes CMD0 and CMD1 (see Table36 and Table37) and
the PEC bytes PEC0 and PEC1 are sent on Port A in the
following order:
CMD0, CMD1, PEC0, PEC1
After a broadcast write command to daisy-chained
LTC6811-1 devices, data is sent to each device followed
by the PEC. For example, when writing the Configuration
Register Group to two daisy-chained devices (primary
device P, stacked device S), the data will be sent to the
primary device on Port A in the following order:
CFGR0(S), … , CFGR5(S), PEC0(S), PEC1(S), CFGR0(P),
…, CFGR5(P), PEC0(P), PEC1(P)
After a read command for daisy-chained devices, each
device shifts out its data and the PEC that it computed for
its data on Port A followed by the data received on Port
B. For example, when reading Status Register Group B
from two daisy-chained devices (primary device P, stacked
device S), the primary device sends out data on port A in
the following order:
STBR0(P), …, STBR5(P), PEC0(P), PEC1(P), STBR0(S),
… , STBR5(S), PEC0(S), PEC1(S)
Address Commands (LTC6811-2 Only)
An address command is one in which only the addressed
device on the bus responds. Address commands are used
only with LTC6811-2 parts. All commands are compatible
with addressing. See Bus Protocols for Address command
format.
Broadcast Commands (LTC6811-1 or LTC6811-2)
A broadcast command is one to which all devices on the
bus will respond, regardless of device address. This com-
mand format can be used with LTC6811-1 and LTC6811-2
parts. See Bus Protocols for Broadcast command format.
With broadcast commands all devices can be sent com-
mands simultaneously.
In parallel (LTC6811-2) configurations, broadcast com-
mands are useful for initiating ADC conversions or for
sending write commands when all parts are being written
with the same data. The polling function (automatic at the
end of ADC commands, or manual using the PLADC com-
mand) can also be used with broadcast commands, but
not with parallel isoSPI devices. Likewise, broadcast read
commands should not be used in the parallel configuration
(either SPI or isoSPI).
Daisy-chained (LTC6811-1) configurations support broad-
cast commands only, because they have no addressing.
All devices in the chain receive the command bytes simul-
taneously. For example, to initiate ADC conversions in a
stack of devices, a single ADCV command is sent, and all
devices will start conversions at the same time. For read
and write commands, a single command is sent, and then
the stacked devices effectively turn into a cascaded shift
register, in which data is shifted through each device to
the next higher (on a write) or the next lower (on a read)
device in the stack. See the Serial Interface section.
Polling Methods
The simplest method to determine ADC completion is
for the controller to start an ADC conversion and wait for
the specified conversion time to pass before reading the
results. Both LTC6811-1 and LTC6811-2 also allow polling
to determine ADC completion.
In parallel configurations that communicate in SPI mode
(ISOMD pin tied low), there are two methods of polling.
Table29. Write/Read PEC Format
NAME RD/WR BIT 7 BIT 6 BIT 5 BIT 4 BIT 3 BIT 2 BIT 1 BIT 0
PEC0 RD/WR PEC[14] PEC[13] PEC[12] PEC[11] PEC[10] PEC[9] PEC[8] PEC[7]
PEC1 RD/WR PEC[6] PEC[5] PEC[4] PEC[3] PEC[2] PEC[1] PEC[0] 0
LTC6811—1/LTC6811—2
53
LTC6811-1/LTC6811-2
53
68111fb
For more information www.linear.com/LTC6811-1
OPERATION
The first method is to hold CSB low after an ADC con-
version command is sent. After entering a conversion
command, the SDO line is driven low when the device is
busy performing conversions. SDO is pulled high when
the device completes conversions. However
, SDO will also
go back high when CSB goes high even if the device has
not completed the conversion (Figure28). An addressed
device drives the SDO line based on its status alone. A
problem with this method is that the controller is not free
to do other serial communication while waiting for ADC
conversions to complete.
The next method overcomes this limitation. The controller
can send an ADC start command, perform other tasks, and
then send a poll ADC converter status (PLADC) command
to determine the status of the ADC conversions (Figure29).
After entering the PLADC command, SDO will go low if
the device is busy performing conversions. SDO is pulled
high at the end of conversions. However, SDO will also
go high when CSB goes high even if the device has not
completed the conversion.
In parallel configurations that communicate in isoSPI mode,
the low side port transmits a data pulse only in response
to a master isoSPI pulse received by it. So, after entering
the command in either method of polling described above,
isoSPI data pulses are sent to the part to update the con-
version status. These pulses can be sent using LTC6820
by simply clocking its SCK pin. In response to this pulse,
the LTC6811-2 sends back a low isoSPI pulse if it is still
busy performing conversions or a high data pulse if it has
completed the conversions. If a CSB high isoSPI pulse is
sent to the device, it exits the polling command.
68111 F28
SDI
SCK
tCYCLE
SDO
CSB
MSB(CMD) LSB(PEC)BIT 14(CMD)
Figure28. SDO Polling After an ADC Conversion Command (Parallel Configuration)
68111 F29
SDI
SCK
SDO
CSB
MSB(CMD) LSB(PEC)
CONVERSION DONE
BIT 14(CMD)
Figure29. SDO Polling Using PLADC Command (Parallel Configuration)
LTC6811—1/LTC6811—2
MgMJ—Lff
J_X:X_/
L4._7‘
MJLHJLJLF
_X_>CD<_ l44="">LTC6811-1/LTC6811-2
54
68111fb
For more information www.linear.com/LTC6811-1
OPERATION
In a daisy-chained configuration of N stacked devices,
the same two polling methods can be used. If the bottom
device communicates in SPI mode, the SDO of the bottom
device indicates the conversion status of the entire stack i.e.
SDO will remain low until all the devices in the stack have
completed the conversions. In the first method of polling,
after an ADC conversion command is sent, clock pulses
are sent on SCK while keeping CSB low. The SDO status
becomes valid only at the end of N clock pulses on SCK.
During the first N clock pulses, the bottom LTC6811-1 in
the daisy chain will output 0 or a low data pulse. After N
clock pulses, the output data from the bottom LTC6811-1
gets updated for every clock pulse that follows (Figure30).
In the second method, the PLADC command is sent fol-
lowed by clock pulses on SCK while keeping CSB low.
Similar to the first method, the SDO status is valid only
after N clock cycles on SCK and gets updated after every
clock cycle that follows (Figure31).
If the bottom device communicates in isoSPI mode, isoSPI
data pulses are sent to the device to update the conversion
status. Using LTC6820, this can be achieved by just clock-
ing its SCK pin. The conversion status is valid only after
the bottom LTC6811 device receives N isoSPI data pulses
and the status gets updated for every isoSPI data pulse
that follows. The device returns a low data pulse if any of
the devices in the stack is busy performing conversions
and returns a high data pulse if all the devices are free.
68111 F30
SDI
SCK
tCYCLE (ALL DEVICES)
SDO
CSB
MSB(CMD) LSB(PEC)
1 2 N
Figure30. SDO Polling After an ADC Conversion Command (Daisy-Chain Configuration)
68111 F31
SDI
SCK
SDO
CSB
MSB(CMD) LSB(PEC)
1 2 N
CONVERSION DONE
Figure31. SDO Polling Using PLADC Command (Daisy-Chain Configuration)
LTC681 1—1/LTC681 1—2
55
LTC6811-1/LTC6811-2
55
68111fb
For more information www.linear.com/LTC6811-1
OPERATION
Command Format: The formats for the broadcast and
address commands are shown in Table36 and Table37
respectively. The 11-bit command code CC[10:0] is the
same for a broadcast or an address command. A list of
all the command codes is shown in Table38. A broadcast
command has a value 0 for CMD0[7] through CMD0[3].
An address command has a value 1 for CMD0[7] fol-
lowed by the 4-bit address of the device (a3, a2, a1, a0)
in bits CMD0[6:3]. An addressed device will respond to
an address command only if the physical address of the
device on pins A3 to A0 match the address specified in
the address command. The PEC for broadcast and ad-
dress commands must be computed on the entire 16-bit
command (CMD0 and CMD1).
Bus Protocols
Protocol Format: The protocol formats for both broadcast
and address commands are depicted in Table31 through
Table35. Table30 is the key for reading the protocol diagrams.
Table30. Protocol Key
CMD0 Command Byte 0 (See Table36 and Table37)
CMD1 Command Byte 1 (See Table36 and Table37)
PEC0 Packet Error Code Byte 0 (See Table29)
PEC1 Packet Error Code Byte 1 (See Table29)
nNumber of Bytes
… Continuation of Protocol
Master to Slave
Slave to Master
Table31. Broadcast/Address Poll Command
8888
CMD0 CMD1 PEC0 PEC1 Poll Data
Table32. Broadcast Write Command
8 8 8 8 8 8 8 8 8 8
CMD0 CMD1 PEC0 PEC1 Data Byte Low … Data Byte High PEC0 PEC1 Shift Byte 1 … Shift Byte n
Table33. Address Write Command
8 8 8 8 8 8 8 8
CMD0 CMD1 PEC0 PEC1 Data Byte Low … Data Byte High PEC0 PEC1
Table34. Broadcast Read Command
8 8 8 8 8 8 8 8 8 8
CMD0 CMD1 PEC0 PEC1 Data Byte Low … Data Byte High PEC0 PEC1 Shift Byte 1 … Shift Byte n
Table35. Address Read Command
8 8 8 8 8 8 8 8
CMD0 CMD1 PEC0 PEC1 Data Byte Low … Data Byte High PEC0 PEC1
Table36. Broadcast Command Format
NAME RD/WR BIT 7 BIT 6 BIT 5 BIT 4 BIT 3 BIT 2 BIT 1 BIT 0
CMD0 WR 0 0 0 0 0 CC[10] CC[9] CC[8]
CMD1 WR CC[7] CC[6] CC[5] CC[4] CC[3] CC[2] CC[1] CC[0]
Table37. Address Command Format
NAME RD/WR BIT 7 BIT 6 BIT 5 BIT 4 BIT 3 BIT 2 BIT 1 BIT 0
CMD0 WR 1 a3* a2* a1* a0* CC[10] CC[9] CC[8]
CMD1 WR CC[7] CC[6] CC[5] CC[4] CC[3] CC[2] CC[1] CC[0]
*ax is Address Bit x
LTC681 1—1/LTC681 1—2
LTC6811-1/LTC6811-2
56
68111fb
For more information www.linear.com/LTC6811-1
OPERATION
Commands
Table 38 lists all the commands and their options for
both LTC6811-1 and LTC6811-2. The command set is
backwards compatible with LTC6804.
Table38. Command Codes
COMMAND DESCRIPTION NAME CC[10:0] - COMMAND CODE
109876543210
Write Configuration
Register Group A WRCFGA00000000001
Write Configuration
Register Group B* WRCFGB*00000100100
Read Configuration
Register Group A RDCFGA00000000010
Read Configuration
Register Group B* RDCFGB*00000100110
Read Cell Voltage
Register Group A RDCVA 00000000100
Read Cell Voltage
Register Group B RDCVB 00000000110
Read Cell Voltage
Register Group C RDCVC 00000001000
Read Cell Voltage
Register Group D RDCVD 00000001010
Read Cell Voltage
Register Group E* RDCVE* 00000001001
Read Cell Voltage
Register Group F* RDCVF* 00000001011
Read Auxiliary
Register Group A RDAUXA 00000001100
Read Auxiliary
Register Group B RDAUXB 00000001110
Read Auxiliary
Register Group C* RDAUXC* 00000001101
Read Auxiliary
Register Group D* RDAUXD* 00000001111
Read Status
Register Group A RDSTATA00000010000
Read Status
Register Group B RDSTATB00000010010
Write S Control Register
Group WRSCTRL00000010100
Write PWM Register Group WRPWM00000100000
Write PWM/S Control
Register Group B* WRPSB*00000011100
Read S Control Register
Group RDSCTRL00000010110
Read PWM Register Group RDPWM 0 0 0 0 0 1 0 0 0 1 0
LTC681 1—1/LTC681 1—2
57
LTC6811-1/LTC6811-2
57
68111fb
For more information www.linear.com/LTC6811-1
OPERATION
COMMAND DESCRIPTION NAME CC[10:0] - COMMAND CODE
109876543210
Read PWM/S Control
Register Group B* RDPSB*00000011110
Start S Control Pulsing and
Poll Status STSCTRL00000011001
Clear S Control Register
Group CLRSCTRL 00000011000
Start Cell Voltage ADC
Conversion and Poll Status ADCV 0 1 MD[1] MD[0] 1 1 DCP 0 CH[2] CH[1] CH[0]
Start Open Wire ADC
Conversion and Poll Status ADOW 0 1 MD[1] MD[0] PUP 1 DCP 1 CH[2] CH[1] CH[0]
Start Self Test Cell Voltage
Conversion and Poll Status CVST 0 1 MD[1] MD[0] ST[1] ST[0] 0 0 1 1 1
Start Overlap Measurement of
Cell 7 Voltage ADOL 0 1 MD[1] MD[0] 0 0 DCP 0 0 0 1
Start GPIOs ADC Conversion
and Poll Status ADAX 1 0 MD[1] MD[0] 1 1 0 0 CHG [2] CHG [1] CHG
[0]
Start GPIOs ADC Conversion
With Digital Redundancy and
Poll Status
ADAXD 1 0 MD[1] MD[0] 0 0 0 0 CHG [2] CHG [1] CHG
[0]
Start Self Test GPIOs
Conversion and Poll Status AXST 1 0 MD[1] MD[0] ST[1] ST[0] 0 0 1 1 1
Start Status Group ADC
Conversion and Poll Status ADSTAT 1 0 MD[1] MD[0] 1 1 0 1 CHST
[2] CHST
[1] CHST
[0]
Start Status Group ADC
Conversion With Digital
Redundancy and Poll Status
ADSTATD 1 0 MD[1] MD[0] 0 0 0 1 CHST
[2] CHST
[1] CHST
[0]
Start Self Test Status Group
Conversion and Poll Status STATST 1 0 MD[1] MD[0] ST[1] ST[0] 0 1 1 1 1
Start Combined Cell
Voltage and GPIO1, GPIO2
Conversion and Poll Status
ADCVAX 1 0 MD[1] MD[0] 1 1 DCP 1 1 1 1
Start Combined Cell Voltage
and SC Conversion and Poll
Status
ADCVSC 1 0 MD[1] MD[0] 1 1 DCP 0 1 1 1
Clear Cell Voltage
Register Groups CLRCELL11100010001
Clear Auxiliary
Register Groups CLRAUX 11100010010
Clear Status Register Groups CLRSTAT 1 1 1 0 0 0 1 0 0 1 1
Poll ADC Conversion Status PLADC 1 1 1 0 0 0 1 0 1 0 0
Diagnose MUX
and Poll Status DIAGN11100010101
Write COMM
Register Group WRCOMM11100100001
Read COMM Register Group RDCOMM 1 1 1 0 0 1 0 0 0 1 0
Start I2C /SPI
Communication STCOMM11100100011
*These commands provided for forward-compatibility with LTC6813/6812.
LTC681 1—1/LTC681 1—2
LTC6811-1/LTC6811-2
58
68111fb
For more information www.linear.com/LTC6811-1
OPERATION
Table39. Command Bit Descriptions
NAME DESCRIPTION VALUES
MD[1:0] ADC Mode
MD ADCOPT(CFGR0[0])=0 ADCOPT(CFGR0[0]) = 1
00 422Hz Mode 1kHz Mode
01 27kHz Mode (Fast) 14kHz Mode
10 7kHz Mode (Normal) 3kHz Mode
11 26Hz Mode (Filtered) 2kHz Mode
DCP Discharge Permitted
DCP
0 Discharge Not Permitted
1 Discharge Permitted
CH[2:0] Cell Selection for ADC
Conversion
Total Conversion Time in the 8 ADC Modes
CH 27kHz 14kHz 7kHz 3kHz 2kHz 1kHz 422Hz 26Hz
000 All Cells 1.1ms 1.3ms 2.3ms 3.0ms 4.4ms 7.2ms 12.8ms 201ms
001 Cell 1 and Cell 7
201µs 230µs 405µs 501µs 754µs 1.2ms 2.2ms 34ms
010 Cell 2 and Cell 8
011 Cell 3 and Cell 9
100 Cell 4 and Cell 10
101 Cell 5 and Cell 11
110 Cell 6 and Cell 12
PUP Pull-Up/Pull-Down
Current for Open Wire
Conversions
PUP
0 Pull-Down Current
1 Pull-Up Current
ST[1:0] Self Test Mode Selection
Self Test Conversion Result
ST 27kHz 14kHz 7kHz 3kHz 2kHz 1kHz 422Hz 26Hz
01 Self Test 1 0x9565 0x9553 0x9555 0x9555 0x9555 0x9555 0x9555 0x9555
10 Self Test 2 0x6A9A 0x6AAC 0x6AAA 0x6AAA 0x6AAA 0x6AAA 0x6AAA 0x6AAA
CHG[2:0] GPIO Selection for ADC
Conversion
Total Conversion Time in the 8 ADC Modes
CHG 27kHz 14kHz 7kHz 3kHz 2kHz 1kHz 422Hz 26Hz
000 GPIO 1-5, 2nd Ref 1.1ms 1.3ms 2.3ms 3.0ms 4.4ms 7.2ms 12.8ms 201ms
001 GPIO 1
201µs 230µs 405µs 501µs 754µs 1.2ms 2.2ms 34ms
010 GPIO 2
011 GPIO 3
100 GPIO 4
101 GPIO 5
110 2nd Reference
CHST[2:0]* Status Group Selection
Total Conversion Time in the 8 ADC Modes
CHST 27kHz 14kHz 7kHz 3kHz 2kHz 1kHz 422Hz 26Hz
000 SC, ITMP, VA, VD 748µs 865µs 1.6ms 2.0ms 3.0ms 4.8ms 8.5ms 134ms
001 SC
201µs 230µs 405µs 501µs 754µs 1.2ms 2.2ms 34ms
010 ITMP
011 VA
100 VD
*Note: Valid options for CHST in ADSTAT command are 0-4. If CHST is set to 5/6 in ADSTAT command, the LTC6811 treats it like ADAX command with
CHG =5/6.
LTC681 1—1/LTC681 1—2
59
LTC6811-1/LTC6811-2
59
68111fb
For more information www.linear.com/LTC6811-1
OPERATION
Memory Map
Table40. Configuration Register Group
REGISTER RD/WR BIT 7 BIT 6 BIT 5 BIT 4 BIT 3 BIT 2 BIT 1 BIT 0
CFGR0 RD/WR GPIO5 GPIO4 GPIO3 GPIO2 GPIO1 REFON DTEN ADCOPT
CFGR1 RD/WR VUV[7] VUV[6] VUV[5] VUV[4] VUV[3] VUV[2] VUV[1] VUV[0]
CFGR2 RD/WR VOV[3] VOV[2] VOV[1] VOV[0] VUV[11] VUV[10] VUV[9] VUV[8]
CFGR3 RD/WR VOV[11] VOV[10] VOV[9] VOV[8] VOV[7] VOV[6] VOV[5] VOV[4]
CFGR4 RD/WR DCC8 DCC7 DCC6 DCC5 DCC4 DCC3 DCC2 DCC1
CFGR5 RD/WR DCTO[3] DCTO[2] DCTO[1] DCTO[0] DCC12 DCC11 DCC10 DCC9
Table41. Cell Voltage Register Group A
REGISTER RD/WR BIT 7 BIT 6 BIT 5 BIT 4 BIT 3 BIT 2 BIT 1 BIT 0
CVAR0 RD C1V[7] C1V[6] C1V[5] C1V[4] C1V[3] C1V[2] C1V[1] C1V[0]
CVAR1 RD C1V[15] C1V[14] C1V[13] C1V[12] C1V[11] C1V[10] C1V[9] C1V[8]
CVAR2 RD C2V[7] C2V[6] C2V[5] C2V[4] C2V[3] C2V[2] C2V[1] C2V[0]
CVAR3 RD C2V[15] C2V[14] C2V[13] C2V[12] C2V[11] C2V[10] C2V[9] C2V[8]
CVAR4 RD C3V[7] C3V[6] C3V[5] C3V[4] C3V[3] C3V[2] C3V[1] C3V[0]
CVAR5 RD C3V[15] C3V[14] C3V[13] C3V[12] C3V[11] C3V[10] C3V[9] C3V[8]
Table42. Cell Voltage Register Group B
REGISTER RD/WR BIT 7 BIT 6 BIT 5 BIT 4 BIT 3 BIT 2 BIT 1 BIT 0
CVBR0 RD C4V[7] C4V[6] C4V[5] C4V[4] C4V[3] C4V[2] C4V[1] C4V[0]
CVBR1 RD C4V[15] C4V[14] C4V[13] C4V[12] C4V[11] C4V[10] C4V[9] C4V[8]
CVBR2 RD C5V[7] C5V[6] C5V[5] C5V[4] C5V[3] C5V[2] C5V[1] C5V[0]
CVBR3 RD C5V[15] C5V[14] C5V[13] C5V[12] C5V[11] C5V[10] C5V[9] C5V[8]
CVBR4 RD C6V[7] C6V[6] C6V[5] C6V[4] C6V[3] C6V[2] C6V[1] C6V[0]
CVBR5 RD C6V[15] C6V[14] C6V[13] C6V[12] C6V[11] C6V[10] C6V[9] C6V[8]
Table43. Cell Voltage Register Group C
REGISTER RD/WR BIT 7 BIT 6 BIT 5 BIT 4 BIT 3 BIT 2 BIT 1 BIT 0
CVCR0 RD C7V[7] C7V[6] C7V[5] C7V[4] C7V[3] C7V[2] C7V[1] C7V[0]
CVCR1 RD C7V[15] C7V[14] C7V[13] C7V[12] C7V[11] C7V[10] C7V[9] C7V[8]
CVCR2* RD C8V[7]* C8V[6]* C8V[5]* C8V[4]* C8V[3]* C8V[2]* C8V[1]* C8V[0]*
CVCR3* RD C8V[15]* C8V[14]* C8V[13]* C8V[12]* C8V[11]* C8V[10]* C8V[9]* C8V[8]*
CVCR4 RD C9V[7] C9V[6] C9V[5] C9V[4] C9V[3] C9V[2] C9V[1] C9V[0]
CVCR5 RD C9V[15] C9V[14] C9V[13] C9V[12] C9V[11] C9V[10] C9V[9] C9V[8]
*After performing the ADOL command, CVCR2 and CVCR3 of Cell Voltage Register Group C will contain the result of measuring Cell 7 from ADC1.
LTC681 1—1/LTC681 1—2
LTC6811-1/LTC6811-2
60
68111fb
For more information www.linear.com/LTC6811-1
OPERATION
Table44. Cell Voltage Register Group D
REGISTER RD/WR BIT 7 BIT 6 BIT 5 BIT 4 BIT 3 BIT 2 BIT 1 BIT 0
CVDR0 RD C10V[7] C10V[6] C10V[5] C10V[4] C10V[3] C10V[2] C10V[1] C10V[0]
CVDR1 RD C10V[15] C10V[14] C10V[13] C10V[12] C10V[11] C10V[10] C10V[9] C10V[8]
CVDR2 RD C11V[7] C11V[6] C11V[5] C11V[4] C11V[3] C11V[2] C11V[1] C11V[0]
CVDR3 RD C11V[15] C11V[14] C11V[13] C11V[12] C11V[11] C11V[10] C11V[9] C11V[8]
CVDR4 RD C12V[7] C12V[6] C12V[5] C12V[4] C12V[3] C12V[2] C12V[1] C12V[0]
CVDR5 RD C12V[15] C12V[14] C12V[13] C12V[12] C12V[11] C12V[10] C12V[9] C12V[8]
Table45. Auxiliary Register Group A
REGISTER RD/WR BIT 7 BIT 6 BIT 5 BIT 4 BIT 3 BIT 2 BIT 1 BIT 0
AVAR0 RD G1V[7] G1V[6] G1V[5] G1V[4] G1V[3] G1V[2] G1V[1] G1V[0]
AVAR1 RD G1V[15] G1V[14] G1V[13] G1V[12] G1V[11] G1V[10] G1V[9] G1V[8]
AVAR2 RD G2V[7] G2V[6] G2V[5] G2V[4] G2V[3] G2V[2] G2V[1] G2V[0]
AVAR3 RD G2V[15] G2V[14] G2V[13] G2V[12] G2V[11] G2V[10] G2V[9] G2V[8]
AVAR4 RD G3V[7] G3V[6] G3V[5] G3V[4] G3V[3] G3V[2] G3V[1] G3V[0]
AVAR5 RD G3V[15] G3V[14] G3V[13] G3V[12] G3V[11] G3V[10] G3V[9] G3V[8]
Table46. Auxiliary Register Group B
REGISTER RD/WR BIT 7 BIT 6 BIT 5 BIT 4 BIT 3 BIT 2 BIT 1 BIT 0
AVBR0 RD G4V[7] G4V[6] G4V[5] G4V[4] G4V[3] G4V[2] G4V[1] G4V[0]
AVBR1 RD G4V[15] G4V[14] G4V[13] G4V[12] G4V[11] G4V[10] G4V[9] G4V[8]
AVBR2 RD G5V[7] G5V[6] G5V[5] G5V[4] G5V[3] G5V[2] G5V[1] G5V[0]
AVBR3 RD G5V[15] G5V[14] G5V[13] G5V[12] G5V[11] G5V[10] G5V[9] G5V[8]
AVBR4 RD REF[7] REF[6] REF[5] REF[4] REF[3] REF[2] REF[1] REF[0]
AVBR5 RD REF[15] REF[14] REF[13] REF[12] REF[11] REF[10] REF[9] REF[8]
Table47. Status Register Group A
REGISTER RD/WR BIT 7 BIT 6 BIT 5 BIT 4 BIT 3 BIT 2 BIT 1 BIT 0
STAR0 RD SC[7] SC[6] SC[5] SC[4] SC[3] SC[2] SC[1] SC[0]
STAR1 RD SC[15] SC[14] SC[13] SC[12] SC[11] SC[10] SC[9] SC[8]
STAR2 RD ITMP[7] ITMP[6] ITMP[5] ITMP[4] ITMP[3] ITMP[2] ITMP[1] ITMP[0]
STAR3 RD ITMP[15] ITMP[14] ITMP[13] ITMP[12] ITMP[11] ITMP[10] ITMP[9] ITMP[8]
STAR4 RD VA[7] VA[6] VA[5] VA[4] VA[3] VA[2] VA[1] VA[0]
STAR5 RD VA[15] VA[14] VA[13] VA[12] VA[11] VA[10] VA[9] VA[8]
LTC681 1—1/LTC681 1—2
61
LTC6811-1/LTC6811-2
61
68111fb
For more information www.linear.com/LTC6811-1
OPERATION
Table48. Status Register Group B
REGISTER RD/WR BIT 7 BIT 6 BIT 5 BIT 4 BIT 3 BIT 2 BIT 1 BIT 0
STBR0 RD VD[7] VD[6] VD[5] VD[4] VD[3] VD[2] VD[1] VD[0]
STBR1 RD VD[15] VD[14] VD[13] VD[12] VD[11] VD[10] VD[9] VD[8]
STBR2 RD C4OV C4UV C3OV C3UV C2OV C2UV C1OV C1UV
STBR3 RD C8OV C8UV C7OV C7UV C6OV C6UV C5OV C5UV
STBR4 RD C12OV C12UV C11OV C11UV C10OV C10UV C9OV C9UV
STBR5 RD REV[3] REV[2] REV[1] REV[0] RSVD RSVD MUXFAIL THSD
Table49. COMM Register Group
REGISTER RD/WR BIT 7 BIT 6 BIT 5 BIT 4 BIT 3 BIT 2 BIT 1 BIT 0
COMM0 RD/WR ICOM0[3] ICOM0[2] ICOM0[1] ICOM0[0] D0[7] D0[6] D0[5] D0[4]
COMM1 RD/WR D0[3] D0[2] D0[1] D0[0] FCOM0[3] FCOM0[2] FCOM0[1] FCOM0[0]
COMM2 RD/WR ICOM1[3] ICOM1[2] ICOM1[1] ICOM1[0] D1[7] D1[6] D1[5] D1[4]
COMM3 RD/WR D1[3] D1[2] D1[1] D1[0] FCOM1[3] FCOM1[2] FCOM1[1] FCOM1[0]
COMM4 RD/WR ICOM2[3] ICOM2[2] ICOM2[1] ICOM2[0] D2[7] D2[6] D2[5] D2[4]
COMM5 RD/WR D2[3] D2[2] D2[1] D2[0] FCOM2[3] FCOM2[2] FCOM2[1] FCOM2[0]
Table50. S Control Register Group
REGISTER RD/WR BIT 7 BIT 6 BIT 5 BIT 4 BIT 3 BIT 2 BIT 1 BIT 0
SCTRL0 RD/WR SCTL2[3] SCTL2[2] SCTL2 [1] SCTL2[0] SCTL1[3] SCTL1[2] SCTL1[1] SCTL1[0]
SCTRL1 RD/WR SCTL4[3] SCTL4[2] SCTL4[1] SCTL4[0] SCTL3[3] SCTL3[2] SCTL3[1] SCTL3[0]
SCTRL2 RD/WR SCTL6[3] SCTL6[2] SCTL6[1] SC6TL[0] SCTL5[3] SCTL5[2] SCTL5[1] SCTL5[0]
SCTRL3 RD/WR SCTL8[3] SCTL8[2] SCTL8[1] SCTL8[0] SCTL7[3] SCTL7[2] SCTL7[1] SCTL7[0]
SCTRL4 RD/WR SCTL10[3] SCTL10[2] SCTL10[1] SCTL10[0] SCTL9[3] SCTL9[2] SCTL9[1] SCTL9[0]
SCTRL5 RD/WR SCTL12[3] SCTL12[2] SCTL12[1] SCTL12[0] SCTL11[3] SCTL11[2] SCTL11[1] SCTL11[0]
Table51. PWM Register Group
REGISTER RD/WR BIT 7 BIT 6 BIT 5 BIT 4 BIT 3 BIT 2 BIT 1 BIT 0
PWMR0 RD/WR PWM2[3] PWM2[2] PWM2 [1] PWM2[0] PWM1[3] PWM1[2] PWM1[1] PWM1[0]
PWMR1 RD/WR PWM4[3] PWM4[2] PWM4[1] PWM4[0] PWM3[3] PWM3[2] PWM3[1] PWM3[0]
PWMR2 RD/WR PWM6[3] PWM6[2] PWM6[1] PWM6[0] PWM5[3] PWM5[2] PWM5[1] PWM5[0]
PWMR3 RD/WR PWM8[3] PWM8[2] PWM8[1] PWM8[0] PWM7[3] PWM7[2] PWM7[1] PWM7[0]
PWMR4 RD/WR PWM10[3] PWM10[2] PWM10[1] PWM10[0] PWM9[3] PWM9[2] PWM9[1] PWM9[0]
PWMR5 RD/WR PWM12[3] PWM12[2] PWM12[1] PWM12[0] PWM11[3] PWM11[2] PWM11[1] PWM11[0]
LTC681 1—1/LTC681 1—2
LTC6811-1/LTC6811-2
62
68111fb
For more information www.linear.com/LTC6811-1
OPERATION
Table52. Memory Bit Descriptions
NAME DESCRIPTION VALUES
GPIOx GPIOx Pin
Control Write: 0 -> GPIOx Pin Pull-Down ON; 1-> GPIOx Pin Pull-Down OFF (Default)
Read: 0 -> GPIOx Pin at Logic 0; 1 -> GPIOx Pin at Logic 1
REFON Reference
Powered Up 1 -> Reference Remains Powered Up Until Watchdog Timeout
0 -> Reference Shuts Down After Conversions (Default)
DTEN Discharge Timer
Enable (READ
ONL
Y)
1 -> Enables the Discharge Timer for Discharge Switches
0 -> Disables Discharge Timer
ADCOPT ADC Mode
Option Bit ADCOPT: 0 -> Selects Modes 27kHz, 7kHz, 422Hz or 26Hz with MD[1:0] Bits in ADC Conversion Commands (Default)
1 -> Selects Modes 14kHz, 3kHz, 1kHz or 2kHz with MD[1:0] Bits in ADC Conversion Commands
VUV Undervoltage
Comparison
Voltage*
Comparison Voltage=(VUV + 1) • 16 • 100µV
Default: VUV=0x000
VOV Overvoltage
Comparison
Voltage*
Comparison Voltage=VOV • 16 • 100µV
Default: VOV=0x000
DCC[x] Discharge
Cell x x=1 to 12 1 -> Turn ON Shorting Switch for Cell x
0 -> Turn OFF Shorting Switch for Cell x (Default)
DCTO Discharge Time
Out Value DCTO
(Write) 0 1 2 3 4 5 6 7 8 9 A B C D E F
Time
(Min) Disabled 0.5 1 2 3 4 5 10 15 20 30 40 60 75 90 120
DCTO
(Read) 0 1 2 3 4 5 6 7 8 9 A B C D E F
Time
Left
(Min)
Disabled
or
Timeout
0 to
0.5 0.5
to 1 1 to
22 to
33 to
44 to
55 to
10 10 to
15 15 to
20 20 to
30 30 to
40 40 to
60 60 to
75 75 to
90 90
to
120
CxV Cell x Voltage* x=1 to 12 16-Bit ADC Measurement Value for Cell x
Cell Voltage for Cell x=CxV • 100µV
CxV is Reset to 0xFFFF on Power-Up and After Clear Command
GxV GPIO x Voltage* x=1 to 5 16-Bit ADC Measurement Value for GPIOx
Voltage for GPIOx=GxV • 100µV
GxV is Reset to 0xFFFF on Power-Up and After Clear Command
REF 2nd Reference
Voltage* 16-Bit ADC Measurement Value for 2nd Reference
Voltage for 2nd Reference=REF • 100µV
Normal Range is within 2.99V to 3.01V considering data sheet limits, hysteresis and long term drift
SC Sum of Cells
Measurement* 16-Bit ADC Measurement Value of the Sum of all Cell Voltages
Sum of all Cells Voltage=SC • 100µV • 20
ITMP Internal Die
Temperature* 16-Bit ADC Measurement Value of Internal Die Temperature
Temperature Measurement (°C)=ITMP • 100µV/7.5mV/°C – 273°C
VA Analog Power
Supply Voltage* 16-Bit ADC Measurement Value of Analog Power Supply Voltage
Analog Power Supply Voltage=VA • 100µV
The value of VA is set by external components and should be in the range 4.5V to 5.5V for normal operation
VD Digital Power
Supply Voltage* 16-bit ADC Measurement Value of Digital Power Supply Voltage
Digital Power Supply Voltage=VD • 100µV
Normal Range is within 2.7V to 3.6V
CxOV Cell x
Overvoltage
Flag
x=1 to 12 Cell Voltage Compared to VOV Comparison Voltage
0 -> Cell x Not Flagged for Overvoltage Condition; 1-> Cell x Flagged
LTC681 1—1/LTC681 1—2
63
LTC6811-1/LTC6811-2
63
68111fb
For more information www.linear.com/LTC6811-1
OPERATION
NAME DESCRIPTION VALUES
CxUV Cell x
Undervoltage
Flag
x=1 to 12 Cell Voltage Compared to VUV Comparison Voltage
0 -> Cell x Not Flagged for Undervoltage Condition; 1-> Cell x Flagged
REV Revision Code Device Revision Code
RSVD Reserved Bits Read: Read Back Value Is Always 0
MUXFAIL Multiplexer Self
Test result Read: 0 -> Multiplexer Passed Self Test; 1 -> Multiplexer Failed Self Test
THSD Thermal
Shutdown
Status
Read: 0 -> Thermal Shutdown Has Not Occurred; 1 -> Thermal Shutdown Has Occurred
THSD Bit Cleared to 0 on Read of Status Register Group B
SCTLx[x] S Pin Control
Bits 0000 – Drive S Pin High (De-asserted)
0001 – Send 1 High Pulse on S Pin
0010 – Send 2 High Pulses on S Pin
0011 – Send 3 High Pulses on S Pin
0100 – Send 4 High Pulses on S Pin
0101 – Send 5 High Pulses on S Pin
0110 – Send 6 High Pulses on S Pin
0111 – Send 7 High Pulses on S Pin
1XXX – Drive S Pin Low (Asserted)
PWMx[x] PWM Discharge
Control 0000 – Selects 0% Discharge Duty Cycle if DCCx=1 and Watchdog Timer Has Expired
0001 – Selects 6.7% Discharge Duty Cycle if DCCx=1 and Watchdog Timer Has Expired
0010 – Selects 13.3% Discharge Duty Cycle if DCCx=1 and Watchdog Timer Has Expired
…
1110 – Selects 93.3% Discharge Duty Cycle if DCCx=1 and Watchdog Timer Has Expired
1111 – Selects 100% Discharge Duty Cycle if DCCx=1 and Watchdog Timer Has Expired
ICOMn Initial
Communication
Control Bits
Write I2C 0110 0001 0000 0111
START STOP BLANK NO TRANSMIT
SPI 1000 1010 1001 1111
CSB Low CSB Falling Edge CSB High NO TRANSMIT
Read I2C 0110 0001 0000 0111
START from Master STOP from Master SDA Low Between Bytes SDA High Between Bytes
SPI 0111
Dn I2C/SPI
Communication
Data Byte
Data Transmitted (Received) to (from) I2C/SPI Slave Device
FCOMn Final
Communication
Control Bits
Write I2C 0000 1000 1001
Master ACK Master NACK Master NACK + STOP
SPI X000 1001
CSB Low CSB High
Read I2C 0000 0111 1111 0001 1001
ACK from Master ACK from Slave NACK from Slave ACK from Slave +
STOP from Master NACK from Slave +
STOP from Master
SPI 1111
*Voltage equations use the decimal value of registers, 0 to 4095 for 12 bits and 0 to 65535 for 16 bits.
LTC6811—1/LTC6811—2
.||-|
|.J||
._|
OFF UN—
34
T
~||~
LTC6811-1/LTC6811-2
64
68111fb
For more information www.linear.com/LTC6811-1
APPLICATIONS INFORMATION
PROVIDING DC POWER
Simple Linear Regulator
The primary supply pin for the LTC6811 is the 5V (±0.5V)
VREG input pin. To generate the required 5V supply for VREG,
the DRIVE pin can be used to form a discrete regulator with
the addition of a few external components, as shown in
Figure32. The DRIVE pin provides a 5.7V output, capable of
sourcing 1mA. When buffered with an NPN transistor, this
provides a stable 5V over temperature. The NPN transistor
should be chosen to have a sufficient Beta over temperature
(>40) to supply the necessary supply current. The peak
VREG current requirement of the LTC6811 approaches
30mA when simultaneously communicating over isoSPI
and making ADC conversions. If the VREG pin is required
to support any additional load, a transistor with an even
higher Beta may be required.
The NPN collector can be powered from any voltage source
that is a minimum 6V above V–. This includes the cells that
are being monitored, or an unregulated power supply. A
100Ω/100nF RC decoupling network is recommended for
the collector power connection to protect the NPN from
transients. The emitter of the NPN should be bypassed with
a 1µF capacitor. Larger capacitance should be avoided since
this will increase the wake-up time of the LTC6811. Some
attention should be given to the thermal characteristic of
the NPN, as there can be significant heating with a high
collector voltage.
1µF
0.1µF
100Ω
68111 F32
WDT
DRIVE
VREG
DTEN
VREF1
VREF2
GPIO5
GPIO4
V–
V–
GPIO3
1µF
1µF
LTC6811
NSV1C201MZ4
Figure32. Simple VREG Power Source Using NPN Pass Transistor
Improved Regulator Power Efficiency
For improved efficiency when powering the LTC6811
from the cell stack, VREG may be powered from a DC/DC
converter, rather than the NPN pass transistor. An ideal
circuit is based on Linear Technology’s LT3990 step-
down regulator, as shown in Figure33. A 470Ω resistor is
recommended between the battery stack and the LT3990
input; this will prevent in-rush current when connecting to
the stack and it will reduce conducted EMI. The EN/UVLO
pin should be connected to the DRIVE pin, which will put
the LT3990 into a low power state when the LTC6811 is
in the SLEEP state.
VIN BOOST
LT3990
SWEN/UVLO
PG
RT
0.22µF
22pF
374k
f = 400kHz
22µF
2.2µF
VIN
28V TO
62V
VREG
5V
40mA
1M
316k
470Ω
33µH
BD
FB
GND
OFF ON
68111 F33
Figure33. VREG Powered From Cell Stack with High
Efficiency Regulator
Fully Isolated Power
A DC/DC converter can provide isolated power for either
the LTC6811 V+, VREG or both. The circuit in Figure34,
along with the isoSPI transformer isolation, provides an
example where the LTC6811 circuitry is completely iso-
lated. Furthermore, using a DC/DC converter minimizes
the current drain on the battery and minimizes battery
imbalance due to electronic loading.
A simple DC/DC converter is shown in Figure35 using
Linear Technology’s LT3999 DC/DC converter and a high-
isolation-rated transformer. Other topologies including
flyback converters are possible with a suitable transformer.
The NPN is retained to handle the flyback converter regula-
tion effects at light loads.
Using Linear Technology’s LT8301 isolated flyback con-
verter as shown in Figure36 provides an isolated high
LTC681 1—1/LTC681 1—2
V7
§
'_
I FL
65
LTC6811-1/LTC6811-2
65
68111fb
For more information www.linear.com/LTC6811-1
APPLICATIONS INFORMATION
+12V
LTC6811 RBM-0512S
68111 F34
DRIVE
VREG
V–
V+
C12
C0
1µF
10nF
10nF4.7Ω
1µF
NSV1C201MZ4
100nF
100Ω
100Ω
100Ω
600Z
MOST CELL CONNECTIONS
OMITTED FOR CLARITY
1µF
+5V
+VOUT
–VOUT
NC
+VIN
–VIN
6
5
4
1
2
Figure34. DC/DC Converter Module to Power VREG
7V TO 12V
PH9185.011NL
1:1CT
12.1k
BAT54S BAT54S
LTC6811
LT3999
GND
68111 F35
DRIVE
VREG
V–
V+
C12
C0
1µF
10nF
10nF4.7Ω
10µF
39µH
4.7µF
4.7µF
NSV1C201MZ4
100nF
100Ω
100Ω
100Ω
600Z
MOST CELL CONNECTIONS
OMITTED FOR CLARITY
180pF
39Ω
SWA
SWB
ILIM/SS
RBIAS
VIN
UVLO
OVLO/DC
RDC
RT
SYNC
1M
49.9k
453k
17.4k
1M 261k
100nF
+5V
Figure35. Push-Pull DC/DC Converter Circuit to Power VREG
LTC6811
68111 F36
DRIVE
VREG
V+
C12
C11
C10
C9
C4
C3
C2
C1
C0
V–
1µF
3.6V
NSV1C201MZ4
1k
100Ω
100Ω
3.6V
3.6V
3.6V
3.6V
3.6V
3.6V
3.6V
10µF
10µF
100nF 100nF
•
•
BAT54
BAT54
LT8301
VIN
EN/UVLO
VIN SW
RFB
R
ENABLE
GND
40µH 640µH
SOME CELL CONNECTIONS
OMITTED FOR CLARITY
Figure36. Flyback Converter to Power V+ and VREG
LTC681 1—1/LTC681 1—2
66
LTC6811-1/LTC6811-2
66
68111fb
For more information www.linear.com/LTC6811-1
voltage for the V+ pin. The circuit still uses the DRIVE
pin to generate VREG. This circuit minimizes the system
imbalance from the LTC6811 since the supply current
will only be drawn from the batteries during shutdown. It
is critical to add a diode between the top monitored cell
and V+ so that supply current will not conduct through
parasitic paths inside the IC during shutdown.
INTERNAL PROTECTION AND FILTERING
Internal Protection Features
The LTC6811 incorporates various ESD safeguards to
ensure robust performance. An equivalent circuit showing
the specific protection structures is shown in Figure37.
While pins 43 to 48 have different functionality for the
–1 and –2 variants, the protection structure is the same.
Zener-like suppressors are shown with their nominal clamp
voltage, while the unmarked diodes exhibit standard PN
junction behavior.
Filtering of Cell and GPIO Inputs
The LTC6811 uses a delta-sigma ADC, which includes a
delta-sigma modulator followed by a SINC3 finite impulse
response (FIR) digital filter. This greatly relaxes input
filtering requirements. Furthermore, the programmable
oversampling ratio allows the user to determine the best
trade-off between measurement speed and filter cutoff
frequency. Even with this high order low pass filter, fast
transient noise can still induce some residual noise in mea-
surements, especially in the faster conversion modes. This
can be minimized by adding an RC low pass decoupling to
each ADC input, which also helps reject potentially damag-
ing high energy transients. Adding more than about 100Ω
to the ADC inputs begins to introduce a systematic error
in the measurement, which can be improved by raising
the filter capacitance or mathematically compensating in
software with a calibration procedure. For situations that
demand the highest level of battery voltage ripple rejec-
tion, grounded capacitor filtering is recommended. This
configuration has a series resistance and capacitors that
decouple HF noise to V–. In systems where noise is less
APPLICATIONS INFORMATION
C12
S12
C11
S11
C10
S10
C9
S9
C8
S8
C7
S7
C6
S6
C5
S5
C4
S4
C3
S3
C2
S2
C1
S1
C0
V–
V–
IPB
IMB
ICMP
IBIAS
SDO (NC)
SDI (NC)
SCK (IPA)
CSB (IMA)
ISOMD
WDT
DRIVE
VREG
DTEN
VREF1
VREF2
GPIO5
GPIO4
GPIO3
GPIO2
GPIO1
68111 F37
V+
LTC6811
96V
24V
24V
24V
24V
30Ω
1
48
47
46
45
44
43
42
41
40
39
38
37
36
35
34
33
32
29
28
27
12V
12V
12V
12V
12V
12V
12V
12V
12V
12V
12V
12V
12V
12V
12V
12V
12V
12V
12V
12V
12V
12V
12V
12V
12V
12V
12V
12V
12V
12V
12V
12V
12V
12V
12V
12V
12V
12V
12V
12V
12V
12V
12V
12V
1k
1k
1k
1k
1k
1k
1k
1k
1k
1k
1k
1k
2
3
4
5
6
7
8
9
10
11
12
13
14
15
16
17
18
19
20
21
22
23
24
25
26
31
30
NOTE: NOT SHOWN ARE PN DIODES TO ALL OTHER PINS FROM PIN 35
Figure37. Internal ESD Protection Structures of the LTC6811
ELM?
I'M; N ::
|——vw—
W N f
__ T —
CELL MEASUREMENTERROR (mW
mu m Wk
WPUT RES‘STANDE R M
CELL MEASUREMENTERRDR (mw
LTC6811—1/LTC6811—2
w WK
WPUT RES‘STANCE. R my
67
LTC6811-1/LTC6811-2
67
68111fb
For more information www.linear.com/LTC6811-1
APPLICATIONS INFORMATION
periodic or higher oversample rates are in use, a differential
capacitor filter structure is adequate. In this configuration
there are series resistors to each input, but the capacitors
connect between the adjacent C pins. However, the dif-
ferential capacitor sections interact. As a result, the filter
response is less consistent and results in less attenuation
than predicted by the RC, by approximately a decade. Note
that the capacitors only see one cell of applied voltage (thus
smaller and lower cost) and tend to distribute transient
energy uniformly across the IC (reducing stress events
on the internal protection structure). Figure38 shows the
two methods schematically. ADC accuracy varies with R, C
as shown in the Typical Performance curves, but error is
minimized if R = 100Ω and C = 10nF. The GPIO pins will
always use a grounded capacitor configuration because
the measurements are all with respect to V–.
Using Non Standard Cell Input Filters
A cell pin filter of 100Ω and 10nF is recommended for all
applications. This filter provides the best combination of
noise rejection and the Total Measurement Error (TME)
performance. In applications that use C pin RC filters larger
than 100Ω/10nF there may be additional measurement
error. Figure39a shows how both total TME and TME
variation increase as the RC time constant increases. The
increased error is related to the MUX settling. It is possible
INPUT RESISTANCE, R (Ω)
100
1k
10k
–10
–9
–6
–5
–8
–7
–4
–3
–2
–1
0
1
2
CELL MEASUREMENT ERROR (mV)
68111 F39a
100nF
10nF
1µF
INPUT RESISTANCE, R (Ω)
100
1k
10k
–10
–9
–6
–5
–8
–7
–4
–3
–2
–1
0
1
2
CELL MEASUREMENT ERROR (mV)
68111 F39b
100nF
10nF
1µF
Figure38. Input Filter Structure Configurations
(a) Cell Measurement Error Range
vs Input RC Values
(b) Cell Measurement Error vs Input RC Values
(Extra Conversion and Delay Before Measurement)
Figure39. Cell Measurement TME
68111 F38
CELL2
V–
C2
10nF
BATTERY V–
100Ω
Differential Capacitor Filter
BSS308PE
33Ω
3.3k
CELL1 C1
S2
S1
LTC6811LTC6811
S2
S1
10nF
10nF
100Ω
BSS308PE
33Ω
100Ω C0
3.3k
CELL2
V–
C2
BATTERY V–
100Ω
Grounded Capacitor Filter
BSS308PE
33Ω
3.3k
*
CELL1 C1
100Ω
BSS308PE
*6.8V ZENERS RECOMMENDED IF C ≥ 100nF
33Ω
C0
C
C
C
3.3k
*
*
100Ω
LTC681 1—1/LTC681 1—2
SS:
\ H H H H
\ H H H H
.flf‘w'lff
T_T_T
' 33k
LTC6811-1/LTC6811-2
68
68111fb
For more information www.linear.com/LTC6811-1
APPLICATIONS INFORMATION
to reduce TME levels to near data sheet specifications by
implementing an extra single channel conversion before
issuing a standard all channel ADCV command. Figure40a
shows the standard ADCV command sequence. Figure40b
and Figure40c show recommended command sequence
and timing that will allow the MUX to settle. The purpose
of the modified procedure is to allow the MUX to settle at
C1/C7 before the start of the measurement cycle. The delay
between the C1/C7 ADCV command and the All Channel
ADCV command is dependent on the time constant of the
RC being used, the general guidance is to wait 6τ between
the C1/C7 ADCV command and the All Channel ADCV com-
mand. Figure39b shows the expected TME when using
the recommended command sequence.
CELL BALANCING
Cell Balancing with Internal MOSFETs
With passive balancing, if one cell in a series stack becomes
overcharged, an S output can slowly discharge this cell
by connecting it to a resistor. Each S output is connected
to an internal N-channel MOSFET with a maximum on
resistance of 25Ω. An external resistor should be con-
nected in series with these MOSFETs to allow most of the
heat to be dissipated outside of the LTC6811 package, as
illustrated in Figure41a.
The internal discharge switches (MOSFETs) S1 through
S12 can be used to passively balance cells as shown in
Figure41a with balancing current of 60mA or less. Bal-
ancing current larger than 60mA is not recommended for
(a) ADCV (all cells) Delay RDCVA-D
(b) ADCV (C1/C7) Delay 6τADCV (all cells) CNV Time RDCVA-D
(c) ADCV (all cells) CNV Time RDCVA-D ADCV (C1/C7) Delay 6τ
68111 F40
Figure40. ADC Command Order
LTC6811
68111 F41
RFILTER
RFILTER
CFILTER
RDISCHARGE
C(n)
S(n)
C(n – 1)
+
RDISCHARGE
BSS308PE
3.3k
C(n)
S(n)
C(n – 1)
+
1k
a) Internal Discharge Circuit
b) External Discharge Circuit
LTC6811
Figure41. Internal/External Discharge Circuits
the internal switches due to excessive die heating. When
discharging cells with the internal discharge switches, the
die temperature should be monitored. See the Thermal
Shutdown section.
Note that the anti-aliasing filter resistor is part of the dis-
charge path, so it should be removed or reduced. Use of
an RC for added cell voltage measurement filtering is OK
but the filter resistor must remain small, typically around
10Ω, to reduce the effect on the balance current.
LTC681 l—l /LTC681 1—2
‘Vnsocilmbalance - Batten/Capacity
Number of Hours to Balance
Nominal Cell Voltage
Balance Current
69
LTC6811-1/LTC6811-2
69
68111fb
For more information www.linear.com/LTC6811-1
Cell Balancing with External Transistors
For applications that require balancing currents above
60mA or large cell filters, the S outputs can be used to
control external transistors. The LTC6811 includes an
internal pull-up PMOS transistor with a 1k series resistor.
The S pins can act as digital outputs suitable for driving
the gate of an external MOSFET as illustrated in Figure41b.
Figure38 shows external MOSFET circuits that include RC
filtering. For applications with very low cell voltages the
PMOS in Figure41b can be replaced with a PNP. When a
PNP is used, the resistor in series with the base should
be reduced.
Choosing a Discharge Resistor
When sizing the balancing resistor it is important to know
the typical battery imbalance and the allowable time for
cell balancing. In most small battery applications it is
reasonable for the balancing circuitry to be able to cor-
rect for a 5% SOC (State Of Charge) error with 5 hours
of balancing. For example a 5Ah battery with a 5% SOC
imbalance will have approximately 250mAh of imbalance.
Using a 50mA balancing current this could be corrected
in 5 hours. With a 100mA balancing current, the error
would be corrected in 2.5h. In systems with very large
batteries,it becomes difficult to use passive balancing to
correct large SOC imbalances in short periods of time.
The excessive heat created during balancing generally
limits the balancing current. In large capacity battery ap-
plications, if short balancing times are required, an active
balancing solution should be considered. When choosing
a balance resistor, the following equations can be used to
help determine a resistor value:
B
alance Current =
%SOC_Imbalance •BatteryCapacity
Number of Hours to Balance
B
alanceResistor =
Nominal Cell Voltage
Balance Current
Active Cell Balancing
Applications that require 1A or greater of cell balancing
current should consider implementing an active balancing
system. Active balancing allows for much higher balancing
currents without the generation of excessive heat. Active
balancing also allows for energy recovery since most
of the balance current will be redistributed back to the
battery pack. Figure42 shows a simple active balancing
implementation using Linear Technology’s LT8584. The
LT8584 also has advanced features which can be con-
trolled via the LTC6811. See the S Pin Pulsing Using the
S Control Register Group section and the LT
®
8584 data
sheet for more details.
APPLICATIONS INFORMATION
Figure42. 12-Cell Battery Stack Module with Active Balancing
OFF
ON
OFF
ON
LT8584
LTC6811
BATTERY STACK
MONITOR
2.5A AVERAGE
DISCHARGE MODULE+
MODULE+
MODULE–
V+
V–/C0
BAT 12
+MODULE–
•
•
68111 F42
2.5A AVERAGE
DISCHARGE MODULE+
BAT 2
+
MODULE–
•
•
2.5A AVERAGE
DISCHARGE MODULE+
S12
LT8584 S2
LT8584 S1
BAT 1
+MODULE–
•
•
OFF
ON
LTC681 1—1/LTC681 1—2
7O
LTC6811-1/LTC6811-2
70
68111fb
For more information www.linear.com/LTC6811-1
APPLICATIONS INFORMATION
DISCHARGE CONTROL DURING CELL
MEASUREMENTS
If the discharge permitted (DCP) bit is high at the time of
a cell measurement command, the S pin discharge states
do not change during cell measurements. If the DCP bit
is low, S pin discharge states will be disabled while the
corresponding cell or adjacent cells are being measured.
If using an external discharge transistor, the relatively low
1kΩ impedance of the internal LTC6811 PMOS transis-
tors should allow the discharge currents to fully turn off
before the cell measurement. Table53 illustrates the ADCV
command with DCP = 0. In this table, OFF indicates that
the S pin discharge is forced off irrespective of the state
of the corresponding DCC[x] bit. ON indicates that the
S pin discharge will remain on during the measurement
period if it was ON prior to the measurement command.
Battery Module Balancing
In some large battery systems, cells are grouped by BMS
ICs. It is common for these groups of cells to become out
of balance as compared to the other groups of cells in the
battery pack. The circuit shown in Figure43 is a system to
balance groups of cells connected to a single LTC6811. This
design is beneficial in combination with the individual, lower
current internal discharge switches: A high module (total
stack) balancing current can be implemented while lower
current, lower cost, individual cell balancing is accomplished
with the internal balancing switches shown in Figure41a.
TOP OF MODULE
BOTTOM OF MODULE
LTC6811
68111 F43
VREG
GPIO3
V–
1µF
200Ω
22Ω
200Ω
CZT3055
CZT2955
V+
V–
Figure43. 200mA Module Balancer
Table53. Discharge Control During an ADCV Command with DCP = 0
CELL MEASUREMENT PERIODS CELL CALIBRATION PERIODS
CELL1/7 CELL2/8 CELL3/9 CELL4/10 CELL5/11 CELL6/12 CELL1/7 CELL2/8 CELL3/9 CELL4/10 CELL5/11 CELL6/12
DISCHARGE
PIN t0 to t1M t1M to t2M t2M to t3M t3M to t4M t4M to t5M t5M to t6M t6M to t1C t1C to t2C t2C to t3C t3C to t4C t4C to t5C t5C to t6C
S1 OFF OFF ON ON ON OFF OFF OFF ON ON ON OFF
S2 OFF OFF OFF ON ON ON OFF OFF OFF ON ON ON
S3 ON OFF OFF OFF ON ON ON OFF OFF OFF ON ON
S4 ON ON OFF OFF OFF ON ON ON OFF OFF OFF ON
S5 ON ON ON OFF OFF OFF ON ON ON OFF OFF OFF
S6 OFF ON ON ON OFF OFF OFF ON ON ON OFF OFF
S7 OFF OFF ON ON ON OFF OFF OFF ON ON ON OFF
S8 OFF OFF OFF ON ON ON OFF OFF OFF ON ON ON
S9 ON OFF OFF OFF ON ON ON OFF OFF OFF ON ON
S10 ON ON OFF OFF OFF ON ON ON OFF OFF OFF ON
S11 ON ON ON OFF OFF OFF ON ON ON OFF OFF OFF
S12 OFF ON ON ON OFF OFF OFF ON ON ON OFF OFF
LTC681 1—1/LTC681 1—2
71
LTC6811-1/LTC6811-2
71
68111fb
For more information www.linear.com/LTC6811-1
APPLICATIONS INFORMATION
Figure44. Balancing Self Test Circuit
68111 F44
V+
C12
S12
C11
S11
C10
S10
C9
S9
C8
S8
C7
S7
C6
S6
C5
S5
C4
S4
C3
S3
C2
S2
C1
V–
C0
S1
LTC6811
RB1
RB1
RB2
RB1
RB2
RB1
RB2
RB1
RB2
RB1
RB2
RB1
RB2
RB1
RB2
RB1
RB2
RB1
RB2
RB1
RB2
RB1
RB2
RB2
LTC6811—1/LTC6811—2
LTC6811-1/LTC6811-2
72
68111fb
For more information www.linear.com/LTC6811-1
APPLICATIONS INFORMATION
Method to Verify Discharge Circuits
The functionality of the discharge circuits can be verified
by conducting cell measurements. As shown in Figure44,
a resistor between the battery cell and the source of the
discharge MOSFET will cause a decrease in cell voltage
measurements. The amount of this measurement decrease
depends on the resistor value and the MOSFET on resis-
tance. The following algorithm can be used in conjunction
with Figure44 to verify each discharge circuit:
1. Measure all cells with no discharging (all S outputs off)
and read and store the results.
2. Turn on S1 and S7.
3. Measure C1-C0, C7-C6.
4. Turn off S1 and S7.
5. Turn on S2 and S8.
6. Measure C2-C1, C8-C7.
7. Turn off S2 and S8.
…
14. Turn on S6 and S12.
15. Measure C6-C5, C12-C11.
16. Turn off S6 and S12.
17. Read the Cell Voltage Register Groups to get the results
of steps 2 thru 16.
18. Compare new readings with old readings. Each cell
voltage reading should have decreased by a fixed
percentage set by RB1 and RB2 (Figure44). The exact
amount of decrease depends on the resistor values
and MOSFET characteristics.
DIGITAL COMMUNICATIONS
PEC Calculation
The Packet Error Code (PEC) can be used to ensure that
the serial data read from the LTC6811 is valid and has
not been corrupted. This is a critical feature for reliable
communication, particularly in environments of high
noise. The LTC6811 requires that a PEC be calculated for
all data being read from, and written to, the LTC6811. For
this reason it is important to have an efficient method for
calculating the PEC.
The C code on page 73 provides a simple implementation
of a lookup-table-derived PEC calculation method. There
are two functions. The first function init_PEC15_Table()
should only be called once when the microcontroller starts
and will initialize a PEC15 table array called pec15Table[].
This table will be used in all future PEC calculations. The
PEC15 table can also be hard coded into the microcon-
troller rather than running the init_PEC15_Table() function
at startup. The pec15() function calculates the PEC and
will return the correct 15-bit PEC for byte arrays of any
given length.
LTC6811—1/LTC6811—2
73
LTC6811-1/LTC6811-2
73
68111fb
For more information www.linear.com/LTC6811-1
APPLICATIONS INFORMATION
/************************************
Copyright 2012 Linear Technology Corp. (LTC)
Permission to freely use, copy, modify, and distribute this software for any
purpose with or without fee is hereby granted, provided that the above
copyright notice and this permission notice appear in all copies:
THIS SOFTWARE IS PROVIDED “AS IS” AND LTC DISCLAIMS ALL WARRANTIES
INCLUDING ALL IMPLIED WARRANTIES OF MERCHANTABILITY AND FITNESS. IN NO
EVENT SHALL LTC BE LIABLE FOR ANY SPECIAL, DIRECT, INDIRECT, OR CONSEQUENTIAL
DAMAGES OR ANY DAMAGES WHATSOEVER RESULTING FROM ANY USE OF SAME, INCLUDING
ANY LOSS OF USE OR DATA OR PROFITS, WHETHER IN AN ACTION OF CONTRACT, NEGLIGENCE
OR OTHER TORTUOUS ACTION, ARISING OUT OF OR IN CONNECTION WITH THE USE OR
PERFORMANCE OF THIS SOFTWARE.
***********************************************************/
int16 pec15Table[256];
int16 CRC15_POLY = 0x4599;
void init_PEC15_Table()
{
for (int i = 0; i < 256; i++)
{
remainder = i << 7;
for (int bit = 8; bit > 0; --bit)
{
if (remainder & 0x4000)
{
remainder = ((remainder << 1));
remainder = (remainder ^ CRC15_POLY)
}
else
{
remainder = ((remainder << 1));
}
}
pec15Table[i] = remainder&0xFFFF;
}
}
unsigned int16 pec15 (char *data , int len)
{
int16 remainder,address;
remainder = 16;//PEC seed
for (int i = 0; i < len; i++)
{
address = ((remainder >> 7) ^ data[i]) & 0xff;//calculate PEC table address
remainder = (remainder << 8 ) ^ pec15Table[address];
}
return (remainder*2);//The CRC15 has a 0 in the LSB so the final value must be multiplied by 2
}
isoSPI IBIAS and ICMP Setup
The LTC6811 allows the isoSPI links of each application
to be optimized for power consumption or for noise
immunity. The power and noise immunity of an isoSPI
system is determined by the programmed IB current, which
controls the isoSPI signaling currents. Bias current IB can
range from 100μA to 1mA. Internal circuitry scales up this
bias current to create the isoSPI signal currents equal to
20•IB. A low IB reduces the isoSPI power consumption
in the READY and ACTIVE states, while a high IB increases
the amplitude of the differential signal voltage VA across
the matching termination resistor, RM. The IB current is
programmed by the sum of the RB1 and RB2 resistors
connected between the 2V IBIAS pin and GND as shown in
Figure45. The receiver input threshold is set by the ICMP
voltage that is programmed with the resistor divider created
by the RB1 and RB2 resistors. The receiver threshold will
be half of the voltage present on the ICMP pin.
LTC6811—1/LTC6811—2
HEX/8M3"
LTC6811-1/LTC6811-2
74
68111fb
For more information www.linear.com/LTC6811-1
APPLICATIONS INFORMATION
The following guidelines should be used when setting the
bias current (100µA to 1mA) IB and the receiver compara-
tor threshold voltage VICMP/2:
RM = Transmission Line Characteristic Impedance Z0
Signal Amplitude VA = (20 • IB) • (RM/2)
VTCMP (Receiver Comparator Threshold)=K • VA
VICMP (voltage on ICMP pin) = 2 • VTCMP
RB2 = VICMP/IB
RB1 = (2/IB) – RB2
Select IB and K (Signal Amplitude VA to Receiver Compara-
tor Threshold ratio) according to the application:
For lower power links: IB = 0.5mA and K=0.5
For full power links: IB = 1mA and K=0.5
For long links (>50m): IB = 1mA and K=0.25
For addressable multi-drop: IB = 1mA and K=0.4
For applications with little system noise, setting IB to 0.5mA
is a good compromise between power consumption and
noise immunity. Using this IB setting with a 1:1 transformer
and RM = 100Ω, RB1 should be set to 3.01k and RB2 set
to 1k. With typical CAT5 twisted pair, these settings will
allow for communication up to 50m. For applications in
very noisy environments or that require cables longer than
50m it is recommended to increase IB to 1mA. Higher drive
current compensates for the increased insertion loss in
the cable and provides high noise immunity. When using
cables over 50m and a transformer with a 1:1 turns ratio
and RM = 100Ω, RB1 would be 1.5k and RB2 would be 499Ω.
The maximum clock rate of an isoSPI link is determined
by the length of the isoSPI cable. For cables 10 meters
or less, the maximum 1MHz SPI clock frequency is pos-
sible. As the length of the cable increases, the maximum
possible SPI clock rate decreases. This dependence is a
result of the increased propagation delays that can cre-
ate possible timing violations. Figure46 shows how the
maximum data rate reduces as the cable length increases
when using a CAT5 twisted pair
.
Cable delay affects three timing specifications: tCLK, t6
and t7. In the Electrical Characteristics table, each of these
specifications is de-rated by 100ns to allow for 50ns of
cable delay. For longer cables, the minimum timing pa-
rameters may be calculated as shown below:
tCLK, t6 and t7 > 0.9μs + 2 • tCABLE(0.2m per ns)
Figure45. isoSPI Circuit
RM
IPA ISOMD VREG
IMA
+
–
+
–
IBIAS
ICMP
68111 F45
LTC6811
RM
RB1
RB2
RB1
RB2
IPBISOMD
IMB
IBIAS
ICMP
SDI
SDO
SCK
CSB
SDO
SDI
SCK
CS
LTC6811
TWISTED-PAIR CABLE
WITH CHARACTERISTIC IMPEDANCE RM
ISOLATION BARRIER
(MAY USE ONE OR TWO TRANFORMERS)
MASTER
•• ••
2V
VA
2V
VA
Figure46. Data Rate vs Cable Length
CABLE LENGTH (METERS)
1
DATA RATE (Mbps)
1.2
0.8
0.4
0.2
1.0
0.6
010
68111 F46
100
CAT5 ASSUMED
LTC6811—1/LTC6811—2
g: 3%: 3m:
g: w=~i ”It
75
LTC6811-1/LTC6811-2
75
68111fb
For more information www.linear.com/LTC6811-1
APPLICATIONS INFORMATION
Implementing a Modular isoSPI Daisy Chain
The hardware design of a daisy-chain isoSPI bus is identi-
cal for each device in the network due to the daisy-chain
point-to-point architecture. The simple design as shown in
Figure45 is functional, but inadequate for most designs. The
termination resistor RM should be split and bypassed with
a capacitor as shown in Figure47. This change provides
both a differential and a common mode termination, and
as such, increases the system noise immunity.
The use of cables between battery modules, particularly
in automotive applications, can lead to increased noise
susceptibility in the communication lines. For high levels
of electromagnetic interference (EMC), additional filtering
is recommended. The circuit example in Figure47 shows
the use of common mode chokes (CMC)to add common
mode noise rejection from transients on the battery lines.
The use of a center tapped transformer will also provide
additional noise performance. A bypass capacitor con-
nected to the center tap creates a low impedance for
common mode noise (Figure47b). Since transformers
without a center tap can be less expensive, they may be
preferred. In this case, the addition of a split termination
resistor and a bypass capacitor (Figure47a) can enhance
the isoSPI performance. Large center tap capacitors
greater than 10nF should be avoided as they may prevent
the isoSPI common mode voltage from settling. Common
mode chokes similar to those used in Ethernet or CANbus
applications are recommended. Specific examples are
provided in Table55.
An important daisy chain design consideration is the
number of devices in the isoSPI network. The length of the
chain determines the serial timing and affects data latency
and throughput. The maximum number of devices in an
isoSPI daisy chain is strictly dictated by the serial timing
requirements. However, it is important to note that the serial
read back time, and the increased current consumption,
might dictate a practical limitation.
For a daisy chain, two timing considerations for proper
operation dominate (see Figure25):
1. t6, the time between the last clock and the rising chip
select, must be long enough.
2. t5, the time from a rising chip select to the next falling
chip select (between commands), must be long enough.
Both t5 and t6 must be lengthened as the number of
LTC6811 devices in the daisy chain increases. The equa-
tions for these times are below:
t5 > (#devices • 70ns) + 900ns
t6 > (#devices • 70ns) + 950ns
Figure47. Daisy Chain Interface Components
isoSPI LINK
XFMR
isoSPI LINK
CT XFMR
LTC6811-1
LTC6811-1
IP
IM
V–
10nF
100µH CMC
10nF
••
62Ω
62Ω
300Ω
300Ω
••
a)
IP
IM
V–
10nF
100µH CMC
10nF
••
51Ω
51Ω
••
b)
68111 F47
LTC681 1—1/LTC681 1—2
i:
m
EJ73—
; M?“
i:
m
gfl
if W?”
E:
%%@E
J;
LTC6811-1/LTC6811-2
76
68111fb
For more information www.linear.com/LTC6811-1
APPLICATIONS INFORMATION
Figure48. Daisy Chain Interface Components on Single Board
10nF
GNDD
10nF
GNDD
GNDD
GNDD
10nF
GNDC
10nF
GNDC
GNDC
GNDC
10nF
GNDB
10nF
GNDB
GNDB
10nF
GNDA
GNDB
GNDA
10nF*10nF*
1k 1k
•
•
GNDC
1k 1k
•
•
GNDB
1k 1k
1k 1k
•
•
GNDA
GNDD
GNDB GNDA
10nF*
GNDC 10nF*
10nF*
10nF*
49.9Ω
49.9Ω
IPA
IBIAS
ICMP
LTC6811-1
IMA
49.9Ω
49.9Ω
IPB
IMB
49.9Ω
49.9Ω
IPA
IBIAS
ICMP
LTC6811-1
IMA
49.9Ω
49.9Ω
IPB
IMB
49.9Ω
49.9Ω
IPA
IBIAS
ICMP
IBIAS
ICMP
LTC6811-1
V–
V–
V–
IMA
49.9Ω
49.9Ω
IP
IM V–
49.9Ω
49.9Ω
IPB
IMB
* IF TRANSFORMER BEING USED HAS A CENTER TAP, IT SHOULD BE BYPASSED WITH A 10nF CAP
68111 F48
LTC6820
LTC6811—1/LTC6811—2
gm
w
gm
E L EXEE L
3 E
‘ E
.l
.l
77
LTC6811-1/LTC6811-2
77
68111fb
For more information www.linear.com/LTC6811-1
APPLICATIONS INFORMATION
Connecting Multiple LTC6811-1s on the Same PCB
When connecting multiple LTC6811-1 devices on the same
PCB, only a single transformer is required between the
LTC6811-1 isoSPI ports. The absence of the cable also
reduces the noise levels on the communication lines and
often only a split termination is required. Figure48 shows
an example application that has multiple LTC6811-1s
on the same PCB, communicating to the bottom MCU
through an LTC6820 isoSPI driver. If a transformer with
a center tap is used, a capacitor can be added for better
noise rejection. Additional noise filtering can be provided
with discrete common mode chokes (not shown) placed
to both sides of the single transformer.
On single board designs with low noise requirements, it
is possible for a simplified capacitor-isolated coupling as
shown in Figure49 to replace the transformer. Dual Zener
diodes are used at each IC to clamp the common mode
voltage to stay within the receiver’s input range. The op-
tional common mode choke (CMC) provides noise rejection
with symmetrically tapped termination. The 590Ω resistor
creates a resistor divider with the termination resistors and
attenuates common mode noise. The 590Ω value is chosen
to provide the most noise attenuation while maintaining
sufficient differential signal. The circuit is designed such
that IB and VICMP are the same as would be used for a
transformer based system with cables over 50m.
Figure49. Capacitive Isolation Coupling for LTC6811-1s on the Same PCB
10nF
GNDB
GNDB
GNDB
VREG
10nF
GNDB
VREG
590Ω
590Ω
1nF1nF
10nF
GNDA
GNDA
GNDA
VREG
10nF
GNDA
VREG
590Ω
590Ω
1nF1nF
1nF1nF
68111 F49
1.5k 499Ω
•
•
1.5k 499Ω
•
•
IPA
IBIAS
ICMP
LTC6811-1
IMA
100Ω
100Ω
3.3V
3.3V
100Ω
100Ω
3.3V
3.3V
IPB
IMB
V–
CMC
IPA
IBIAS
ICMP
LTC6811-1
IMA
100Ω
100Ω
3.3V
3.3V
100Ω
100Ω
3.3V
3.3V
IPB
IMB
V–
CMC
LTC6811—1/LTC6811—2
.||—|
.n—l
LTC6811-1/LTC6811-2
78
68111fb
For more information www.linear.com/LTC6811-1
APPLICATIONS INFORMATION
Connecting an MCU to an LTC6811-1 with an isoSPI
Data Link
The LTC6820 will convert standard 4-wire SPI into a
2-wire isoSPI link that can communicate directly with
the LTC6811. An example is shown in Figure 50. The
LTC6820 can be used in applications to provide isolation
between the microcontroller and the stack of LTC6811s.
The LTC6820 also enables system configurations that
have the BMS controller at a remote location relative to
the LTC6811 devices and the battery pack.
Configuring the LTC6811-2 in a Multi–Drop isoSPI
Link
The addressing feature of the LTC6811-2 allows multiple
devices to be connected to a single isoSPI master by dis-
tributing them along one twisted pair, essentially creating
a large parallel SPI network. A basic multi-drop system is
shown in Figure51; the twisted pair is terminated only at
the beginning (master) and the end of the cable. In between,
the additional LTC6811-2s are connected to short stubs
on the twisted pair. These stubs should be kept short, with
as little capacitance as possible, to avoid degrading the
termination along the isoSPI wiring.
When an LTC6811-2 is not addressed, it will not transmit
data pulses. This scheme eliminates the possibility for col-
lisions since only the addressed device returns data to the
master. Generally, multi-drop systems are best confined
to compact assemblies where they can avoid excessive
isoSPI pulse-distortion and EMC pickup.
Basic Connection of the LTC6811-2 in a Multi-Drop
Configuration
In a multi-drop isoSPI bus, placing the termination at the
ends of the transmission line provides the best performance
(with 100Ω typically). Each of the LTC6811 isoSPI ports
should couple to the bus with a resistor network, as shown
in Figure52a. Here again, a center-tapped transformer
offers the best performance and a common mode choke
(CMC) increases the noise rejection further, as shown in
Figure52b. Figure52b also shows the use of an RC snub-
ber at the IC connections as a means to suppress reso-
nances (the IC capacitance provides sufficient out-of-band
rejection). When using a non-center-tapped transformer,
a virtual CT can be generated by connecting a CMC as
a voltage-splitter. Series resistors are recommended to
decouple the LTC6811 and board parasitic capacitance
from the transmission line. Reducing these parasitics on
the transmission line will minimize reflections.
Figure50. Interfacing an LTC6811-1 with a µC Using an LTC6820 for Isolated SPI Control
10nF
GNDB
GNDB
10nF
GNDA
GNDA
10nF*
10nF*
10nF
GNDB
10nF*
1k 1k
1k 1k
•
•
GNDA
GNDB
•
•
GNDB
GNDA
49.9Ω
49.9Ω
49.9Ω
49.9Ω
IPA
IBIAS
ICMP
IBIAS
ICMP
LTC6811-1
IMA
49.9Ω
49.9Ω
IP
IM V–
IPB
IMB
* IF TRANSFORMER BEING USED HAS A CENTER TAP, IT SHOULD BE BYPASSED WITH A 10nF CAP 68111 F50
LTC6820
V–
WEMW:
~||-~H
~||-~H
LTC6811—1/LTC6811—2
“P
:1
WWW
JCLUJ
ML ML
ffffg
i
J‘
4.
ML
79
LTC6811-1/LTC6811-2
79
68111fb
For more information www.linear.com/LTC6811-1
APPLICATIONS INFORMATION
Figure51. Connecting the LTC6811-2 in a Multi-Drop Configuration
Figure52. Preferred isoSPI Bus Couplings For Use With LTC6811-2
1.21k
806Ω
IPA
IBIAS
ISOMD
IMA V–
VREGB
ICMP
LTC6811-2
1.21k
806Ω
IPA
IBIAS
ISOMD
IMA V–
VREGA
ICMP
68111 F51
LTC6811-2
1.21k
806Ω
GNDB
GNDA
GNDC
GNDB
GNDA
GNDC
IPA
IBIAS
ISOMD
IMA V–
VREGC
ICMP
LTC6811-2
••
••
••••
100Ω
1.21k 806Ω
5k
100nF
IBIAS
ICMP
GND
SLOW
MSTR
IP
IM
VDD
VDDS
EN
MOSI
MISO
SCK
CS
POL
PHA 5V5V
5V
5V
LTC6820
100nF
µC
SDO
CS
SDI
SCK
100Ω
isoSPI
BUS
HV XFMR
CT HV XFMR
22Ω
22Ω
22Ω
22Ω
isoSPI
BUS
LTC6811-2
LTC6811-2
IPA
IMA
V–
15pF
100µH CMC
10nF
••
100µH CMC
••
402Ω
15pF
402Ω
••
a)
IPA
IMA
V–
100µH CMC
10nF
••
••
b)
68111 F52
LTC681 1—1/LTC681 1—2
LTC6811-1/LTC6811-2
80
68111fb
For more information www.linear.com/LTC6811-1
APPLICATIONS INFORMATION
Transformer Selection Guide
As shown in Figure45, a transformer or pair of transform-
ers isolates the isoSPI signals between two isoSPI ports.
The isoSPI signals have programmable pulse amplitudes
up to 1.6VP-P and pulse widths of 50ns and 150ns. To be
able to transmit these pulses with the necessary fidelity
the system requires that the transformers have primary
inductances above 60µH and a 1:1 turns ratio. It is also
necessary to use a transformer with less than 2.5µH of
leakage inductance. In terms of pulse shape the primary
inductance will mostly affect the pulse droop of the 50ns
and 150ns pulses. If the primary inductance is too low,
the pulse amplitude will begin to droop and decay over
the pulse period. When the pulse droop is severe enough,
the effective pulse width seen by the receiver will drop
substantially, reducing noise margin. Some droop is ac-
ceptable as long as it is a relatively small percentage of
the total pulse amplitude. The leakage inductance primarily
affects the rise and fall times of the pulses. Slower rise
and fall times will effectively reduce the pulse width. Pulse
width is determined by the receiver as the time the signal
is above the threshold set at the ICMP pin. Slow rise and
fall times cut into the timing margins. Generally it is best
to keep pulse edges as fast as possible. When evaluating
transformers, it is also worth noting the parallel winding
capacitance. While transformers have very good CMRR at
low frequency, this rejection will degrade at higher frequen-
cies, largely due to the winding to winding capacitance.
When choosing a transformer
, it is best to pick one with
less parallel winding capacitance when possible.
Table54. Recommended Transformers
SUPPLIER PART NUMBER
TEMPERATURE
RANGE VWORKING VHIPOT/60s CT CMC H L
W
(W/LEADS) PINS
AEC–
Q200
Recommended Dual Transformers
Pulse HX1188FNL –40°C to 85°C 60V (est) 1.5kVRMS l l 6.0mm 12.7mm 9.7mm 16SMT –
Pulse HX0068ANL –40°C to 85°C 60V (est) 1.5kVRMS l l 2.1mm 12.7mm 9.7mm 16SMT –
Pulse HM2100NL –40°C to 105°C 1000V 4.3kVDC –l3.4mm 14.7mm 14.9mm 10SMT l
Pulse HM2112ZNL –40°C to 125°C 1000V 4.3kVDC l l 4.9mm 14.8mm 14.7mm 12SMT l
Sumida CLP178-C20114 –40°C to 125°C 1000V (est) 3.75kVRMS l l 9mm 17.5mm 15.1mm 12SMT –
Sumida CLP0612-C20115 600VRMS 3.75kVRMS l– 5.7mm 12.7mm 9.4mm 16SMT –
Wurth 7490140110 –40°C to 85°C 250VRMS 4kVRMS l l 10.9mm 24.6mm 17.0mm 16SMT –
Wurth 7490140111 0°C to 70°C 1000V (est) 4.5kVRMS l– 8.4mm 17.1mm 15.2mm 12SMT –
Wurth 749014018 0°C to 70°C 250VRMS 4kVRMS l l 8.4mm 17.1mm 15.2mm 12SMT –
Halo TG110-AE050N5LF –40°C to 85°C/125°C 60V (est) 1.5kVRMS l l 6.4mm 12.7mm 9.5mm 16SMT l
Recommended Single Transformers
Pulse PE-68386NL –40°C to 130°C 60V (est) 1.5kVDC – – 2.5mm 6.7mm 8.6mm 6SMT –
Pulse HM2101NL –40°C to 105°C 1000V 4.3kVDC –l5.7mm 7.6mm 9.3mm 6SMT l
Pulse HM2113ZNL –40°C to 125°C 1600V 4.3kVDC l l 3.5mm 9mm 15.5mm 6SMT l
Wurth 750340848 –40°C to 105°C 250V 3kVRMS – – 2.2mm 4.4mm 9.1mm 4SMT –
Halo TGR04-6506V6LF –40°C to 125°C 300V 3kVRMS l– 10mm 9.5mm 12.1mm 6SMT –
Halo TGR04-A6506NA6NL –40°C to 125°C 300V 3kVRMS l– 9.4mm 8.9mm 12.1mm 6SMT l
Halo TDR04-A550ALLF –40°C to 105°C 1000V 5kVRMS l– 6.4mm 8.9mm 16.6mm 6TH l
TDK ALT4532V-201-T001 –40°C to 105°C 60V (est) ~1kV l– 2.9mm 3.2mm 4.5mm 6SMT l
Halo TDR04-A550ALLF –40°C to 105°C 1000V 5kVRMS l– 6.4mm 8.9mm 16.6mm 6TH l
Sumida CEEH96BNP-LTC6804/11 –40°C to 125°C 600V 2.5kVRMS – – 7mm 9.2mm 12.0mm 4SMT ?
Sumida CEP99NP-LTC6804 –40°C to 125°C 600V 2.5kVRMS l– 10mm 9.2mm 12.0mm 8SMT –
Sumida ESMIT-4180/A –40°C to 105°C 250VRMS 3kVRMS – – 3.5mm 5.2mm 9.1mm 4SMT l
TDK VGT10/9EE-204S2P4 –40°C to 125°C 250V (est) 2.8kVRMS l– 10.6mm 10.4mm 12.7mm 8SMT ?
LTC681 1—1/LTC681 1—2
81
LTC6811-1/LTC6811-2
81
68111fb
For more information www.linear.com/LTC6811-1
APPLICATIONS INFORMATION
When choosing a transformer, it is equally important to
pick a part that has an adequate isolation rating for the
application. The working voltage rating of a transformer
is a key spec when selecting a part for an application.
Interconnecting daisy-chain links between LTC6811-1
devices see <60V stress in typical applications; ordinary
pulse and LAN type transformers will suffice. Multi-drop
connections and connections to the LTC6820, in general,
may need much higher working voltage ratings for good
long-term reliability. Usually, matching the working voltage
to the voltage of the entire battery stack is conservative.
Unfortunately, transformer vendors will often only specify
one-second HV testing, and this is not equal to the long-term
(“permanent”) rating of the part. For example, according
to most safety standards a 1.5kV rated transformer is
expected to handle 230V continuously, and a 3kV device
is capable of 1100V long-term, though manufacturers may
not always certify to those levels (refer to actual vendor
data for specifics). Usually, the higher voltage transformers
are called “high-isolation” or “reinforced insulation” types
by the suppliers. Table54 shows a list of transformers that
have been evaluated in isoSPI links.
In most applications a common mode choke is also
necessary for noise rejection. Table55 includes a list of
suitable CMCs if the CMC is not already integrated into
the transformer being used.
isoSPI Layout Guidelines
Layout of the isoSPI signal lines also plays a significant
role in maximizing the noise immunity of a data link. The
following layout guidelines are recommended:
1. The transformer should be placed as close to the isoSPI
cable connector as possible. The distance should be kept
less than 2cm. The LTC6811 should be placed close to
but at least 1cm to 2cm away from the transformer to
help isolate the IC from magnetic field coupling.
2. A V– ground plane should not extend under the trans-
former, the isoSPI connector or in between the trans-
former and the connector.
3. The isoSPI signal traces should be as direct as possible
while isolated from adjacent circuitry by ground metal
or space. No traces should cross the isoSPI signal lines,
unless separated by a ground plane on an inner layer.
System Supply Current
The LTC6811 has various supply current specifications
for the different states of operation. The average supply
current depends on the control loop in the system. It is
necessary to know which commands are being executed
Table56. Daisy Chain Serial Time Equations
COMMAND TYPE CMD BYTES + CMD PEC
DATA BYTES
+ DATA PEC PER IC TOTAL BITS COMMUNICATION TIME
Read 4 8 (4 + (8 • #ICs)) • 8 Total Bits • Clock Period
Write 4 8 (4 + (8 • #ICs)) • 8 Total Bits • Clock Period
Operation 4 0 4 • 8 = 32 32 • Clock Period
Table57. Multi-Drop Serial Time Equations
COMMAND TYPE CMD BYTES + CMD PEC
DATA BYTES
+ DATA PEC PER IC TOTAL BITS COMMUNICATION TIME
Read 4 8 ((4 + 8) • #ICs) • 8 Total Bits • Clock Period
Write 4 8 ((4 + 8) • #ICs) • 8 Total Bits • Clock Period
Operation 4 0 4 • 8 = 32 32 • Clock Period
Table55. Recommended Common Mode Chokes
MANUFACTURER PART NUMBER
TDK ACT45B-101-2P
Murata DLW43SH101XK2
LTC6811—1/LTC6811—2
?
T
||\|||||||||
[er
LTC6811-1/LTC6811-2
82
68111fb
For more information www.linear.com/LTC6811-1
APPLICATIONS INFORMATION
each control loop cycle, and the duration of the control
loop cycle. From this information it is possible to determine
the percentage of time the LTC6811 is in the MEASURE
state versus the low power SLEEP state. The amount of
isoSPI or SPI communication will also affect the average
supply current.
Calculating Serial Throughput
For any given LTC6811 the calculation to determine com-
munication time is simple: it is the number of bits in the
transmission multiplied by the SPI clock period being used.
The control protocol of the LTC6811 is very uniform so
almost all commands can be categorized as a write, read
or an operation. Table55, Table56 and Table57 can be
used to determine the number of bits in a given LTC6811
command. Table56 can be used for daisy chains and
Table57 for multi-drop networks.
ENHANCED APPLICATIONS
Using the LTC6811 With Fewer Than 12 Cells
Internally the 12 cell inputs monitored by the LTC6811 are
split into two groups of six cells and are measured using
two internal multiplexers and two ADCs. To optimize mea-
surement synchronization in applications with fewer than
twelve cells, the unused C pins may be equally distributed
between the top of the second MUX (C12) and the top of the
first MUX (C6). See Figure53. If there are an odd number
of cells being measured, the top MUX should have fewer
cells connected. The unused cell inputs should be tied to the
other unused inputs on the same MUX and then connected
to the battery stack through a 100Ω resistor. The unused
inputs will result in a reading of 0.0V for those cells.
It is also acceptable to connect cells in the conventional
sequence with all unused inputs at the top left open-circuit.
Figure53. Cell Connection Schemes for 5 to 12 Cells
V+
C12
C11
C10
C9
C8
C7
C6
C5
C4
C3
C2
C1
DRIVE
VREG
V–
C0
LTC6811
68111 F53
B1
B2
B3
B4
B5
B1
B2
B3
B4
B5
5 CELLS 6 CELLS 7 CELLS 8 CELLS 9 CELLS 10 CELLS 11 CELLS
B6
B1
B2
B3
B4
B5
B6
B7
B1
B2
B3
B4
B5
B6
B7
B8
B1
B2
B3
B4
B5
B6
B7
B8
B9
B1
B2
B3
B4
B5
B6
B7
B8
B9
B10
B1
B2
B3
B4
B5
B6
B7
B8
B9
B10
B11
B1
B2
B3
B4
B5
B6
B7
B8
B9
B10
B11
B12
12 CELLS
100Ω
100Ω
100Ω
100Ω
100Ω
100Ω
100Ω
100Ω
100Ω
100Ω
100Ω
100Ω
100Ω
10Ω
LTC6811—1/LTC6811—2
83
LTC6811-1/LTC6811-2
83
68111fb
For more information www.linear.com/LTC6811-1
APPLICATIONS INFORMATION
Monitoring Fewer than 5 Cells
In applications using four cells or fewer, the V+ must
be provided by a separate supply to guarantee that the
LTC6811 will operate over the cells entire voltage range.
Figure54 shows an application circuit to monitor 4 cells.
The LT8301 is used to generate an isolated 18V supply. It
is important that the converter produces a V+ that is at a
higher potential than the cell stack potential. In this case
an 18V supply will allow the LTC6811 to operate with four
cell voltages between 2V and 4.5V.
Current Measurement with a Hall-Effect Sensor
The LTC6811 auxiliary ADC inputs (GPIO pins) may be
used for any analog signal, including active sensors with 0V
to 5V analog outputs. For battery current measurements,
Hall-effect sensors provide an isolated, low power solution.
Figure55 shows schematically a typical Hall-effect sen-
sor that produces two outputs that proportion to the VCC
provided. The sensor in the figure has two bidirectional
outputs centered at half of VCC, CH1 is a 0A to 50A low
range and CH2 is a 0A to 200A high range. The sensor is
Figure54. Powering the LTC6811 When Monitoring 4 Cells
LTC6811
68111 F54
DRIVE
VREG
V+
C12
C11
C10
C9
C8
C7
C6
C5
C4
C3
C2
C1
C0
V–
1µF
3.6V
3.6V
3.6V
3.6V
NSV1C201MZ4
1k
100Ω
100Ω
10µF
10µF
100nF
100nF
•
•
BAT54
BAT54
LT8301
VIN
EN/UVLO
VIN
2.7V TO 36V SW
RFB
R
ENABLE
GND
40µH 40µH
CMDZ5248B
CMHD448
LTC681 1—1/LTC681 1—2
0
PPPF
LTC6811-1/LTC6811-2
84
68111fb
For more information www.linear.com/LTC6811-1
APPLICATIONS INFORMATION
powered from a 5V source and produces analog outputs
that are connected to GPIO pins or inputs of the MUX ap-
plication shown in Figure58. The use of GPIO1 and GPIO2
as the ADC inputs has the possibility of being digitized
within the same conversion sequence as the cell inputs
(using the ADCVAX command), thus synchronizing cell
voltage and cell current measurements.
Low Side Current Sense
Many battery current sense applications require a bidirec-
tional measurement that has both high accuracy and a wide
dynamic range. Hall-effect sensors often have 2 outputs
with different ranges to accommodate this requirement.
For current sense solutions, using a small sense resistor
shunt and a programmable gain amplifier provides a wide
dynamic rage solution. Linear Technology’s LTC6915 Digi-
tally Programmable Instrumentation Amplifier is a good
choice for this application because of its low 10µV offset
and virtually no temperature coefficient. This allows the
amplifier to work well with shunts of 100µΩ or greater.
Figure56 shows the LTC6915 configured to monitor bidi-
rectional current on a low side shunt. Because of the low
side architecture, a charge pump is needed to provide a
negative rail for the amplifier to measure the shunt current
during battery discharge.
Figure55. Interfacing a Typical Hall-Effect Battery
Current Sensor to Auxiliary ADC Inputs
68111 F55
LEM DHAB
CH2 ANALOG → GPIO2
VCC 5V
GND ANALOG_COM → V–
CH1 ANALOG0 → GPIO1
A
B
C
D
Figure56. Low Side Current Sense
–5V+5V
LTC6811
LTC6915
68111 F54
GPIO1
VREF2
VREG
GPIO3
GPIO4
GPIO5
V–
IN+
IN–
3.6V
3.6V
3.6V
3.6V
10k
100Ω
10k10k
OUT
SENSE
REF
V+
SHDN
CS
DIN
CLK
DGND
SERIAL
1µF
10µF
1µF
1µF
1µF
10nF
LTC3261
VIN
EN
RT
VOUT
MODE
GND
VREG
V–
C+ C–
100µΩ
LTC681 1—1/LTC681 1—2
85
LTC6811-1/LTC6811-2
85
68111fb
For more information www.linear.com/LTC6811-1
APPLICATIONS INFORMATION
READING EXTERNAL TEMPERATURE PROBES
Figure57 shows the typical biasing circuit for a negative-
temperature-coefficient (NTC) thermistor. The 10k at 25°C
is the most popular sensor value and the VREF2 output
stage is designed to provide the current required to bias
several of these probes. The biasing resistor is selected
to correspond to the NTC value so the circuit will provide
1.5V at 25°C (VREF2 is 3V nominal). The overall circuit
response is approximately –1%/°C in the range of typical
cell temperatures, as shown in the chart of Figure57.
Expanding the Number of Auxiliary Measurements
The LTC6811 has five GPIO pins that can be used as ADC
inputs. In applications that need to measure more than five
signals a multiplexer (MUX) circuit can be implemented
to expand the analog measurements to sixteen different
signals (Figure 58). The GPIO1 ADC input is used for
measurement and MUX control is provided by the I2C port
on GPIO 4 and 5. The buffer amplifier was selected for
fast settling and will increase the usable throughput rate.
Figure57. Typical Temperature Probe Circuit and Relative Output
Figure58. MUX Circuit Supports Sixteen Additional Analog Measurements
TEMPERATURE (°C)
–40 0
VTEMPx (% VREF2)
100
80
60
40
20
90
70
50
30
10
0–20 20 6040 80
68111 F55
10k
NTC
10k AT 25°C
V–
VREF2
VTEMP
S0
S1
S2
S3
S4
S5
S6
S7
VCC
SCL
SDA
A0
A1
GND
VEE
DO
ANALOG1
ANALOG2
ANALOG3
ANALOG4
ANALOG5
ANALOG6
ANALOG7
ANALOG8
1
2
3
4
5
6
7
8
16
15
14
13
12
11
10
9
LTC1380
S0
S1
S2
S3
S4
S5
S6
S7
VCC
SCL
SDA
A0
A1
GND
VEE
DO
ANALOG9
ANALOG10
ANALOG11
ANALOG12
ANALOG13
ANALOG14
ANALOG15
ANALOG16
1
2
3
4
5
6
7
8
16
15
14
13
12
11
10
9
LTC1380
3
27
31
32
33
37
5
1µF
10nF
68111 F57
VREG
GPIO5(SCL)
GPIO4(SDA)
V–
GPIO1
LTC6811
4.7k
4.7k
1
2
4–
+
LTC6255 100Ω
ANALOG INPUTS: 0.04V TO 4.5V
LTC6811—1/LTC6811—2
wzfiuaam‘
L (4924mm
TI]EIEIEIIJIJIJEIIJEIEIEIIJIJIJEIIJIJEIEIIJIJIJEIT] HHHHHHHHHHHHHHHHHHHHHHHHT
L J (23mg,
[ll]Uflflflflflflflflflflflflflflflflflflflmmi O I
””9” * HHHHHHHHHHHHHHHHHHHHHHHHi
(23?:Z§?,~> ‘55435 %)
1055 7 0731
#14 ¢
m 7 4‘ e T [3335)9‘ \« T
(mm, mm ( M5
4» 4; uznium <7 (my="" lunar="" um;="">7>LTC6811-1/LTC6811-2
86
68111fb
For more information www.linear.com/LTC6811-1
PACKAGE DESCRIPTION
Please refer to http://www.linear.com/product/LTC6811-1#packaging for the most recent package drawings.
0.10 – 0.25
(.004 – .010)
0° – 8°
G48 (SSOP) 0814 REV A
SEATING
PLANE
0.55 – 0.95**
(.022 – .037)
1.25
(.0492)
REF
5.00 – 5.60*
(.197 – .221)
7.40 – 8.20
(.291 – .323)
12345678 9 10 11 12 14 15 16 17 18 19 20 21 22232413
4445464748 43 42 41 40 39 38 37 36 35 34 33 31 30 29 28 27 26 2532
12.50 – 13.10*
(.492 – .516)
2.0
(.079)
MAX
1.65 – 1.85
(.065 – .073)
0.05
(.002)
MIN
0.50
(.01968)
BSC 0.20 – 0.315†
(.008 – .0124)
TYP
MILLIMETERS
(INCHES)
DIMENSIONS DO NOT INCLUDE MOLD FLASH OR PROTRUSIONS,
BUT DO INCLUDE MOLD MISMATCH AND ARE MEASURED AT
THE PARTING LINE. MOLD FLASH SHALL NOT EXCEED .15mm PER SIDE
LENGTH OF LEAD FOR SOLDERRING TO A SUBSTRATE
THE MAXIMUM DIMENSION DOES NOT INCLUDE DAMBAR PROTRUSIONS.
DAMBAR PROTRUSIONS DO NOT EXCEED 0.13mm PER SIDE
*
**
†
NOTE:
1.DRAWING IS NOT A JEDEC OUTLINE
2. CONTROLLING DIMENSION: MILLIMETERS
3. DIMENSIONS ARE IN
4. DRAWING NOT TO SCALE
5. FORMED LEADS SHALL BE PLANAR WITH RESPECT TO
ONE ANOTHER WITHIN 0.08mm AT SEATING PLANE
0.25 ±0.05
PARTING
LINE
0.50
BSC
5.3 – 5.7
7.8 – 8.2
RECOMMENDED SOLDER PAD LAYOUT
APPLY SOLDER MASK TO AREAS THAT ARE NOT SOLDERED
1.25 ±0.12
G Package
48-Lead Plastic SSOP (5.3mm)
(Reference LTC DWG # 05-08-1887 Rev A)
G Package
48-Lead Plastic SSOP (5.3mm)
(Reference LTC DWG # 05-08-1887 Rev A)
LTC681 1—1/LTC681 1—2
87
LTC6811-1/LTC6811-2
87
68111fb
For more information www.linear.com/LTC6811-1
REVISION HISTORY
REV DATE DESCRIPTION PAGE NUMBER
A 05/17 tSKEW2 specification correction: MIN = 211µs
t5GOV specification correction: MIN = 0.6µs, MAX = 0.82µs
t6GOV specification correction: MIN = 0.6µs, MAX = 1.05µs
Typical Performance Characteristics curve “isoSPI Comparator Threshold Gain (Port A/Port B) vs IBIAS Current”
renamed “isoSPI Comparator Threshold Gain (Port A/Port B) vs Receiver Common Mode”
Clarification to the impact statement of the Absolute Maximum spefications for the comparison of the LTC6811
Restriction vs LTC6804
Corrections to “Table 1. Core Supply Current”: STANDBY, IREG(CORE) = 40µA; REFUP, IVP = 550µA, IREG(CORE) =
450µA; MEASURE, IVP = 550µA
Corrections to the “Overlap Cell Measurement (ADOL Command)” section: After an ADOL command, the result from
ADC2 is placed in Cell Voltage Register Group C and the result from ADC1 is placed in Cell Voltage Register Group C.
Correction to “Table 52. Memory Bit Descriptions”: DTEN description updated to include READ ONLY.
Addition of the “Using Non-Standard Cell Input Filters” section and Figures 38 through 40.
All Figures beginning with Figure 38 and above renumbered.
“Table 54. Recommended Transformers” updated.
7
9
9
15
19
21
31
62
67
67-88
80
B08/17 Updated Drive Output Voltage specifications 7
LTC681 1-1/LTC681 1—2
mus)
we wsnSP‘E ‘
I”
H
' HI
\E'
wsnSP‘A ‘
\A’
‘ EKNALOG
DEVICES
LTC6811-1/LTC6811-2
88
68111fb
For more information www.linear.com/LTC6811-1
LINEAR TECHNOLOGY CORPORATION 2016
LT 0817 REV B • PRINTED IN USA
www.linear.com/LTC6811-1
RELATED PARTS
TYPICAL APPLICATION
PART NUMBER DESCRIPTION COMMENTS
LTC6801 12-Cell Battery Fault Monitor Monitors Individual Battery Cells for Undervoltage or Overvoltage.
Companion to LTC6802, LTC6803, LTC6804, LTC6811
LTC6802 Precision 12-Cell Multicell Battery Monitor 1st Generation: Superseded by the LTC6804 and LTC6803 for New Designs
LTC6803 Precision 12-Cell Multicell Battery Monitor 2nd Generation: Functionally Enhanced and Pin Compatible to the LTC6802
LTC6804 Precision 12-Cell Multicell Battery Monitor 3rd Generation: 0.025% Measurement Accuracy, Built-In Isolated
Communication (isoSPI). Superseded by the Pin Compatible LTC6811
LTC6820 Isolated Bidirectional Communications Interface for SPI Provides an Isolated Interface for SPI Communication Up to 100 Meters,
Using a Twisted Pair. Companion to the LTC6804 and LTC6811
LTC3300 Bidirectional Multicell Battery Balancer Synchronous Flyback, Support 6 Cells in Series, 10A Balancing Current,
92% Efficiency
LT8584 Monolithic Active Cell Balancer Single Cell, Monolithic Flyback DC/DC converter, Integrated 6A, 50V Power
Switch, SSOP-16
68111 TA02
V+
C12
S12
C11
S11
C10
S10
C9
S9
C8
S8
C7
S7
C6
S6
C5
S5
C4
S4
C3
S3
C2
S2
C1
IPB
IMB
ICMP
IBIAS
SDO (NC)
SDI (NC)
SCK (IPA)
CSB (IMA)
ISOMD
WDT
DRIVE
VREG
DTEN
VREF1
VREF2
GPIO5
GPIO4
V–
V–
GPIO3
GPIO2
GPIO1
C0
S1
LTC6811-1
10
7
6
89
11
isoSPIA–
isoSPI PORT A
TG110-AE050N5*
isoSPIA+
2
1
1k
1k
CELL2
3.6V 10nF
100Ω
BSS308PE
33Ω
3.3k
CELL1
3.6V
CELL3
3.6V
10nF
100Ω
BSS308PE
33Ω
3.3k
+
+
+
CELL12
3.6V 10nF
100Ω
BSS308PE
33Ω
100Ω
100Ω
3.3k
CELL11
3.6V
100Ω
CELL3 TO CELL11 CIRCUITS
1µF
100nF
100nF
1µF
1µF
100Ω
15
2
1
314
16
isoSPIB–
isoSPI PORT B
isoSPIB+
2
1
100Ω
10nF
*THE PART SHOWN IS A DUAL
TRANSFORMER WITH BUILT-IN
COMMON MODE CHOKES
10nF
••
••
+
+
NSV1C201MZ4
Basic 12-Cell Monitor with isoSPI Daisy Chain