TS
TERMINUS
Data Sheet
USB 2.0 4-Port Hub
Data Sheet Rev. 1.0
FE1.1S
USB 2.0 HIGH SPEED 4-PORT HUB CONTROLLER
_______________________Data Sheet_______________________
INTRODUCTION
The FE1.1s is a highly integrated, high quality,
high performance, low power consumption, yet
low cost solution for USB 2.0 High Speed 4-Port
Hub.
It adopts Single Transaction Translator (STT)
architecture to be more cost effective. Six,
instead of two, non-periodic transaction buffers
are used to minimize potential traffic jamming.
The whole design is based on state-machine-
control to reduce the response delay time; no
micro controller is used in this chip.
To guarantee high quality, the whole chip is
covered by Test Scan Chain – even on the high
speed (480MHz) modules, so that all the logic
components could be fully tested before shipping.
Special Build-In-Self-Test mode is designed to
exercise all high, full, and low speed Analog
Front End (AFE) components on the packaging
and testing stages as well.
Low power consumption is achieved by using
0.18μm technology and comprehensive
power/clock control mechanism. Most part of the
chip will not be clocked unless needed.
FEATURES
Fully compliant with Universal Serial Bus
Specification Revision 2.0 (USB 2.0);
□Upstream facing port supports High-
Speed (480MHz) and Full-Speed
(12MHz) modes;
□4 downstream facing ports support
High-Speed (480MHz), Full-Speed
(12MHz), and Low-Speed (1.5MHz)
modes;
Integrated USB 2.0 Transceivers;
Integrated upstream 1.5KΩ pull-up,
downstream 15KΩ pull-down, and serial
resisters;
Integrated 5V to 3.3V and 1.8V regulator.
Integrated Power-On-Reset circuit;
Integrated 12MHz Oscillator with feedback
resister, and crystal load capacitance;
Integrated 12MHz-to-480MHz Phase Lock
Loop (PLL);
Single Transaction Translator (STT) –
□One TT for all downstream ports;
□The TT could handle 64 periodic Start-
Split transactions, 32 periodic
Complete-Split transactions, and 6
none-periodic transactions;
Automatic self-power status monitoring;
□Automatic re-enumeration when Self-
NOV. 29, 2008 Subject to Change Without Notice 1
www.jfd-ic.com
i8
TERMINUS
USB 2.0 4-Port Hub
Data Sheet Rev. 1.0
Powered switching to Bus-Powered;
Ganged Power Control and Global Over-
Current Detection support;
EEPROM configured options –
□Vendor ID, Product ID, & Device
Release Number; and
□Number of Downstream Ports;
Comprehensive Port Indicators support:
□Downstream Port Enabled indicator
LED (x4, Green);
□Hub Active/Suspend indicator LED.
NOV. 29, 2008 Subject to Change Without Notice 2
TTTTTTTT
‘ 4
v V ' V V
¢ ¢ ¢
7 ¢
H H H
H *—‘—*
H H H
USB 2.0 4-Port Hub
Data Sheet Rev. 1.0
BLOCK DIAGRAM
NOV. 29, 2008 Subject to Change Without Notice 3
Fig. 1: Block Diagram
Down-
stream
PHY #1
Down-
stream
PHY #2
Down-
stream
PHY #3
Down-
stream
PHY #4
Upstream
PHY
Routing Switch
Data
Transmit
Data
Recovery &
Elastic
Buffer
PLL
(x40)
3.3V & 1.8V Regulator
POR
USB Multi-port Transceiver Macro Cell
SIE
Downstream
Port
Controllers
Upstream
Port
Controller
Transaction Translator
Full/Low-Speed Handler
Transaction Translator
High-Speed Handler Hub Controller
LED
Controller
Unified Transaction
Translator Buffer (2KB)
USB 2.0
Hub
Controller
OSC
12MHz
Crystal
To Downstream
Devices
To Upstream
Host/Hub
Port
Indicators
EEPROM,
Hub Activity
LED
Over Current
Detection
Power Switch
Control
TTTTTTTT
USB 2.0 4-Port Hub
Data Sheet Rev. 1.0
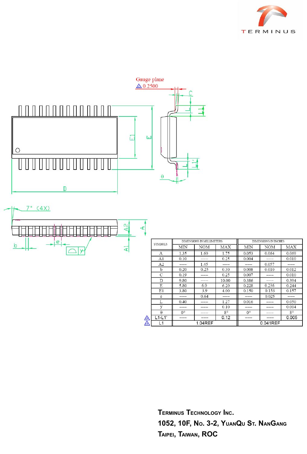
PACKAGE
28-pin SSOP
(Body Size: 10x4 mm, Pitch: 0.64 mm)
PIN ASSIGNMENT
NOV. 29, 2008 Subject to Change Without Notice 4
Fig. 2: SSOP-28 Pin Assignment
FE1.1s
1
13
12
15
VSS
XOUT
XIN
DMU
DPU
XRSTJ
VBUSM
BUSJ
DM4
DP4
DM3
DP3
DM2
DP2
DM1
DP1
VD18_O
VD33
REXT 14
11
10
9
8
7
6
5
4
2
3
VDD5
VD33_O
TESTJ
DRV
LED1
LED2
PWRJ
OVCJ
VD18
16
17
18
19
20
21
22
23
24
25
26
27
28
7‘
TERMINUS
USB 2.0 4-Port Hub
Data Sheet Rev. 1.0
PIN DESCRIPTION TABLE
Pin Name LQFP
Pin No.
SSOP
Pin No.
Type Function Note
VSS 10 1 P Ground.
XOUT 11 2 OSC 12 MHz Crystal Oscillator output
XIN 12 3 OSC 12 MHz Crystal Oscillator input.
DM4 14 4 UT The D- pin of the 4th Downstream Facing Port.
DP4 15 5 UT The D+ pin of the 4th Downstream Facing Port.
DM3 17 6 UT The D- pin of the 3rd Downstream Facing Port.
DP3 18 7 UT The D+ pin of the 3rd Downstream Facing Port.
DM2 20 8 UT The D- pin of the 2nd Downstream Facing Port.
DP2 21 9 UT The D+ pin of the 2nd Downstream Facing Port.
DM1 23 10 UT The D- pin of the 1st Downstream Facing Port.
DP1 24 11 UT The D+ pin of the 1st Downstream Facing Port.
VD18_O 26 12 P 1.8V power output from 3.3V→1.8V integrated regulator – a
10μF decoupling capacitor is required.
VD33 27 13 P 3.3V power input for 3.3V→1.8V integrated regulator.
REXT 28 14 A 2.7KΩ (± 1%) resister should be connected to VSS to
provide internal bias reference.
DMU 30 25 UT The D- pin of the Upstream Facing Port.
DPU 31 16 UT The D+ pin of the Upstream Facing Port.
XRSTJ 34 17 I External Reset, active low, is an optional source of chip reset
signal, beside the build-in Power-On-Reset. The minimum low
pulse width is 10 μs.
VBUSM 35 18 I The VBUS Monitor of upstream facing port.
BUSJ 36 19 I Bus power indicator:
0 – Bus Powered; 1 – Self Powered.
VDD5 38 20 P 5V power input for integrated 5V→3.3V regulator.
VD33_O 39 21 P 3.3V power output from 5V→3.3V integrated regulator – a
10μF decoupling capacitor is required.
TEST 40 ―— I Test Mode Enable – should be tied to ground for normal
operation.
DRV 42 22 I/O LED Drive Control 1
NOV. 29, 2008 Subject to Change Without Notice 5
7\
TERMINUS
USB 2.0 4-Port Hub
Data Sheet Rev. 1.0
LED1/
EESCL
43 23 I/O Port 1 and Port 3 Enabled Indicator (LED) Control, and
external Serial EEPROM Clock.
1
LED2 44 24 I/O Port 2 and Port 4 Enabled Indicator (LED) Control 1
PWRJ 47 25 O Downstream Device Power Enable, active low, for Ganged
Power Switching.
OVCJ 48 26 I Over Current Indicator, active low, for Global Over-Current
Protection.
TESTJ/
EESDA
2 27 I/O Test Mode Enable, active low with internal pull-up, and
external Serial EEPROM Data/Address.
1
VD18 9 28 P 1.8V power input.
Type Abbreviation –
I : Input; O : Output; I/O : Input/Output; P : Power/Ground; UT: USB Transceiver.
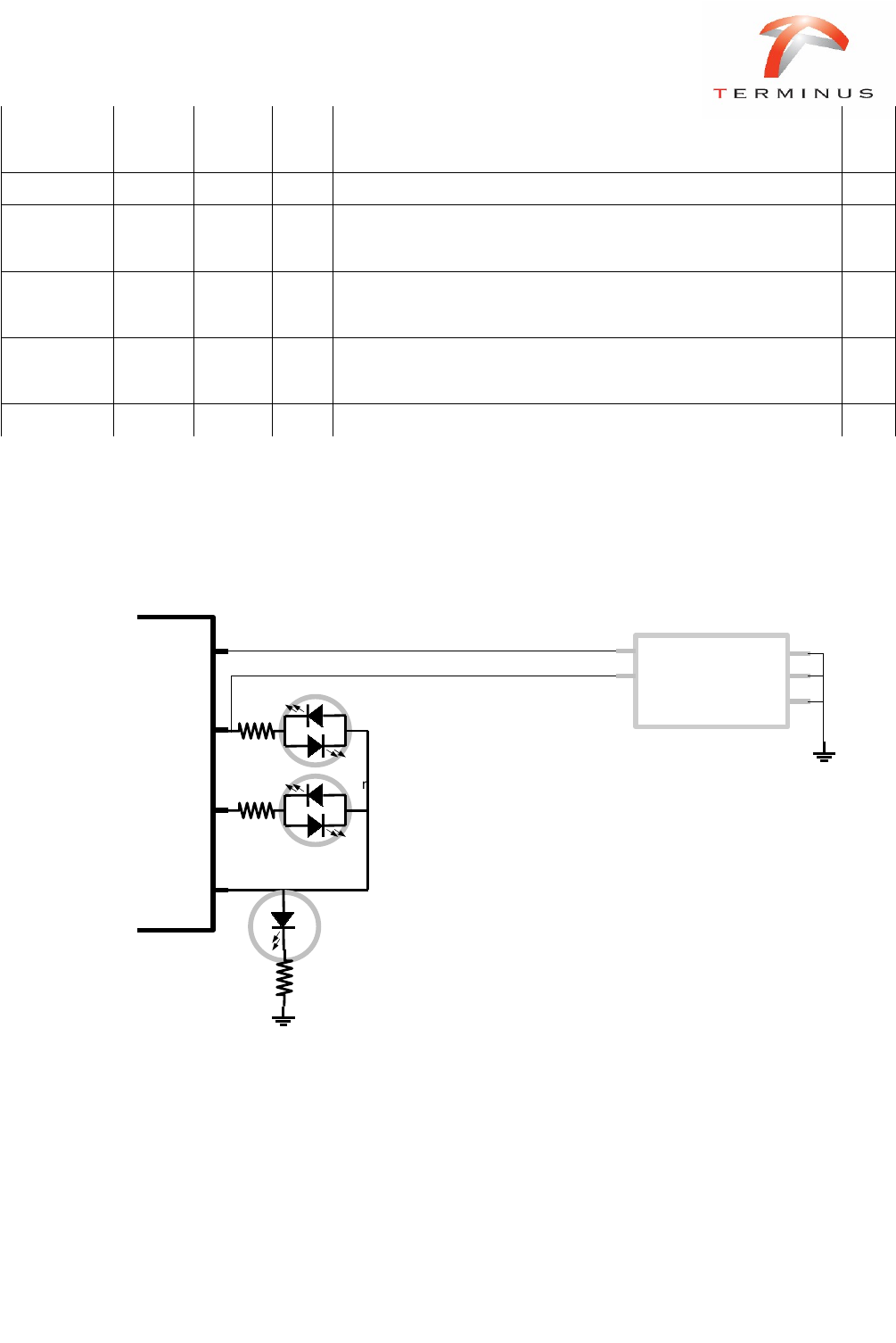
Note 1 – LED Status Indicators and External Serial EEPROM Interface
The FE1.1s supports up to 5 LED for status indication with DRV, LED1, and LED2 pins, as shown by
Fig. 4. For each Downstream Facing Port, one LED (Green) is provided to indicate that the attached
device of the corresponding port is enabled or not. The fifth LED (Red) shows the Active (On) or
Suspend (Off) status of the Hub itself. The FE1.1s can be configured by an external serial EEPROM
via LED1 and TESTJ pins. The EEPROM is checked and loaded each time after chip reset.
NOV. 29, 2008 Subject to Change Without Notice 6
Fig. 3: LED and EEPROM Connections
Green
Green
Green
Green
LED1
TESTJ
LED2
DRV
FE1.1s
Port 1 Indicator
Red
Hub Active/Suspend Indicator
Port 3 Indicator
Port 2 Indicator
Port 4 Indicator
SDA
SCL
A0
A1
A2
EEPROM
7‘
TERMINUS
USB 2.0 4-Port Hub
Data Sheet Rev. 1.0
EEPROM CONTENTS
Address Contents Note
0x00 0x40 Constant, low byte of check code
0x01 0x1A Constant, high byte of check code
0x02 Vendor ID (Low) Low byte of Vendor ID, idVendor field of Standard Device Descriptor
0x03 Vendor ID (High) High byte of Vendor ID
0x04 Product ID (Low) Low byte of Product ID, idProduct field of Standard Device Descriptor
0x05 Product ID (High) High Byte of Product ID
0x06 Device Release (Low) Low byte of Device Release Number, must be Binary Coded Decimal,
bcdDevice field of Standard Device Descriptor
0x07 Device Release (High) High byte of Device Release Number, must be Binary Coded Decimal
0x08 ~
0x19
Filling All 0x00
0x1A Port Number Number of Downstream Ports, bNbrPorts field of Hub Descriptor.
0x1B ~
0x1E
Filling All 0x00
0x1F Check Sum The 8-bit sum of all value from 0x00 to 0x1E.
The first two bytes are the check code from the existence of EEPROM, their value must be 0x1A40.
Any other value would cause the EEPROM loading mechanism of FE1.1s to conclude that the contents
of this EEPROM is unusable, and use the default value instead.
The last byte, 0x1F, is a checksum made up of the sum of all value from 0x00 to 0x1E. The number
must match to render the content of the EEPROM usable. Otherwise, the loading mechanism of FE1.1s
would discard the value from EEPROM and use default value instead.
NOV. 29, 2008 Subject to Change Without Notice 7
I‘
TERMINUS
ABSOLUTE MAXIMUM RATINGS
RECOMMENDED OPERATING RANGES
USB 2.0 4-Port Hub
Data Sheet Rev. 1.0
ELECTRICAL CHARACTERISTICS
ABSOLUTE MAXIMUM RATINGS
Parameter Symbol Min. Max. Unit
Storage Temperature TS -55 +150 ℃
Power Supply Voltage VDD5
VD33
VD18
-0.5
-0.5
-0.5
+6.0
+4.0
+2.5
V
ESD Human Body Mode -2000 2000 V
ESD Machine Mode -200 200 V
Latch Up -200 200 mA
RECOMMENDED OPERATING RANGES
Parameter Symbol Min. Typ. Max. Unit
Operating temperature TA 0 70 ℃
Operating voltage VDD5
VD33
VD18
4.5
3.0
1.62
5.0
3.3
1.8
5.5
3.6
1.98
V
LOW level voltage of digital input VIL -0.3 0.8 V
HIGH level voltage of digital input VIH 2.0 5.5 V
Threshold voltage of digital input VTH 1.45 1.58 1.74 V
Low-to-High level of schmitt-trigger input VT+ 1.44 1.5 1.56 V
High-to-Low level of schmitt-trigger input VT- 0.89 0.94 0.99 V
LOW level voltage of digital output@4mA VOL 0.4 V
HIGH level voltage of digital output@4mA VOH 2.4 V
NOV. 29, 2008 Subject to Change Without Notice 8
7‘
TERMINUS
DC SUPPLY CURRENT
USB 2.0 4-Port Hub
Data Sheet Rev. 1.0
POWER CONSUMPTION
DC SUPPLY CURRENT
Symbol Condition
Active ports Host Device
Typ. Unit
I_suspend Suspend 500 uA
Icc
4
Full-Speed 4x Full-Speed 25 mA
High-Speed 4x High-Speed 100 mA
High-Speed 4x Full-Speed 42 mA
3Full-Speed 3x Full-Speed 25 mA
High-Speed 3x High-Speed 86 mA
High-Speed 3x Full-Speed 42 mA
2
Full-Speed 2x Full-Speed 25 mA
High-Speed 2x High-Speed 71 mA
High-Speed 2x Full-Speed 42 mA
1
Full-Speed 1x Full-Speed 25 mA
High-Speed 1x High-Speed 57 mA
High-Speed 1x Full-Speed 42 mA
No active
Full-Speed 25 mA
High-Speed 42 mA
NOV. 29, 2008 Subject to Change Without Notice 9
l"§
TERMINUS
Gauge plane
&. 0 Z :00
HHHHHHHHHHHHHH
E1
E
HHUHHHHHHHHHHH
mm; m m Mun/31315 31mm Nmmis
Mm you MAX MIN VOW MAX
13% 16h 1" moss (v 064 0069
o m a F 0 0m 0 am
7" fl ,7 not: ,7
mm o 2 am 0005 can
u 19 0,15 mom 0,010
o 30 m on n 336 0394
< 30="" 6="" 2n="" n="" :22="" ,="" 0:44="" 320="" ,="" 40v;="" also="" ,.="" rm"="" a="" 40="" 1="" 27="" 0="" m5="" 0="" 0:0="" "7="" a="" m="" 0004="" x”="" a,="" b,="" 012="" 0005="" flmiref="" terminus="" technology="" inc.="" 1052,="" 10f,="" no.="" 3-2,="" yuanqu="" s'r.="" nangang="" taipei,="" taiwan,="" rog="">USB 2.0 4-Port Hub
Data Sheet Rev. 1.0
PACKAGE
28-pin SSOP (Body Size: 10x4 mm, Pitch: 0.64mm)
TERMINUS TECHNOLOGY INC.
1052, 10F, NO. 3-2, YUANQU ST. NANGANG
TAIPEI, TAIWAN, ROC
NOV. 29, 2008 Subject to Change Without Notice 10
原理图地址:
http://ishare.iask.sina.com.cn/f/20573757.html