6‘
MICRDCHIP
2015 Microchip Technology Inc. DS50002306B
EVB-USB5744
Evaluation Board
User’s Guide
YSTEM
DS50002306B-page 2 2015 Microchip Technology Inc.
Note the following details of the code protection feature on Microchip devices:
• Microchip products meet the specification contained in their particular Microchip Data Sheet.
• Microchip believes that its family of products is one of the most secure families of its kind on the market today, when used in the
intended manner and under normal conditions.
• There are dishonest and possibly illegal methods used to breach the code protection feature. All of these methods, to our
knowledge, require using the Microchip products in a manner outside the operating specifications contained in Microchip’s Data
Sheets. Most likely, the person doing so is engaged in theft of intellectual property.
• Microchip is willing to work with the customer who is concerned about the integrity of their code.
• Neither Microchip nor any other semiconductor manufacturer can guarantee the security of their code. Code protection does not
mean that we are guaranteeing the product as “unbreakable.”
Code protection is constantly evolving. We at Microchip are committed to continuously improving the code protection features of our
products. Attempts to break Microchip’s code protection feature may be a violation of the Digital Millennium Copyright Act. If such acts
allow unauthorized access to your software or other copyrighted work, you may have a right to sue for relief under that Act.
Microchip received ISO/TS-16949:2009 certification for its worldwide
headquarters, design and wafer fabrication facilities in Chandler and
Tempe, Arizona; Gresham, Oregon and design centers in California
and India. The Company’s quality system processes and procedures
are for its PIC® MCUs and dsPIC® DSCs, KEELOQ® code hopping
devices, Serial EEPROMs, microperipherals, nonvolatile memory and
analog products. In addition, Microchip’s quality system for the design
and manufacture of development systems is ISO 9001:2000 certified.
QUALITY MANAGEMENT S
YSTEM
CERTIFIED BY DNV
== ISO/TS 16949 ==
Information contained in this publication regarding device applications and the like is provided only for your convenience and may be
superseded by updates. It is your responsibility to ensure that your application meets with your specifications. MICROCHIP MAKES NO
REPRESENTATIONS OR WARRANTIES OF ANY KIND WHETHER EXPRESS OR IMPLIED, WRITTEN OR ORAL, STATUTORY OR
OTHERWISE, RELATED TO THE INFORMATION, INCLUDING BUT NOT LIMITED TO ITS CONDITION, QUALITY, PERFORMANCE,
MERCHANTABILITY OR FITNESS FOR PURPOSE. Microchip disclaims all liability arising from this information and its use. Use of Micro-
chip devices in life support and/or safety applications is entirely at the buyer’s risk, and the buyer agrees to defend, indemnify and hold
harmless Microchip from any and all damages, claims, suits, or expenses resulting from such use. No licenses are conveyed, implicitly or
otherwise, under any Microchip intellectual property rights unless otherwise stated.
Trademarks
The Microchip name and logo, the Microchip logo, dsPIC, FlashFlex, flexPWR, JukeBlox, KEELOQ, KEELOQ logo, Kleer, LANCheck,
MediaLB, MOST, MOST logo, MPLAB, OptoLyzer, PIC, PICSTART, PIC32 logo, RightTouch, SpyNIC, SST, SST Logo, SuperFlash and
UNI/O are registered trademarks of Microchip Technology Incorporated in the U.S.A. and other countries.
The Embedded Control Solutions Company and mTouch are registered trademarks of Microchip Technology Incorporated in the U.S.A.
Analog-for-the-Digital Age, BodyCom, chipKIT, chipKIT logo, CodeGuard, dsPICDEM, dsPICDEM.net, ECAN, In-Circuit Serial
Programming, ICSP, Inter-Chip Connectivity, KleerNet, KleerNet logo, MiWi, MPASM, MPF, MPLAB Certified logo, MPLIB, MPLINK,
MultiTRAK, NetDetach, Omniscient Code Generation, PICDEM, PICDEM.net, PICkit, PICtail, RightTouch logo, REAL ICE, SQI, Serial
Quad I/O, Total Endurance, TSHARC, USBCheck, VariSense, ViewSpan, WiperLock, Wireless DNA, and ZENA are trademarks of
Microchip Technology Incorporated in the U.S.A. and other countries.
SQTP is a service mark of Microchip Technology Incorporated in the U.S.A.
Silicon Storage Technology is a registered trademark of Microchip Technology Inc. in other countries.
GestIC is a registered trademarks of Microchip Technology Germany II GmbH & Co. KG, a subsidiary of Microchip Technology Inc., in
other countries.
All other trademarks mentioned herein are property of their respective companies.
© 2015, Microchip Technology Incorporated, Printed in the U.S.A., All Rights Reserved.
ISBN: 9781632776631
EU Declaration of Conformity
Manufacturer: Microchip Technology inc,
2355 W. Chandler Blvd.
Chandler, Arizona, 85224-6199
USA
This declaration of conformity is issued by the manufacturer.
The development/evaluation tool is designed to be used for research and development in a laboratory
environment. This development/evaluation tool is not a Finished Appliance. nor is it intended for
incorporation into Finished Appliances that are made commercially available as single functional units to
end users under EU EMC Directive 2004/108/EC and as supported by the European Commission’sGuide
for the EMC Directive 2004/108/EC (s"‘ February 2010),
This development/evaluation tool complies with EU RoHSZ Directive 2011/65/Eur
This development/evaluation tool, when incorporating wireless and radio-telecom functionality, is in
compliance with the essential requirement and other relevant provisions of the REFITE Directive
1999/5/EC and the FCC rules as stated in the declaration of conformity provided in the module
datasheetand the module product page available at www.microchip.com.
For information regarding the exclusive, limited warranties applicable to Microchip products, please see
Microchip‘s standard terms and conditions of sale, which are printed on our sales documentation and
available at www.microchip.com.
Signed for and on behalf of Microchip Technology Inc. at Chandler, Arizona, USA
I 2 -
Derek Carlson ' Date
VP Development Tools
2015 Microchip Technology Inc. DS50002306B-page 3
Object of Declaration: EVB-USB5744 Evaluation Board

EVB-USB5744 Evaluation Board User’s Guide
DS50002306B-page 4 2015 Microchip Technology Inc.
NOTES:
Q
MICRDCHIF
EVB-USB5744
EVALUATION BOARD
USER’S GUIDE
2015 Microchip Technology Inc. DS50002306B-page 5
Table of Contents
Preface ........................................................................................................................... 6
Introduction............................................................................................................ 6
Document Layout .................................................................................................. 6
Conventions Used in this Guide ............................................................................ 7
The Microchip Web Site ........................................................................................ 8
Development Systems Customer Change Notification Service ............................ 8
Customer Support ................................................................................................. 8
Document Revision History ................................................................................... 9
Chapter 1. Overview
1.1 Introduction ................................................................................................... 10
Chapter 2. Getting Started
2.1 Configuration ................................................................................................ 11
2.1.1 External SPI Flash ..................................................................................... 11
2.1.2 SMBus ....................................................................................................... 12
2.1.3 Configuration Source - Internal Default ..................................................... 12
2.1.4 Strapping Option ....................................................................................... 12
2.1.5 Port Power Options: Port Enable and Port Disable Select ........................ 13
2.2 Power Source - Self-Powered ...................................................................... 14
2.3 Downstream Port Power Control .................................................................. 14
Appendix A. EVB-USB5744 Evaluation Board
A.1 Introduction .................................................................................................. 15
Appendix B. EVB-USB5744 Evaluation Board Schematics
B.1 Introduction .................................................................................................. 16
Appendix C. Bill of Materials (BOM)
C.1 Introduction .................................................................................................. 19
Appendix D. EVB-USB5744 Silk Screens
D.1 Introduction .................................................................................................. 22
Worldwide Sales and Service .................................................................................... 24
Q
MICRDCHIF
EVB-USB5744
EVALUATION BOARD
USER’S GUIDE
2015 Microchip Technology Inc. DS50002306B-page 6
Preface
INTRODUCTION
This chapter contains general information that will be useful to know before using the
EVB-USB5744 Evaluation Board. Items discussed in this chapter include:
•Document Layout
•Conventions Used in this Guide
•The Microchip Web Site
•Development Systems Customer Change Notification Service
•Customer Support
•Document Revision History
DOCUMENT LAYOUT
This document describes how to use the EVB-USB5744 Evaluation Board as a
development tool for the USB5744 4 port USB 3.1 Gen 1 hub with battery charging
features.
•Chapter 1. “Overview” – Shows a brief description of the EVB-USB5744 Evalua-
tion Board.
•Chapter 2. “Getting Started” – Includes instructions on how to get started with
the EVB-USB5744 Evaluation Board.
•Appendix A. “EVB-USB5744 Evaluation Board” – This appendix shows the
EVB-USB5744 Evaluation Board.
•Appendix B. “EVB-USB5744 Evaluation Board Schematics” – This appendix
shows the EVB-USB5744 Evaluation Board schematics.
•Appendix C. “Bill of Materials (BOM)” – This appendix includes the
EVB-USB5744 Evaluation Board Bill of Materials (BOM).
•Appendix D. “EVB-USB5744 Silk Screens” – This appendix includes the
EVB-USB5744 Evaluation Board silk screens.
NOTICE TO CUSTOMERS
All documentation becomes dated, and this manual is no exception. Microchip tools and
documentation are constantly evolving to meet customer needs, so some actual dialogs
and/or tool descriptions may differ from those in this document. Please refer to our web site
(www.microchip.com) to obtain the latest documentation available.
Documents are identified with a “DS” number. This number is located on the bottom of each
page, in front of the page number. The numbering convention for the DS number is
“DSXXXXXA”, where “XXXXX” is the document number and “A” is the revision level of the
document.
For the most up-to-date information on development tools, see the MPLAB® IDE online help.
Select the Help menu, and then Topics to open a list of available online help files.
MPLAB®
FIIe>Save
Preface
2015 Microchip Technology Inc. DS50002306B-page 7
CONVENTIONS USED IN THIS GUIDE
This manual uses the following documentation conventions:
DOCUMENTATION CONVENTIONS
Description Represents Examples
Arial font:
Italic characters Referenced books MPLAB® IDE User’s Guide
Emphasized text ...is the only compiler...
Initial caps A window the Output window
A dialog the Settings dialog
A menu selection select Enable Programmer
Quotes A field name in a window or
dialog
“Save project before build”
Underlined, italic text with
right angle bracket
A menu path File>Save
Bold characters A dialog button Click OK
A tab Click the Power tab
N‘Rnnnn A number in verilog format,
where N is the total number of
digits, R is the radix and n is a
digit.
4‘b0010, 2‘hF1
Text in angle brackets < > A key on the keyboard Press <Enter>, <F1>
Courier New font:
Plain Courier New Sample source code #define START
Filenames autoexec.bat
File paths c:\mcc18\h
Keywords _asm, _endasm, static
Command-line options -Opa+, -Opa-
Bit values 0, 1
Constants 0xFF, ‘A’
Italic Courier New A variable argument file.o, where file can be
any valid filename
Square brackets [ ] Optional arguments mcc18 [options] file
[options]
Curly brackets and pipe
character: { | }
Choice of mutually exclusive
arguments; an OR selection
errorlevel {0|1}
Ellipses... Replaces repeated text var_name [,
var_name...]
Represents code supplied by
user
void main (void)
{ ...
}

EVB-USB5744 Evaluation Board User’s Guide
DS50002306B-page 8 2015 Microchip Technology Inc.
THE MICROCHIP WEB SITE
Microchip provides online support via our web site at www.microchip.com. This web
site is used as a means to make files and information easily available to customers.
Accessible by using your favorite Internet browser, the web site contains the following
information:
•Product Support – Data sheets and errata, application notes and sample
programs, design resources, user’s guides and hardware support documents,
latest software releases and archived software
•General Technical Support – Frequently Asked Questions (FAQs), technical
support requests, online discussion groups, Microchip consultant program
member listing
•Business of Microchip – Product selector and ordering guides, latest Microchip
press releases, listing of seminars and events, listings of Microchip sales offices,
distributors and factory representatives
DEVELOPMENT SYSTEMS CUSTOMER CHANGE NOTIFICATION SERVICE
Microchip’s customer notification service helps keep customers current on Microchip
products. Subscribers will receive e-mail notification whenever there are changes,
updates, revisions or errata related to a specified product family or development tool of
interest.
To register, access the Microchip web site at www.microchip.com, click on Customer
Change Notification and follow the registration instructions.
The Development Systems product group categories are:
•Compilers – The latest information on Microchip C compilers, assemblers, linkers
and other language tools. These include all MPLAB C compilers; all MPLAB
assemblers (including MPASM assembler); all MPLAB linkers (including MPLINK
object linker); and all MPLAB librarians (including MPLIB object librarian).
•Emulators – The latest information on Microchip in-circuit emulators.This
includes the MPLAB REAL ICE and MPLAB ICE 2000 in-circuit emulators.
•In-Circuit Debuggers – The latest information on the Microchip in-circuit
debuggers. This includes MPLAB ICD 3 in-circuit debuggers and PICkit 3 debug
express.
•MPLAB IDE – The latest information on Microchip MPLAB IDE, the Windows
Integrated Development Environment for development systems tools. This list is
focused on the MPLAB IDE, MPLAB IDE Project Manager, MPLAB Editor and
MPLAB SIM simulator, as well as general editing and debugging features.
•Programmers – The latest information on Microchip programmers. These include
production programmers such as MPLAB REAL ICE in-circuit emulator, MPLAB
ICD 3 in-circuit debugger and MPLAB PM3 device programmers. Also included
are nonproduction development programmers such as PICSTART Plus and
PIC-kit 2 and 3.
CUSTOMER SUPPORT
Users of Microchip products can receive assistance through several channels:
• Distributor or Representative
• Local Sales Office
• Field Application Engineer (FAE)
• Technical Support

Preface
2015 Microchip Technology Inc. DS50002306B-page 9
Customers should contact their distributor, representative or field application engineer
(FAE) for support. Local sales offices are also available to help customers. A listing of
sales offices and locations is included in the back of this document.
Technical support is available through the web site at:
http://www.microchip.com/support
DOCUMENT REVISION HISTORY
Revision Section/Figure/Entry Correction
DS50002306B (08-06-15) Updated “USB 3.0” references to “USB 3.1 Gen 1” throughout document
REV A - December 2014 Initial release of document
Q
MICRDCHIF
EVB-USB5744
EVALUATION BOARD
USER’S GUIDE
2015 Microchip Technology Inc. DS50002306B-page 10
Chapter 1. Overview
1.1 INTRODUCTION
The EVB-USB5744 Revision A is a demonstration and evaluation platform that provides the
necessary requirements and interface options for evaluating the USB5744 Ultra Fast four port
battery charging hub on a 4-layer RoHS-compliant Printed Circuit Board (PCB). This will allow
the user to gain an understanding of the product and accelerate the integration of the
EVB-USB5744 into the user’s design. The EVB-USB5744 is compliant with the USB 3.1 Speci-
fication and supports SuperSpeed (SS), High-Speed (HS), Full-Speed (FS), and Low-Speed (LS)
USB signaling for complete coverage of all defined USB operation speeds. The evaluation plat-
form supports four downstream ports that are USB 2.0 and USB 3.1 Gen 1 compliant. The
EVB-USB5744 platform also supports battery charging on all four downstream ports (maximum
of 5A at any one time). The EVB-USB5744 is configured for operation through internal default
settings and supports custom configurations through SMBus or through the external 64-Mbit SPI
Flash device, U8. The EVB-USB5744 demonstrates driver compatibility with Microsoft® Win-
dows® 8x, Windows 7, Windows XP, Mac OS® X 10.4+, and Linux® hub drivers.
The EVB-USB5744 provides the following features:
• USB5744 in a 56-pin QFN RoHS compliant package
• USB 3.1 Gen 1 compliant (SS, HS, FS, and LS operation)
• USB pins are 5 V tolerant
• Self powered operation
• Four downstream USB 2.0/ USB 3.1 Gen 1 ports
• All downstream ports support individual port power and overcurrent sense
• All downstream ports are battery charge enabled (2.1A max per port)
• Can support up to 5A down stream Port Power at any one time
• Onboard SPI Flash for external downloadable firmware
• Low-cost 4-layer space saving design
• Operates from a single voltage (+12.0 V, regulated) external power supply
• Onboard 25 MHz crystal or external clock input
• Single onboard +5.25 V, 6 Amp regulator
• Single onboard +3.3 V, 0.5 Amp regulator
• Single onboard +1.2 V, 1 Amp regulator
• Port Power and Port Enable LED indicators
• LED indicators for SPI/Strap Configuration
MICRDCHIFI
o by
EVB-USB5744
EVALUATION BOARD
USER’S GUIDE
2015 Microchip Technology Inc. DS50002306B-page 11
Chapter 2. Getting Started
The Microchip EVB-USB5744 is designed for flexible configuration solutions. It can be
configured via default internal register settings, downloadable external firmware to an
onboard SPI Flash, through SMBus, or through the onboard configuration switches.
When configured with the default internal register settings, the device operates as a
USB 3.1 Gen 1 / USB 2.0 hub with four battery charge enabled USB ports and Micro-
chip’s standard VID/PID/DID settings.
2.1 CONFIGURATION
2.1.1 External SPI Flash
Upon power-up, the USB5744 first looks for an external SPI Flash device and a valid
signature in the flash. If one is found, the external ROM is enabled and code execution
is initiated from the external SPI device.
To select the SPI device, set the Config. Select switch to "SPI", position 1-2. The blue
LED will light. Note that the CFG_BC and CFG_Non-Rem options are now de-selected.
All configuration in SPI mode is done by the SPI.
FIGURE 2-1: SPI SELECT
The 10 kΩ pull-up resistors (R42 and R58) on the SPI device’s Write Protect (WPn) and Hold
(HOLDn) pins must also be populated in order to use external flash. The 10 kΩ pull-up resistor
(R61) on the SPI_CE_N pin of the USB5744 must also be populated in order to select 60MHz
SPI operation, as opposed to 30MHz operation. Additionally there must be a jumper placed on
Note: If the SPI Flash is not properly programmed or has an invalid signature, the
USB5744 will default to internal defaults even if the SPI Flash is selected.
EVB-USB5744 Evaluation Board User’s Guide
DS50002306B-page 12 2015 Microchip Technology Inc.
J10 in order to enable the SPI device.The external flash can be programmed using the Microchip
ProTouch MPT software tool which can be downloaded from the Microchip website at
http://www.Microchip.com/ProTouch.
2.1.2 SMBus
If an SPI Flash device is not found, the firmware checks if the SMBus is enabled. The
SMBus can operate in either legacy mode (USB 2.0 only) or advanced mode (access
to both USB 2.0 and USB 3.1 Gen 1 registers). When using SMBus, the default config-
uration is for it to run in the advanced mode.
To select SMBus configuration, set the Config. Select switch to "Strap", position 2-3.
The green LED will light.
The SMBus must have correct pull up resistors applied by external circuitry to function
properly. The SMBus signals may be accessed at J8, pins 1 and 3.
Remember, if configured for SMBus operation the USB5744 will wait indefinitely for
data from the SMBus.
FIGURE 2-2: SMBUS SELECT
2.1.3 Configuration Source - Internal Default
When the USB5744 does not detect a valid SPI Flash image or SMBus configuration
upon power-up, the EVB-USB5744 uses internal default register settings. It also sets
the Vendor ID, Product ID, Language ID, and Device ID, and additional settings from
internal ROM code.
2.1.4 Strapping Option
If configuration is not done through SPI, additional configuration is available through
two functions: CFG_BC and CFG_Non-Rem. The controls are configured by selecting
on of six resistor values for each pin. These are read by the USB5744 device and the
BC and Non-Rem behavior of the downstream facing ports are determined.
Note: Refer to the Protouch MPT User Manual on using this software to program
the configuration.
2015 Microchip Technology Inc. DS50002306B-page 13
To use the strapping option, set the Config. Select switch to "Strap", position 2-3. The
green LED will light. Select the desired CFG_BC and CFG_Non-Rem options by
enabling only one position for each of the Config_Bat_Chrg Select and Con-
fig_Non_Rem Select switches (SW5 and SW6).
FIGURE 2-3: STRAPPING OPTIONS
2.1.5 Port Power Options: Port Enable and Port Disable Select
Any downstream facing port on the EVB-USB5744 can be disabled if desired. When
both DP & DM signals are pulled up to +3.3V, by default the USB5744 automatically
disables the port, reports the corrected number of available ports to the host, and drives
the PRT_CTRL line for the disabled port(s) low.
To enable a port, use its Port Enable switch to select the “EN.” position. The associated
“Enabled” LED will light.
To disable a port, slide its Port Enable switch to the “Dis.” position. The “Enabled” LED
will extinguish.
TABLE 2-1: STRAPPING OPTIONS FOR BATTERY CHARGING
SW5 Position Configuration
1 No BC Enabled
2 Port 1 is BC Enabled
3 Port 1 & 2 are BC Enabled
4 Port 1, 2 & 3 are BC Enabled
5 Port 1, 2, 3 & 4 are BC Enabled [default]
6 Reserved
TABLE 2-2: STRAPPING OPTIONS FOR PORT REMOVABLE
SW6 Position Configuration
1 All ports are Removable [default]
2 Port 1 is Non-Removable
3 Port 1 & 2 are Non-Removable
4 Port 1, 2 & 3 are Non-Removable
5 Port 1, 2, 3 & 4 are Non-Removable
6 Reserved
Up gym ,_ E
é'g
EVB-USB5744 Evaluation Board User’s Guide
DS50002306B-page 14 2015 Microchip Technology Inc.
The table below describes the port enable/disable strap options available for all four
ports on the USB5744.
2.2 POWER SOURCE - SELF-POWERED
The EVB-USB5744 only supports self-powered operation, and is powered through one +12.0 V
regulated 'wall wart' external power supply. The power supply plugs into the 2.5 mm connector
J9 on the board. Alternatively, an external voltage can be injected onto the J6 Ext. 12 V header,
which is not populated by default. The +12.0 V feeds a 6 A regulator which outputs +5.25 V
across the board. This +5.25 V output supplies the +3.3 V and +1.2 V onboard regulators.
2.3 DOWNSTREAM PORT POWER CONTROL
USB power to the four downstream ports are controlled via port power controllers with
auto-discharge function. This provides up to 2.1 A of USB battery charging power to
each port, limited to a total of 5 A at any one time.
FIGURE 2-4: INITIAL CONFIGURATION
TABLE 2-3: PORT ENABLE/DISABLE STRAP OPTIONS
Downstream
Port
Associated
Switch Switch Position LED
1 SW1 1-2, 4-5 = Port Enabled (Default)
2-3, 5-6 = Port Disabled
2 SW2 1-2, 4-5 = Port Enabled (Default)
2-3, 5-6 = Port Disabled
3 SW3 1-2, 4-5 = Port Enabled (Default)
2-3, 5-6 = Port Disabled
4 SW4 1-2, 4-5 = Port Enabled (Default)
2-3, 5-6 = Port Disabled
MICRDCHIF
czal- I]
‘3' mg .vomz
.' 'Mlc
t.”
m
H
c‘
9‘
an
PM
Itm‘
“NP 5:324:50
2015 Microchip Technology Inc. DS50002306B-page 15
EVB-USB5744
EVALUATION BOARD
USER’S GUIDE
Appendix A. EVB-USB5744 Evaluation Board
A.1 INTRODUCTION
This appendix shows the EVB-USB5744 Evaluation Board.
FIGURE A-1: EVB-USB5744 EVALUATION BOARD
Q
MICRDCHIF
2015 Microchip Technology Inc. DS50002306B-page 16
EVB-USB5744
EVALUATION BOARD
USER’S GUIDE
Appendix B. EVB-USB5744 Evaluation Board Schematics
B.1 INTRODUCTION
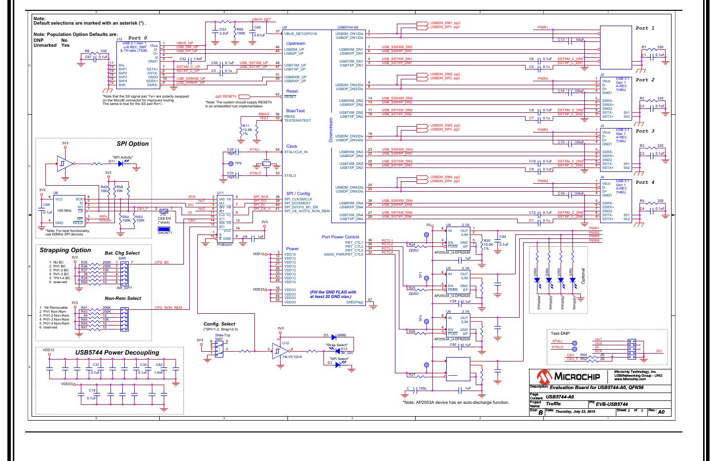
This appendix shows the EVB-USB5744 Evaluation Board Schematics.
SP! apnea
WWW.“
EVB-USB5744 Evaluation Board Schematics
2015 Microchip Technology Inc. DS50002306B-page 17
FIGURE B-1: EVB-USB5744 EVALUATION BOARD SCHEMATIC 1
5
5
4
4
3
3
2
2
1
1
D D
C C
B B
A A
Test-DNP
*Note: The system should supply RESETn
in an embedded hub implementation.
Port 0
DNP
Unmarked
Note: Population Option Defaults are:
No
Yes
Note:
Default selections are marked with an asterisk (*) .
*Note that the SS signal pair Tx+/ are polarity swapped
on the MicroB connector for improved routing.
The same is true for the SS pair Rx+/-.
6
Bat. Chg Select
Non-Rem Select
reserved
Prt1 Non-Rem
*All Removable
Prt1-4 Non-Rem
Prt1-3 Non-Rem
Prt1-2 Non-Rem
Strapping Option
Prt1-2 BC
Prt1-3 BC
*Prt1-4 BC
No BC
Prt1 BC
reserved
(*short)
*Note: For best functionality,
use 60MHz SPI devices
SPI Option
"SPI Activity"
CE# EN
4
3
1
2
6
5
5
4
3
1
2
USB5744 Power Decoupling
Port 1
Port 2
Port 3
Port 4
"SPI Select"
Config. Select
"Strap Select"
(*SPI=1-2, Strap=2-3)
*Note: AP2553A device has an auto-discharge function.
Optional
"PPWR2"
"PPWR1"
"PPWR3"
"PPWR4"
VBUS_UP
USB_DM_UP
USB_DP_UP
SSTXM_C_UP
SSTXP_C_UP
USB_SSTXM_UP
RBIAS
TEST
USB_SSRXM_UP
USB_SSRXP_UP
SCK
DI
VBUS_DET
XTALI
rsv2
rsv1
DO
XTALO
USB_SSTXP_UP
XTALI
XTALO
CEn
CEn_F
CFG_BC
CEn_F
DI
DO
CEn
SCK
rsv1
rsv2
CFG_NON_REM
SPI_CE_n
HOLDn
WPn
SPI_SCK
SPI_DO
SPI_DI
PWR2
PWR3
SSTXP_C_DN4
PWR4
SSTXM_C_DN3
SSTXP_C_DN2USB_SSTXP_DN2
USB_SSTXM_DN2
SSTXP_C_DN3
USB_SSTXM_DN3
USB_SSTXP_DN3
USB_SSRXM_DN1
USB_SSRXP_DN1
USB_SSRXM_DN2
USB_SSRXP_DN2
USB_SSRXP_DN3
USB_SSRXM_DN3
SSTXM_C_DN1
SSTXP_C_DN1USB_SSTXP_DN1
USB_SSTXM_DN1
SSTXM_C_DN4
USB_SSTXP_DN4
USB_SSTXM_DN4
USB_SSRXM_DN4
USB_SSRXP_DN4
SSTXM_C_DN2
PWR1
PWR3
PWR2
PWR1
PWR4
PCTL4
PCTL2
PCTL3
PCTL1
3V3
3V3
3V3
3V3
3V3
3V3
VDD12
VDD33
VDD12
VDD33
3V3
3V3
5V
RESETnpg3
USBDN_DM1 pg3
USBDN_DP1 pg3
USBDN_DM2 pg3
USBDN_DP2 pg3
USBDN_DM3 pg3
USBDN_DP3 pg3
USBDN_DM4 pg3
USBDN_DP4 pg3
Description:
Size:
PN:
Rev.:Date: Sheet of
Project
Page
Microchip Technology, Inc.
USB/Networking Group - UNG
www.Microchip.com
Name:
Content:
EVB-USB5744
A0
Evaluation Board for USB5744-A0, QFN56
B
23
Thursday, July 23, 2015
Truffle
USB5744-A0
Description:
Size:
PN:
Rev.:Date: Sheet of
Project
Page
Microchip Technology, Inc.
USB/Networking Group - UNG
www.Microchip.com
Name:
Content:
EVB-USB5744
A0
Evaluation Board for USB5744-A0, QFN56
B
23
Thursday, July 23, 2015
Truffle
USB5744-A0
Description:
Size:
PN:
Rev.:Date: Sheet of
Project
Page
Microchip Technology, Inc.
USB/Networking Group - UNG
www.Microchip.com
Name:
Content:
EVB-USB5744
A0
Evaluation Board for USB5744-A0, QFN56
B
23
Thursday, July 23, 2015
Truffle
USB5744-A0
C62
1.0nF
R35 200K
C34
0.1uF
C55
0.1uF
+
C16 150uF
R40 10
D3 GRN
C18
0.1uF
D2 GRN
SW7
Slide-Top
23
1
4
56
C31
0.1uF
C57
0.1uF
Power
Reset
Port Power Control
(Fill the GND FLAG with
at least 20 GND vias.)
Upstream
Downstream
Clock
SPI / Config
Bias/Test
U0 USB5744-A0
USBDP_DN1/Dis 1
USBDM_DN1/Dis 2
USBTXP_DN1 3
USBTXM_DN1 4
USBRXP_DN1 6
USBRXM_DN1 7
USBDM_DN2/Dis 9
USBRXM_DN2 14
VDD12
15
VDD33
16
USBDP_DN3/Dis 17
USBDM_DN3/Dis 18
USBTXP_DN3 19
USBTXM_DN3 20
VDD12
21
USBRXP_DN3 22
USBRXM_DN3 23
USBDP_DN4/Dis 24
USBDM_DN4/Dis 25
USBTXP_DN4 26
USBTXM_DN4 27
VDD12
28
RESET
42
SPI_CE_N/CFG_NON_REM
41 SPI_DI/CFG_BC_EN
40 SPI_DO/SMDAT
39 SPI_CLK/SMCLK
38
VBUS_DET/GPIO16
37
PRT_CTL1 36
PRT_CTL2 35
PRT_CTL3 34
VDD12
33
GANG_PWR/PRT_CTL4 32
VDD33
31
RBIAS
56
XTALI/CLK_IN
54
XTALO
53
TESTEN/ATEST
52
USBRXM_UP
51
USBRXP_UP
50
VDD12
49
USBTXM_UP
48
USBTXP_UP
47
USBDM_UP
46
USBDP_UP
45
VDD33
44
VDD12
43
VDD12
12
USBTXP_DN2 10
USBDP_DN2/Dis 8
USBTXM_DN2 11
VDD12
5
USBRXP_DN2 13
USBRXP_DN4 29
USBRXM_DN4 30
GND(Flag) 57
VDD33
55
C2 0.1uF
TP13
D4 GRN
R23
10.0K
1%
R37 10K
USB 3.1 Gen 1
u-B REC, SMT
& TH tabs (TID#)
J12
Vbus 1
D- 2
D+ 3
GND1 5
ShP1
13
SSRX+ 10
SSRX- 9
GND2 8
SSTX+ 7
SSTX- 6
ShR
12
ShL
11
id 4
ShP2
14
ShP3
15
ShP4
16
+
C14 150uF
TP9
R8
330
TP3
C10 0.1uF
R11
12.0K
1%
USB 3.1
Gen 1
A-REC
THRU
J4
Vbus
1
D-
2
D+
3
GND1
4
Sh1 12
Sh2 13
SSRX+
6SSRX-
5
GND2
7
SSTX+
9SSTX-
8
U8
>60 MHz CS 1
SO 2
WP 3
HOLD 7
SCK 6
SI 5
VCC
8
GND
4
C24
1.0nF
C59 0.1uF
U5
AP2553A_U-DFN2020-6
2.1A
EN
4
FLAG
3GND 5
IN
6OUT 1
EP 7
ILIM 2
R1 330
R47 10
R52 ZERO
R58
10K
C12 0.1uF
R45 10K
C26
1.0nF
C20
0.1uF
R24
ZERO
+
C15 150uF
R43 200K
C67 0.1uF
C60 0.1uF
U6
AP2553A_U-DFN2020-6
2.1A
EN
4
FLAG
3GND 5
IN
6OUT 1
EP 7
ILIM 2
R20
10.0K
1%
R54
100K
C33
16pF
C9 0.1uF
R5
330
C44
0.1uF
D13
Br_Grn
C3 0.1uF
C19
0.1uF
R42
10K
USB 3.1
Gen 1
A-REC
THRU
J3
Vbus
1
D-
2
D+
3
GND1
4
Sh1 12
Sh2 13
SSRX+
6SSRX-
5
GND2
7
SSTX+
9SSTX-
8
R53
100K
C41
0.1uF
R4 330
U12
74LVC1G14
2 4
53
(gnd)
(nc/5V)
(nc/5V)
(mosi)
(gnd)
(ss2/scl)
(ss3/sda)
(miso)
(sclk)
(ss1)
J8
Aardvark_I/F
1
3 4
2
5 6
7 8
9 10
R27
ZERO
C53
2.2uF
R46 10
J10
12
R25
ZERO
C43
0.1uF
+
C17 150uF
C6 0.1uF
R22
10.0K
1%
C38
0.1uF
TP1
SW5
SW_SIP7
1
2
4
5
3
6
7
R36 200K
C22
4.7uF
DNP
R62
100K
C54
0.1uF
C8 0.1uF
SHUNT1
C21
4.7uF
DNP
C40
0.1uF
U11
PI3B3257
IA0
2
IA1
3YA 4
IB0
5
IB1
6YB 7
YC 9
YD 12
IC0
11
IC1
10
ID0
14
ID1
13
S
1
E
15
VCC 16
GND 8
USB 3.1
Gen 1
A-REC
THRU
J2
Vbus
1
D-
2
D+
3
GND1
4
Sh1 12
Sh2 13
SSRX+
6SSRX-
5
GND2
7
SSTX+
9SSTX-
8
R39 10
C56
0.1uF
U4
AP2553A_U-DFN2020-6
2.1A
EN
4
FLAG
3GND 5
IN
6OUT 1
EP 7
ILIM 2
C65
0.01uF
USB 3.1
Gen 1
A-REC
THRU
J1
Vbus
1
D-
2
D+
3
GND1
4
Sh1 12
Sh2 13
SSRX+
6SSRX-
5
GND2
7
SSTX+
9SSTX-
8
U7
AP2553A_U-DFN2020-6
2.1A
EN
4
FLAG
3GND 5
IN
6OUT 1
EP 7
ILIM 2
R67
1K
C61 0.1uF
R41 200K
C11 0.1uF
C29
16pF
D1 GRN
R64
10K
C68 0.1uF
R7
330
C4 0.1uF
C7 0.1uF
SW6
SW_SIP7
1
2
4
5
3
6
7
C52 1.0nF
TP7
C1 0.1uF
C5 0.1uF
R55 ZERO
C50 0.1uF
TP5
Y1
25MHz
13
2 4
R57
1K
R66 330
D31 MMBD914
C23
0.1uF
R61
10K
R6
330
D14
Blue
C25
1.0nF
TP4
R2 330
C58 0.1uF
R26
ZERO
D11
Blue
C51 0.1uF
R12
1K
R21
10.0K
1%
R60 100K
R3 330
C42
0.1uF
R44 10K
R38 10K
U9
74LVC1G14
2 4
53
C30
0.1uF
+
C13 150uF
Power
Regulation
4 Reset
LA—Ms
L
Pan Disable Strap Oprlun m , m 1,, o El ‘0 mm W—e
m . m m aw. ( ”\xl
EVB-USB5744 Evaluation Board User’s Guide
DS50002306B-page 18 2015 Microchip Technology Inc.
FIGURE B-2: EVB-USB5744 EVALUATION BOARD SCHEMATIC 2
5
5
4
4
3
3
2
2
1
1
D D
C C
B B
A A
"Port 1 Enabled"
*Note: Pull up both DP and DM on a port to disable it.
Port Disable Strap Option
"Port 2 Enabled" "Port 3 Enabled" "Port 4 Enabled"
"Reset"
(*1-2, Port Enabled, 2-3, Port Disabled)
Port 1 Port 2 Port 3 Port 4
5V25 Regulator, <6A
Ext. 12V
*Note: VDD12 should come up before VDD33.
1V2 Regulator, 1A
"3V3 Present"
3V3 Regulator, >200 mA
with PwrGood
Ext_Rst
-RESET-
12V In Power
Regulation
& Reset
1V2_REG
LED_P
12V_EXT
EN3
LED_P
1V2_REG5V_REG_1V2
5V_REG_3V3
EN12
3V3
3V3
3V33V33V33V3
VDD12
VDD333V3
5V
5V
VDD12
3V3
VDD33
3V3
USBDN_DM1pg2
USBDN_DP1pg2
USBDN_DM2pg2
USBDN_DP2pg2 USBDN_DP3pg2
USBDN_DM3pg2
USBDN_DP4pg2
USBDN_DM4pg2
RESETn pg2
Description:
Size:
PN:
Rev.:Date: Sheet of
Project
Page
Microchip Technology, Inc.
USB/Networking Group - UNG
www.Microchip.com
Name:
Content:
EVB-USB5744
A0
Evaluation Board for USB5744-A0, QFN56
B
33
Thursday, July 23, 2015
Truffle
Regulators & Configuration
Description:
Size:
PN:
Rev.:Date: Sheet of
Project
Page
Microchip Technology, Inc.
USB/Networking Group - UNG
www.Microchip.com
Name:
Content:
EVB-USB5744
A0
Evaluation Board for USB5744-A0, QFN56
B
33
Thursday, July 23, 2015
Truffle
Regulators & Configuration
Description:
Size:
PN:
Rev.:Date: Sheet of
Project
Page
Microchip Technology, Inc.
USB/Networking Group - UNG
www.Microchip.com
Name:
Content:
EVB-USB5744
A0
Evaluation Board for USB5744-A0, QFN56
B
33
Thursday, July 23, 2015
Truffle
Regulators & Configuration
R65
100K
FB2
2A/0.05DCR
DNP
D6
REDDNP
U3
6_Amp GND 3
VIN
2
ENABLE
1TRIM 5
VOUT 4
D12
Red
R32 1KR29 1K
C32
0.1uFDNP
D10 Br_Grn
C39
10uF
TP10
J11 12
C48
1.0nF
TP6
FB4
2A/0.05DCR
J9
2.5 mm 1
2
3
R30 1K
R13
47K
MT2
C37
0.1uF
C49
1.0nF
C27
0.1uF
TP12
R9
ZERO
R59 20
SW2
Slide-Top
ON-ON
23
1
4
56
D30
MMBD914
TP14
R63
1K
C47
0.1uF
R33
1.91K
1%
D5
Br_Grn
C45
4.7uF
D7 Br_Grn
SW3
Slide-Top
ON-ON
23
1
4
56
TP2
C64 1.0nF
R34
29.4K
1%
DNP
U10
74LVC1G14
2 4
53
R56
255
1%
FB3
2A/0.05DCR
SW8
1
2
3
4
TP11
D8 Br_Grn D9 Br_Grn
C63
10uF
MT1
J6
DNP
12
FB1
2A/0.05DCR
DNP
R16 150K
1%
U1
3_Amp GND 3
VIN
2
ENABLE
1TRIM 5
VOUT 4
C28
10uF
C46
10uF
25V
R31 1K
R28
1K
SW4
Slide-Top
ON-ON
23
1
4
56
C35
1.0uF
C36
4.7uF
TP15
R15
21.0K
1%
R14
ZERO
R10
ZERO
TP8
U2
MCP1725-ADJ_SOIC8
500mA
GND
4
VIN1
1VOUT 8
Shdn
3ADJ 7
Cdelay
6PWRGD 5
VIN2
2
C66 0.1uF
SW1
Slide-Top
ON-ON
23
1
4
56
Q
MICRDCHIF
2015 Microchip Technology Inc. DS50002306B-page 19
EVB-USB5744
EVALUATION BOARD
USER’S GUIDE
Appendix C. Bill of Materials (BOM)
C.1 INTRODUCTION
This appendix includes the EVB-USB5744 Evaluation Board Bill of Materials (BOM).

EVB-USB5744 Evaluation Board User’s Guide
DS50002306B-page 20 2015 Microchip Technology Inc.
TABLE C-1: EVB-USB5744 EVALUATION BOARD BILL OF MATERIALS
Item Qty Reference Designator(s) Description Manufacturer Manufacturer Part Number
1 41 C1,C2,C3,C4,C5,C6,C7,C8,C9,C10,C11,C12,
C18,C19,C20,C23,C27,C30,C31,C34,C37,
C38,C40,C41,C42,C43,C44,C47,C50,C51,C5
4,C55,C56,C57,C58,C59,C60,C61,C66,C67,C
68
Capacitor, 0.1uF, 10%, 25V, X5R, 0402 Murata GRM155R61E104KA87D
2 5 C13,C14,C15,C16,C17 Capacitor, Low ESR, 150uF, 6.3VDC, 20%, Aluminum,
Radial-SMT, 5mm x 5.7mm
Lelon VZS151M0JTR-0506
4 8 C24,C25,C26,C48,C49,C52,C62,C64 Capacitor, 1000pF, 50V, 10%, X7R, 0402 Murata GRM155R71H102KA01D
5 2 C28,C39 Capacitor, 10uF, 6.3VDC, 20%, X5R, 0603 Murata GRM188R60J106ME47D
6 2 C29,C33 Capacitor, 16pF, 50V, 2%, NPO, 0402 Murata GRM1555C1H160GA01D
8 1 C35 Capacitor, 1.0uF, 16VDC, 10%, X5R, 0603 Murata GRM188R61C105KA93D
9 2 C36,C45 Capacitor, 4.7uF, 6.3VDC, 20%, X5R, 0603 Murata GRM188R60J475KE19D
10 2 C46,C63 Capacitor, 10uF, 25 VDC, 10%, 0805 Murata GRM21BR61E106KA73L
11 1 C53 Capacitor, 2.2uF, 6.3VDC, 10%, X5R, 0603 Murata GRM185R60J225KE26D
12 1 C65 Capacitor, 0.01uF, 25V, 10%, X7R, 0402 Panasonic ECJ-0EB1C103K
13 4 D1,D2,D3,D4 LED, Green, 3mm, Diffused, 0.2" CL-vert, TH, Right Angle Lumex SSF-LXH103GD
14 6 D5,D7,D8,D9,D10,D13 LED, Bright Green, 0603 Liteon LTST-C191KGKT
16 2 D11,D14 LED, Blue, 0603 Stanley Electric DB1111C-TR
17 1 D12 LED, Red, 0603 Stanley Electric BR1111C-TR
18 2 D30,D31 Diode, MMBD914LT, Fast Switching, 100VDC, 200mA,
SOT-23
On Semiconductors MMBD914LT1
20 2 FB3,FB4 Ferrite Bead, 220 Ohm, 2A, 0.05DCR, 0603 Murata BLM18EG221SN1D
21 9 R1,R2,R3,R4,R5,R6,R7,R8,R66 Resistor, 330, 5%, 1/16W, 0603 Panasonic ERJ-3GEYJ331V
22 8 R9,R10,R14,R24,R25,R26,R27,R55 Resistor, ZERO, 0.1W, 0603 Panasonic ERJ-3GEY0R00V
24 1 R11 Resistor, 12.0K, 1%, 1/16W, 0603 Panasonic ERJ-3EKF1202V
25 9 R12,R28,R29,R30,R31,R32,R57,R63,R67 Resistor, 1K, 5%, 1/16W, 0603 Panasonic ERJ-3GEYJ102V
26 1 R13 Resistor, 47K, 5%, 1/16W, 0603 Yageo America 9C06031A4702JLHFT
27 1 R15 Resistor, 21.0K, 1%, 1/10W, 0603 Panasonic ERJ-3EKF2102V
28 1 R16 Resistor, 150K, 1%, 1/16W, 0603 Panasonic ERJ-3EKF1503V
29 4 R20,R21,R22,R23 Resistor, 10.0K, 1%, 1/16W, 0603 Rohm MCR03EZHF1002
30 1 R33 Resistor, 1.91K, 1%, 1/10W, 0603 Stackpole Electronics RMCF0603FT1K91
32 4 R35,R36,R41,R43 Resistor, 200K, 5%, 1/10W, 0603 Vishay/Dale CRCW0603200KJNEB
33 8 R37,R38,R42,R44,R45,R58,R61,R64 Resistor, 10K, 5%, 1/16W, 0603 Panasonic ERJ-3GEYJ103V

Bill of Materials (BOM)
2015 Microchip Technology Inc. DS50002306B-page 21
34 4 R39,R40,R46,R47 Resistor, 10, 5%,1/16W, 0603 Yageo America 9C06031A10R0JLHFT
35 5 R53,R54,R60,R62,R65 Resistor, 100K, 5%, 1/16W, 0603 Panasonic ERJ-3GEYJ104V
36 1 R56 Resistor, 255, 1%, 1/10W, 0603 Panasonic ERJ-3EKF2550V
37 1 R59 Resistor, 20, 5%, 1/10W, 0603 Panasonic ERJ-3GEYJ200V
39 2 J10,J11 Header, 1 x 2, 0.1 Inch, Vertical FCI 68000-236HLF
41 1 J12 Receptacle, USB 3.1 Gen 1, Style MicroB, Right Angle,
SMT, with TID#, TH Tabs
Hirose Electric Co Ltd ZX360D-B-10P
42 4 J1,J2,J3,J4 Receptacle, USB 3.1 Gen 1, Style A, Right Angle,
Through-hole
Amphenol GSB311131HR
43 1 J9 Connector, Power Jack, 2.5 mm x 5.5 mm, 12 V, 4 A,
Right Angle, TH
Cui Stack PJ-002BH
44 5 SW1,SW2,SW3,SW4,SW7 Switch, DPDT, Slide, Sub-Mini, Top Actuator, TH C&K JS202011CQN
45 2 SW5,SW6 Switch Array, SPST, 6 Position, SIP-7 CK SPA06B
46 1 SW8 Switch, Momentary, SPST, 50mA, J-lead, NO, MicroMini C&K Components PTS810 SJM 250 SMTR LFS
47 1 U0 IC, USB5744 USB 3.1 Gen 1 Hub, 4 port, QFN56 Microchip USB5744_A0
48 1 U1 IC, DC-DC Converter Module, 0.591-6 Vout, ~12 Vin,
0.591-6 VDC out, 3A, 5 pin SIP, 0.41" Wide
Murata OKR-T/3-W12-C
49 1 U3 IC, DC-DC Converter Module, 0.591-6 Vout, ~12 Vin,
0.591-6 VDC out, 6A, 5 pin SIP, 0.41" Wide
Murata OKR-T/6-W12-C
50 1 U2 IC, MCP1725-ADJE/SN, LDO Regulator, Adj., 500 mA,
SOIC8
Microchip MCP1725(T)-ADJE/SN
51 4 U4,U5,U6,U7 IC, AP2553AFDC-7, Power Distribution Switch,
U-DFN2020-6
Diodes Inc. AP2553AFDC-7
52 1 U8 IC, Flash, SPI, SST25VF064C, 64Mb (8M x 8), 2.7V-3.3V,
75MHz (Dual Read), SO8
Microchip SST25VF064C-80-4I-S3AE
53 3 U9,U10,U12 IC, 74LVC1G14, Inverter, Shottky, DCK TI SN74LVC1G14DCKR
54 1 U11 IC, PI3B3257, Quad 2:1 Mux, 3.3V, QSOP-16 Pericom PI3B3257QE
55 1 Y1 Crystal, 25.000MHz, 30ppm, 10pF, SMT 3.2MM X 2.5MM Abracon ABM8G-25.000MHZ-B4Y-T
56 2 SHUNT1 Shunt, Insulated, 0.1 Inch TE Connectivity 881545-2
57 4 -none Foot, Silicone Rubber, Adhesive, Clear, Cylindrical,
.500"x.250"
Bumper Specialties RBS-6
58 1 LBL-SERNO Label, Serial Number, Laminated, 250 x 800 Brother 1/4" x 0.8"
59 1 LBL-ASSY1 Label, Assembly Number, Laminated, 250 x 800,
"EVB-USB5744_A0"
Brother 1/4" x 0.8"
60 1 PCB Fab PCB, Truffle (EVB-USB5744), Rev. A Truffle_A
61 1 Assembly Assembly, Truffle (EVB-USB5744), Rev. A0 Truffle_A0
TABLE C-1: EVB-USB5744 EVALUATION BOARD BILL OF MATERIALS (CONTINUED)
Item Qty Reference Designator(s) Description Manufacturer Manufacturer Part Number
MICRDCHIP
n
oo-
0
2015 Microchip Technology Inc. DS50002306B-page 22
EVB-USB5744
EVALUATION BOARD
USER’S GUIDE
Appendix D. EVB-USB5744 Silk Screens
D.1 INTRODUCTION
This appendix shows the EVB-USB5744 Top and Bottom Silk Screen images.
FIGURE D-1: EVB-USB5744 TOP SILK SCREEN
.m u
DS50002306B-page 23 2015 Microchip Technology Inc.
FIGURE D-2: EVB-USB5744 BOTTOM SILK SCREEN
6‘
‘MICROCHIP
AMERICAS ASIA/PACIFIC ASIA/PACIFIC EUROPE
DS50002306B-page 24 2015 Microchip Technology Inc.
AMERICAS
Corporate Office
2355 West Chandler Blvd.
Chandler, AZ 85224-6199
Tel: 480-792-7200
Fax: 480-792-7277
Technical Support:
http://www.microchip.com/
support
Web Address:
www.microchip.com
Atlanta
Duluth, GA
Tel: 678-957-9614
Fax: 678-957-1455
Austin, TX
Tel: 512-257-3370
Boston
Westborough, MA
Tel: 774-760-0087
Fax: 774-760-0088
Chicago
Itasca, IL
Tel: 630-285-0071
Fax: 630-285-0075
Cleveland
Independence, OH
Tel: 216-447-0464
Fax: 216-447-0643
Dallas
Addison, TX
Tel: 972-818-7423
Fax: 972-818-2924
Detroit
Novi, MI
Tel: 248-848-4000
Houston, TX
Tel: 281-894-5983
Indianapolis
Noblesville, IN
Tel: 317-773-8323
Fax: 317-773-5453
Los Angeles
Mission Viejo, CA
Tel: 949-462-9523
Fax: 949-462-9608
New York, NY
Tel: 631-435-6000
San Jose, CA
Tel: 408-735-9110
Canada - Toronto
Tel: 905-673-0699
Fax: 905-673-6509
ASIA/PACIFIC
Asia Pacific Office
Suites 3707-14, 37th Floor
Tower 6, The Gateway
Harbour City, Kowloon
Hong Kong
Tel: 852-2943-5100
Fax: 852-2401-3431
Australia - Sydney
Tel: 61-2-9868-6733
Fax: 61-2-9868-6755
China - Beijing
Tel: 86-10-8569-7000
Fax: 86-10-8528-2104
China - Chengdu
Tel: 86-28-8665-5511
Fax: 86-28-8665-7889
China - Chongqing
Tel: 86-23-8980-9588
Fax: 86-23-8980-9500
China - Dongguan
Tel: 86-769-8702-9880
China - Hangzhou
Tel: 86-571-8792-8115
Fax: 86-571-8792-8116
China - Hong Kong SAR
Tel: 852-2943-5100
Fax: 852-2401-3431
China - Nanjing
Tel: 86-25-8473-2460
Fax: 86-25-8473-2470
China - Qingdao
Tel: 86-532-8502-7355
Fax: 86-532-8502-7205
China - Shanghai
Tel: 86-21-5407-5533
Fax: 86-21-5407-5066
China - Shenyang
Tel: 86-24-2334-2829
Fax: 86-24-2334-2393
China - Shenzhen
Tel: 86-755-8864-2200
Fax: 86-755-8203-1760
China - Wuhan
Tel: 86-27-5980-5300
Fax: 86-27-5980-5118
China - Xian
Tel: 86-29-8833-7252
Fax: 86-29-8833-7256
ASIA/PACIFIC
China - Xiamen
Tel: 86-592-2388138
Fax: 86-592-2388130
China - Zhuhai
Tel: 86-756-3210040
Fax: 86-756-3210049
India - Bangalore
Tel: 91-80-3090-4444
Fax: 91-80-3090-4123
India - New Delhi
Tel: 91-11-4160-8631
Fax: 91-11-4160-8632
India - Pune
Tel: 91-20-3019-1500
Japan - Osaka
Tel: 81-6-6152-7160
Fax: 81-6-6152-9310
Japan - Tokyo
Tel: 81-3-6880- 3770
Fax: 81-3-6880-3771
Korea - Daegu
Tel: 82-53-744-4301
Fax: 82-53-744-4302
Korea - Seoul
Tel: 82-2-554-7200
Fax: 82-2-558-5932 or
82-2-558-5934
Malaysia - Kuala Lumpur
Tel: 60-3-6201-9857
Fax: 60-3-6201-9859
Malaysia - Penang
Tel: 60-4-227-8870
Fax: 60-4-227-4068
Philippines - Manila
Tel: 63-2-634-9065
Fax: 63-2-634-9069
Singapore
Tel: 65-6334-8870
Fax: 65-6334-8850
Taiwan - Hsin Chu
Tel: 886-3-5778-366
Fax: 886-3-5770-955
Taiwan - Kaohsiung
Tel: 886-7-213-7828
Taiwan - Taipei
Tel: 886-2-2508-8600
Fax: 886-2-2508-0102
Thailand - Bangkok
Tel: 66-2-694-1351
Fax: 66-2-694-1350
EUROPE
Austria - Wels
Tel: 43-7242-2244-39
Fax: 43-7242-2244-393
Denmark - Copenhagen
Tel: 45-4450-2828
Fax: 45-4485-2829
France - Paris
Tel: 33-1-69-53-63-20
Fax: 33-1-69-30-90-79
Germany - Dusseldorf
Tel: 49-2129-3766400
Germany - Karlsruhe
Tel: 49-721-625370
Germany - Munich
Tel: 49-89-627-144-0
Fax: 49-89-627-144-44
Italy - Milan
Tel: 39-0331-742611
Fax: 39-0331-466781
Italy - Venice
Tel: 39-049-7625286
Netherlands - Drunen
Tel: 31-416-690399
Fax: 31-416-690340
Poland - Warsaw
Tel: 48-22-3325737
Spain - Madrid
Tel: 34-91-708-08-90
Fax: 34-91-708-08-91
Sweden - Stockholm
Tel: 46-8-5090-4654
UK - Wokingham
Tel: 44-118-921-5800
Fax: 44-118-921-5820
Worldwide Sales and Service
07/14/15